Поиск подшипника
Статьи
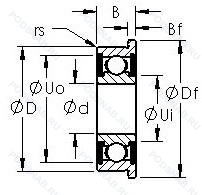
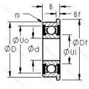
F679H-2RS — Шариковый радиальный подшипник, модификация основного исполнения F679, производство AST.
Размер подшипника: 9x14x4 мм.
Резиновые уплотнения с каждой стороны подшипника, pressed snap-type steel cage. hardened.
Международная стандартизации ISO
F679H2RS
В наличии
| Обозначение | Конструктивные изменения |
|---|---|
| F-679 | Шариковые подшипники из нержавеющей стали. |
| F679 ZZ | Защитные металлические шайбы с обеих сторон. |
| F679H | Pressed Snap-Type Steel Cage. Hardened. |
| F679HZZ | Шариковый радиальный подшипник. |
Модификации шарикового подшипника F679H-2RS — это измененное основное конструктивное исполнение F679, основные размеры (9x14x4) не отличаются.
| Обозначение | Гост | Конструктивные особенности |
|---|---|---|
| 4-69 ЮТ | ГОСТ | Температура отпуска. 160°. Все детали или часть деталей из нержавеющей стали.. |
| 679H-2RS | ISO | Резиновые уплотнения с каждой стороны подшипника. Pressed Snap-Type Steel Cage. Hardened. |
| 679HZZ | ISO | Шариковый радиальный подшипник. |
| W 61700 X-2RS1 | ISO | Усиленные листовой сталью контактные уплотнения из акрилонитрил-бутадиенового каучука (NBR) с обеих сторон подшипника. Нержавеющая сталь. Измененные размеры границ. введенные пересмотренными стандартами ISO. |
| W 61700 X-2ZS | ISO | Нержавеющая сталь. Измененные размеры границ. введенные пересмотренными стандартами ISO. Z-образный сепаратор. |
| W 61700 XR-2ZS | ISO | Нержавеющая сталь. Z-образный сепаратор. |
| W 617/9 | ISO | Largest Fill. Нержавеющая сталь. |
| W 637/9-2ZS | ISO | Largest Fill. Нержавеющая сталь. Z-образный сепаратор. |
| W 637/8 X | ISO | Нержавеющая сталь. Измененные размеры границ. введенные пересмотренными стандартами ISO. Средний предварительный натяг. |
| WBB1-8708-2Z | ISO | Защитные металлические шайбы с обеих сторон подшипника. Нержавеющая сталь. |
| WBB1-8708-2RS1 | ISO | Усиленные листовой сталью контактные уплотнения из акрилонитрил-бутадиенового каучука (NBR) с обеих сторон подшипника. Нержавеющая сталь. |
| WBB1-8708-2RZ | ISO | Шарикоподшипник. С уплотнением и низким коэффициентом трения с обеих сторон. Уплотнение состоит из шайбы из листовой стали с вулканизированной резиной. Нержавеющая сталь. |
Аналог шарикового подшипника F679H-2RS — это подшипник такого же размера dx9,Dx14,Bx4, типа и конструкции.
| Обозначение | Конструктивные особенности | Внутренний (d) | Наружный (D) | Ширина (B) |
|---|---|---|---|---|
| W637/9-2Z | Шариковый радиальный однорядный подшипник. Защитные металлические шайбы с обеих сторон подшипника. Largest Fill. Нержавеющая сталь. | 9.00 | 14.00 | 4.50 |
| WBB1-8708 R-2Z | Шариковый радиальный однорядный подшипник. Защитные металлические шайбы с обеих сторон подшипника. С выпуклыми асимметричными роликами и обработанным сепаратором. Нержавеющая сталь. | 8.00 | 14.00 | 4.00 |
| WBB1-8708 R-2RS1 | Шариковый радиальный однорядный подшипник. Усиленные листовой сталью контактные уплотнения из акрилонитрил-бутадиенового каучука (NBR) с обеих сторон подшипника. С выпуклыми асимметричными роликами и обработанным сепаратором. Нержавеющая сталь. | 8.00 | 14.00 | 4.00 |
| MF148-2Z | Шариковый радиальный однорядный подшипник. Защитные металлические шайбы с обеих сторон подшипника. | 8.00 | 14.00 | 4.00 |
| S61700-2Z | Шариковый радиальный однорядный подшипник. Защитные металлические шайбы с обеих сторон подшипника. | 10.00 | 15.00 | 4.00 |
| SF61700-2Z | Шариковый радиальный однорядный подшипник. Защитные металлические шайбы с обеих сторон подшипника. | 10.00 | 15.00 | 4.00 |
| SF61700-2RS | Шариковый радиальный однорядный подшипник. Резиновые уплотнения с каждой стороны подшипника. | 10.00 | 15.00 | 4.00 |
| SMF148-2RS | Шариковый радиальный однорядный подшипник. Резиновые уплотнения с каждой стороны подшипника. | 8.00 | 14.00 | 4.00 |
| SMF148-2Z | Шариковый радиальный однорядный подшипник. Защитные металлические шайбы с обеих сторон подшипника. | 8.00 | 14.00 | 4.00 |
| SMR148-2Z | Шариковый радиальный однорядный подшипник. Защитные металлические шайбы с обеих сторон подшипника. | 8.00 | 14.00 | 4.00 |
| F61700-2Z | Шариковый радиальный однорядный подшипник. Защитные металлические шайбы с обеих сторон подшипника. | 10.00 | 15.00 | 4.00 |
| 24-1840009 ЮТ | Шариковый радиальный однорядный подшипник. Температура отпуска. 160°. Все детали или часть деталей из нержавеющей стали.. | 9.00 | 14.00 | 3.00 |
| 24-69 ЮТ | Шариковый радиальный однорядный подшипник. Температура отпуска. 160°. Все детали или часть деталей из нержавеющей стали.. | 9.00 | 14.00 | 3.00 |
| 24-840069 ЮТ | Шариковый радиальный однорядный подшипник. Температура отпуска. 160°. Все детали или часть деталей из нержавеющей стали.. | 9.00 | 14.00 | 3.00 |
| 5-860700 Ю | Шариковый радиальный однорядный подшипник. Все детали или часть деталей из нержавеющей стали.. | 10.00 | 15.00 | 4.50 |
Способы доставки
Отправка через ведущие транспортные и курьерские компании: ПЭК, Деловые Линии, СДЭК, Байкал-Сервис, Энергия, КИТ, ЖелДорЭкспедиция.
Самовывоз возможен напрямую со склада в Москве.
Сроки доставки
Срок зависит от региона и выбранной транспортной компании. Все заказы комплектуются и отправляются в кратчайшие сроки со склада в Москве.
Надёжность и сохранность
Вся продукция упаковывается с учётом требований транспортировки. Мы гарантируем, что подшипники и комплектующие прибудут к заказчику в полной сохранности.
Доставка в страны ЕАЭС
Мы работаем с проверенными логистическими партнёрами, что позволяет оперативно доставлять заказы в Беларусь, Казахстан, Армению и другие страны ЕАЭС.
Варианты оплаты:
Минимальная сумма заказа и скидки:
Документы и гарантии:
Да, конечно! Наши технические специалисты готовы помочь вам с подбором точного аналога или замены подшипника. Просто позвоните нам по телефону +7 (495) 104-99-04 или напишите на почту zakaz@podsnab.ru.
Для оперативной консультации подготовьте, пожалуйста, имеющиеся данные: маркировку, размеры, тип оборудования или артикул старого подшипника.
Да, конечно! Мы высоко ценим долгосрочное сотрудничество и доверие клиентов по всей России. Для постоянных клиентов действует персональная система скидок.
Условия формируются индивидуально и зависят от:
Чтобы узнать свои условия и получить максимально выгодное предложение, свяжитесь с персональным менеджером или напишите нам на почту zakaz@podsnab.ru.
Вы можете оформить заказ несколькими способами:
Для оформления заказа от юридического лица свяжитесь с нашим отделом по работе с корпоративными клиентами по телефону +7 (495) 104-99-04 или напишите на email zakaz@podsnab.ru, прикрепив реквизиты вашей организации.
Мы оперативно подготовим коммерческое предложение и выставим счет.
Возврат товара надлежащего качества возможен в течение 10 дней с момента получения, если товар не был в употреблении, сохранен товарный вид, упаковка не вскрывалась и присутствуют все сопроводительные документы.
Возврат денежных средств осуществляется в течение 10 рабочих дней после проверки товара складом.
В соответствии с законодательством возврату не подлежат подшипники надлежащего качества, если отсутствует оригинальная упаковка или имеются следы монтажа.
В случае выявления брака или гарантийного случая мы гарантируем возврат или обмен товара.
Да, гарантийный срок хранения устанавливается заводом-изготовителем и в среднем составляет 2 года при соблюдении условий хранения: сухое помещение, оригинальная упаковка и смазка.
Точный срок для конкретного типа подшипника уточняйте у наших менеджеров.
Пн–Пт: с 8:00 до 17:00 (МСК).
Сб–Вс: выходные дни.
Заказы на сайте принимаются круглосуточно. Заявки, поступившие после окончания рабочего дня, обрабатываются на следующий рабочий день.
Минимальная сумма заказа для доставки составляет 3000 рублей. Самовывоз со склада возможен на любую сумму при наличии товара.
ООО «УралТехГрупп»
ИНН: 7415093830
КПП: 772401001
ОГРН: 1167456069021
Банк: ПАО Сбербанк
Р/с: 40702810838000475273
К/с: 30101810400000000225
БИК: 044525225
У подшипника F679H-2RS пока нет отзывов. Вы можете стать первым покупателем, поделившимся своим мнением.