Поиск подшипника
Статьи
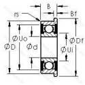
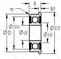
F692H-TT — Шариковый радиальный подшипник, модификация основного исполнения F692, производство AST.
Размер подшипника: 2x6x3 мм.
Комплект из трех согласованных однорядных радиально-упорных шарикоподшипников или радиально-упорных шарикоподшипников, расположенных тандемно, pressed snap-type steel cage. hardened.
Международная стандартизации ISO
F692HTT
В наличии
| Обозначение | Конструктивные изменения |
|---|---|
| F692ZZ | Защитные металлические шайбы (бесконтактные уплотнения) с обеих сторон подшипника. Подшипник с фланцевым наружным кольцом. |
| F692H ZZ | Две металлические защитные шайбы. Нержавеющая сталь. |
| F692X-H-ZZSMC3 | Нержавеющая сталь. Размеры больше. чем у изделий без суффикса X (пример/ F682X = d 2.5 - D 7.1 - B 1.8 / F682 = d 2 - D 6.1 - B 1.5). (Миниатюрные радиальные шарикоподшипники серии Metric. M = без латунного сепаратора) = Нормальный радиальный внутренний зазор. Защитные металлические шайбы с двух сторон подшипника (удерживается стопорным кольцом на внешнем кольце - обычно для миниатюрных шарикоподшипников). |
| F692 | Механически обработанный сепаратор из стали или специального чугуна. Основное конструктивное исполнение. |
| F692XHZZ | Шариковый радиальный подшипник. |
| F692XH-TT | Комплект из трех согласованных однорядных радиально-упорных шарикоподшипников или радиально-упорных шарикоподшипников, расположенных тандемно. Double Row Flanged Cup. |
| F692H | Pressed Snap-Type Steel Cage. Hardened. |
| F692XH | Double Row Flanged Cup. |
| F692XZZ | Защитные металлические шайбы (бесконтактные уплотнения) с обеих сторон подшипника. Подшипник с фланцевым наружным кольцом. Габаритные размеры отличаются от стандарта ISO или опорные ролики с цилиндрической наружной поверхностью. |
| F692X | Подшипник с фланцевым наружным кольцом. Габаритные размеры отличаются от стандарта ISO или опорные ролики с цилиндрической наружной поверхностью. |
| F692-2Z | Защитные металлические шайбы с обеих сторон подшипника. |
| F692X-2Z | Защитные металлические шайбы с обеих сторон подшипника. Измененные размеры границ. введенные пересмотренными стандартами ISO. |
| F692-2ZW2.3 | Размерные и геометрические допуски соответствуют классу точности P6. |
Модификации шарикового подшипника F692H-TT — это измененное основное конструктивное исполнение F692, основные размеры (2x6x3) не отличаются.
| Обозначение | Гост | Конструктивные особенности |
|---|---|---|
| F601XH | ISO | Double Row Flanged Cup. |
| F683H-TT | ISO | Pressed Snap-Type Steel Cage. Hardened. Комплект из трех согласованных однорядных радиально-упорных шарикоподшипников или радиально-упорных шарикоподшипников, расположенных тандемно. |
| F683H | ISO | Pressed Snap-Type Steel Cage. Hardened. |
| F691XH | ISO | Double Row Flanged Cup. |
| W 60/1.5 | ISO | Нержавеющая сталь. |
| W 602 X-2ZS | ISO | Нержавеющая сталь. Измененные размеры границ. введенные пересмотренными стандартами ISO. Z-образный сепаратор. |
| W 602 XR-2ZS | ISO | Нержавеющая сталь. Z-образный сепаратор. |
| W 618/2 X | ISO | Нержавеющая сталь. Измененные размеры границ. введенные пересмотренными стандартами ISO. ISO Tolerance Class ABEC.9. |
| W 619/1.5 R | ISO | Нержавеющая сталь. С выпуклыми асимметричными роликами и обработанным сепаратором. Number Of Carriages Per Rail Track. Distance Between Beginning Of The Rail And First Hole In MM. |
| W 619/2 R | ISO | Нержавеющая сталь. С выпуклыми асимметричными роликами и обработанным сепаратором. ISO Tolerance Class ABEC.9. |
| W 619/2 XR | ISO | Нержавеющая сталь. ISO Tolerance Class ABEC.9. |
| W 619/2-2Z | ISO | Защитные металлические шайбы с обеих сторон подшипника. Нержавеющая сталь. ISO Tolerance Class ABEC.9. |
| W 619/2 | ISO | Нержавеющая сталь. ISO Tolerance Class ABEC.9. |
| W 630/2-2ZS | ISO | Нержавеющая сталь. ISO Tolerance Class ABEC.9. Z-образный сепаратор. |
| W 630/1.5-2Z | ISO | Защитные металлические шайбы с обеих сторон подшипника. Нержавеющая сталь. Number Of Carriages Per Rail Track. Distance Between Beginning Of The Rail And First Hole In MM. |
| W 630/2 R-2ZS | ISO | Нержавеющая сталь. С выпуклыми асимметричными роликами и обработанным сепаратором. ISO Tolerance Class ABEC.9. Z-образный сепаратор. |
| W 638/2 R-2Z | ISO | Защитные металлические шайбы с обеих сторон подшипника. Нержавеющая сталь. С выпуклыми асимметричными роликами и обработанным сепаратором. ISO Tolerance Class ABEC.9. |
| W 638/2 XR-2Z | ISO | Защитные металлические шайбы с обеих сторон подшипника. Нержавеющая сталь. ISO Tolerance Class ABEC.9. |
| W 638/2.5 R-2Z | ISO | Защитные металлические шайбы с обеих сторон подшипника. Нержавеющая сталь. С выпуклыми асимметричными роликами и обработанным сепаратором. ISO Tolerance Class ABEC.9. Distance Between Beginning Of The Rail And First Hole In MM. |
| W 639/1.5-2Z | ISO | Защитные металлические шайбы с обеих сторон подшипника. Нержавеющая сталь. Number Of Carriages Per Rail Track. Distance Between Beginning Of The Rail And First Hole In MM. |
Аналог шарикового подшипника F692H-TT — это подшипник такого же размера dx2,Dx6,Bx3, типа и конструкции.
| Обозначение | Конструктивные особенности | Внутренний (d) | Наружный (D) | Ширина (B) |
|---|---|---|---|---|
| 502-3080092-УС21 | Шариковый радиальный однорядный подшипник. Дополнительные технические требования. Смазка ЭРА. | 2.00 | 6.00 | 3.00 |
| 504-2000083-Ю5Т | Шариковый радиальный однорядный подшипник. Температура отпуска. 160°. Все детали или часть деталей из нержавеющей стали.. | 3.00 | 7.00 | 2.50 |
| 5М4-1840083 Ю1Т | Шариковый радиальный однорядный подшипник. Температура отпуска. 160°. Все детали или часть деталей из нержавеющей стали.. | 3.00 | 7.00 | 2.00 |
| 5М4-2076083 Е1 | Роликовый радиальный-упорный однорядный подшипник. Сепаратор из текстолита.. | 3.00 | 7.00 | 2.50 |
| 5М4-2076083 Е1П | Шариковый радиально-упорный однорядный подшипник. Сепаратор из текстолита.. | 3.00 | 7.00 | 2.70 |
| 5М4-2076083 ЮТ | Роликовый радиальный-упорный однорядный подшипник. Температура отпуска. 160°. Все детали или часть деталей из нержавеющей стали.. | 3.00 | 7.00 | 2.70 |
| 5М4-2076083 ЮТП | Шариковый радиально-упорный однорядный подшипник. Температура отпуска. 160°. Все детали или часть деталей из нержавеющей стали.. | 3.00 | 7.00 | 2.70 |
| 5М4-2076083 ЮУТ | Роликовый радиальный-упорный однорядный подшипник. Дополнительные технические требования. Температура отпуска. 160°. Все детали или часть деталей из нержавеющей стали.. | 3.00 | 7.00 | 2.70 |
| 5М5-2000083 | Шариковый радиальный однорядный подшипник. Модифицированный контакт.. | 3.00 | 7.00 | 2.50 |
| 6-1000092 Ю2Т | Шариковый радиальный однорядный подшипник. Температура отпуска. 160°. Все детали или часть деталей из нержавеющей стали.. | 2.00 | 6.00 | 2.30 |
| 6-1000092 ЮТ | Шариковый радиальный однорядный подшипник. Температура отпуска. 160°. Все детали или часть деталей из нержавеющей стали.. | 2.00 | 6.00 | 2.30 |
| 6-2000083 Т2 | Шариковый радиальный однорядный подшипник. 200°. Температура отпуска. | 3.00 | 7.00 | 2.50 |
| 6-2000083 Ю5Т | Шариковый радиальный однорядный подшипник. Температура отпуска. 160°. Все детали или часть деталей из нержавеющей стали.. | 3.00 | 7.00 | 2.50 |
| 6-2000083 Ю6Т | Шариковый радиальный однорядный подшипник. Температура отпуска. 160°. Все детали или часть деталей из нержавеющей стали.. | 3.00 | 7.00 | 2.50 |
| 6-2000083 ЮТ | Шариковый радиальный однорядный подшипник. Температура отпуска. 160°. Все детали или часть деталей из нержавеющей стали.. | 3.00 | 7.00 | 2.50 |
Способы доставки
Отправка через ведущие транспортные и курьерские компании: ПЭК, Деловые Линии, СДЭК, Байкал-Сервис, Энергия, КИТ, ЖелДорЭкспедиция.
Самовывоз возможен напрямую со склада в Москве.
Сроки доставки
Срок зависит от региона и выбранной транспортной компании. Все заказы комплектуются и отправляются в кратчайшие сроки со склада в Москве.
Надёжность и сохранность
Вся продукция упаковывается с учётом требований транспортировки. Мы гарантируем, что подшипники и комплектующие прибудут к заказчику в полной сохранности.
Доставка в страны ЕАЭС
Мы работаем с проверенными логистическими партнёрами, что позволяет оперативно доставлять заказы в Беларусь, Казахстан, Армению и другие страны ЕАЭС.
Варианты оплаты:
Минимальная сумма заказа и скидки:
Документы и гарантии:
Да, конечно! Наши технические специалисты готовы помочь вам с подбором точного аналога или замены подшипника. Просто позвоните нам по телефону +7 (495) 104-99-04 или напишите на почту zakaz@podsnab.ru.
Для оперативной консультации подготовьте, пожалуйста, имеющиеся данные: маркировку, размеры, тип оборудования или артикул старого подшипника.
Да, конечно! Мы высоко ценим долгосрочное сотрудничество и доверие клиентов по всей России. Для постоянных клиентов действует персональная система скидок.
Условия формируются индивидуально и зависят от:
Чтобы узнать свои условия и получить максимально выгодное предложение, свяжитесь с персональным менеджером или напишите нам на почту zakaz@podsnab.ru.
Вы можете оформить заказ несколькими способами:
Для оформления заказа от юридического лица свяжитесь с нашим отделом по работе с корпоративными клиентами по телефону +7 (495) 104-99-04 или напишите на email zakaz@podsnab.ru, прикрепив реквизиты вашей организации.
Мы оперативно подготовим коммерческое предложение и выставим счет.
Возврат товара надлежащего качества возможен в течение 10 дней с момента получения, если товар не был в употреблении, сохранен товарный вид, упаковка не вскрывалась и присутствуют все сопроводительные документы.
Возврат денежных средств осуществляется в течение 10 рабочих дней после проверки товара складом.
В соответствии с законодательством возврату не подлежат подшипники надлежащего качества, если отсутствует оригинальная упаковка или имеются следы монтажа.
В случае выявления брака или гарантийного случая мы гарантируем возврат или обмен товара.
Да, гарантийный срок хранения устанавливается заводом-изготовителем и в среднем составляет 2 года при соблюдении условий хранения: сухое помещение, оригинальная упаковка и смазка.
Точный срок для конкретного типа подшипника уточняйте у наших менеджеров.
Пн–Пт: с 8:00 до 17:00 (МСК).
Сб–Вс: выходные дни.
Заказы на сайте принимаются круглосуточно. Заявки, поступившие после окончания рабочего дня, обрабатываются на следующий рабочий день.
Минимальная сумма заказа для доставки составляет 3000 рублей. Самовывоз со склада возможен на любую сумму при наличии товара.
ООО «УралТехГрупп»
ИНН: 7415093830
КПП: 772401001
ОГРН: 1167456069021
Банк: ПАО Сбербанк
Р/с: 40702810838000475273
К/с: 30101810400000000225
БИК: 044525225
У подшипника F692H-TT пока нет отзывов. Вы можете стать первым покупателем, поделившимся своим мнением.