Поиск подшипника
Статьи
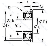
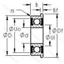
F696H-2RS — Шариковый радиальный подшипник, модификация основного исполнения F696, производство AST.
Размер подшипника: 6x15x5 мм.
Резиновые уплотнения с каждой стороны подшипника, pressed snap-type steel cage. hardened.
Международная стандартизации ISO
F696H2RS
В наличии
| Обозначение | Конструктивные изменения |
|---|---|
| F696ZZ VA | Защитные металлические шайбы с обеих сторон. Нержавеющая сталь. |
| F696ZZ | Защитные металлические шайбы (бесконтактные уплотнения) с обеих сторон подшипника. Шариковые подшипники из нержавеющей стали. |
| F696-2Z | Защитные металлические шайбы с обеих сторон подшипника. |
| F696 2RS VA | Резиновые уплотнения с каждой стороны подшипника. Нержавеющая сталь. |
| F696-2ZVA | Защитные металлические шайбы с обеих сторон. Коррозионно-стойкая конструкция из высоколегированной подшипниковой стали. |
| F696H | Pressed Snap-Type Steel Cage. Hardened. |
| F696HZZ | Шариковый радиальный подшипник. |
| F 696 | Механически обработанный сепаратор из стали или специального чугуна. |
| F696-2RS | Контактные уплотнения типа RS с обеих сторон игольчатого роликоподшипника. |
| F696VV | Подшипник с фланцевым наружным кольцом. Защитные металлические шайбы. с обеих сторон подшипника. Бесконтактное уплотнение. (лучше. чем ZZ. Можно использовать в умеренно запыленной среде). |
| F696DD | Подшипник с фланцевым наружным кольцом. Два уплотнения из PTFE. |
| F696ZZ1 | Подшипник с фланцевым наружным кольцом. Защитные из нержавеющей стали шайбы с двух сторон подшипника. |
| F696A-2Z | Двухрядный радиально-упорный шарикоподшипник без отверстия для смазки. Защитные металлические шайбы с обеих сторон подшипника. |
| F696A | Двухрядный радиально-упорный шарикоподшипник без отверстия для смазки. |
| F696A-RS | Двухрядный радиально-упорный шарикоподшипник без отверстия для смазки. Резиновое уплотнение с одной стороны. |
Модификации шарикового подшипника F696H-2RS — это измененное основное конструктивное исполнение F696, основные размеры (6x15x5) не отличаются.
| Обозначение | Гост | Конструктивные особенности |
|---|---|---|
| 6-25 Г | ГОСТ | Сепаратор из черных металлов.. |
| W 619/6-2ZR | ISO | Нержавеющая сталь. Защитные металлические шайбы с обеих сторон. Exxon Aviation Instrument Oil. |
| 25-Л | ГОСТ | Сепаратор из латуни.. |
| 605H | ISO | Pressed Snap-Type Steel Cage. Hardened. |
| 696AH-2RS | ISO | Резиновые уплотнения с каждой стороны подшипника. Противовращающийся штырь. Массивные ножки и свободный момент выравнивания. |
| F605H | ISO | Pressed Snap-Type Steel Cage. Hardened. |
| F605H-2RS | ISO | Резиновые уплотнения с каждой стороны подшипника. Pressed Snap-Type Steel Cage. Hardened. |
| F625H | ISO | Pressed Snap-Type Steel Cage. Hardened. |
| F625H-2RS | ISO | Резиновые уплотнения с каждой стороны подшипника. Pressed Snap-Type Steel Cage. Hardened. |
| W 605 R | ISO | Нержавеющая сталь. С выпуклыми асимметричными роликами и обработанным сепаратором. |
| W 605 R-2RS1 | ISO | Усиленные листовой сталью контактные уплотнения из акрилонитрил-бутадиенового каучука (NBR) с обеих сторон подшипника. Нержавеющая сталь. С выпуклыми асимметричными роликами и обработанным сепаратором. |
| W 619/6 R | ISO | Нержавеющая сталь. С выпуклыми асимметричными роликами и обработанным сепаратором. Exxon Aviation Instrument Oil. |
| W 619/6 R-2RS1 | ISO | Усиленные листовой сталью контактные уплотнения из акрилонитрил-бутадиенового каучука (NBR) с обеих сторон подшипника. Нержавеющая сталь. С выпуклыми асимметричными роликами и обработанным сепаратором. Exxon Aviation Instrument Oil. |
| W 625 R-2RS1 | ISO | Усиленные листовой сталью контактные уплотнения из акрилонитрил-бутадиенового каучука (NBR) с обеих сторон подшипника. Нержавеющая сталь. С выпуклыми асимметричными роликами и обработанным сепаратором. |
| W 625 R | ISO | Нержавеющая сталь. С выпуклыми асимметричными роликами и обработанным сепаратором. |
| W 628/7-2RS1 | ISO | Усиленные листовой сталью контактные уплотнения из акрилонитрил-бутадиенового каучука (NBR) с обеих сторон подшипника. Нержавеющая сталь. Небольшая предварительная нагрузка. |
| W 628/7-2RZ | ISO | Шарикоподшипник. С уплотнением и низким коэффициентом трения с обеих сторон. Уплотнение состоит из шайбы из листовой стали с вулканизированной резиной. Нержавеющая сталь. Небольшая предварительная нагрузка. |
| 25-Г1У | ГОСТ | Дополнительные технические требования. Сепаратор из черных металлов.. |
| 5-25 Л | ГОСТ | Сепаратор из латуни.. |
| 5-25-ЮТ | ГОСТ | Температура отпуска. 160°. Все детали или часть деталей из нержавеющей стали.. |
Аналог шарикового подшипника F696H-2RS — это подшипник такого же размера dx6,Dx15,Bx5, типа и конструкции.
| Обозначение | Конструктивные особенности | Внутренний (d) | Наружный (D) | Ширина (B) |
|---|---|---|---|---|
| 5-80025-КЮТС21 | Шариковый радиальный однорядный подшипник. «Замок» (скос) на внутреннем кольце плюс массивный сепаратор из текстолита. Температура отпуска. 160°. Смазка ЭРА. Все детали или часть деталей из нержавеющей стали.. | 5.00 | 16.00 | 5.00 |
| 5-80025 ЮТС19 | Шариковый радиальный однорядный подшипник. Температура отпуска. 160°. Все детали или часть деталей из нержавеющей стали.. Смазка ВНИИНП-286. | 5.00 | 16.00 | 5.00 |
| 5-80025-ЮТС2 | Шариковый радиальный однорядный подшипник. Температура отпуска. 160°. Все детали или часть деталей из нержавеющей стали.. Смазка ЦИАТИМ-221. | 5.00 | 16.00 | 5.00 |
| 5-80025-ЮТС21 | Шариковый радиальный однорядный подшипник. Температура отпуска. 160°. Смазка ЭРА. Все детали или часть деталей из нержавеющей стали.. | 5.00 | 16.00 | 5.00 |
| 5-840025-К | Шариковый радиальный однорядный подшипник. «Замок» (скос) на внутреннем кольце плюс массивный сепаратор из текстолита. | 5.00 | 16.00 | 6.00 |
| 522-1080096-К1УС21 | Шариковый радиальный однорядный подшипник. Дополнительные технические требования. Смазка ЭРА. | 6.00 | 15.00 | 5.00 |
| 534-1080096-К1Т1У1С21 | Шариковый радиальный однорядный подшипник. 180°. Смазка ЭРА. Температура отпуска. Дополнительные технические требования. | 6.00 | 15.00 | 5.00 |
| 5М4-1006096 Е | Шариковый радиально-упорный однорядный подшипник. Сепаратор из текстолита.. | 6.00 | 15.00 | 5.00 |
| 5М5-6025 | Шариковый радиально-упорный однорядный подшипник. Модифицированный контакт.. | 5.00 | 16.00 | 5.00 |
| 6-1000096 Т2 | Шариковый радиальный однорядный подшипник. 200°. Температура отпуска. | 6.00 | 15.00 | 5.00 |
| 6-1000096-Ю1Т | Шариковый радиальный однорядный подшипник. Температура отпуска. 160°. Все детали или часть деталей из нержавеющей стали.. | 6.00 | 15.00 | 5.00 |
| 6-1000096 ЮТ | Шариковый радиальный однорядный подшипник. Температура отпуска. 160°. Все детали или часть деталей из нержавеющей стали.. | 6.00 | 15.00 | 5.00 |
| 6-1080096 С9 | Шариковый радиальный однорядный подшипник. Смазка ЛЗ-31. | 6.00 | 15.00 | 5.00 |
| 6-2000087 Ю | Шариковый радиальный однорядный подшипник. Все детали или часть деталей из нержавеющей стали.. | 7.00 | 14.00 | 4.00 |
| 6-2000087 ЮТ | Шариковый радиальный однорядный подшипник. Температура отпуска. 160°. Все детали или часть деталей из нержавеющей стали.. | 7.00 | 14.00 | 4.00 |
Способы доставки
Отправка через ведущие транспортные и курьерские компании: ПЭК, Деловые Линии, СДЭК, Байкал-Сервис, Энергия, КИТ, ЖелДорЭкспедиция.
Самовывоз возможен напрямую со склада в Москве.
Сроки доставки
Срок зависит от региона и выбранной транспортной компании. Все заказы комплектуются и отправляются в кратчайшие сроки со склада в Москве.
Надёжность и сохранность
Вся продукция упаковывается с учётом требований транспортировки. Мы гарантируем, что подшипники и комплектующие прибудут к заказчику в полной сохранности.
Доставка в страны ЕАЭС
Мы работаем с проверенными логистическими партнёрами, что позволяет оперативно доставлять заказы в Беларусь, Казахстан, Армению и другие страны ЕАЭС.
Варианты оплаты:
Минимальная сумма заказа и скидки:
Документы и гарантии:
Да, конечно! Наши технические специалисты готовы помочь вам с подбором точного аналога или замены подшипника. Просто позвоните нам по телефону +7 (495) 104-99-04 или напишите на почту zakaz@podsnab.ru.
Для оперативной консультации подготовьте, пожалуйста, имеющиеся данные: маркировку, размеры, тип оборудования или артикул старого подшипника.
Да, конечно! Мы высоко ценим долгосрочное сотрудничество и доверие клиентов по всей России. Для постоянных клиентов действует персональная система скидок.
Условия формируются индивидуально и зависят от:
Чтобы узнать свои условия и получить максимально выгодное предложение, свяжитесь с персональным менеджером или напишите нам на почту zakaz@podsnab.ru.
Вы можете оформить заказ несколькими способами:
Для оформления заказа от юридического лица свяжитесь с нашим отделом по работе с корпоративными клиентами по телефону +7 (495) 104-99-04 или напишите на email zakaz@podsnab.ru, прикрепив реквизиты вашей организации.
Мы оперативно подготовим коммерческое предложение и выставим счет.
Возврат товара надлежащего качества возможен в течение 10 дней с момента получения, если товар не был в употреблении, сохранен товарный вид, упаковка не вскрывалась и присутствуют все сопроводительные документы.
Возврат денежных средств осуществляется в течение 10 рабочих дней после проверки товара складом.
В соответствии с законодательством возврату не подлежат подшипники надлежащего качества, если отсутствует оригинальная упаковка или имеются следы монтажа.
В случае выявления брака или гарантийного случая мы гарантируем возврат или обмен товара.
Да, гарантийный срок хранения устанавливается заводом-изготовителем и в среднем составляет 2 года при соблюдении условий хранения: сухое помещение, оригинальная упаковка и смазка.
Точный срок для конкретного типа подшипника уточняйте у наших менеджеров.
Пн–Пт: с 8:00 до 17:00 (МСК).
Сб–Вс: выходные дни.
Заказы на сайте принимаются круглосуточно. Заявки, поступившие после окончания рабочего дня, обрабатываются на следующий рабочий день.
Минимальная сумма заказа для доставки составляет 3000 рублей. Самовывоз со склада возможен на любую сумму при наличии товара.
ООО «УралТехГрупп»
ИНН: 7415093830
КПП: 772401001
ОГРН: 1167456069021
Банк: ПАО Сбербанк
Р/с: 40702810838000475273
К/с: 30101810400000000225
БИК: 044525225
У подшипника F696H-2RS пока нет отзывов. Вы можете стать первым покупателем, поделившимся своим мнением.