Поиск подшипника
Статьи
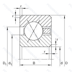
CSXG080 — Шариковый радиальный подшипник, основное исполнение, производство INA.
Размер подшипника: 203x254x25 мм.
Альтернативное обозначение: KG080XP0, FPXG800, KG080XPO, L18WA800, NBX20325.
Международная стандартизации ISO
CSXG080
В наличии
| Обозначение | Конструктивные изменения |
|---|---|
| CSXG080-HLE | Код местонахождения завода. может использоваться в стандартной комплектации. |
| CSXG080-VK-HLE | Код местонахождения завода. может использоваться в стандартной комплектации. Подшипники с четырехточечным контактом с радиальным предварительным натягом от 0 до 15 мкм. |
Модификации шарикового подшипника CSXG080 — это измененное основное конструктивное исполнение CSXG080, основные размеры (203x254x25) не отличаются.
| Обозначение | Гост | Конструктивные особенности |
|---|---|---|
| KG080XP0 | ISO | Четырехточечный контакт. Standard Formed Ring “Snap-Over” Type (Material—Brass Or Non-Metallic Composite). |
| FPXG800 | ISO | Шариковый радиальный подшипник. |
| CSEG080 | ISO | Шариковый радиальный подшипник. |
Аналог шарикового подшипника CSXG080 — это подшипник такого же размера dx203,Dx254,Bx25, типа и конструкции.
| Обозначение | Конструктивные особенности | Внутренний (d) | Наружный (D) | Ширина (B) |
|---|---|---|---|---|
| FPCG800 | Подшипник однорядный шариковый радиальный. | 203.20 | 254.00 | 25.40 |
| L10WA800T | Подшипник однорядный шариковый радиальный. Литой защелкивающийся сепаратор из полиамида. армированного стекловолокном. | 203.20 | 254.00 | 25.40 |
| L10WA800TA | Подшипник однорядный шариковый радиальный. Двухрядный радиально-упорный шарикоподшипник без отверстия для смазки. Machined Textile Laminated Phenolic Cage. Guidance By The Outer Ring. | 203.20 | 254.00 | 25.40 |
| CSCG080 | Подшипник однорядный шариковый радиальный. | 203.20 | 254.00 | 25.40 |
| KG080CP0 | Подшипник однорядный шариковый радиальный. Радиальный контакт. Standard Formed Ring “Snap-Over” Type (Material—Brass Or Non-Metallic Composite). | 203.20 | 254.00 | 25.40 |
| KG080CPO | Подшипник однорядный шариковый радиальный. Радиальный контакт. Standard Formed Ring “Snap-Over” Type (Material—Brass Or Non-Metallic Composite). Класс точности 1 по стандарту ABEC 1F. | 203.20 | 254.00 | 25.40 |
| NBC20325 | Подшипник однорядный шариковый радиальный. | 203.20 | 254.00 | 25.40 |
| CSCG080-HLE | Подшипник однорядный шариковый радиальный. Код местонахождения завода. может использоваться в стандартной комплектации. | 203.20 | 254.00 | 25.40 |
| KG080XP0 | Подшипник шариковый с четырехточечным контактом. Четырехточечный контакт. Standard Formed Ring “Snap-Over” Type (Material—Brass Or Non-Metallic Composite). | 203.20 | 254.00 | 25.40 |
| FPXG800 | Подшипник шариковый с четырехточечным контактом. | 203.20 | 254.00 | 25.40 |
| 6-66941 | Шариковый радиально-упорный однорядный подшипник. | 203.00 | 254.00 | 25.00 |
| KGX080 | Шариковый радиально-упорный однорядный подшипник. | 203.20 | 254.00 | 25.40 |
| KGA080 | Шариковый радиально-упорный однорядный подшипник. | 203.20 | 254.00 | 25.40 |
| KGC080 | Шариковый радиальный однорядный подшипник. Угол контакта 20 градусов. | 203.20 | 254.00 | 25.40 |
Способы доставки
Отправка через ведущие транспортные и курьерские компании: ПЭК, Деловые Линии, СДЭК, Байкал-Сервис, Энергия, КИТ, ЖелДорЭкспедиция.
Самовывоз возможен напрямую со склада в Москве.
Сроки доставки
Срок зависит от региона и выбранной транспортной компании. Все заказы комплектуются и отправляются в кратчайшие сроки со склада в Москве.
Надёжность и сохранность
Вся продукция упаковывается с учётом требований транспортировки. Мы гарантируем, что подшипники и комплектующие прибудут к заказчику в полной сохранности.
Доставка в страны ЕАЭС
Мы работаем с проверенными логистическими партнёрами, что позволяет оперативно доставлять заказы в Беларусь, Казахстан, Армению и другие страны ЕАЭС.
Варианты оплаты:
Минимальная сумма заказа и скидки:
Документы и гарантии:
Да, конечно! Наши технические специалисты готовы помочь вам с подбором точного аналога или замены подшипника. Просто позвоните нам по телефону +7 (495) 104-99-04 или напишите на почту zakaz@podsnab.ru.
Для оперативной консультации подготовьте, пожалуйста, имеющиеся данные: маркировку, размеры, тип оборудования или артикул старого подшипника.
Да, конечно! Мы высоко ценим долгосрочное сотрудничество и доверие клиентов по всей России. Для постоянных клиентов действует персональная система скидок.
Условия формируются индивидуально и зависят от:
Чтобы узнать свои условия и получить максимально выгодное предложение, свяжитесь с персональным менеджером или напишите нам на почту zakaz@podsnab.ru.
Вы можете оформить заказ несколькими способами:
Для оформления заказа от юридического лица свяжитесь с нашим отделом по работе с корпоративными клиентами по телефону +7 (495) 104-99-04 или напишите на email zakaz@podsnab.ru, прикрепив реквизиты вашей организации.
Мы оперативно подготовим коммерческое предложение и выставим счет.
Возврат товара надлежащего качества возможен в течение 10 дней с момента получения, если товар не был в употреблении, сохранен товарный вид, упаковка не вскрывалась и присутствуют все сопроводительные документы.
Возврат денежных средств осуществляется в течение 10 рабочих дней после проверки товара складом.
В соответствии с законодательством возврату не подлежат подшипники надлежащего качества, если отсутствует оригинальная упаковка или имеются следы монтажа.
В случае выявления брака или гарантийного случая мы гарантируем возврат или обмен товара.
Да, гарантийный срок хранения устанавливается заводом-изготовителем и в среднем составляет 2 года при соблюдении условий хранения: сухое помещение, оригинальная упаковка и смазка.
Точный срок для конкретного типа подшипника уточняйте у наших менеджеров.
Пн–Пт: с 8:00 до 17:00 (МСК).
Сб–Вс: выходные дни.
Заказы на сайте принимаются круглосуточно. Заявки, поступившие после окончания рабочего дня, обрабатываются на следующий рабочий день.
Минимальная сумма заказа для доставки составляет 3000 рублей. Самовывоз со склада возможен на любую сумму при наличии товара.
ООО «УралТехГрупп»
ИНН: 7415093830
КПП: 772401001
ОГРН: 1167456069021
Банк: ПАО Сбербанк
Р/с: 40702810838000475273
К/с: 30101810400000000225
БИК: 044525225
У подшипника CSXG080 пока нет отзывов. Вы можете стать первым покупателем, поделившимся своим мнением.