Поиск подшипника
Статьи
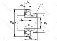
GRA203-NPP-B-AS2/V — Шариковый радиальный подшипник, модификация основного исполнения GRA203, производство INA.
Размер подшипника: 55x100x48 мм.
Наружное кольцо подшипника с двумя смазочными отверстиями в смещенных плоскостях, манжетные уплотнения с обеих сторон (тип p — две шайбы из оцинкованной листовой стали с промежуточной частью из nbr. кромка уплотнения предварительно нагружена в осевом направлении), конический роликовый подшипник. угол контакта 20 градусов.
Международная стандартизации ISO
GRA203NPPBAS2V
В наличии
| Обозначение | Конструктивные изменения |
|---|---|
| GRA203RRB + COL | Товар включает втулку. Два резиновых уплотнения Land Riding со сферическим наружным диаметром (B). |
| GRA203RRB | Два резиновых уплотнения Land Riding со сферическим наружным диаметром (B). |
Модификации шарикового подшипника GRA203-NPP-B-AS2/V — это измененное основное конструктивное исполнение GRA203, основные размеры (55x100x48) не отличаются.
| Обозначение | Гост | Конструктивные особенности |
|---|---|---|
| YSP 211-203 SB-2F | ISO | Стандартное контактное уплотнение с дополнительным маслоотражательным кольцом с обеих сторон. Double Row. Angular Contact. Non-Filling Notch Bearing. With Outwardly Convergent Угол контактаs. Rigid Design. 2.3/16. |
| YSP 211 SB-2F | ISO | Стандартное контактное уплотнение с дополнительным маслоотражательным кольцом с обеих сторон. Double Row. Angular Contact. Non-Filling Notch Bearing. With Outwardly Convergent Угол контактаs. Rigid Design. |
Аналог шарикового подшипника GRA203-NPP-B-AS2/V — это подшипник такого же размера dx55,Dx100,Bx48, типа и конструкции.
| Обозначение | Конструктивные особенности | Внутренний (d) | Наружный (D) | Ширина (B) |
|---|---|---|---|---|
| YET211-203 | Подшипник для корпуса. 2.3/16. | 55.56 | 100.00 | 48.40 |
| GRAE55KRRB | Подшипник для корпуса. Подшипник со сферическим наружным кольцом. Манжетные уплотнения с обеих сторон (уплотнение типа R - имеет оцинкованные внутреннюю и внешнюю крышки. Между крышками имеется уплотнительная кромка NBR. идущая по шлифованному буртику). | 55.00 | 100.00 | 48.40 |
| 52213J9 | Подшипник шариковый упорный двойного направления. Прессованный стальной сепаратор. Вращающийся элемент по центру. Незакаленный. | 55.00 | 100.00 | 47.00 |
| YET211-203/W64 | Подшипник для корпуса. Антифрикционный заполнитель. твердая смазка. 2.3/16. | 55.56 | 100.00 | 48.40 |
| 52213A | Подшипник шариковый упорный двойного направления. Измененная или модифицированная внутренняя конструкция при неизменных основных размерах. Как правило. значение буквы привязано к определенному подшипнику или серии подшипника. | 55.00 | 100.00 | 47.00 |
| AEL211D1W3 | Подшипник для корпуса. Не требующий обслуживания тип. Корпусной подшипник с установочным винтом. | 55.00 | 100.00 | 48.40 |
| KH211+ER | Подшипник для корпуса. Эксцентриковое кольцо. | 55.00 | 100.00 | 48.40 |
| GRAE55-XL-NPP-B | Подшипник для корпуса. Подшипник со сферическим наружным кольцом. Серия X-Life премиум-класс. увеличиный срок службы. Манжетные уплотнения с обеих сторон (Тип P — две шайбы из оцинкованной листовой стали с промежуточной частью из NBR. Кромка уплотнения предварительно нагружена в осевом направлении). | 55.00 | 100.00 | 48.40 |
| ES211 | Подшипник для корпуса. Сферический наружный диаметр. Контактное уплотнение с одной стороны. | 55.00 | 100.00 | 48.40 |
| ES.211.G2 | Подшипник для корпуса. Cистема повторного смазывания для корпусных подшипников. | 55.00 | 100.00 | 48.40 |
| EN211 AV2S | Подшипник для корпуса. Lubricant. Shell Oil Co.. Alvania #2 Grease. 1/4 Full. Temperature Range = -10°C / + 110°C (Normal Temperature Grease). | 55.00 | 100.00 | 48.40 |
| UE211PZ | Подшипник для корпуса. Non-Standard Tolerance. | 55.00 | 100.00 | 48.40 |
| 52213P5 | Подшипник шариковый упорный двойного направления. Precision Higher Than P4. | 55.00 | 100.00 | 47.00 |
| 97511-М | Роликовый радиальный-упорный двухрядный подшипник. Модифицированный контакт.. | 55.00 | 100.00 | 48.00 |
| ES211-35 | Шариковый радиальный однорядный подшипник. 2.3/16. | 55.56 | 100.00 | 48.40 |
Способы доставки
Отправка через ведущие транспортные и курьерские компании: ПЭК, Деловые Линии, СДЭК, Байкал-Сервис, Энергия, КИТ, ЖелДорЭкспедиция.
Самовывоз возможен напрямую со склада в Москве.
Сроки доставки
Срок зависит от региона и выбранной транспортной компании. Все заказы комплектуются и отправляются в кратчайшие сроки со склада в Москве.
Надёжность и сохранность
Вся продукция упаковывается с учётом требований транспортировки. Мы гарантируем, что подшипники и комплектующие прибудут к заказчику в полной сохранности.
Доставка в страны ЕАЭС
Мы работаем с проверенными логистическими партнёрами, что позволяет оперативно доставлять заказы в Беларусь, Казахстан, Армению и другие страны ЕАЭС.
Варианты оплаты:
Минимальная сумма заказа и скидки:
Документы и гарантии:
Да, конечно! Наши технические специалисты готовы помочь вам с подбором точного аналога или замены подшипника. Просто позвоните нам по телефону +7 (495) 104-99-04 или напишите на почту zakaz@podsnab.ru.
Для оперативной консультации подготовьте, пожалуйста, имеющиеся данные: маркировку, размеры, тип оборудования или артикул старого подшипника.
Да, конечно! Мы высоко ценим долгосрочное сотрудничество и доверие клиентов по всей России. Для постоянных клиентов действует персональная система скидок.
Условия формируются индивидуально и зависят от:
Чтобы узнать свои условия и получить максимально выгодное предложение, свяжитесь с персональным менеджером или напишите нам на почту zakaz@podsnab.ru.
Вы можете оформить заказ несколькими способами:
Для оформления заказа от юридического лица свяжитесь с нашим отделом по работе с корпоративными клиентами по телефону +7 (495) 104-99-04 или напишите на email zakaz@podsnab.ru, прикрепив реквизиты вашей организации.
Мы оперативно подготовим коммерческое предложение и выставим счет.
Возврат товара надлежащего качества возможен в течение 10 дней с момента получения, если товар не был в употреблении, сохранен товарный вид, упаковка не вскрывалась и присутствуют все сопроводительные документы.
Возврат денежных средств осуществляется в течение 10 рабочих дней после проверки товара складом.
В соответствии с законодательством возврату не подлежат подшипники надлежащего качества, если отсутствует оригинальная упаковка или имеются следы монтажа.
В случае выявления брака или гарантийного случая мы гарантируем возврат или обмен товара.
Да, гарантийный срок хранения устанавливается заводом-изготовителем и в среднем составляет 2 года при соблюдении условий хранения: сухое помещение, оригинальная упаковка и смазка.
Точный срок для конкретного типа подшипника уточняйте у наших менеджеров.
Пн–Пт: с 8:00 до 17:00 (МСК).
Сб–Вс: выходные дни.
Заказы на сайте принимаются круглосуточно. Заявки, поступившие после окончания рабочего дня, обрабатываются на следующий рабочий день.
Минимальная сумма заказа для доставки составляет 3000 рублей. Самовывоз со склада возможен на любую сумму при наличии товара.
ООО «УралТехГрупп»
ИНН: 7415093830
КПП: 772401001
ОГРН: 1167456069021
Банк: ПАО Сбербанк
Р/с: 40702810838000475273
К/с: 30101810400000000225
БИК: 044525225
У подшипника GRA203-NPP-B-AS2/V пока нет отзывов. Вы можете стать первым покупателем, поделившимся своим мнением.