Поиск подшипника
Статьи
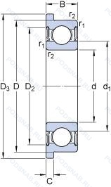
W 61902 R-2RS1 — Шариковый радиальный подшипник, модификация основного исполнения 61902, производство SKF.
Размер подшипника: 15x28x7 мм.
Усиленные листовой сталью контактные уплотнения из акрилонитрил-бутадиенового каучука (nbr) с обеих сторон подшипника, с выпуклыми асимметричными роликами и обработанным сепаратором.
Международная стандартизации ISO
W61902R2RS1
В наличии
| Обозначение | Конструктивные изменения |
|---|---|
| 61902-C3-OEM | Внутренний зазор больше нормального. Производитель оригинального оборудования. |
| 61902-2Z-L074-HLC | Защитные металлические шайбы с обеих сторон. Код местонахождения завода. может использоваться в стандартной комплектации. Isoflex NBU15 Low Temperature Grease -50°C/+130°C. |
| 61902-2RSR-C3-OEM | Внутренний зазор больше нормального. Резиновые уплотнения с каждой стороны подшипника. Производитель оригинального оборудования. |
| 61902E G15 | Шарикоподшипник. Стандартное одиночное уплотнение. Литой сепаратор из полиамида 6.6. армированного стекловолокном. Элемент качения по центру. |
| 61902.2ZR | Защитные металлические шайбы с обеих сторон. |
| 61902-2Z-C3 | Внутренний зазор больше нормального. Защитные стальные шайбы с обеих сторон. |
| 61902ZZ C3 | Внутренний зазор больше нормального. Защитные стальные шайбы с обеих сторон. |
| 61902T9H | Glass-Fibre Reinforced (25%) Thermoplastic Polyamide PA 6.6. 1-Piece. Operating Temperature 120°C. |
| 61902ZZ G15 | Защитные металлические шайбы с обеих сторон. Литой сепаратор из полиамида 6.6. армированного стекловолокном. Центрированный элемент качения.. |
| 61902EE G15 | Литой сепаратор из полиамида 6.6. армированного стекловолокном. Элемент качения по центру. Резиновые уплотнения с каждой стороны подшипника. |
| 61902-Z/TN9 | Литой защелкивающийся сепаратор из полиамида. армированного стекловолокном 6.6. щит из листовой прессованной стали с одной стороны подшипника. |
| 61902EE | Резиновые уплотнения с каждой стороны подшипника. |
| 61902-2RS1/W64L | Усиленные листовой сталью контактные уплотнения из акрилонитрил-бутадиенового каучука (NBR) с обеих сторон подшипника. W64 (Segment Lubrication. Code 1)=Solid Oil Filling And L (Low Temperature Grease. -50°C/+80°C). |
| 61902CE | Ceramic. |
| 61902-H-2RSR | Стандартное качество. Резиновые уплотнения с каждой стороны подшипника. |
| 61902 2RS C3 | Внутренний зазор больше нормального. Резиновые уплотнения с каждой стороны подшипника. |
| W 61902 R-2Z | Защитные металлические шайбы с обеих сторон подшипника. Нержавеющая сталь. С выпуклыми асимметричными роликами и обработанным сепаратором. |
| W 61902-2RZ | Шарикоподшипник. С уплотнением и низким коэффициентом трения с обеих сторон. Уплотнение состоит из шайбы из листовой стали с вулканизированной резиной. Нержавеющая сталь. |
| W 61902 R | Нержавеющая сталь. С выпуклыми асимметричными роликами и обработанным сепаратором. |
| 61902 2BRS | Бесконтактные лабиринтные уплотнения с обеих сторон. |
| 61902 2URS | Специальное манжетное уплотнение с обеих сторон подшипника. |
| 61902 BRS | Бесконтактные лабиринтные уплотнения с одной стороны. |
| 61902 RS | Резиновое уплотнение с одной стороны. |
| 61902 Z | щит из листовой прессованной стали с одной стороны подшипника. |
| 61902-Z.T9H.C3 | Внутренний зазор больше нормального. щит из листовой прессованной стали с одной стороны подшипника. Защелкивающийся сепаратор. Усиленный стекловолокном полиамид. Шариковые тела качения. |
Модификации шарикового подшипника W 61902 R-2RS1 — это измененное основное конструктивное исполнение 61902, основные размеры (15x28x7) не отличаются.
| Обозначение | Гост | Конструктивные особенности |
|---|---|---|
| 9302К | ISO | Шариковый радиальный подшипник. |
Аналог шарикового подшипника W 61902 R-2RS1 — это подшипник такого же размера dx15,Dx28,Bx7, типа и конструкции.
| Обозначение | Конструктивные особенности | Внутренний (d) | Наружный (D) | Ширина (B) |
|---|---|---|---|---|
| SF61902-2RS | Шариковый радиальный однорядный подшипник. Резиновые уплотнения с каждой стороны подшипника. | 15.00 | 28.00 | 7.00 |
| F61902-2Z | Шариковый радиальный однорядный подшипник. Защитные металлические шайбы с обеих сторон подшипника. | 15.00 | 28.00 | 7.00 |
| 3NCHAC902CA | Шариковый радиальный однорядный подшипник. Угол контакта 20 градусов. Латунный сепаратор с симметричными роликами. | 15.00 | 28.00 | 7.00 |
| 3NCHAC902C | Шариковый радиальный однорядный подшипник. Угол контакта 20 градусов. | 15.00 | 28.00 | 7.00 |
| 1000902-Л | Шариковый радиальный однорядный подшипник. Сепаратор из латуни.. | 15.00 | 28.00 | 7.00 |
| 1000902-Ю | Шариковый радиальный однорядный подшипник. Все детали или часть деталей из нержавеющей стали.. | 15.00 | 28.00 | 7.00 |
| 124-1080902-ЮУП | Шариковый радиальный однорядный подшипник. Дополнительные технические требования. Все детали или часть деталей из нержавеющей стали.. | 15.00 | 28.00 | 7.00 |
| 1М4-1080902 ЮТ | Шариковый радиальный однорядный подшипник. Температура отпуска. 160°. Все детали или часть деталей из нержавеющей стали.. | 15.00 | 28.00 | 7.00 |
| 4-1080902 ЮУ1Т | Шариковый радиальный однорядный подшипник. Температура отпуска. 160°. Все детали или часть деталей из нержавеющей стали.. Дополнительные технические требования. | 15.00 | 28.00 | 7.00 |
| 20-ШМ15 ЮТ | Шарнирный подшипник. Температура отпуска. 160°. Одно или два кольца из нержавеющей стали.. Без отверстий и канавок для смазки.. | 15.00 | 28.00 | 8.00 |
| 20-ШМ15 | Шарнирный подшипник. Без отверстий и канавок для смазки.. | 15.00 | 28.00 | 8.00 |
| 1-ШС15 | Шарнирный подшипник. С отверстиями и канавками для смазки во внутреннем кольце.. | 15.00 | 28.00 | 8.00 |
| 1-ШС15 ЮТ | Шарнирный подшипник. Температура отпуска. 160°. Одно или два кольца из нержавеющей стали.. С отверстиями и канавками для смазки во внутреннем кольце.. | 15.00 | 28.00 | 8.00 |
| 5-1000902 ЮТ | Шариковый радиальный однорядный подшипник. Температура отпуска. 160°. Все детали или часть деталей из нержавеющей стали.. | 15.00 | 28.00 | 7.00 |
| 6-1000902 ЮТ | Шариковый радиальный однорядный подшипник. Температура отпуска. 160°. Все детали или часть деталей из нержавеющей стали.. | 15.00 | 28.00 | 7.00 |
Способы доставки
Отправка через ведущие транспортные и курьерские компании: ПЭК, Деловые Линии, СДЭК, Байкал-Сервис, Энергия, КИТ, ЖелДорЭкспедиция.
Самовывоз возможен напрямую со склада в Москве.
Сроки доставки
Срок зависит от региона и выбранной транспортной компании. Все заказы комплектуются и отправляются в кратчайшие сроки со склада в Москве.
Надёжность и сохранность
Вся продукция упаковывается с учётом требований транспортировки. Мы гарантируем, что подшипники и комплектующие прибудут к заказчику в полной сохранности.
Доставка в страны ЕАЭС
Мы работаем с проверенными логистическими партнёрами, что позволяет оперативно доставлять заказы в Беларусь, Казахстан, Армению и другие страны ЕАЭС.
Варианты оплаты:
Минимальная сумма заказа и скидки:
Документы и гарантии:
Да, конечно! Наши технические специалисты готовы помочь вам с подбором точного аналога или замены подшипника. Просто позвоните нам по телефону +7 (495) 104-99-04 или напишите на почту zakaz@podsnab.ru.
Для оперативной консультации подготовьте, пожалуйста, имеющиеся данные: маркировку, размеры, тип оборудования или артикул старого подшипника.
Да, конечно! Мы высоко ценим долгосрочное сотрудничество и доверие клиентов по всей России. Для постоянных клиентов действует персональная система скидок.
Условия формируются индивидуально и зависят от:
Чтобы узнать свои условия и получить максимально выгодное предложение, свяжитесь с персональным менеджером или напишите нам на почту zakaz@podsnab.ru.
Вы можете оформить заказ несколькими способами:
Для оформления заказа от юридического лица свяжитесь с нашим отделом по работе с корпоративными клиентами по телефону +7 (495) 104-99-04 или напишите на email zakaz@podsnab.ru, прикрепив реквизиты вашей организации.
Мы оперативно подготовим коммерческое предложение и выставим счет.
Возврат товара надлежащего качества возможен в течение 10 дней с момента получения, если товар не был в употреблении, сохранен товарный вид, упаковка не вскрывалась и присутствуют все сопроводительные документы.
Возврат денежных средств осуществляется в течение 10 рабочих дней после проверки товара складом.
В соответствии с законодательством возврату не подлежат подшипники надлежащего качества, если отсутствует оригинальная упаковка или имеются следы монтажа.
В случае выявления брака или гарантийного случая мы гарантируем возврат или обмен товара.
Да, гарантийный срок хранения устанавливается заводом-изготовителем и в среднем составляет 2 года при соблюдении условий хранения: сухое помещение, оригинальная упаковка и смазка.
Точный срок для конкретного типа подшипника уточняйте у наших менеджеров.
Пн–Пт: с 8:00 до 17:00 (МСК).
Сб–Вс: выходные дни.
Заказы на сайте принимаются круглосуточно. Заявки, поступившие после окончания рабочего дня, обрабатываются на следующий рабочий день.
Минимальная сумма заказа для доставки составляет 3000 рублей. Самовывоз со склада возможен на любую сумму при наличии товара.
ООО «УралТехГрупп»
ИНН: 7415093830
КПП: 772401001
ОГРН: 1167456069021
Банк: ПАО Сбербанк
Р/с: 40702810838000475273
К/с: 30101810400000000225
БИК: 044525225
У подшипника W 61902 R-2RS1 пока нет отзывов. Вы можете стать первым покупателем, поделившимся своим мнением.