Поиск подшипника
Статьи
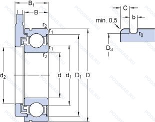
BMD-6206/064S2/UA008A — Шариковый радиальный подшипник, модификация основного исполнения 6206, производство SKF.
Размер подшипника: 30x62x22 мм.
Измененная или модифицированная внутренняя конструкция при неизменных основных размерах.
Международная стандартизации ISO
BMD6206064S2UA008A
В наличии
| Обозначение | Конструктивные изменения |
|---|---|
| 6206LLBNR | Канавка и стопорное кольцо на наружном кольце. Бесконтактное нитриловое уплотнение. |
| 6206BLUX/32C4L | Внутренний радиальный зазор С4. Угол контакта 40°. Двухкромочное нитриловое контактное уплотнение. |
| 6206/25 | Distance Between Beginning Of The Rail And First Hole In MM. |
| 6206BX2LLUX | Угол контакта 40°. Модификация фаски. Двухкромочное нитриловое контактное уплотнение. |
| 6206LLB | Уплотнение бесконтактного типа из синтетического каучука. |
| 6206LB | Бесконтактное нитриловое уплотнение. |
| 6206LLH | Манжетное уплотнение с обеих сторон подшипника. |
| 6206LUA/28 | 1.3/4. Полиакриловое резиновое уплотнение. |
| 6206B/32C4 | Внутренний радиальный зазор С4. Угол контакта 40°. |
| 6206D2 | Два одинаковых парных подшипника. |
| 6206LLHN | Канавка для стопорного кольца на наружном кольце. Бесконтактное нитриловое уплотнение с пониженным трением. |
| 6206LU | Двухкромочное нитриловое контактное уплотнение. |
| 6206LUD2 | Двухкромочное нитриловое контактное уплотнение. |
| BMO-6206/064S2/UA108A | Измененная или модифицированная внутренняя конструкция при неизменных основных размерах. |
| BMO-6206/064S2/UA008A | Измененная или модифицированная внутренняя конструкция при неизменных основных размерах. |
| 6206F600 | Ассортимент TOPLINE для очень высокой температуры - Максимум 350 C°. |
| 6206NRZZ | Защитные пластины с двух сторон. Канавка и стопорное кольцо на наружном кольце. |
| 6206NRZ | Защитная пластина с одной стороны. Канавка и стопорное кольцо на наружном кольце. |
| 6206LTZZ | Ассортимент TOPLINE для низких температур - минимум -60 C° со стальными защитными пластинами с обеих сторон. |
| 6206NEE | Контактные уплотнения с двух сторон. Канавка на наружном кольце. |
| 6206HT200 | Ассортимент TOPLINE для высокой температуры - Максимум 200 С° с уплотнениями FKM с обеих сторон. |
| 6206 SEE | Сферический наружный диаметр. Контактные уплотнения с двух сторон. |
| 6206HT200ZZ | Ассортимент TOPLINE для высокой температуры - Максимум 200 С° со стальными защитными пластинами с обеих сторон. |
| 6206G15 | Сепаратор из полиамида 6.6 армированный стекловолокном. |
| 6206LT | Ассортимент TOPLINE для низких температур - минимум -40 C° с уплотнениями с обеих сторон. |
Модификации шарикового подшипника BMD-6206/064S2/UA008A — это измененное основное конструктивное исполнение 6206, основные размеры (30x62x22) не отличаются.
| Обозначение | Конструктивные особенности | Внутренний (d) | Наружный (D) | Ширина (B) |
|---|---|---|---|---|
| 6-7506-АУ | Роликовый радиальный-упорный однорядный подшипник. Дополнительные технические требования. Повышенная грузоподъемность. | 30.00 | 62.00 | 21.25 |
| 8-7506 А | Роликовый радиальный-упорный однорядный подшипник. Повышенная грузоподъемность. | 30.00 | 62.00 | 21.25 |
| HR32206C | Роликовый радиальный-упорный конический однорядный подшипник. 15° Угол контакта. Для конических роликоподшипников и радиальных шарикоподшипников. | 30.00 | 62.00 | 21.25 |
| 4T-32206C | Роликовый радиальный-упорный конический однорядный подшипник. 15° Угол контакта. Цементованная сталь. | 30.00 | 62.00 | 21.25 |
| X32206M/Y32206M | Роликовый радиальный-упорный однорядный подшипник. Подшипник с латунным сепаратором. центрированный по телам качения. | 30.00 | 62.00 | 21.25 |
| X32206B/Y32206B | Роликовый радиальный-упорный однорядный подшипник. Конический роликовый подшипник. Угол контакта 20 градусов. | 30.00 | 62.00 | 21.25 |
| SX0658LL | Шариковый радиально-упорный однорядный подшипник. Контактное. синтетические. резиновое уплотнение с двух сторон. | 30.00 | 62.00 | 22.00 |
| 7-7506 А | Роликовый радиальный-упорный однорядный подшипник. Повышенная грузоподъемность. | 30.00 | 62.00 | 21.25 |
| 7506-АУ | Роликовый радиальный-упорный однорядный подшипник. Дополнительные технические требования. Повышенная грузоподъемность. | 30.00 | 62.00 | 21.50 |
| 7506-У | Роликовый радиальный-упорный однорядный подшипник. Дополнительные технические требования. | 30.00 | 62.00 | 21.00 |
| 70030/70062C | Роликовый радиальный-упорный однорядный подшипник. 15° Угол контакта. | 30.00 | 62.00 | 21.25 |
| LG30=9 | Шариковый радиальный однорядный подшипник. Largest Fill. | 30.00 | 62.00 | 22.00 |
| LG30=5 | Шариковый радиальный однорядный подшипник. Distance Between Beginning Of The Rail And First Hole In MM. | 30.00 | 62.00 | 21.00 |
| SC06C88LLA | Шариковый радиальный однорядный подшипник. Уплотнение из полиакрила. | 30.00 | 62.00 | 23.00 |
| 5-7506 А | Роликовый радиальный-упорный однорядный подшипник. Повышенная грузоподъемность. | 30.00 | 62.00 | 21.25 |
Способы доставки
Отправка через ведущие транспортные и курьерские компании: ПЭК, Деловые Линии, СДЭК, Байкал-Сервис, Энергия, КИТ, ЖелДорЭкспедиция.
Самовывоз возможен напрямую со склада в Москве.
Сроки доставки
Срок зависит от региона и выбранной транспортной компании. Все заказы комплектуются и отправляются в кратчайшие сроки со склада в Москве.
Надёжность и сохранность
Вся продукция упаковывается с учётом требований транспортировки. Мы гарантируем, что подшипники и комплектующие прибудут к заказчику в полной сохранности.
Доставка в страны ЕАЭС
Мы работаем с проверенными логистическими партнёрами, что позволяет оперативно доставлять заказы в Беларусь, Казахстан, Армению и другие страны ЕАЭС.
Варианты оплаты:
Минимальная сумма заказа и скидки:
Документы и гарантии:
Да, конечно! Наши технические специалисты готовы помочь вам с подбором точного аналога или замены подшипника. Просто позвоните нам по телефону +7 (495) 104-99-04 или напишите на почту zakaz@podsnab.ru.
Для оперативной консультации подготовьте, пожалуйста, имеющиеся данные: маркировку, размеры, тип оборудования или артикул старого подшипника.
Да, конечно! Мы высоко ценим долгосрочное сотрудничество и доверие клиентов по всей России. Для постоянных клиентов действует персональная система скидок.
Условия формируются индивидуально и зависят от:
Чтобы узнать свои условия и получить максимально выгодное предложение, свяжитесь с персональным менеджером или напишите нам на почту zakaz@podsnab.ru.
Вы можете оформить заказ несколькими способами:
Для оформления заказа от юридического лица свяжитесь с нашим отделом по работе с корпоративными клиентами по телефону +7 (495) 104-99-04 или напишите на email zakaz@podsnab.ru, прикрепив реквизиты вашей организации.
Мы оперативно подготовим коммерческое предложение и выставим счет.
Возврат товара надлежащего качества возможен в течение 10 дней с момента получения, если товар не был в употреблении, сохранен товарный вид, упаковка не вскрывалась и присутствуют все сопроводительные документы.
Возврат денежных средств осуществляется в течение 10 рабочих дней после проверки товара складом.
В соответствии с законодательством возврату не подлежат подшипники надлежащего качества, если отсутствует оригинальная упаковка или имеются следы монтажа.
В случае выявления брака или гарантийного случая мы гарантируем возврат или обмен товара.
Да, гарантийный срок хранения устанавливается заводом-изготовителем и в среднем составляет 2 года при соблюдении условий хранения: сухое помещение, оригинальная упаковка и смазка.
Точный срок для конкретного типа подшипника уточняйте у наших менеджеров.
Пн–Пт: с 8:00 до 17:00 (МСК).
Сб–Вс: выходные дни.
Заказы на сайте принимаются круглосуточно. Заявки, поступившие после окончания рабочего дня, обрабатываются на следующий рабочий день.
Минимальная сумма заказа для доставки составляет 3000 рублей. Самовывоз со склада возможен на любую сумму при наличии товара.
ООО «УралТехГрупп»
ИНН: 7415093830
КПП: 772401001
ОГРН: 1167456069021
Банк: ПАО Сбербанк
Р/с: 40702810838000475273
К/с: 30101810400000000225
БИК: 044525225
У подшипника BMD-6206/064S2/UA008A пока нет отзывов. Вы можете стать первым покупателем, поделившимся своим мнением.