Поиск подшипника
Статьи
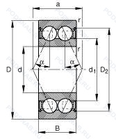
3311 2Z — Шариковый радиальный двухрядный подшипник, модификация основного исполнения 3311, производство INA.
Размер подшипника: 55x120x49 мм.
Защитные металлические шайбы с обеих сторон подшипника.
Международная стандартизации ISO
33112Z
В наличии
| Обозначение | Конструктивные изменения |
|---|---|
| 3311-BD-XL-2Z-C3 | Внутренний зазор больше нормального. Серия X-Life премиум-класс. увеличиный срок службы. Щиты с обеих сторон подшипника. Модифицированная внутренняя конструкция. угол контакта α=30. без отверстия для заполнения. |
| 3311 2RS NR | Резиновые уплотнения с каждой стороны подшипника. Канавка под стопорное кольцо на наружном кольце с соответствующим стопорным кольцом. |
| 3311E | Подшипник с заправочным пазом для ввода тел качений. |
| 3311BC.JH | Штампованная сталь. Conrad Type 25° Угол контакта. Domestic Production. |
| 3311-BD-TVH-C3 | Внутренний зазор больше нормального. Литой полиамидный сепаратор (PA66). защелкивающийся. Модифицированная внутренняя конструкция. угол контакта α=30. без отверстия для заполнения. |
| 3311-BD-TVH | Литой полиамидный сепаратор (PA66). защелкивающийся. Модифицированная внутренняя конструкция. угол контакта α=30. без отверстия для заполнения. |
| 3311DNRCBM | Two-Piece Inner Ring And A 45° Угол контакта. Обработанный латунный сепаратор оконного типа. Центрирование шарика. Канавка под стопорное кольцо на наружном кольце с соответствующим стопорным кольцом. Controlled Axial Internal Clearance. |
| 3311DA.MA | Механически обработанный латунный сепаратор. Центрирование по внешнему кольцу. Шарикоподшипник двухрядный с разъемным внутренним кольцом. |
| 3311JC3 | Внутренний зазор больше нормального. Сепаратор из стали. |
| 3311B 2RS TNG C3 | Внутренний зазор больше нормального. Резиновые уплотнения с каждой стороны подшипника. 25° Угол контакта. Сепаратор из полиамида 66. армированного стекловолокном. |
| 3311E/C3 | Внутренний зазор больше нормального. Повышенная грузоподъемность. |
| 3311-B-2Z-TV-C3 | Внутренний зазор больше нормального. Design Without Filling Slots Have Угол контактаs Of 32°. Защитные металлические шайбы с обеих сторон. Сепаратор из полиамида. |
| 3311B-2RSTNG | Резиновые уплотнения с каждой стороны подшипника. 25° Угол контакта. Сепаратор из полиамида 66. армированного стекловолокном. |
| 3311BC.JH.C3 | Внутренний зазор больше нормального. Штампованная сталь. Conrad Type 25° Угол контакта. Domestic Production. |
| 3311BTNC3 | Внутренний зазор больше нормального. 25° Угол контакта. Клетка из армированного стекловолокном полиамида 66. |
| 3311-B-2Z-TV | Design Without Filling Slots Have Угол контактаs Of 32°. Защитные металлические шайбы с обеих сторон. Сепаратор из полиамида. |
| 3311B.TV.2Z | Design Without Filling Slots Have Угол контактаs Of 32°. Защитные металлические шайбы с обеих сторон. Сепаратор из полиамида. |
| 3311/C2 | Внутренний зазор подшипника меньше нормального. |
| 3311A-2Z | Измененная или модифицированная внутренняя конструкция при неизменных основных размерах. Защитные металлические шайбы с обеих сторон подшипника. |
| 3311 A-2RS1 | Измененная или модифицированная внутренняя конструкция при неизменных основных размерах. Усиленные листовой сталью контактные уплотнения из акрилонитрил-бутадиенового каучука (NBR) с обеих сторон подшипника. |
| 3311-B-2Z-TVH | Модифицированная внутренняя конструкция. Защитные металлические шайбы с обеих сторон подшипника. Твердая клетка из полиамида. |
| 3311-BD-2HRS-TVH | Твердая клетка из полиамида. Манжетные уплотнения с обеих сторон изготовлены из нитрил-бутадиенового каучука. Эти конструкции смазываются на весь срок службы высококачественной смазкой и подходят для умеренных скоростей. Момент трения и тепловыделение ниже, чем при использовании предыдущего уплотнения RSR.. Tapered Roller Bearing. Steep Угол контакта (24° To 32°). Metric Series. |
| 3311 D | Половина целого игольчатого валика. Применять суффикс 'D' в базовом номере. |
| 3311 ATN9 | Измененная или модифицированная внутренняя конструкция при неизменных основных размерах. |
| 3311-B-TV | Конический роликовый подшипник. Угол контакта 20 градусов. Прочный сепаратор из полиамида. армированного стекловолокном. |
Модификации шарикового подшипника 3311 2Z — это измененное основное конструктивное исполнение 3311, основные размеры (55x120x49) не отличаются.
| Обозначение | Конструктивные особенности | Внутренний (d) | Наружный (D) | Ширина (B) |
|---|---|---|---|---|
| 8411Н | Шариковый упорный однорядный подшипник. Детали из теплостойкой стали. | 55.00 | 120.00 | 48.00 |
| 5311 E-2Z | Шариковый радиально-упорный подшипник. Повышенная грузоподъемность. Защитные металлические шайбы с обеих сторон подшипника. | 55.00 | 120.00 | 49.20 |
| 5311 E | Шариковый радиально-упорный подшипник. Повышенная грузоподъемность. | 55.00 | 120.00 | 49.20 |
| 3056311-К1 | Шариковый радиально-упорный двухрядный подшипник. «Замок» (скос) на внутреннем кольце плюс массивный сепаратор из текстолита. | 55.00 | 120.00 | 49.20 |
| 6-3056311 Ш1 | Шариковый радиально-упорный двухрядный подшипник. Нормы шумности. | 55.00 | 120.00 | 49.20 |
| 6-3056311 Ш | Шариковый радиально-упорный двухрядный подшипник. Нормы шумности. | 55.00 | 120.00 | 49.20 |
| 5311KG | Шариковый радиально-упорный двухрядный подшипник. Серия с закрепительной втулкой и смазочным отверстием. | 55.00 | 120.00 | 49.22 |
| 5311WG | Шариковый радиально-упорный двухрядный подшипник. Максимальная грузоподъемность. | 55.00 | 120.00 | 49.22 |
| 5311K | Шариковый радиально-упорный двухрядный подшипник. Коническое отверстие. Конусность 1/12. | 55.00 | 120.00 | 49.22 |
| 5311N | Шариковый радиально-упорный двухрядный подшипник. Канавка под стопорное кольцо на внешнем кольце. | 55.00 | 120.00 | 49.20 |
| 3056311-Е | Шариковый радиально-упорный двухрядный подшипник. Сепаратор из текстолита.. | 55.00 | 120.00 | 49.00 |
| 63311-2RS | Шариковый радиальный однорядный подшипник. Резиновые уплотнения с каждой стороны подшипника. | 55.00 | 120.00 | 49.20 |
| 63311LLB | Шариковый радиальный однорядный подшипник. Уплотнение бесконтактного типа из синтетического каучука. | 55.00 | 120.00 | 49.20 |
| W311KLL | Шариковый радиальный однорядный подшипник. Широкий. BALL BEARING. CONRAD TYPE. INDUSTRIAL POWER TRANSMISSION. DOUBLE MECHANI-SEAL. | 55.00 | 120.00 | 49.23 |
| W311PPG | Шариковый радиальный однорядный подшипник. Широкий. Два уплотнения и стопорное кольцо. | 55.00 | 120.00 | 49.23 |
Способы доставки
Отправка через ведущие транспортные и курьерские компании: ПЭК, Деловые Линии, СДЭК, Байкал-Сервис, Энергия, КИТ, ЖелДорЭкспедиция.
Самовывоз возможен напрямую со склада в Москве.
Сроки доставки
Срок зависит от региона и выбранной транспортной компании. Все заказы комплектуются и отправляются в кратчайшие сроки со склада в Москве.
Надёжность и сохранность
Вся продукция упаковывается с учётом требований транспортировки. Мы гарантируем, что подшипники и комплектующие прибудут к заказчику в полной сохранности.
Доставка в страны ЕАЭС
Мы работаем с проверенными логистическими партнёрами, что позволяет оперативно доставлять заказы в Беларусь, Казахстан, Армению и другие страны ЕАЭС.
Варианты оплаты:
Минимальная сумма заказа и скидки:
Документы и гарантии:
Да, конечно! Наши технические специалисты готовы помочь вам с подбором точного аналога или замены подшипника. Просто позвоните нам по телефону +7 (495) 104-99-04 или напишите на почту zakaz@podsnab.ru.
Для оперативной консультации подготовьте, пожалуйста, имеющиеся данные: маркировку, размеры, тип оборудования или артикул старого подшипника.
Да, конечно! Мы высоко ценим долгосрочное сотрудничество и доверие клиентов по всей России. Для постоянных клиентов действует персональная система скидок.
Условия формируются индивидуально и зависят от:
Чтобы узнать свои условия и получить максимально выгодное предложение, свяжитесь с персональным менеджером или напишите нам на почту zakaz@podsnab.ru.
Вы можете оформить заказ несколькими способами:
Для оформления заказа от юридического лица свяжитесь с нашим отделом по работе с корпоративными клиентами по телефону +7 (495) 104-99-04 или напишите на email zakaz@podsnab.ru, прикрепив реквизиты вашей организации.
Мы оперативно подготовим коммерческое предложение и выставим счет.
Возврат товара надлежащего качества возможен в течение 10 дней с момента получения, если товар не был в употреблении, сохранен товарный вид, упаковка не вскрывалась и присутствуют все сопроводительные документы.
Возврат денежных средств осуществляется в течение 10 рабочих дней после проверки товара складом.
В соответствии с законодательством возврату не подлежат подшипники надлежащего качества, если отсутствует оригинальная упаковка или имеются следы монтажа.
В случае выявления брака или гарантийного случая мы гарантируем возврат или обмен товара.
Да, гарантийный срок хранения устанавливается заводом-изготовителем и в среднем составляет 2 года при соблюдении условий хранения: сухое помещение, оригинальная упаковка и смазка.
Точный срок для конкретного типа подшипника уточняйте у наших менеджеров.
Пн–Пт: с 8:00 до 17:00 (МСК).
Сб–Вс: выходные дни.
Заказы на сайте принимаются круглосуточно. Заявки, поступившие после окончания рабочего дня, обрабатываются на следующий рабочий день.
Минимальная сумма заказа для доставки составляет 3000 рублей. Самовывоз со склада возможен на любую сумму при наличии товара.
ООО «УралТехГрупп»
ИНН: 7415093830
КПП: 772401001
ОГРН: 1167456069021
Банк: ПАО Сбербанк
Р/с: 40702810838000475273
К/с: 30101810400000000225
БИК: 044525225
У подшипника 3311 2Z пока нет отзывов. Вы можете стать первым покупателем, поделившимся своим мнением.