Поиск подшипника
Статьи
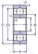
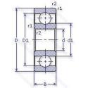
5304 — Шариковый радиальный однорядный подшипник, модификация основного исполнения 304, производство ГПЗ.
Размер подшипника: 20x52x15 мм.
Государственный стандарт ГОСТ
5304
В наличии
| Обозначение | Конструктивные изменения |
|---|---|
| 70-304 А | Повышенная грузоподъемность. |
| 70-304 АК | Повышенная грузоподъемность. |
| 75-304 Е | Сепаратор из текстолита.. |
| 75-304 ЕТ8Ш2 | Сепаратор из текстолита.. Нормы шумности. Специальный режим термообработки деталей подшипника. |
| 75-304 ЕШ2 | Сепаратор из текстолита.. Нормы шумности. |
| 76-304 А | Повышенная грузоподъемность. |
| 76-304 АК | Повышенная грузоподъемность. |
| 76-304 Б | Сепаратор из безоловянистой бронзы.. |
| 20-304 АК | Повышенная грузоподъемность. |
| 25-304 Б | Сепаратор из безоловянистой бронзы.. |
| 304-А | Повышенная грузоподъемность. |
| 304-А/АС3 | Повышенная грузоподъемность. Смазка ВНИИНП-210. |
| 304-АК | Повышенная грузоподъемность. |
| 304-Б | Сепаратор из безоловянистой бронзы.. |
| 304-Е | Сепаратор из текстолита.. |
| 304-К | «Замок» (скос) на внутреннем кольце плюс массивный сепаратор из текстолита. |
| 304-Л | Сепаратор из латуни.. |
| 304-Р2 | Детали из теплоустойчивой (быстрорежущие) стали.. |
| 46-304-БТ2 | 200°. Температура отпуска. Сепаратор из безоловянистой бронзы.. |
| 46-304 Р1 | Детали из теплоустойчивой (быстрорежущие) стали.. |
| 46-304 Ю2 | Все детали или часть деталей из нержавеющей стали.. |
| 46-304 Ю4Т | Температура отпуска. 160°. Все детали или часть деталей из нержавеющей стали.. |
| 5-304 А | Повышенная грузоподъемность. |
| 5-304 ЕТ8Ш2 | Сепаратор из текстолита.. Нормы шумности. Специальный режим термообработки деталей подшипника. |
| 50-304 ЕТ8Ш2 | Сепаратор из текстолита.. Нормы шумности. Специальный режим термообработки деталей подшипника. |
Модификации шарикового подшипника 5304 — это измененное основное конструктивное исполнение 304, основные размеры (20x52x15) не отличаются.
| Обозначение | Гост | Конструктивные особенности |
|---|---|---|
| 6304HT200ZZ | ISO | Ассортимент TOPLINE для высокой температуры - Максимум 200 С° со стальными защитными пластинами с обеих сторон. |
| 6304NEE | ISO | Контактные уплотнения с двух сторон. Канавка на наружном кольце. |
| 6304FT150ZZ | ISO | Ассортимент TOPLINE для высокой температуры - Максимум 150 С° со стальными защитными пластинами с обеих сторон. |
| 6304NRZ | ISO | Защитная пластина с одной стороны. Канавка и стопорное кольцо на наружном кольце. |
| P6304-SB | ISO | Double Row. Angular Contact. Non-Filling Notch Bearing. With Outwardly Convergent Угол контактаs. Rigid Design. |
| P6304-GB | ISO | Подшипник для универсального монтажа. Два подшипника. установленные по О-образной или Х-образной схеме. имеют средний преднатяг. |
| S6304-2Z | ISO | Защитные металлические шайбы с обеих сторон подшипника. |
| 150304-АК | ГОСТ | Повышенная грузоподъемность. |
| 1680204-АЕК7С17 | ГОСТ | Смазка Литол-24. Сепаратор из текстолита.. Повышенная грузоподъемность. |
| 1680204-АЕС17 | ГОСТ | Смазка Литол-24. Сепаратор из текстолита.. Повышенная грузоподъемность. |
| 1680204-АК7 | ГОСТ | Повышенная грузоподъемность. |
| 1680204-АК7С17 | ГОСТ | Смазка Литол-24. Повышенная грузоподъемность. |
| 1680204-АКС17 | ГОСТ | Смазка Литол-24. Повышенная грузоподъемность. |
| 1680204-АС17 | ГОСТ | Смазка Литол-24. Повышенная грузоподъемность. |
| 1680204-С17 | ГОСТ | Смазка Литол-24. |
| 180304-АК | ГОСТ | Повышенная грузоподъемность. |
| 180304-КС17 | ГОСТ | Смазка Литол-24. «Замок» (скос) на внутреннем кольце плюс массивный сепаратор из текстолита. |
| 180304-АС17 | ГОСТ | Смазка Литол-24. Повышенная грузоподъемность. |
| 50304-А | ГОСТ | Повышенная грузоподъемность. |
| 50304-АК | ГОСТ | Повышенная грузоподъемность. |
Аналог шарикового подшипника 5304 — это подшипник такого же размера dx20,Dx52,Bx15, типа и конструкции.
| Обозначение | Конструктивные особенности | Внутренний (d) | Наружный (D) | Ширина (B) |
|---|---|---|---|---|
| 75-176304 ЕШ2 | Шариковый радиально-упорный однорядный подшипник. Сепаратор из текстолита.. Нормы шумности. | 20.00 | 52.00 | 15.00 |
| 8-102304 М | Роликовый радиальный однорядный подшипник. Модифицированный контакт.. | 20.00 | 52.00 | 15.00 |
| 1205-K-TVH-C3 + H205 | Шариковый сферический двухрядный подшипник. Внутренний зазор больше нормального. Коническое отверстие. Конусность 1/12. Твердая клетка из полиамида. | 20.00 | 52.00 | 15.00 |
| 51204 V/HR11T1 | Шариковый упорный подшипник. Подшипник без сепаратора. С полным комплектом тел качения. | 20.00 | 52.00 | 14.00 |
| 51204 V/HR22Q2 | Шариковый упорный подшипник. Подшипник без сепаратора. С полным комплектом тел качения. | 20.00 | 52.00 | 14.00 |
| 51204 V/HR11Q1 | Шариковый упорный подшипник. Подшипник без сепаратора. С полным комплектом тел качения. | 20.00 | 52.00 | 14.00 |
| 51204 V/HR22T2 | Шариковый упорный подшипник. Подшипник без сепаратора. С полным комплектом тел качения. | 20.00 | 52.00 | 14.00 |
| 7603020-2RS-TVP | Шариковый упорный однорядный подшипник. Резиновые уплотнения с каждой стороны подшипника. Molded Snap-Type Cage Of Glass Fibre Reinforced Polyamide. Rolling Element Riding. | 20.00 | 52.00 | 15.00 |
| 45-276304 Р | Шариковый радиально-упорный однорядный подшипник. Детали из теплоустойчивой (быстрорежущие) стали.. | 20.00 | 52.00 | 15.00 |
| 46304-Б | Шариковый радиально-упорный однорядный подшипник. Сепаратор из безоловянистой бронзы.. | 20.00 | 52.00 | 15.00 |
| 46304-Е | Шариковый радиально-упорный однорядный подшипник. Сепаратор из текстолита.. | 20.00 | 52.00 | 15.00 |
| 46304-Л | Шариковый радиально-упорный однорядный подшипник. Сепаратор из латуни.. | 20.00 | 52.00 | 15.00 |
| 46304К | Шариковый радиально-упорный однорядный подшипник. «Замок» (скос) на внутреннем кольце плюс массивный сепаратор из текстолита. | 20.00 | 52.00 | 15.00 |
| 5-46304 Б | Шариковый радиально-упорный однорядный подшипник. Сепаратор из безоловянистой бронзы.. | 20.00 | 52.00 | 15.00 |
| 5-66304 Б | Шариковый радиально-упорный однорядный подшипник. Сепаратор из безоловянистой бронзы.. | 20.00 | 52.00 | 15.00 |
Способы доставки
Отправка через ведущие транспортные и курьерские компании: ПЭК, Деловые Линии, СДЭК, Байкал-Сервис, Энергия, КИТ, ЖелДорЭкспедиция.
Самовывоз возможен напрямую со склада в Москве.
Сроки доставки
Срок зависит от региона и выбранной транспортной компании. Все заказы комплектуются и отправляются в кратчайшие сроки со склада в Москве.
Надёжность и сохранность
Вся продукция упаковывается с учётом требований транспортировки. Мы гарантируем, что подшипники и комплектующие прибудут к заказчику в полной сохранности.
Доставка в страны ЕАЭС
Мы работаем с проверенными логистическими партнёрами, что позволяет оперативно доставлять заказы в Беларусь, Казахстан, Армению и другие страны ЕАЭС.
Варианты оплаты:
Минимальная сумма заказа и скидки:
Документы и гарантии:
Да, конечно! Наши технические специалисты готовы помочь вам с подбором точного аналога или замены подшипника. Просто позвоните нам по телефону +7 (495) 104-99-04 или напишите на почту zakaz@podsnab.ru.
Для оперативной консультации подготовьте, пожалуйста, имеющиеся данные: маркировку, размеры, тип оборудования или артикул старого подшипника.
Да, конечно! Мы высоко ценим долгосрочное сотрудничество и доверие клиентов по всей России. Для постоянных клиентов действует персональная система скидок.
Условия формируются индивидуально и зависят от:
Чтобы узнать свои условия и получить максимально выгодное предложение, свяжитесь с персональным менеджером или напишите нам на почту zakaz@podsnab.ru.
Вы можете оформить заказ несколькими способами:
Для оформления заказа от юридического лица свяжитесь с нашим отделом по работе с корпоративными клиентами по телефону +7 (495) 104-99-04 или напишите на email zakaz@podsnab.ru, прикрепив реквизиты вашей организации.
Мы оперативно подготовим коммерческое предложение и выставим счет.
Возврат товара надлежащего качества возможен в течение 10 дней с момента получения, если товар не был в употреблении, сохранен товарный вид, упаковка не вскрывалась и присутствуют все сопроводительные документы.
Возврат денежных средств осуществляется в течение 10 рабочих дней после проверки товара складом.
В соответствии с законодательством возврату не подлежат подшипники надлежащего качества, если отсутствует оригинальная упаковка или имеются следы монтажа.
В случае выявления брака или гарантийного случая мы гарантируем возврат или обмен товара.
Да, гарантийный срок хранения устанавливается заводом-изготовителем и в среднем составляет 2 года при соблюдении условий хранения: сухое помещение, оригинальная упаковка и смазка.
Точный срок для конкретного типа подшипника уточняйте у наших менеджеров.
Пн–Пт: с 8:00 до 17:00 (МСК).
Сб–Вс: выходные дни.
Заказы на сайте принимаются круглосуточно. Заявки, поступившие после окончания рабочего дня, обрабатываются на следующий рабочий день.
Минимальная сумма заказа для доставки составляет 3000 рублей. Самовывоз со склада возможен на любую сумму при наличии товара.
ООО «УралТехГрупп»
ИНН: 7415093830
КПП: 772401001
ОГРН: 1167456069021
Банк: ПАО Сбербанк
Р/с: 40702810838000475273
К/с: 30101810400000000225
БИК: 044525225
У подшипника 5304 пока нет отзывов. Вы можете стать первым покупателем, поделившимся своим мнением.