Поиск подшипника
Статьи
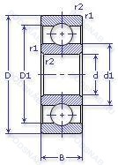
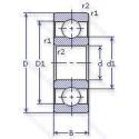
6-119 Б — Шариковый радиальный однорядный подшипник, модификация основного исполнения 119, производство ГПЗ.
Размер подшипника: 95x145x24 мм.
Сепаратор из безоловянистой бронзы.
Аналоги: 6019MAP6.
Государственный стандарт ГОСТ
6119Б
В наличии
| Обозначение | Конструктивные изменения |
|---|---|
| 6-119 АКШ1 | Нормы шумности. Повышенная грузоподъемность. |
| 6-119 АКШ | Повышенная грузоподъемность. Нормы шумности. |
| 4-119 Б | Сепаратор из безоловянистой бронзы.. |
| 70-119 Б | Сепаратор из безоловянистой бронзы.. |
| 76-119 Б | Сепаратор из безоловянистой бронзы.. |
| 76-119 БТ2 | 200°. Температура отпуска. Сепаратор из безоловянистой бронзы.. |
| 119 | Шариковый радиальный однорядный подшипник. Основное конструктивное исполнение. |
| 119-АК | Повышенная грузоподъемность. |
| 119-Б | Сепаратор из безоловянистой бронзы.. |
| 119-БТ2 | 200°. Температура отпуска. Сепаратор из безоловянистой бронзы.. |
| 5-119 Б | Сепаратор из безоловянистой бронзы.. |
| 6119 | Шариковый радиальный однорядный подшипник. |
| 6-119 АК | Повышенная грузоподъемность. |
Модификации шарикового подшипника 6-119 Б — это измененное основное конструктивное исполнение 119, основные размеры (95x145x24) не отличаются.
| Обозначение | Гост | Конструктивные особенности |
|---|---|---|
| 76-180119 АКШ1 | ГОСТ | Нормы шумности. Повышенная грузоподъемность. |
| 76-80119 АКW24Ш1 | ГОСТ | Нормы шумности. Повышенная грузоподъемность. Смазка пластичная Shell Alvania Greases G2. |
| 6019-RS | ISO | Резиновое уплотнение с одной стороны. |
| 6019-2RU | ISO | Non Contact Type Friction Torque = Small High Speed Performance = Good Grease Sealing = Better Than ZZ-Type Dirt Resistance = Better Than ZZ-Type Water Resistance = Better Than ZZ / Inferior To 2RS Operating Temp. -30°C To + 100°C. |
| 6019ZX | ISO | Съемная защитная шайба с одной стороны. |
| 6019-RSR | ISO | Контактное уплотнение с одной стороны. Радиальный тип. |
| 6019VV | ISO | Защитные металлические шайбы. с обеих сторон подшипника. Бесконтактное уплотнение. (лучше. чем ZZ. Можно использовать в умеренно запыленной среде). |
| 6-950119Л | ГОСТ | Сепаратор из латуни.. |
| 6019ZZNR | ISO | Стальная шайба. Канавка и стопорное кольцо на наружном кольце. |
| 6019LLB | ISO | Уплотнение бесконтактного типа из синтетического каучука. |
| 6019LU | ISO | Двухкромочное нитриловое контактное уплотнение. |
| 9119K | ISO | Коническое отверстие. Конусность 1/12. |
| 3NC HAR019C FT | ISO | Угол контакта 20 градусов. REINFORCED PHENOLIC CAGE. |
| 3NCHAC019CA | ISO | Угол контакта 20 градусов. Латунный сепаратор с симметричными роликами. |
| 3NCHAC019C | ISO | Угол контакта 20 градусов. |
| 3NCHAD019CA | ISO | Угол контакта 20 градусов. Латунный сепаратор с симметричными роликами. |
| 3NCHAF019CA | ISO | Угол контакта 20 градусов. Латунный сепаратор с симметричными роликами. |
| 3NCHAR019CA | ISO | Угол контакта 20 градусов. Латунный сепаратор с симметричными роликами. |
| 3NCHAR019C | ISO | Угол контакта 20 градусов. |
| 3NCHAR019 | ISO | Угол контакта 20 градусов. |
Аналог шарикового подшипника 6-119 Б — это подшипник такого же размера dx95,Dx145,Bx24, типа и конструкции.
| Обозначение | Конструктивные особенности | Внутренний (d) | Наружный (D) | Ширина (B) |
|---|---|---|---|---|
| 7019 FB/P7 | Шариковый радиальный подшипник. Точность размеров соответствует классу ISO 4. Точность хода лучше. чем ISO Class 4. 18° Угол контакта. High Speed Design. | 95.00 | 145.00 | 24.00 |
| C7019 DB/P7 | Шариковый радиальный подшипник. Тороидальный подшипник CARB. Two Single Row Deep Groove Ball Bearings. Single Row Angular Contact Ball Bearings Or Single Row Tapered Roller Bearings Matched For Mounting In A Back-To-Back Arrangement. Точность размеров соответствует классу ISO 4. Точность хода лучше. чем ISO Class 4. | 95.00 | 145.00 | 24.00 |
| C7019 FB/P7 | Шариковый радиальный подшипник. Тороидальный подшипник CARB. Точность размеров соответствует классу ISO 4. Точность хода лучше. чем ISO Class 4. 18° Угол контакта. High Speed Design. | 95.00 | 145.00 | 24.00 |
| S7019 DB/P7 | Шариковый радиальный подшипник. Two Single Row Deep Groove Ball Bearings. Single Row Angular Contact Ball Bearings Or Single Row Tapered Roller Bearings Matched For Mounting In A Back-To-Back Arrangement. Точность размеров соответствует классу ISO 4. Точность хода лучше. чем ISO Class 4. | 95.00 | 145.00 | 24.00 |
| S7019 FB/P7 | Шариковый радиальный подшипник. Точность размеров соответствует классу ISO 4. Точность хода лучше. чем ISO Class 4. 18° Угол контакта. High Speed Design. | 95.00 | 145.00 | 24.00 |
| SC7019 DB/P7 | Шариковый радиальный подшипник. Two Single Row Deep Groove Ball Bearings. Single Row Angular Contact Ball Bearings Or Single Row Tapered Roller Bearings Matched For Mounting In A Back-To-Back Arrangement. Точность размеров соответствует классу ISO 4. Точность хода лучше. чем ISO Class 4. | 95.00 | 145.00 | 24.00 |
| SC7019 FB/P7 | Шариковый радиальный подшипник. Точность размеров соответствует классу ISO 4. Точность хода лучше. чем ISO Class 4. 18° Угол контакта. High Speed Design. | 95.00 | 145.00 | 24.00 |
| 6-32119 Р2 | Роликовый радиальный однорядный подшипник. Детали из теплоустойчивой (быстрорежущие) стали.. | 95.00 | 145.00 | 24.00 |
| 6-32119 Р4 | Роликовый радиальный однорядный подшипник. Детали из теплоустойчивой (быстрорежущие) стали.. | 95.00 | 145.00 | 24.00 |
| 6-32119 Р5 | Роликовый радиальный однорядный подшипник. Детали из теплоустойчивой (быстрорежущие) стали.. | 95.00 | 145.00 | 24.00 |
| JP10044/10 | Роликовый радиальный-упорный однорядный подшипник. Distance Between Beginning Of The Rail And First Hole In MM. | 95.00 | 145.00 | 24.00 |
| 5-126119 Б3Т2 | Шариковый радиально-упорный однорядный подшипник. 200°. Температура отпуска. Сепаратор из безоловянистой бронзы.. | 95.00 | 145.00 | 24.00 |
| 5-176119 Б3Т | Шариковый радиально-упорный однорядный подшипник. Температура отпуска. 160°. Сепаратор из безоловянистой бронзы.. | 95.00 | 145.00 | 24.00 |
| 5-176119 ЮБ3Т | Шариковый радиально-упорный однорядный подшипник. Температура отпуска. 160°. Все детали или часть деталей из нержавеющей стали.. Сепаратор из безоловянистой бронзы.. | 95.00 | 145.00 | 24.00 |
| 56-32119 Р2 | Роликовый радиальный однорядный подшипник. Детали из теплоустойчивой (быстрорежущие) стали.. | 95.00 | 145.00 | 24.00 |
Способы доставки
Отправка через ведущие транспортные и курьерские компании: ПЭК, Деловые Линии, СДЭК, Байкал-Сервис, Энергия, КИТ, ЖелДорЭкспедиция.
Самовывоз возможен напрямую со склада в Москве.
Сроки доставки
Срок зависит от региона и выбранной транспортной компании. Все заказы комплектуются и отправляются в кратчайшие сроки со склада в Москве.
Надёжность и сохранность
Вся продукция упаковывается с учётом требований транспортировки. Мы гарантируем, что подшипники и комплектующие прибудут к заказчику в полной сохранности.
Доставка в страны ЕАЭС
Мы работаем с проверенными логистическими партнёрами, что позволяет оперативно доставлять заказы в Беларусь, Казахстан, Армению и другие страны ЕАЭС.
Варианты оплаты:
Минимальная сумма заказа и скидки:
Документы и гарантии:
Да, конечно! Наши технические специалисты готовы помочь вам с подбором точного аналога или замены подшипника. Просто позвоните нам по телефону +7 (495) 104-99-04 или напишите на почту zakaz@podsnab.ru.
Для оперативной консультации подготовьте, пожалуйста, имеющиеся данные: маркировку, размеры, тип оборудования или артикул старого подшипника.
Да, конечно! Мы высоко ценим долгосрочное сотрудничество и доверие клиентов по всей России. Для постоянных клиентов действует персональная система скидок.
Условия формируются индивидуально и зависят от:
Чтобы узнать свои условия и получить максимально выгодное предложение, свяжитесь с персональным менеджером или напишите нам на почту zakaz@podsnab.ru.
Вы можете оформить заказ несколькими способами:
Для оформления заказа от юридического лица свяжитесь с нашим отделом по работе с корпоративными клиентами по телефону +7 (495) 104-99-04 или напишите на email zakaz@podsnab.ru, прикрепив реквизиты вашей организации.
Мы оперативно подготовим коммерческое предложение и выставим счет.
Возврат товара надлежащего качества возможен в течение 10 дней с момента получения, если товар не был в употреблении, сохранен товарный вид, упаковка не вскрывалась и присутствуют все сопроводительные документы.
Возврат денежных средств осуществляется в течение 10 рабочих дней после проверки товара складом.
В соответствии с законодательством возврату не подлежат подшипники надлежащего качества, если отсутствует оригинальная упаковка или имеются следы монтажа.
В случае выявления брака или гарантийного случая мы гарантируем возврат или обмен товара.
Да, гарантийный срок хранения устанавливается заводом-изготовителем и в среднем составляет 2 года при соблюдении условий хранения: сухое помещение, оригинальная упаковка и смазка.
Точный срок для конкретного типа подшипника уточняйте у наших менеджеров.
Пн–Пт: с 8:00 до 17:00 (МСК).
Сб–Вс: выходные дни.
Заказы на сайте принимаются круглосуточно. Заявки, поступившие после окончания рабочего дня, обрабатываются на следующий рабочий день.
Минимальная сумма заказа для доставки составляет 3000 рублей. Самовывоз со склада возможен на любую сумму при наличии товара.
ООО «УралТехГрупп»
ИНН: 7415093830
КПП: 772401001
ОГРН: 1167456069021
Банк: ПАО Сбербанк
Р/с: 40702810838000475273
К/с: 30101810400000000225
БИК: 044525225
У подшипника 6-119 Б пока нет отзывов. Вы можете стать первым покупателем, поделившимся своим мнением.