Поиск подшипника
Статьи
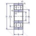
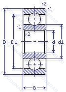
6-66 — Шариковый радиальный однорядный подшипник, модификация основного исполнения 66, производство ГПЗ.
Размер подшипника: 6x19x6 мм.
Государственный стандарт ГОСТ
666
В наличии
| Обозначение | Конструктивные изменения |
|---|---|
| 6-66-Г | Сепаратор из черных металлов.. |
| 66-Г | Сепаратор из черных металлов.. |
| 25-66 Г | Сепаратор из черных металлов.. |
| 26-66 Г | Сепаратор из черных металлов.. |
Модификации шарикового подшипника 6-66 — это измененное основное конструктивное исполнение 66, основные размеры (6x19x6) не отличаются.
| Обозначение | Гост | Конструктивные особенности |
|---|---|---|
| SF627-2RS | ISO | Резиновые уплотнения с каждой стороны подшипника. |
| SF627-2Z | ISO | Защитные металлические шайбы с обеих сторон подшипника. |
| 626/21-2Z | ISO | Защитные металлические шайбы с обеих сторон подшипника. 1.5/16. |
| 627-2Z.T9H.C3 | ISO | Внутренний зазор больше нормального. Защитные металлические шайбы с обеих сторон подшипника. Защелкивающийся сепаратор. Усиленный стекловолокном полиамид. Шариковые тела качения. |
| 25-27 Ю | ГОСТ | Все детали или часть деталей из нержавеющей стали.. |
| 25-27 ЮТ | ГОСТ | Температура отпуска. 160°. Все детали или часть деталей из нержавеющей стали.. |
| 25-80065 ЮС20 | ГОСТ | Все детали или часть деталей из нержавеющей стали.. Смазка ВНИИНП-274. |
| 25-80065 ЮС7 | ГОСТ | Все детали или часть деталей из нержавеющей стали.. Смазка ВНИИНП-221. |
| 26-27 ЮТ | ГОСТ | Температура отпуска. 160°. Все детали или часть деталей из нержавеющей стали.. |
| 27-ГК | ГОСТ | Сепаратор из черных металлов.. |
| 27-Л | ГОСТ | Сепаратор из латуни.. |
| 5-27 Ю | ГОСТ | Все детали или часть деталей из нержавеющей стали.. |
| 5-27 ЮП | ГОСТ | Все детали или часть деталей из нержавеющей стали.. |
| 5-27 ЮТП | ГОСТ | Температура отпуска. 160°. Все детали или часть деталей из нержавеющей стали.. |
| 5-60027 К | ГОСТ | «Замок» (скос) на внутреннем кольце плюс массивный сепаратор из текстолита. |
| 5-60027 К1 | ГОСТ | «Замок» (скос) на внутреннем кольце плюс массивный сепаратор из текстолита. |
| 5-60027 ЮТ | ГОСТ | Температура отпуска. 160°. Все детали или часть деталей из нержавеющей стали.. |
| 5-80027 К1С9 | ГОСТ | Смазка ЛЗ-31. |
| 5-80027 КС2 | ГОСТ | «Замок» (скос) на внутреннем кольце плюс массивный сепаратор из текстолита. Смазка ЦИАТИМ-221. |
| 5-80027 С1 | ГОСТ | Смазка ОКБ 122-7. |
Аналог шарикового подшипника 6-66 — это подшипник такого же размера dx6,Dx19,Bx6, типа и конструкции.
| Обозначение | Конструктивные особенности | Внутренний (d) | Наружный (D) | Ширина (B) |
|---|---|---|---|---|
| 6-6006 У | Шариковый радиально-упорный однорядный подшипник. Дополнительные технические требования. | 6.00 | 21.00 | 7.00 |
| 6006-Л | Шариковый радиально-упорный однорядный подшипник. Сепаратор из латуни.. | 6.00 | 21.00 | 7.00 |
| 6027-E | Шариковый радиально-упорный однорядный подшипник. Повышенная грузоподъемность. | 7.00 | 22.00 | 7.00 |
| 6027-Л | Шариковый радиально-упорный однорядный подшипник. Сепаратор из латуни.. | 7.00 | 22.00 | 7.00 |
| 8-1007 КЕ | Шариковый радиальный двухрядный подшипник. Сепаратор из текстолита.. | 7.00 | 22.00 | 7.00 |
| 4-948066 Е | Шариковый упорно-радиальный подшипник. Сепаратор из текстолита.. | 6.00 | 22.60 | 5.56 |
| 6-948066-Е | Шариковый упорно-радиальный подшипник. Сепаратор из текстолита.. | 6.00 | 22.60 | 5.56 |
| 5-948066 Е | Шариковый упорно-радиальный однорядный подшипник. Сепаратор из текстолита.. | 6.00 | 22.60 | 5.56 |
| 46027К | Шариковый радиально-упорный однорядный подшипник. «Замок» (скос) на внутреннем кольце плюс массивный сепаратор из текстолита. | 7.00 | 22.00 | 7.00 |
| 5-1007 Е | Шариковый радиальный двухрядный подшипник. Сепаратор из текстолита.. | 7.00 | 22.00 | 7.00 |
| 5-1007 У4 | Шариковый радиальный двухрядный подшипник. Дополнительные технические требования. | 7.00 | 22.00 | 7.00 |
| 5-1007 У5 | Шариковый радиальный двухрядный подшипник. Дополнительные технические требования. | 7.00 | 22.00 | 7.00 |
| 5-27 ЮТ | Шариковый радиальный подшипник. Температура отпуска. 160°. Все детали или часть деталей из нержавеющей стали.. | 7.00 | 22.00 | 7.00 |
| 5-6027 Е | Шариковый радиально-упорный однорядный подшипник. Сепаратор из текстолита.. | 7.00 | 22.00 | 7.00 |
| 5-6027 У | Шариковый радиально-упорный однорядный подшипник. Дополнительные технические требования. | 7.00 | 22.00 | 7.00 |
Способы доставки
Отправка через ведущие транспортные и курьерские компании: ПЭК, Деловые Линии, СДЭК, Байкал-Сервис, Энергия, КИТ, ЖелДорЭкспедиция.
Самовывоз возможен напрямую со склада в Москве.
Сроки доставки
Срок зависит от региона и выбранной транспортной компании. Все заказы комплектуются и отправляются в кратчайшие сроки со склада в Москве.
Надёжность и сохранность
Вся продукция упаковывается с учётом требований транспортировки. Мы гарантируем, что подшипники и комплектующие прибудут к заказчику в полной сохранности.
Доставка в страны ЕАЭС
Мы работаем с проверенными логистическими партнёрами, что позволяет оперативно доставлять заказы в Беларусь, Казахстан, Армению и другие страны ЕАЭС.
Варианты оплаты:
Минимальная сумма заказа и скидки:
Документы и гарантии:
Да, конечно! Наши технические специалисты готовы помочь вам с подбором точного аналога или замены подшипника. Просто позвоните нам по телефону +7 (495) 104-99-04 или напишите на почту zakaz@podsnab.ru.
Для оперативной консультации подготовьте, пожалуйста, имеющиеся данные: маркировку, размеры, тип оборудования или артикул старого подшипника.
Да, конечно! Мы высоко ценим долгосрочное сотрудничество и доверие клиентов по всей России. Для постоянных клиентов действует персональная система скидок.
Условия формируются индивидуально и зависят от:
Чтобы узнать свои условия и получить максимально выгодное предложение, свяжитесь с персональным менеджером или напишите нам на почту zakaz@podsnab.ru.
Вы можете оформить заказ несколькими способами:
Для оформления заказа от юридического лица свяжитесь с нашим отделом по работе с корпоративными клиентами по телефону +7 (495) 104-99-04 или напишите на email zakaz@podsnab.ru, прикрепив реквизиты вашей организации.
Мы оперативно подготовим коммерческое предложение и выставим счет.
Возврат товара надлежащего качества возможен в течение 10 дней с момента получения, если товар не был в употреблении, сохранен товарный вид, упаковка не вскрывалась и присутствуют все сопроводительные документы.
Возврат денежных средств осуществляется в течение 10 рабочих дней после проверки товара складом.
В соответствии с законодательством возврату не подлежат подшипники надлежащего качества, если отсутствует оригинальная упаковка или имеются следы монтажа.
В случае выявления брака или гарантийного случая мы гарантируем возврат или обмен товара.
Да, гарантийный срок хранения устанавливается заводом-изготовителем и в среднем составляет 2 года при соблюдении условий хранения: сухое помещение, оригинальная упаковка и смазка.
Точный срок для конкретного типа подшипника уточняйте у наших менеджеров.
Пн–Пт: с 8:00 до 17:00 (МСК).
Сб–Вс: выходные дни.
Заказы на сайте принимаются круглосуточно. Заявки, поступившие после окончания рабочего дня, обрабатываются на следующий рабочий день.
Минимальная сумма заказа для доставки составляет 3000 рублей. Самовывоз со склада возможен на любую сумму при наличии товара.
ООО «УралТехГрупп»
ИНН: 7415093830
КПП: 772401001
ОГРН: 1167456069021
Банк: ПАО Сбербанк
Р/с: 40702810838000475273
К/с: 30101810400000000225
БИК: 044525225
У подшипника 6-66 пока нет отзывов. Вы можете стать первым покупателем, поделившимся своим мнением.