Поиск подшипника
Статьи
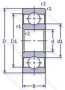
В-1000924 — Шариковый радиальный однорядный подшипник, модификация основного исполнения 1000924, производство ГПЗ.
Размер подшипника: 120x165x22 мм.
Государственный стандарт ГОСТ
В1000924
В наличии
| Обозначение | Конструктивные изменения |
|---|---|
| А-1000924 | Повышенная грузоподъемность. |
| П-1000924 | Шариковый радиальный однорядный подшипник. |
| 5-1000924 | Шариковый радиальный однорядный подшипник. |
| 6-1000924 Б1Т2 | 200°. Температура отпуска. Сепаратор из безоловянистой бронзы.. |
| 6-1000924 | Шариковый радиальный однорядный подшипник. |
| 76-1000924 Д | Сепаратор из алюминиевого сплава.. |
| 25-1000924 БТ | Температура отпуска. 160°. Сепаратор из безоловянистой бронзы.. |
| 5-1000924 АЛШ2 | Сепаратор из латуни.. Нормы шумности. Повышенная грузоподъемность. |
| 6-1000924 АДШ1 | Сепаратор из алюминиевого сплава.. Повышенная грузоподъемность. Нормы шумности. |
| 6-1000924 АДШ | Сепаратор из алюминиевого сплава.. Повышенная грузоподъемность. Нормы шумности. |
| 6-1000924 АЛШ1 | Сепаратор из латуни.. Повышенная грузоподъемность. Нормы шумности. |
| 6-1000924 АЛШ | Сепаратор из латуни.. Повышенная грузоподъемность. Нормы шумности. |
| 70-1000924 Д | Сепаратор из алюминиевого сплава.. |
| 75-1000924 Д | Сепаратор из алюминиевого сплава.. |
| 1000924 | Шариковый радиальный однорядный подшипник. Основное конструктивное исполнение. |
| 1000924-АД | Сепаратор из алюминиевого сплава.. Повышенная грузоподъемность. |
| 1000924-Д | Сепаратор из алюминиевого сплава.. |
| 1000924-Л | Сепаратор из латуни.. |
| 25-1000924 Б1 | Сепаратор из безоловянистой бронзы.. |
| 25-1000924 Б1Т2 | 200°. Температура отпуска. Сепаратор из безоловянистой бронзы.. |
| 2А-1000924 Б1 | Сепаратор из безоловянистой бронзы.. |
| 2А-1000924 Б1Т2 | 200°. Температура отпуска. Сепаратор из безоловянистой бронзы.. |
| 5-1000924 Д | Сепаратор из алюминиевого сплава.. |
| 6-1000924 Д | Сепаратор из алюминиевого сплава.. |
Модификации шарикового подшипника В-1000924 — это измененное основное конструктивное исполнение 1000924, основные размеры (120x165x22) не отличаются.
| Обозначение | Гост | Конструктивные особенности |
|---|---|---|
| 61924 ZZ | ISO | Защитные металлические шайбы (бесконтактные уплотнения) с обеих сторон подшипника. |
| 6924Z | ISO | щит из листовой прессованной стали с одной стороны подшипника. |
| 6924N | ISO | Канавка для стопорного кольца на наружном кольце. |
| 6924-RZ | ISO | Один стальное уплотнение и одно резиновое. |
| 6924-RS | ISO | Резиновое уплотнение с одной стороны. |
| 6924-2RZ | ISO | Шарикоподшипник. С уплотнением и низким коэффициентом трения с обеих сторон. Уплотнение состоит из шайбы из листовой стали с вулканизированной резиной. |
| 6924-2RU | ISO | Non Contact Type Friction Torque = Small High Speed Performance = Good Grease Sealing = Better Than ZZ-Type Dirt Resistance = Better Than ZZ-Type Water Resistance = Better Than ZZ / Inferior To 2RS Operating Temp. -30°C To + 100°C. |
| 6924LLU | ISO | Контактное резиновое уплотнение с двух сторон. |
| 61924 MA | ISO | Механически обработанный латунный сепаратор. Центрирование по внешнему кольцу. |
| XLS76K2 | ISO | 0.0001-0.0003 Radial Play (3-8 µm). |
| S61924-2RS | ISO | Резиновые уплотнения с каждой стороны подшипника. |
| 61924-2Z | ISO | Защитные металлические шайбы с обеих сторон подшипника. |
| 61924-2RS | ISO | Резиновые уплотнения с каждой стороны подшипника. |
| 3NC HAR924C FT | ISO | Угол контакта 20 градусов. REINFORCED PHENOLIC CAGE. |
| 3NCHAC924CA | ISO | Угол контакта 20 градусов. Латунный сепаратор с симметричными роликами. |
| 3NCHAC924C | ISO | Угол контакта 20 градусов. |
| 3NCHAF924CA | ISO | Угол контакта 20 градусов. Латунный сепаратор с симметричными роликами. |
| 3NCHAR924CA | ISO | Угол контакта 20 градусов. Латунный сепаратор с симметричными роликами. |
| 3NCHAR924C | ISO | Угол контакта 20 градусов. |
| 3NCHAR924 | ISO | Угол контакта 20 градусов. |
Аналог шарикового подшипника В-1000924 — это подшипник такого же размера dx120,Dx165,Bx22, типа и конструкции.
| Обозначение | Конструктивные особенности | Внутренний (d) | Наружный (D) | Ширина (B) |
|---|---|---|---|---|
| 5S-2LA-HSE924ADG/GNP42 | Шариковый радиально-упорный однорядный подшипник. Универсальный подшипник. Класс точности JIS4 для размеров и JIS 2 для точности вращения. Угол контакта 25°. Гибридный подшипник. | 120.00 | 165.00 | 22.00 |
| 71924AC | Шариковый радиально-упорный однорядный подшипник. Суффикс для радиально-упорного шарикоподшипника. | 120.00 | 165.00 | 22.00 |
| 71924 C | Шариковый радиально-упорный однорядный подшипник. 15° Угол контакта. | 120.00 | 165.00 | 22.00 |
| 1036924К | Шариковый радиально-упорный однорядный подшипник. «Замок» (скос) на внутреннем кольце плюс массивный сепаратор из текстолита. | 120.00 | 165.00 | 22.00 |
| 1046924К | Шариковый радиально-упорный однорядный подшипник. «Замок» (скос) на внутреннем кольце плюс массивный сепаратор из текстолита. | 120.00 | 165.00 | 22.00 |
| C71924 DB/P7 | Шариковый радиальный подшипник. Тороидальный подшипник CARB. Two Single Row Deep Groove Ball Bearings. Single Row Angular Contact Ball Bearings Or Single Row Tapered Roller Bearings Matched For Mounting In A Back-To-Back Arrangement. Точность размеров соответствует классу ISO 4. Точность хода лучше. чем ISO Class 4. | 120.00 | 165.00 | 22.00 |
| C71924 FB/P7 | Шариковый радиальный подшипник. Тороидальный подшипник CARB. Точность размеров соответствует классу ISO 4. Точность хода лучше. чем ISO Class 4. 18° Угол контакта. High Speed Design. | 120.00 | 165.00 | 22.00 |
| S71924 DB/P7 | Шариковый радиальный подшипник. Two Single Row Deep Groove Ball Bearings. Single Row Angular Contact Ball Bearings Or Single Row Tapered Roller Bearings Matched For Mounting In A Back-To-Back Arrangement. Точность размеров соответствует классу ISO 4. Точность хода лучше. чем ISO Class 4. | 120.00 | 165.00 | 22.00 |
| S71924 FB/P7 | Шариковый радиальный подшипник. Точность размеров соответствует классу ISO 4. Точность хода лучше. чем ISO Class 4. 18° Угол контакта. High Speed Design. | 120.00 | 165.00 | 22.00 |
| SC71924 DB/P7 | Шариковый радиальный подшипник. Two Single Row Deep Groove Ball Bearings. Single Row Angular Contact Ball Bearings Or Single Row Tapered Roller Bearings Matched For Mounting In A Back-To-Back Arrangement. Точность размеров соответствует классу ISO 4. Точность хода лучше. чем ISO Class 4. | 120.00 | 165.00 | 22.00 |
| SC71924 FB/P7 | Шариковый радиальный подшипник. Точность размеров соответствует классу ISO 4. Точность хода лучше. чем ISO Class 4. 18° Угол контакта. High Speed Design. | 120.00 | 165.00 | 22.00 |
| 76-1672924 Р1 | Роликовый радиальный цилиндрический однорядный подшипник. Детали из теплоустойчивой (быстрорежущие) стали.. | 120.00 | 165.00 | 22.00 |
| 8-1032924 К1М | Роликовый радиальный однорядный подшипник. Модифицированный контакт.. | 120.00 | 165.00 | 22.00 |
| 55-1032924 Б1Т2 | Роликовый радиальный однорядный подшипник. 200°. Температура отпуска. Сепаратор из безоловянистой бронзы.. | 120.00 | 165.00 | 22.00 |
| 55-1032924 Р | Роликовый радиальный однорядный подшипник. Детали из теплоустойчивой (быстрорежущие) стали.. | 120.00 | 165.00 | 22.00 |
Способы доставки
Отправка через ведущие транспортные и курьерские компании: ПЭК, Деловые Линии, СДЭК, Байкал-Сервис, Энергия, КИТ, ЖелДорЭкспедиция.
Самовывоз возможен напрямую со склада в Москве.
Сроки доставки
Срок зависит от региона и выбранной транспортной компании. Все заказы комплектуются и отправляются в кратчайшие сроки со склада в Москве.
Надёжность и сохранность
Вся продукция упаковывается с учётом требований транспортировки. Мы гарантируем, что подшипники и комплектующие прибудут к заказчику в полной сохранности.
Доставка в страны ЕАЭС
Мы работаем с проверенными логистическими партнёрами, что позволяет оперативно доставлять заказы в Беларусь, Казахстан, Армению и другие страны ЕАЭС.
Варианты оплаты:
Минимальная сумма заказа и скидки:
Документы и гарантии:
Да, конечно! Наши технические специалисты готовы помочь вам с подбором точного аналога или замены подшипника. Просто позвоните нам по телефону +7 (495) 104-99-04 или напишите на почту zakaz@podsnab.ru.
Для оперативной консультации подготовьте, пожалуйста, имеющиеся данные: маркировку, размеры, тип оборудования или артикул старого подшипника.
Да, конечно! Мы высоко ценим долгосрочное сотрудничество и доверие клиентов по всей России. Для постоянных клиентов действует персональная система скидок.
Условия формируются индивидуально и зависят от:
Чтобы узнать свои условия и получить максимально выгодное предложение, свяжитесь с персональным менеджером или напишите нам на почту zakaz@podsnab.ru.
Вы можете оформить заказ несколькими способами:
Для оформления заказа от юридического лица свяжитесь с нашим отделом по работе с корпоративными клиентами по телефону +7 (495) 104-99-04 или напишите на email zakaz@podsnab.ru, прикрепив реквизиты вашей организации.
Мы оперативно подготовим коммерческое предложение и выставим счет.
Возврат товара надлежащего качества возможен в течение 10 дней с момента получения, если товар не был в употреблении, сохранен товарный вид, упаковка не вскрывалась и присутствуют все сопроводительные документы.
Возврат денежных средств осуществляется в течение 10 рабочих дней после проверки товара складом.
В соответствии с законодательством возврату не подлежат подшипники надлежащего качества, если отсутствует оригинальная упаковка или имеются следы монтажа.
В случае выявления брака или гарантийного случая мы гарантируем возврат или обмен товара.
Да, гарантийный срок хранения устанавливается заводом-изготовителем и в среднем составляет 2 года при соблюдении условий хранения: сухое помещение, оригинальная упаковка и смазка.
Точный срок для конкретного типа подшипника уточняйте у наших менеджеров.
Пн–Пт: с 8:00 до 17:00 (МСК).
Сб–Вс: выходные дни.
Заказы на сайте принимаются круглосуточно. Заявки, поступившие после окончания рабочего дня, обрабатываются на следующий рабочий день.
Минимальная сумма заказа для доставки составляет 3000 рублей. Самовывоз со склада возможен на любую сумму при наличии товара.
ООО «УралТехГрупп»
ИНН: 7415093830
КПП: 772401001
ОГРН: 1167456069021
Банк: ПАО Сбербанк
Р/с: 40702810838000475273
К/с: 30101810400000000225
БИК: 044525225
У подшипника В-1000924 пока нет отзывов. Вы можете стать первым покупателем, поделившимся своим мнением.