Поиск подшипника
Статьи
7000105-Е1Т2 — Шариковый радиальный однорядный подшипник, модификация основного исполнения 7000105, производство ГПЗ.
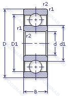
Размер подшипника: 25x47x8 мм.
200°, температура отпуска, сепаратор из текстолита.
Государственный стандарт ГОСТ
7000105Е1Т2
В наличии
| Обозначение | Конструктивные изменения |
|---|---|
| 35-7000105 Е1 | Сепаратор из текстолита.. |
| 76-7000105 | Шариковый радиальный однорядный подшипник. |
| 6-7000105 АШ1 | Повышенная грузоподъемность. Нормы шумности. |
| 6-7000105 АШ | Повышенная грузоподъемность. Нормы шумности. |
| 6-7000105 А1Ш1 | Повышенная грузоподъемность. Нормы шумности. |
| 6-7000105 | Шариковый радиальный однорядный подшипник. |
| 6-7000105 Ю | Все детали или часть деталей из нержавеющей стали.. |
| 7-7000105 | Шариковый радиальный однорядный подшипник. |
| 7000105-А | Повышенная грузоподъемность. |
| 7000105-Б | Сепаратор из безоловянистой бронзы.. |
| 7000105-БТ2 | 200°. Температура отпуска. Сепаратор из безоловянистой бронзы.. |
| 75-7000105 Р | Детали из теплоустойчивой (быстрорежущие) стали.. |
| 76-7000105 Ю | Все детали или часть деталей из нержавеющей стали.. |
| 7000105 | Шариковый радиальный однорядный подшипник. Основное конструктивное исполнение. |
| 05-7000105 Б | Сепаратор из безоловянистой бронзы.. |
| 25-7000105 Б | Сепаратор из безоловянистой бронзы.. |
| 25-7000105 БТ2 | 200°. Температура отпуска. Сепаратор из безоловянистой бронзы.. |
| 35-7000105 БТ2 | 200°. Температура отпуска. Сепаратор из безоловянистой бронзы.. |
| 35-7000105 Е1Т2 | Сепаратор из текстолита.. 200°. Температура отпуска. |
| 5-7000105 | Шариковый радиальный однорядный подшипник. |
| 5-7000105-Б | Сепаратор из безоловянистой бронзы.. |
| 5-7000105-БТ2 | 200°. Температура отпуска. Сепаратор из безоловянистой бронзы.. |
| 5-7000105-Р | Детали из теплоустойчивой (быстрорежущие) стали.. |
| 5-7000105-Т2 | 200°. Температура отпуска. |
Модификации шарикового подшипника 7000105-Е1Т2 — это измененное основное конструктивное исполнение 7000105, основные размеры (25x47x8) не отличаются.
| Обозначение | Гост | Конструктивные особенности |
|---|---|---|
| 16005/HR11QN | ISO | Шариковый радиальный однорядный подшипник. |
| 16005/HR11TN | ISO | Шариковый радиальный однорядный подшипник. |
| 16005/HR22Q2 | ISO | Шариковый радиальный однорядный подшипник. |
| 16005/HR22T2 | ISO | Шариковый радиальный однорядный подшипник. |
| S16005-2Z | ISO | Защитные металлические шайбы с обеих сторон подшипника. |
| S16005-2RS | ISO | Резиновые уплотнения с каждой стороны подшипника. |
| S16005 | ISO | Шариковый радиальный однорядный подшипник. |
Аналог шарикового подшипника 7000105-Е1Т2 — это подшипник такого же размера dx25,Dx47,Bx8, типа и конструкции.
| Обозначение | Конструктивные особенности | Внутренний (d) | Наружный (D) | Ширина (B) |
|---|---|---|---|---|
| 16005/MT33B | Подшипник однорядный шариковый радиальный. Lithium Grease. Medium Temp. 74 cSt @ 40°C. -30°C/+120°C. Filling Degree Greater Than Standard. A Two-Figure Number Following MT Identifies The Actual Grease. An Additional Letter Or Letter/Figure Combination As Mentioned Under HT Identifies Filling Degrees Other Than Standard. Examples/ MT33 Or MT37F9. | 25.00 | 47.00 | 8.00 |
| 16005/W64 | Подшипник однорядный шариковый радиальный. Антифрикционный заполнитель. твердая смазка. | 25.00 | 47.00 | 8.00 |
| 16005TN9 | Подшипник однорядный шариковый радиальный. Литой сепаратор из полиамида 6.6. армированного стекловолокном. Элемент качения по центру. | 25.00 | 47.00 | 8.00 |
| 16005P66 | Подшипник однорядный шариковый радиальный. Комбинация P6 (Точность размеров и пробега по классу допуска ISO 6 (лучше нормы)) и C6 (Шум QE6-SKF меньше нормы (тихий ход)). | 25.00 | 47.00 | 8.00 |
| 16005TB P52 | Подшипник однорядный шариковый радиальный. Комбинация P5 (точность размеров и пробега в соответствии с классом допуска ISO 5) и C2 (внутренний зазор подшипника меньше нормального). Сепаратор оконного типа из фенольной смолы. армированной тканью. Центрирование по внутреннему кольцу. | 25.00 | 47.00 | 8.00 |
| 16005.2ZR | Подшипник однорядный шариковый радиальный. Защитные металлические шайбы с обеих сторон. | 25.00 | 47.00 | 8.00 |
| 16005-A-C3 | Подшипник однорядный шариковый радиальный. Внутренний зазор больше нормального. Модификация внутренней конструкции. | 25.00 | 47.00 | 8.00 |
| SS16005 2RS SUS420 | Подшипник шариковый из нержавеющей стали. Резиновые уплотнения с каждой стороны подшипника. Same As AISI420. | 25.00 | 47.00 | 8.00 |
| 16005-2Z-C3 | Подшипник однорядный шариковый радиальный. Внутренний зазор больше нормального. Защитные стальные шайбы с обеих сторон. | 25.00 | 47.00 | 8.00 |
| 16005-A-2Z-C3 | Подшипник однорядный шариковый радиальный. Внутренний зазор больше нормального. Модификация внутренней конструкции. Защитные металлические шайбы с обеих сторон. | 25.00 | 47.00 | 8.00 |
| 16005E | Подшипник однорядный шариковый радиальный. Повышенная грузоподъемность. | 25.00 | 47.00 | 8.00 |
| 16005TH | Подшипник однорядный шариковый радиальный. Textile Laminated Phenolic Retainer. Snap Type. | 25.00 | 47.00 | 8.00 |
| 16005CM | Подшипник однорядный шариковый радиальный. Шариковый подшипник. Специальный радиальный внутренний зазор для электродвигателей. | 25.00 | 47.00 | 8.00 |
| 16005-A-2Z | Подшипник однорядный шариковый радиальный. Модификация внутренней конструкции. Защитные металлические шайбы с обеих сторон. | 25.00 | 47.00 | 8.00 |
| 16005J30 | Подшипник однорядный шариковый радиальный. Внутренний зазор больше нормального. | 25.00 | 47.00 | 8.00 |
Способы доставки
Отправка через ведущие транспортные и курьерские компании: ПЭК, Деловые Линии, СДЭК, Байкал-Сервис, Энергия, КИТ, ЖелДорЭкспедиция.
Самовывоз возможен напрямую со склада в Москве.
Сроки доставки
Срок зависит от региона и выбранной транспортной компании. Все заказы комплектуются и отправляются в кратчайшие сроки со склада в Москве.
Надёжность и сохранность
Вся продукция упаковывается с учётом требований транспортировки. Мы гарантируем, что подшипники и комплектующие прибудут к заказчику в полной сохранности.
Доставка в страны ЕАЭС
Мы работаем с проверенными логистическими партнёрами, что позволяет оперативно доставлять заказы в Беларусь, Казахстан, Армению и другие страны ЕАЭС.
Варианты оплаты:
Минимальная сумма заказа и скидки:
Документы и гарантии:
Да, конечно! Наши технические специалисты готовы помочь вам с подбором точного аналога или замены подшипника. Просто позвоните нам по телефону +7 (495) 104-99-04 или напишите на почту zakaz@podsnab.ru.
Для оперативной консультации подготовьте, пожалуйста, имеющиеся данные: маркировку, размеры, тип оборудования или артикул старого подшипника.
Да, конечно! Мы высоко ценим долгосрочное сотрудничество и доверие клиентов по всей России. Для постоянных клиентов действует персональная система скидок.
Условия формируются индивидуально и зависят от:
Чтобы узнать свои условия и получить максимально выгодное предложение, свяжитесь с персональным менеджером или напишите нам на почту zakaz@podsnab.ru.
Вы можете оформить заказ несколькими способами:
Для оформления заказа от юридического лица свяжитесь с нашим отделом по работе с корпоративными клиентами по телефону +7 (495) 104-99-04 или напишите на email zakaz@podsnab.ru, прикрепив реквизиты вашей организации.
Мы оперативно подготовим коммерческое предложение и выставим счет.
Возврат товара надлежащего качества возможен в течение 10 дней с момента получения, если товар не был в употреблении, сохранен товарный вид, упаковка не вскрывалась и присутствуют все сопроводительные документы.
Возврат денежных средств осуществляется в течение 10 рабочих дней после проверки товара складом.
В соответствии с законодательством возврату не подлежат подшипники надлежащего качества, если отсутствует оригинальная упаковка или имеются следы монтажа.
В случае выявления брака или гарантийного случая мы гарантируем возврат или обмен товара.
Да, гарантийный срок хранения устанавливается заводом-изготовителем и в среднем составляет 2 года при соблюдении условий хранения: сухое помещение, оригинальная упаковка и смазка.
Точный срок для конкретного типа подшипника уточняйте у наших менеджеров.
Пн–Пт: с 8:00 до 17:00 (МСК).
Сб–Вс: выходные дни.
Заказы на сайте принимаются круглосуточно. Заявки, поступившие после окончания рабочего дня, обрабатываются на следующий рабочий день.
Минимальная сумма заказа для доставки составляет 3000 рублей. Самовывоз со склада возможен на любую сумму при наличии товара.
ООО «УралТехГрупп»
ИНН: 7415093830
КПП: 772401001
ОГРН: 1167456069021
Банк: ПАО Сбербанк
Р/с: 40702810838000475273
К/с: 30101810400000000225
БИК: 044525225
У подшипника 7000105-Е1Т2 пока нет отзывов. Вы можете стать первым покупателем, поделившимся своим мнением.