Поиск подшипника
Статьи
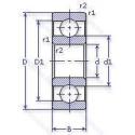
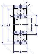
801 — Шариковый радиальный однорядный подшипник, основное исполнение, производство ГПЗ.
Размер подшипника: 12x30x8 мм.
Государственный стандарт ГОСТ
801
В наличии
| Обозначение | Конструктивные изменения |
|---|---|
| 801-Т2 | 200°. Температура отпуска. |
Модификации шарикового подшипника 801 — это измененное основное конструктивное исполнение 801, основные размеры (12x30x8) не отличаются.
| Обозначение | Гост | Конструктивные особенности |
|---|---|---|
| E13 | ISO | Шариковый радиальный однорядный подшипник. |
| 80701-Ю | ГОСТ | Все детали или часть деталей из нержавеющей стали.. |
| 80701-ЮУ | ГОСТ | Дополнительные технические требования. Все детали или часть деталей из нержавеющей стали.. |
| 80801-С1 | ГОСТ | Смазка ОКБ 122-7. |
| 80801-С21 | ГОСТ | Смазка ЭРА. |
| 80801-Т2С1 | ГОСТ | 200°. Температура отпуска. Смазка ОКБ 122-7. |
| 80801-Т2С16 | ГОСТ | 200°. Температура отпуска. Смазка ВНИИНП-246. |
| 80801-Т2С21 | ГОСТ | 200°. Смазка ЭРА. Температура отпуска. |
| 80801-Т2С4 | ГОСТ | 200°. Температура отпуска. Смазка ЦИАТИМ-221С. |
| 80801-Т2С8 | ГОСТ | 200°. Температура отпуска. Смазка ВНИИНП-235. |
| 80801-Т2 | ГОСТ | 200°. Температура отпуска. |
| BR1331 | ISO | Шариковый радиальный однорядный подшипник. |
| 6-80801 Т2С8 | ГОСТ | 200°. Температура отпуска. Смазка ВНИИНП-235. |
| S16001-2RS | ISO | Резиновые уплотнения с каждой стороны подшипника. |
| S16001 | ISO | Шариковый радиальный однорядный подшипник. |
| S16001-2Z | ISO | Защитные металлические шайбы с обеих сторон подшипника. |
| 80801 | ГОСТ | Шариковый радиальный однорядный подшипник. |
Аналог шарикового подшипника 801 — это подшипник такого же размера dx12,Dx30,Bx8, типа и конструкции.
| Обозначение | Конструктивные особенности | Внутренний (d) | Наружный (D) | Ширина (B) |
|---|---|---|---|---|
| 16101THB | Подшипник однорядный шариковый радиальный. Механически обработанный текстильный ламинированный фенольный сепаратор защелкивающегося типа. | 12.00 | 30.00 | 8.00 |
| 16101ZZ C3 | Подшипник однорядный шариковый радиальный. Внутренний зазор больше нормального. Защитные стальные шайбы с обеих сторон. | 12.00 | 30.00 | 8.00 |
| LR6001-2RSR | Опорный ролик. Резиновые уплотнения с каждой стороны подшипника. | 12.00 | 30.00 | 8.00 |
| 16101JRX | Подшипник однорядный шариковый радиальный. Клепаный сепаратор. где стандартный размер обычно приваривается точечной сваркой. | 12.00 | 30.00 | 8.00 |
| LR6001-2RSR-RR-L114/70 | Опорный ролик. Резиновые уплотнения с каждой стороны подшипника. С выпуклыми асимметричными роликами. Обработанный сепаратор штыревого типа из медного сплава. С центральным ребром. С ребрами с двух сторон (для предотвращения падения роликов). Длина рельса в мм. The Bearing Is Greased With L114 (GA47). | 12.00 | 30.00 | 8.00 |
| 16101TH.C3 | Подшипник однорядный шариковый радиальный. Внутренний зазор больше нормального. Textile Laminated Phenolic Retainer. Snap Type. | 12.00 | 30.00 | 8.00 |
| 16101TH | Подшипник однорядный шариковый радиальный. Textile Laminated Phenolic Retainer. Snap Type. | 12.00 | 30.00 | 8.00 |
| 6200/11.088-2RS1/QE6 | Подшипник однорядный шариковый радиальный. Усиленные листовой сталью контактные уплотнения из акрилонитрил-бутадиенового каучука (NBR) с обеих сторон подшипника. Тихая работа. 11/16. | 11.09 | 30.00 | 9.00 |
| 16101-A | Подшипник однорядный шариковый радиальный. Модификация внутренней конструкции. | 12.00 | 30.00 | 8.00 |
| E13YP | Разборной (магнетный) радиально-упорный однорядный шариковый подшипник. Сепаратор типа VO. Прессованная латунь. | 13.00 | 30.00 | 7.00 |
| 16101-2RSR | Подшипник однорядный шариковый радиальный. Резиновые уплотнения с каждой стороны подшипника. | 12.00 | 30.00 | 8.00 |
| 6200/11.088-2RSH/C3 | Подшипник однорядный шариковый радиальный. Внутренний зазор больше нормального. Контактное уплотнение RSH с обеих сторон подшипника.. 11/16. | 11.09 | 30.00 | 9.00 |
| 16101-A-2RSR-C3 | Подшипник однорядный шариковый радиальный. Внутренний зазор больше нормального. Модификация внутренней конструкции. Резиновые уплотнения с каждой стороны подшипника. | 12.00 | 30.00 | 8.00 |
| 16101-A-2Z-C3 | Подшипник однорядный шариковый радиальный. Внутренний зазор больше нормального. Модификация внутренней конструкции. Защитные металлические шайбы с обеих сторон. | 12.00 | 30.00 | 8.00 |
| LR6001-2RS | Опорный ролик. Rubber Seals At Each Side Of The Bearing. Temperature Range -30℃/+120℃. | 12.00 | 30.00 | 8.00 |
Способы доставки
Отправка через ведущие транспортные и курьерские компании: ПЭК, Деловые Линии, СДЭК, Байкал-Сервис, Энергия, КИТ, ЖелДорЭкспедиция.
Самовывоз возможен напрямую со склада в Москве.
Сроки доставки
Срок зависит от региона и выбранной транспортной компании. Все заказы комплектуются и отправляются в кратчайшие сроки со склада в Москве.
Надёжность и сохранность
Вся продукция упаковывается с учётом требований транспортировки. Мы гарантируем, что подшипники и комплектующие прибудут к заказчику в полной сохранности.
Доставка в страны ЕАЭС
Мы работаем с проверенными логистическими партнёрами, что позволяет оперативно доставлять заказы в Беларусь, Казахстан, Армению и другие страны ЕАЭС.
Варианты оплаты:
Минимальная сумма заказа и скидки:
Документы и гарантии:
Да, конечно! Наши технические специалисты готовы помочь вам с подбором точного аналога или замены подшипника. Просто позвоните нам по телефону +7 (495) 104-99-04 или напишите на почту zakaz@podsnab.ru.
Для оперативной консультации подготовьте, пожалуйста, имеющиеся данные: маркировку, размеры, тип оборудования или артикул старого подшипника.
Да, конечно! Мы высоко ценим долгосрочное сотрудничество и доверие клиентов по всей России. Для постоянных клиентов действует персональная система скидок.
Условия формируются индивидуально и зависят от:
Чтобы узнать свои условия и получить максимально выгодное предложение, свяжитесь с персональным менеджером или напишите нам на почту zakaz@podsnab.ru.
Вы можете оформить заказ несколькими способами:
Для оформления заказа от юридического лица свяжитесь с нашим отделом по работе с корпоративными клиентами по телефону +7 (495) 104-99-04 или напишите на email zakaz@podsnab.ru, прикрепив реквизиты вашей организации.
Мы оперативно подготовим коммерческое предложение и выставим счет.
Возврат товара надлежащего качества возможен в течение 10 дней с момента получения, если товар не был в употреблении, сохранен товарный вид, упаковка не вскрывалась и присутствуют все сопроводительные документы.
Возврат денежных средств осуществляется в течение 10 рабочих дней после проверки товара складом.
В соответствии с законодательством возврату не подлежат подшипники надлежащего качества, если отсутствует оригинальная упаковка или имеются следы монтажа.
В случае выявления брака или гарантийного случая мы гарантируем возврат или обмен товара.
Да, гарантийный срок хранения устанавливается заводом-изготовителем и в среднем составляет 2 года при соблюдении условий хранения: сухое помещение, оригинальная упаковка и смазка.
Точный срок для конкретного типа подшипника уточняйте у наших менеджеров.
Пн–Пт: с 8:00 до 17:00 (МСК).
Сб–Вс: выходные дни.
Заказы на сайте принимаются круглосуточно. Заявки, поступившие после окончания рабочего дня, обрабатываются на следующий рабочий день.
Минимальная сумма заказа для доставки составляет 3000 рублей. Самовывоз со склада возможен на любую сумму при наличии товара.
ООО «УралТехГрупп»
ИНН: 7415093830
КПП: 772401001
ОГРН: 1167456069021
Банк: ПАО Сбербанк
Р/с: 40702810838000475273
К/с: 30101810400000000225
БИК: 044525225
У подшипника 801 пока нет отзывов. Вы можете стать первым покупателем, поделившимся своим мнением.