Поиск подшипника
Статьи
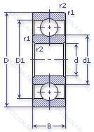
35-1000912 Л — Шариковый радиальный однорядный подшипник, модификация основного исполнения 1000912, производство ГПЗ.
Размер подшипника: 60x85x13 мм.
Сепаратор из латуни.
Государственный стандарт ГОСТ
351000912Л
В наличии
| Обозначение | Конструктивные изменения |
|---|---|
| В-1000912 Л | Сепаратор из латуни.. |
| 6-1000912 АЕШ1 | Сепаратор из текстолита.. Повышенная грузоподъемность. Нормы шумности. |
| 6-1000912 АЕШ | Сепаратор из текстолита.. Повышенная грузоподъемность. Нормы шумности. |
| 6-1000912 АЛШ1 | Сепаратор из латуни.. Повышенная грузоподъемность. Нормы шумности. |
| 6-1000912 АЛШ | Сепаратор из латуни.. Повышенная грузоподъемность. Нормы шумности. |
| 75-1000912 Р1 | Детали из теплоустойчивой (быстрорежущие) стали.. |
| 1000912 | Шариковый радиальный однорядный подшипник. Основное конструктивное исполнение. |
| 1000912-АЕ | Сепаратор из текстолита.. Повышенная грузоподъемность. |
| 1000912-АЛ | Сепаратор из латуни.. Повышенная грузоподъемность. |
| 1000912-Е | Сепаратор из текстолита.. |
| 1000912-Л | Сепаратор из латуни.. |
| 25-1000912 Б1Т2 | 200°. Температура отпуска. Сепаратор из безоловянистой бронзы.. |
| 26-1000912 Б1Т2 | 200°. Температура отпуска. Сепаратор из безоловянистой бронзы.. |
| 35-1000912 Б1Т2 | 200°. Температура отпуска. Сепаратор из безоловянистой бронзы.. |
| 36-1000912 Б1Т2 | 200°. Температура отпуска. Сепаратор из безоловянистой бронзы.. |
| 4-1000912 ЮТ | Температура отпуска. 160°. Все детали или часть деталей из нержавеющей стали.. |
| 5-1000912 | Шариковый радиальный однорядный подшипник. |
| 5-1000912 Л | Сепаратор из латуни.. |
| 6-1000912 | Шариковый радиальный однорядный подшипник. |
| 6-1000912 Е | Сепаратор из текстолита.. |
| 6-1000912 Л | Сепаратор из латуни.. |
Модификации шарикового подшипника 35-1000912 Л — это измененное основное конструктивное исполнение 1000912, основные размеры (60x85x13) не отличаются.
| Обозначение | Гост | Конструктивные особенности |
|---|---|---|
| 71912 FB/P7 | ISO | Точность размеров соответствует классу ISO 4. Точность хода лучше. чем ISO Class 4. 18° Угол контакта. High Speed Design. |
| 6912N | ISO | Канавка для стопорного кольца на наружном кольце. |
| 6912-RZ | ISO | Один стальное уплотнение и одно резиновое. |
| 6912Z | ISO | Стальная шайба. |
| 6912-RS | ISO | Резиновое уплотнение с одной стороны. |
| 6912-2RZ | ISO | Шарикоподшипник. С уплотнением и низким коэффициентом трения с обеих сторон. Уплотнение состоит из шайбы из листовой стали с вулканизированной резиной. |
| SS 61912-2RS | ISO | Резиновые уплотнения с каждой стороны подшипника. |
| SS 61912-ZZ | ISO | Защитные металлические шайбы с обеих сторон. |
| 61912-2RZ | ISO | Шарикоподшипник. С уплотнением и низким коэффициентом трения с обеих сторон. Уплотнение состоит из шайбы из листовой стали с вулканизированной резиной. |
| 66-1280912 Ю2С12 | ГОСТ | Все детали или часть деталей из нержавеющей стали.. Смазка ВНИИНП-260. |
| 6912LU | ISO | Двухкромочное нитриловое контактное уплотнение. |
| 6912LLB | ISO | Уплотнение бесконтактного типа из синтетического каучука. |
| 3NC HAR912C FT | ISO | Угол контакта 20 градусов. REINFORCED PHENOLIC CAGE. |
| 3NCHAC912C | ISO | Угол контакта 20 градусов. |
| 3NCHAC912CA | ISO | Угол контакта 20 градусов. Латунный сепаратор с симметричными роликами. |
| 3NCHAF912CA | ISO | Угол контакта 20 градусов. Латунный сепаратор с симметричными роликами. |
| 3NCHAR912CA | ISO | Угол контакта 20 градусов. Латунный сепаратор с симметричными роликами. |
| 3NCHAR912 | ISO | Угол контакта 20 градусов. |
| 3NCHAR912C | ISO | Угол контакта 20 градусов. |
| 6-1280912 КС1 | ГОСТ | Смазка ОКБ 122-7. |
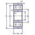
Аналог шарикового подшипника 35-1000912 Л — это подшипник такого же размера dx60,Dx85,Bx13, типа и конструкции.
| Обозначение | Конструктивные особенности | Внутренний (d) | Наружный (D) | Ширина (B) |
|---|---|---|---|---|
| 5S-2LA-HSE912G/GNP42 | Шариковый радиально-упорный однорядный подшипник. Универсальный подшипник. Класс точности JIS4 для размеров и JIS 2 для точности вращения. Гибридный подшипник. | 60.00 | 85.00 | 13.00 |
| 1036912К | Шариковый радиально-упорный однорядный подшипник. «Замок» (скос) на внутреннем кольце плюс массивный сепаратор из текстолита. | 60.00 | 85.00 | 13.00 |
| 1046912К | Шариковый радиально-упорный однорядный подшипник. «Замок» (скос) на внутреннем кольце плюс массивный сепаратор из текстолита. | 60.00 | 85.00 | 13.00 |
| C71912 DB/P7 | Шариковый радиальный подшипник. Тороидальный подшипник CARB. Two Single Row Deep Groove Ball Bearings. Single Row Angular Contact Ball Bearings Or Single Row Tapered Roller Bearings Matched For Mounting In A Back-To-Back Arrangement. Точность размеров соответствует классу ISO 4. Точность хода лучше. чем ISO Class 4. | 60.00 | 85.00 | 13.00 |
| C71912 FB/P7 | Шариковый радиальный подшипник. Тороидальный подшипник CARB. Точность размеров соответствует классу ISO 4. Точность хода лучше. чем ISO Class 4. 18° Угол контакта. High Speed Design. | 60.00 | 85.00 | 13.00 |
| S71912 DB/P7 | Шариковый радиальный подшипник. Two Single Row Deep Groove Ball Bearings. Single Row Angular Contact Ball Bearings Or Single Row Tapered Roller Bearings Matched For Mounting In A Back-To-Back Arrangement. Точность размеров соответствует классу ISO 4. Точность хода лучше. чем ISO Class 4. | 60.00 | 85.00 | 13.00 |
| S71912 FB/P7 | Шариковый радиальный подшипник. Точность размеров соответствует классу ISO 4. Точность хода лучше. чем ISO Class 4. 18° Угол контакта. High Speed Design. | 60.00 | 85.00 | 13.00 |
| SC71912 DB/P7 | Шариковый радиальный подшипник. Two Single Row Deep Groove Ball Bearings. Single Row Angular Contact Ball Bearings Or Single Row Tapered Roller Bearings Matched For Mounting In A Back-To-Back Arrangement. Точность размеров соответствует классу ISO 4. Точность хода лучше. чем ISO Class 4. | 60.00 | 85.00 | 13.00 |
| SC71912 FB/P7 | Шариковый радиальный подшипник. Точность размеров соответствует классу ISO 4. Точность хода лучше. чем ISO Class 4. 18° Угол контакта. High Speed Design. | 60.00 | 85.00 | 13.00 |
| W 61912-2RS1 | Шариковый радиальный подшипник. Усиленные листовой сталью контактные уплотнения из акрилонитрил-бутадиенового каучука (NBR) с обеих сторон подшипника. Нержавеющая сталь. | 60.00 | 85.00 | 13.00 |
| W 61912 | Шариковый радиальный подшипник. Нержавеющая сталь. | 60.00 | 85.00 | 13.00 |
| W 61912-2Z | Шариковый радиальный подшипник. Защитные металлические шайбы с обеих сторон подшипника. Нержавеющая сталь. | 60.00 | 85.00 | 13.00 |
| 5-1002912 Б1 | Роликовый радиальный однорядный подшипник. Сепаратор из безоловянистой бронзы.. | 60.00 | 85.00 | 13.00 |
| 5-1502912 Р | Роликовый радиальный однорядный подшипник. Детали из теплоустойчивой (быстрорежущие) стали.. | 60.00 | 85.00 | 13.00 |
| 55-1002912 Б1 | Роликовый радиальный однорядный подшипник. Сепаратор из безоловянистой бронзы.. | 60.00 | 85.00 | 13.00 |
Способы доставки
Отправка через ведущие транспортные и курьерские компании: ПЭК, Деловые Линии, СДЭК, Байкал-Сервис, Энергия, КИТ, ЖелДорЭкспедиция.
Самовывоз возможен напрямую со склада в Москве.
Сроки доставки
Срок зависит от региона и выбранной транспортной компании. Все заказы комплектуются и отправляются в кратчайшие сроки со склада в Москве.
Надёжность и сохранность
Вся продукция упаковывается с учётом требований транспортировки. Мы гарантируем, что подшипники и комплектующие прибудут к заказчику в полной сохранности.
Доставка в страны ЕАЭС
Мы работаем с проверенными логистическими партнёрами, что позволяет оперативно доставлять заказы в Беларусь, Казахстан, Армению и другие страны ЕАЭС.
Варианты оплаты:
Минимальная сумма заказа и скидки:
Документы и гарантии:
Да, конечно! Наши технические специалисты готовы помочь вам с подбором точного аналога или замены подшипника. Просто позвоните нам по телефону +7 (495) 104-99-04 или напишите на почту zakaz@podsnab.ru.
Для оперативной консультации подготовьте, пожалуйста, имеющиеся данные: маркировку, размеры, тип оборудования или артикул старого подшипника.
Да, конечно! Мы высоко ценим долгосрочное сотрудничество и доверие клиентов по всей России. Для постоянных клиентов действует персональная система скидок.
Условия формируются индивидуально и зависят от:
Чтобы узнать свои условия и получить максимально выгодное предложение, свяжитесь с персональным менеджером или напишите нам на почту zakaz@podsnab.ru.
Вы можете оформить заказ несколькими способами:
Для оформления заказа от юридического лица свяжитесь с нашим отделом по работе с корпоративными клиентами по телефону +7 (495) 104-99-04 или напишите на email zakaz@podsnab.ru, прикрепив реквизиты вашей организации.
Мы оперативно подготовим коммерческое предложение и выставим счет.
Возврат товара надлежащего качества возможен в течение 10 дней с момента получения, если товар не был в употреблении, сохранен товарный вид, упаковка не вскрывалась и присутствуют все сопроводительные документы.
Возврат денежных средств осуществляется в течение 10 рабочих дней после проверки товара складом.
В соответствии с законодательством возврату не подлежат подшипники надлежащего качества, если отсутствует оригинальная упаковка или имеются следы монтажа.
В случае выявления брака или гарантийного случая мы гарантируем возврат или обмен товара.
Да, гарантийный срок хранения устанавливается заводом-изготовителем и в среднем составляет 2 года при соблюдении условий хранения: сухое помещение, оригинальная упаковка и смазка.
Точный срок для конкретного типа подшипника уточняйте у наших менеджеров.
Пн–Пт: с 8:00 до 17:00 (МСК).
Сб–Вс: выходные дни.
Заказы на сайте принимаются круглосуточно. Заявки, поступившие после окончания рабочего дня, обрабатываются на следующий рабочий день.
Минимальная сумма заказа для доставки составляет 3000 рублей. Самовывоз со склада возможен на любую сумму при наличии товара.
ООО «УралТехГрупп»
ИНН: 7415093830
КПП: 772401001
ОГРН: 1167456069021
Банк: ПАО Сбербанк
Р/с: 40702810838000475273
К/с: 30101810400000000225
БИК: 044525225
У подшипника 35-1000912 Л пока нет отзывов. Вы можете стать первым покупателем, поделившимся своим мнением.