Поиск подшипника
Статьи
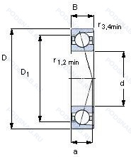
71801 CD/HCP4A — Шариковый радиальный однорядный подшипник, модификация основного исполнения 71801, производство SKF.
Размер подшипника: 12x21x5 мм.
Двухкомпонентный штампованный стальной сепаратор с направляющим кольцом, измененная или модифицированная внутренняя конструкция при неизменных основных размерах.
Международная стандартизации ISO
71801CDHCP4A
В наличии
| Обозначение | Конструктивные изменения |
|---|---|
| 71801 | Шариковый радиальный однорядный подшипник. Основное конструктивное исполнение. |
| 71801ACDGA/P4 | Однорядный радиально-упорный шарикоподшипник для универсальной установки. Два подшипника. расположенных «спина к спине» или «лицом к лицу». будут иметь небольшой преднатяг. 25° Угол контакта. Класс точности Р4 по ISO (точнее. чем P5) - Abec.7. |
| 71801CDGB/P4 | 15° Угол контакта. Подшипник для универсального монтажа. Два подшипника. установленные по О-образной или Х-образной схеме. имеют средний преднатяг. Класс точности Р4 по ISO (точнее. чем P5) - Abec.7. |
| 71801CD/P4A | 15° Угол контакта. Точность размеров в соответствии с классом допуска ISO 4. точность вращения лучше чем класс допуска ISO 4. |
| 71801 CD/P4 | Двухкомпонентный штампованный стальной сепаратор с направляющим кольцом. Класс точности. |
| 71801 ACD/HCP4 | Однорядный с улучшенной конструкцией и углом контакта 25°. |
| 71801 ACD/P4 | Однорядный с улучшенной конструкцией и углом контакта 25°. Класс точности. |
| 71801 CD/HCP4 | Двухкомпонентный штампованный стальной сепаратор с направляющим кольцом. |
| 71801 CTBP4 | Шариковый радиальный однорядный подшипник. |
| 71801 ATBP4 | Шариковый радиальный однорядный подшипник. |
| 71801 C | 15° Угол контакта. |
| 71801 A | Двухрядный радиально-упорный шарикоподшипник без отверстия для смазки. |
Модификации шарикового подшипника 71801 CD/HCP4A — это измененное основное конструктивное исполнение 71801, основные размеры (12x21x5) не отличаются.
| Обозначение | Гост | Конструктивные особенности |
|---|---|---|
| 6801LLU | ISO | Контактное резиновое уплотнение с двух сторон. |
| 6801LLB | ISO | Уплотнение бесконтактного типа из синтетического каучука. |
| 6801LBLU | ISO | Двухкромочное нитриловое контактное уплотнение. Бесконтактное нитриловое уплотнение. |
| S61801-2Z | ISO | Защитные металлические шайбы с обеих сторон подшипника. |
| SF61801-2RS | ISO | Резиновые уплотнения с каждой стороны подшипника. |
| SF61801-2Z | ISO | Защитные металлические шайбы с обеих сторон подшипника. |
| 62801-2Z | ISO | Защитные металлические шайбы с обеих сторон подшипника. |
| F61801-2Z | ISO | Защитные металлические шайбы с обеих сторон подшипника. |
| 1000801-ZZ | ГОСТ | Защитные металлические шайбы с обеих сторон. |
| 1000801-Л | ГОСТ | Сепаратор из латуни.. |
| 1000801-Ю | ГОСТ | Все детали или часть деталей из нержавеющей стали.. |
| 1000801.2RS | ГОСТ | Резиновые уплотнения с каждой стороны подшипника. |
| 4-1000801 Ю2 | ГОСТ | Все детали или часть деталей из нержавеющей стали.. |
| 4-640073 Р | ГОСТ | Детали из теплоустойчивой (быстрорежущие) стали.. |
| 5-1000801 Л | ГОСТ | Сепаратор из латуни.. |
| 5-1000801 Ю | ГОСТ | Все детали или часть деталей из нержавеющей стали.. |
| 5-1000801 ЮТ | ГОСТ | Температура отпуска. 160°. Все детали или часть деталей из нержавеющей стали.. |
| 6-1000801 Л | ГОСТ | Сепаратор из латуни.. |
| 6-1000801 Ю1 | ГОСТ | Все детали или часть деталей из нержавеющей стали.. |
| 6-1000801 Ю1Т | ГОСТ | Температура отпуска. 160°. Все детали или часть деталей из нержавеющей стали.. |
Аналог шарикового подшипника 71801 CD/HCP4A — это подшипник такого же размера dx12,Dx21,Bx5, типа и конструкции.
| Обозначение | Конструктивные особенности | Внутренний (d) | Наружный (D) | Ширина (B) |
|---|---|---|---|---|
| 61801VA | Подшипник шариковый из нержавеющей стали. Нержавеющая сталь. | 12.00 | 21.00 | 5.00 |
| 61801-2RSR-T9H | Подшипник однорядный шариковый радиальный. Резиновые уплотнения с каждой стороны подшипника. Защелкивающийся сепаратор. Усиленный стекловолокном полиамид. Шариковые тела качения. | 12.00 | 21.00 | 5.00 |
| S61801 2RS | Подшипник шариковый из нержавеющей стали. Резиновые уплотнения с каждой стороны подшипника. | 12.00 | 21.00 | 5.00 |
| 6801-2ZF GPR E G520 | Подшипник однорядный шариковый радиальный. Сепаратор изготовлен из листовой стали. Испытание на шум. Steel Shield And Felt Seal. | 12.00 | 21.00 | 5.00 |
| SS6801GPR J | Подшипник шариковый из нержавеющей стали. Сепаратор изготовлен из нержавеющей листовой стали. Испытание на шум. | 12.00 | 21.00 | 5.00 |
| SV6801-2Z C2 GPR J G4 | Подшипник шариковый из нержавеющей стали. Внутренний зазор подшипника меньше нормального. Сепаратор изготовлен из нержавеющей листовой стали. Защитные металлические шайбы с обеих сторон. Испытание на шум. Класс точности 4. | 12.00 | 21.00 | 5.00 |
| 6-876902 Ш | Шариковый радиально-упорный подшипник. Нормы шумности. | 11.10 | 21.10 | 6.00 |
| 6-876903 Ш1 | Шариковый радиально-упорный подшипник. Нормы шумности. | 12.60 | 20.60 | 4.87 |
| SEA12/NS 7CE1 | Шариковый радиально-упорный однорядный подшипник. Шарики из нитрида кремния Si3N4 (гибридные подшипники). Керамические шарики. | 12.00 | 21.00 | 5.00 |
| SEA12/NS 7CE3 | Шариковый радиально-упорный однорядный подшипник. Шарики из нитрида кремния Si3N4 (гибридные подшипники). Керамические шарики. | 12.00 | 21.00 | 5.00 |
| W 61801 R | Шариковый радиальный подшипник. Нержавеющая сталь. С выпуклыми асимметричными роликами и обработанным сепаратором. | 12.00 | 21.00 | 5.00 |
| W 61801 R-2ZS | Шариковый радиальный подшипник. Нержавеющая сталь. С выпуклыми асимметричными роликами и обработанным сепаратором. Z-образный сепаратор. | 12.00 | 21.00 | 5.00 |
| W 61801 | Шариковый радиальный подшипник. Нержавеющая сталь. | 12.00 | 21.00 | 5.00 |
| W 61801-2RZ | Шариковый радиальный подшипник. Шарикоподшипник. С уплотнением и низким коэффициентом трения с обеих сторон. Уплотнение состоит из шайбы из листовой стали с вулканизированной резиной. Нержавеющая сталь. | 12.00 | 21.00 | 5.00 |
| 6-1210801 Л | Шариковый радиальный подшипник. Сепаратор из латуни.. | 12.00 | 21.00 | 5.00 |
Способы доставки
Отправка через ведущие транспортные и курьерские компании: ПЭК, Деловые Линии, СДЭК, Байкал-Сервис, Энергия, КИТ, ЖелДорЭкспедиция.
Самовывоз возможен напрямую со склада в Москве.
Сроки доставки
Срок зависит от региона и выбранной транспортной компании. Все заказы комплектуются и отправляются в кратчайшие сроки со склада в Москве.
Надёжность и сохранность
Вся продукция упаковывается с учётом требований транспортировки. Мы гарантируем, что подшипники и комплектующие прибудут к заказчику в полной сохранности.
Доставка в страны ЕАЭС
Мы работаем с проверенными логистическими партнёрами, что позволяет оперативно доставлять заказы в Беларусь, Казахстан, Армению и другие страны ЕАЭС.
Варианты оплаты:
Минимальная сумма заказа и скидки:
Документы и гарантии:
Да, конечно! Наши технические специалисты готовы помочь вам с подбором точного аналога или замены подшипника. Просто позвоните нам по телефону +7 (495) 104-99-04 или напишите на почту zakaz@podsnab.ru.
Для оперативной консультации подготовьте, пожалуйста, имеющиеся данные: маркировку, размеры, тип оборудования или артикул старого подшипника.
Да, конечно! Мы высоко ценим долгосрочное сотрудничество и доверие клиентов по всей России. Для постоянных клиентов действует персональная система скидок.
Условия формируются индивидуально и зависят от:
Чтобы узнать свои условия и получить максимально выгодное предложение, свяжитесь с персональным менеджером или напишите нам на почту zakaz@podsnab.ru.
Вы можете оформить заказ несколькими способами:
Для оформления заказа от юридического лица свяжитесь с нашим отделом по работе с корпоративными клиентами по телефону +7 (495) 104-99-04 или напишите на email zakaz@podsnab.ru, прикрепив реквизиты вашей организации.
Мы оперативно подготовим коммерческое предложение и выставим счет.
Возврат товара надлежащего качества возможен в течение 10 дней с момента получения, если товар не был в употреблении, сохранен товарный вид, упаковка не вскрывалась и присутствуют все сопроводительные документы.
Возврат денежных средств осуществляется в течение 10 рабочих дней после проверки товара складом.
В соответствии с законодательством возврату не подлежат подшипники надлежащего качества, если отсутствует оригинальная упаковка или имеются следы монтажа.
В случае выявления брака или гарантийного случая мы гарантируем возврат или обмен товара.
Да, гарантийный срок хранения устанавливается заводом-изготовителем и в среднем составляет 2 года при соблюдении условий хранения: сухое помещение, оригинальная упаковка и смазка.
Точный срок для конкретного типа подшипника уточняйте у наших менеджеров.
Пн–Пт: с 8:00 до 17:00 (МСК).
Сб–Вс: выходные дни.
Заказы на сайте принимаются круглосуточно. Заявки, поступившие после окончания рабочего дня, обрабатываются на следующий рабочий день.
Минимальная сумма заказа для доставки составляет 3000 рублей. Самовывоз со склада возможен на любую сумму при наличии товара.
ООО «УралТехГрупп»
ИНН: 7415093830
КПП: 772401001
ОГРН: 1167456069021
Банк: ПАО Сбербанк
Р/с: 40702810838000475273
К/с: 30101810400000000225
БИК: 044525225
У подшипника 71801 CD/HCP4A пока нет отзывов. Вы можете стать первым покупателем, поделившимся своим мнением.