Поиск подшипника
Статьи
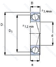
71803 CD/P4A — Шариковый радиальный однорядный подшипник, модификация основного исполнения 71803, производство SKF.
Размер подшипника: 17x26x5 мм.
Точность размеров в соответствии с классом допуска iso 4. точность вращения лучше чем класс допуска iso 4, двухкомпонентный штампованный стальной сепаратор с направляющим кольцом.
Международная стандартизации ISO
71803CDP4A
В наличии
| Обозначение | Конструктивные изменения |
|---|---|
| 71803 | Шариковый радиальный однорядный подшипник. Основное конструктивное исполнение. |
| 71803ACDGA/P4 | Однорядный радиально-упорный шарикоподшипник для универсальной установки. Два подшипника. расположенных «спина к спине» или «лицом к лицу». будут иметь небольшой преднатяг. 25° Угол контакта. Класс точности Р4 по ISO (точнее. чем P5) - Abec.7. |
| 71803ACDGB/P4 | 25° Угол контакта. Подшипник для универсального монтажа. Два подшипника. установленные по О-образной или Х-образной схеме. имеют средний преднатяг. Класс точности Р4 по ISO (точнее. чем P5) - Abec.7. |
| 71803CDGA/P4 | 15° Угол контакта. Однорядный радиально-упорный шарикоподшипник для универсальной установки. Два подшипника. расположенных «спина к спине» или «лицом к лицу». будут иметь небольшой преднатяг. Точность размеров в соответствии с классом допуска ISO 4. точность вращения лучше чем класс допуска ISO 4. |
| 71803 CD/P4 | Двухкомпонентный штампованный стальной сепаратор с направляющим кольцом. Класс точности. |
| 71803 CD/HCP4 | Двухкомпонентный штампованный стальной сепаратор с направляющим кольцом. |
| 71803 ACD/P4 | Однорядный с улучшенной конструкцией и углом контакта 25°. Класс точности. |
| 71803 ACD/HCP4 | Однорядный с улучшенной конструкцией и углом контакта 25°. |
| 71803 ATBP4 | Шариковый радиальный однорядный подшипник. |
| 71803 CTBP4 | Шариковый радиальный однорядный подшипник. |
| 71803 C | 15° Угол контакта. |
| 71803 A | Двухрядный радиально-упорный шарикоподшипник без отверстия для смазки. |
| 71803 CD/HCP4A | Измененная или модифицированная внутренняя конструкция при неизменных основных размерах. Двухкомпонентный штампованный стальной сепаратор с направляющим кольцом. |
Модификации шарикового подшипника 71803 CD/P4A — это измененное основное конструктивное исполнение 71803, основные размеры (17x26x5) не отличаются.
| Обозначение | Гост | Конструктивные особенности |
|---|---|---|
| 61803 Z | ISO | щит из листовой прессованной стали с одной стороны подшипника. |
| F6803ZZ | ISO | Защитные металлические шайбы с обеих сторон. |
| 6803Z | ISO | Стальная шайба. |
| 6803-2RU | ISO | Non Contact Type Friction Torque = Small High Speed Performance = Good Grease Sealing = Better Than ZZ-Type Dirt Resistance = Better Than ZZ-Type Water Resistance = Better Than ZZ / Inferior To 2RS Operating Temp. -30°C To + 100°C. |
| 6803-2NKE | ISO | Double Labyrinth Seal (Non Contact). |
| 6803-2NSE | ISO | Резиновые уплотнения с каждой стороны подшипника. |
| 6803NSE | ISO | Резиновое уплотнение с одной стороны. |
| 6803ZE | ISO | щит из листовой прессованной стали с одной стороны подшипника. |
| 6803LB | ISO | Бесконтактное нитриловое уплотнение. |
| 6803LLB | ISO | Уплотнение бесконтактного типа из синтетического каучука. |
| 6803LLU | ISO | Контактное резиновое уплотнение с двух сторон. |
| W 61803 R | ISO | Нержавеющая сталь. С выпуклыми асимметричными роликами и обработанным сепаратором. |
| AB41890 | ISO | Однорядный радиально-упорный шариковый подшипник с полиамидным сепаратором. |
| S61803-2Z | ISO | Защитные металлические шайбы с обеих сторон подшипника. |
| SF61803-2RS | ISO | Резиновые уплотнения с каждой стороны подшипника. |
| SF61803-2Z | ISO | Защитные металлические шайбы с обеих сторон подшипника. |
| 61803-Z.T9H.C3 | ISO | Внутренний зазор больше нормального. щит из листовой прессованной стали с одной стороны подшипника. Защелкивающийся сепаратор. Усиленный стекловолокном полиамид. Шариковые тела качения. |
| F61803-2RS | ISO | Резиновые уплотнения с каждой стороны подшипника. |
| F61803-2Z | ISO | Защитные металлические шайбы с обеих сторон подшипника. |
| 1000803.2RS | ГОСТ | Резиновые уплотнения с каждой стороны подшипника. |
Аналог шарикового подшипника 71803 CD/P4A — это подшипник такого же размера dx17,Dx26,Bx5, типа и конструкции.
| Обозначение | Конструктивные особенности | Внутренний (d) | Наружный (D) | Ширина (B) |
|---|---|---|---|---|
| 61803-2Z-HLU | Подшипник однорядный шариковый радиальный. Зазорные уплотнения с обеих сторон подшипника.. Код местонахождения завода. может использоваться в стандартной комплектации. | 17.00 | 26.00 | 5.00 |
| S61803-2RS | Подшипник шариковый из нержавеющей стали. Резиновые уплотнения с каждой стороны подшипника. | 17.00 | 26.00 | 5.00 |
| W61803-2Z | Подшипник шариковый из нержавеющей стали. Защитные металлические шайбы с обеих сторон подшипника. Нержавеющая сталь. | 17.00 | 26.00 | 5.00 |
| 61803EE G15 | Подшипник однорядный шариковый радиальный. Литой сепаратор из полиамида 6.6. армированного стекловолокном. Элемент качения по центру. Резиновые уплотнения с каждой стороны подшипника. | 17.00 | 26.00 | 5.00 |
| 61803-2Z-HLC-C3 | Подшипник однорядный шариковый радиальный. Внутренний зазор больше нормального. Защитные металлические шайбы с обеих сторон. Код местонахождения завода. может использоваться в стандартной комплектации. | 17.00 | 26.00 | 5.00 |
| 6803DDC3 | Подшипник однорядный шариковый радиальный. Внутренний зазор больше нормального. Контактное уплотнение с двух сторон. | 17.00 | 26.00 | 5.00 |
| 6803ZZCM AS2S | Подшипник однорядный шариковый радиальный. Защитные стальные шайбы с обеих сторон. Шариковый подшипник. Специальный радиальный внутренний зазор для электродвигателей. Подшипник с двумя смазочными отверстиями, расположенными под углом 180° во внешнем кольце. | 17.00 | 26.00 | 5.00 |
| 6803VV | Подшипник однорядный шариковый радиальный. Защитные металлические шайбы. с обеих сторон подшипника. Бесконтактное уплотнение. (лучше. чем ZZ. Можно использовать в умеренно запыленной среде). | 17.00 | 26.00 | 5.00 |
| 61803-H-2Z | Подшипник однорядный шариковый радиальный. Защитные металлические шайбы с обеих сторон. Стандартное качество. | 17.00 | 26.00 | 5.00 |
| 61803C2 | Подшипник однорядный шариковый радиальный. Внутренний зазор подшипника меньше нормального. | 17.00 | 26.00 | 5.00 |
| 6803-2Z | Подшипник однорядный шариковый радиальный. Защитные металлические шайбы с обеих сторон. | 17.00 | 26.00 | 5.00 |
| SEA17/NS 7CE1 | Шариковый радиально-упорный однорядный подшипник. Шарики из нитрида кремния Si3N4 (гибридные подшипники). Керамические шарики. | 17.00 | 26.00 | 5.00 |
| SEA17/NS 7CE3 | Шариковый радиально-упорный однорядный подшипник. Шарики из нитрида кремния Si3N4 (гибридные подшипники). Керамические шарики. | 17.00 | 26.00 | 5.00 |
| W 61803 | Шариковый радиальный подшипник. Нержавеющая сталь. | 17.00 | 26.00 | 5.00 |
| W 61803 R-2Z | Шариковый радиальный подшипник. Защитные металлические шайбы с обеих сторон подшипника. Нержавеющая сталь. С выпуклыми асимметричными роликами и обработанным сепаратором. | 17.00 | 26.00 | 5.00 |
Способы доставки
Отправка через ведущие транспортные и курьерские компании: ПЭК, Деловые Линии, СДЭК, Байкал-Сервис, Энергия, КИТ, ЖелДорЭкспедиция.
Самовывоз возможен напрямую со склада в Москве.
Сроки доставки
Срок зависит от региона и выбранной транспортной компании. Все заказы комплектуются и отправляются в кратчайшие сроки со склада в Москве.
Надёжность и сохранность
Вся продукция упаковывается с учётом требований транспортировки. Мы гарантируем, что подшипники и комплектующие прибудут к заказчику в полной сохранности.
Доставка в страны ЕАЭС
Мы работаем с проверенными логистическими партнёрами, что позволяет оперативно доставлять заказы в Беларусь, Казахстан, Армению и другие страны ЕАЭС.
Варианты оплаты:
Минимальная сумма заказа и скидки:
Документы и гарантии:
Да, конечно! Наши технические специалисты готовы помочь вам с подбором точного аналога или замены подшипника. Просто позвоните нам по телефону +7 (495) 104-99-04 или напишите на почту zakaz@podsnab.ru.
Для оперативной консультации подготовьте, пожалуйста, имеющиеся данные: маркировку, размеры, тип оборудования или артикул старого подшипника.
Да, конечно! Мы высоко ценим долгосрочное сотрудничество и доверие клиентов по всей России. Для постоянных клиентов действует персональная система скидок.
Условия формируются индивидуально и зависят от:
Чтобы узнать свои условия и получить максимально выгодное предложение, свяжитесь с персональным менеджером или напишите нам на почту zakaz@podsnab.ru.
Вы можете оформить заказ несколькими способами:
Для оформления заказа от юридического лица свяжитесь с нашим отделом по работе с корпоративными клиентами по телефону +7 (495) 104-99-04 или напишите на email zakaz@podsnab.ru, прикрепив реквизиты вашей организации.
Мы оперативно подготовим коммерческое предложение и выставим счет.
Возврат товара надлежащего качества возможен в течение 10 дней с момента получения, если товар не был в употреблении, сохранен товарный вид, упаковка не вскрывалась и присутствуют все сопроводительные документы.
Возврат денежных средств осуществляется в течение 10 рабочих дней после проверки товара складом.
В соответствии с законодательством возврату не подлежат подшипники надлежащего качества, если отсутствует оригинальная упаковка или имеются следы монтажа.
В случае выявления брака или гарантийного случая мы гарантируем возврат или обмен товара.
Да, гарантийный срок хранения устанавливается заводом-изготовителем и в среднем составляет 2 года при соблюдении условий хранения: сухое помещение, оригинальная упаковка и смазка.
Точный срок для конкретного типа подшипника уточняйте у наших менеджеров.
Пн–Пт: с 8:00 до 17:00 (МСК).
Сб–Вс: выходные дни.
Заказы на сайте принимаются круглосуточно. Заявки, поступившие после окончания рабочего дня, обрабатываются на следующий рабочий день.
Минимальная сумма заказа для доставки составляет 3000 рублей. Самовывоз со склада возможен на любую сумму при наличии товара.
ООО «УралТехГрупп»
ИНН: 7415093830
КПП: 772401001
ОГРН: 1167456069021
Банк: ПАО Сбербанк
Р/с: 40702810838000475273
К/с: 30101810400000000225
БИК: 044525225
У подшипника 71803 CD/P4A пока нет отзывов. Вы можете стать первым покупателем, поделившимся своим мнением.