Поиск подшипника
Статьи
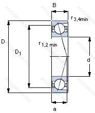
71811 CD/HCP4A — Шариковый радиальный однорядный подшипник, модификация основного исполнения 71811, производство SKF.
Размер подшипника: 55x72x9 мм.
Двухкомпонентный штампованный стальной сепаратор с направляющим кольцом, измененная или модифицированная внутренняя конструкция при неизменных основных размерах.
Международная стандартизации ISO
71811CDHCP4A
В наличии
| Обозначение | Конструктивные изменения |
|---|---|
| 71811ACDGB/P4A | Точность размеров в соответствии с классом допуска ISO 4. точность вращения лучше чем класс допуска ISO 4. 25° Угол контакта. Подшипник для универсального монтажа. Два подшипника. установленные по О-образной или Х-образной схеме. имеют средний преднатяг. |
| 71811ACDGA/P4 | Однорядный радиально-упорный шарикоподшипник для универсальной установки. Два подшипника. расположенных «спина к спине» или «лицом к лицу». будут иметь небольшой преднатяг. 25° Угол контакта. Класс точности Р4 по ISO (точнее. чем P5) - Abec.7. |
| 71811CDGA/P4 | 15° Угол контакта. Однорядный радиально-упорный шарикоподшипник для универсальной установки. Два подшипника. расположенных «спина к спине» или «лицом к лицу». будут иметь небольшой преднатяг. Точность размеров в соответствии с классом допуска ISO 4. точность вращения лучше чем класс допуска ISO 4. |
| 71811ACDGB/P4 | 25° Угол контакта. Подшипник для универсального монтажа. Два подшипника. установленные по О-образной или Х-образной схеме. имеют средний преднатяг. Класс точности Р4 по ISO (точнее. чем P5) - Abec.7. |
| 71811CDGB/P4 | 15° Угол контакта. Подшипник для универсального монтажа. Два подшипника. установленные по О-образной или Х-образной схеме. имеют средний преднатяг. Класс точности Р4 по ISO (точнее. чем P5) - Abec.7. |
| 71811-TN-UO | Сепаратор из полиамида. Универсальный монтаж. Для установки по O- и X- образной схеме - беззазорные.. |
| 71811 ACD/P4 | Однорядный с улучшенной конструкцией и углом контакта 25°. Класс точности. |
| 71811 CD/P4 | Двухкомпонентный штампованный стальной сепаратор с направляющим кольцом. Класс точности. |
| 71811 CD/HCP4 | Двухкомпонентный штампованный стальной сепаратор с направляющим кольцом. |
| 71811 ACD/HCP4 | Однорядный с улучшенной конструкцией и углом контакта 25°. |
| 71811 CTBP4 | Шариковый радиальный однорядный подшипник. |
| 71811 ATBP4 | Шариковый радиальный однорядный подшипник. |
| 71811-B-TVH | Модифицированная внутренняя конструкция. Твердая клетка из полиамида. |
| 71811 C | 15° Угол контакта. |
| 71811 A | Двухрядный радиально-упорный шарикоподшипник без отверстия для смазки. |
| 71811 | Шариковый радиальный однорядный подшипник. Основное конструктивное исполнение. |
| 71811 CD/P4A | Двухкомпонентный штампованный стальной сепаратор с направляющим кольцом. Точность размеров в соответствии с классом допуска ISO 4. точность вращения лучше чем класс допуска ISO 4. |
Модификации шарикового подшипника 71811 CD/HCP4A — это измененное основное конструктивное исполнение 71811, основные размеры (55x72x9) не отличаются.
| Обозначение | Гост | Конструктивные особенности |
|---|---|---|
| 61811 2BRS Y | ISO | Сепаратор из прессованной латуни. Центрирование шарика. Бесконтактные лабиринтные уплотнения с обеих сторон. |
| 61811 2URS Y | ISO | Сепаратор из прессованной латуни. Центрирование шарика. Специальное манжетное уплотнение с обеих сторон подшипника. |
| 61811 BRS Y | ISO | Сепаратор из прессованной латуни. Центрирование шарика. Бесконтактные лабиринтные уплотнения с одной стороны. |
| 61811 RS Y | ISO | Сепаратор из прессованной латуни. Центрирование шарика. Резиновое уплотнение с одной стороны. |
| 61811 URS Y | ISO | Сепаратор из прессованной латуни. Центрирование шарика. |
| F-569987.01 | ISO | Design. |
| SS 61811 | ISO | Шариковый радиальный однорядный подшипник. |
| SS 61811-ZZ | ISO | Защитные металлические шайбы с обеих сторон. |
| 6811-2RD | ISO | Облегченное контактное уплотнение с двух сторон.. |
| 6811-2RU | ISO | Non Contact Type Friction Torque = Small High Speed Performance = Good Grease Sealing = Better Than ZZ-Type Dirt Resistance = Better Than ZZ-Type Water Resistance = Better Than ZZ / Inferior To 2RS Operating Temp. -30°C To + 100°C. |
| 6811Z | ISO | щит из листовой прессованной стали с одной стороны подшипника. |
| 6811N | ISO | Канавка для стопорного кольца на наружном кольце. |
| 6811LLB | ISO | Уплотнение бесконтактного типа из синтетического каучука. |
| 6811LU | ISO | Двухкромочное нитриловое контактное уплотнение. |
| S61811 | ISO | Шариковый радиальный однорядный подшипник. |
| 1000811 | ГОСТ | Шариковый радиальный однорядный подшипник. |
| 1000811-АЕ25 | ГОСТ | Повышенная грузоподъемность. Сепаратор из пластических материалов.. |
| 1000811.2RS | ГОСТ | Резиновые уплотнения с каждой стороны подшипника. |
Аналог шарикового подшипника 71811 CD/HCP4A — это подшипник такого же размера dx55,Dx72,Bx9, типа и конструкции.
| Обозначение | Конструктивные особенности | Внутренний (d) | Наружный (D) | Ширина (B) |
|---|---|---|---|---|
| 61811T | Подшипник однорядный шариковый радиальный. Литой защелкивающийся сепаратор из полиамида. армированного стекловолокном. | 55.00 | 72.00 | 9.00 |
| 61811.2ZR | Подшипник однорядный шариковый радиальный. Защитные металлические шайбы с обеих сторон. | 55.00 | 72.00 | 9.00 |
| 6811LLU | Подшипник однорядный шариковый радиальный. Резиновые уплотнения с каждой стороны подшипника. | 55.00 | 72.00 | 9.00 |
| 61811-TVHB | Подшипник однорядный шариковый радиальный. Moulded Polyamide Cage Snap-Type. Rolling Element Riding. Guidance By The Inner Ring. | 55.00 | 72.00 | 9.00 |
| 6811JR LLU | Подшипник однорядный шариковый радиальный. Резиновые уплотнения с каждой стороны подшипника. Клепаный сепаратор. где стандартный размер обычно приваривается точечной сваркой. | 55.00 | 72.00 | 9.00 |
| 61811 2RS VA | Подшипник шариковый из нержавеющей стали. Резиновые уплотнения с каждой стороны подшипника. Нержавеющая сталь. | 55.00 | 72.00 | 9.00 |
| 5S-7811CG/GNP42 | Шариковый радиально-упорный однорядный подшипник. Универсальный подшипник. Резьбовой винт со стопором и защелкой. Класс точности JIS4 для размеров и JIS 2 для точности вращения. Гибридный подшипник. | 55.00 | 72.00 | 9.00 |
| 7811CG/GNP42 | Шариковый радиально-упорный однорядный подшипник. Универсальный подшипник. Резьбовой винт со стопором и защелкой. Класс точности JIS4 для размеров и JIS 2 для точности вращения. | 55.00 | 72.00 | 9.00 |
| 7811CG/GNP4 | Шариковый радиально-упорный однорядный подшипник. Универсальный подшипник. Класс точности JIS4 / ISO 4. Резьбовой винт со стопором и защелкой. | 55.00 | 72.00 | 9.00 |
| SEA55/NS 7CE1 | Шариковый радиально-упорный однорядный подшипник. Шарики из нитрида кремния Si3N4 (гибридные подшипники). Керамические шарики. | 55.00 | 72.00 | 9.00 |
| SEA55/NS 7CE3 | Шариковый радиально-упорный однорядный подшипник. Шарики из нитрида кремния Si3N4 (гибридные подшипники). Керамические шарики. | 55.00 | 72.00 | 9.00 |
| 7811C | Шариковый радиально-упорный однорядный подшипник. Угол контакта 15°. | 55.00 | 72.00 | 9.00 |
| W 61811 | Шариковый радиальный подшипник. Нержавеющая сталь. | 55.00 | 72.00 | 9.00 |
| W 61811-2Z | Шариковый радиальный подшипник. Защитные металлические шайбы с обеих сторон подшипника. Нержавеющая сталь. | 55.00 | 72.00 | 9.00 |
| W 61811-2RZ | Шариковый радиальный подшипник. Шарикоподшипник. С уплотнением и низким коэффициентом трения с обеих сторон. Уплотнение состоит из шайбы из листовой стали с вулканизированной резиной. Нержавеющая сталь. | 55.00 | 72.00 | 9.00 |
Способы доставки
Отправка через ведущие транспортные и курьерские компании: ПЭК, Деловые Линии, СДЭК, Байкал-Сервис, Энергия, КИТ, ЖелДорЭкспедиция.
Самовывоз возможен напрямую со склада в Москве.
Сроки доставки
Срок зависит от региона и выбранной транспортной компании. Все заказы комплектуются и отправляются в кратчайшие сроки со склада в Москве.
Надёжность и сохранность
Вся продукция упаковывается с учётом требований транспортировки. Мы гарантируем, что подшипники и комплектующие прибудут к заказчику в полной сохранности.
Доставка в страны ЕАЭС
Мы работаем с проверенными логистическими партнёрами, что позволяет оперативно доставлять заказы в Беларусь, Казахстан, Армению и другие страны ЕАЭС.
Варианты оплаты:
Минимальная сумма заказа и скидки:
Документы и гарантии:
Да, конечно! Наши технические специалисты готовы помочь вам с подбором точного аналога или замены подшипника. Просто позвоните нам по телефону +7 (495) 104-99-04 или напишите на почту zakaz@podsnab.ru.
Для оперативной консультации подготовьте, пожалуйста, имеющиеся данные: маркировку, размеры, тип оборудования или артикул старого подшипника.
Да, конечно! Мы высоко ценим долгосрочное сотрудничество и доверие клиентов по всей России. Для постоянных клиентов действует персональная система скидок.
Условия формируются индивидуально и зависят от:
Чтобы узнать свои условия и получить максимально выгодное предложение, свяжитесь с персональным менеджером или напишите нам на почту zakaz@podsnab.ru.
Вы можете оформить заказ несколькими способами:
Для оформления заказа от юридического лица свяжитесь с нашим отделом по работе с корпоративными клиентами по телефону +7 (495) 104-99-04 или напишите на email zakaz@podsnab.ru, прикрепив реквизиты вашей организации.
Мы оперативно подготовим коммерческое предложение и выставим счет.
Возврат товара надлежащего качества возможен в течение 10 дней с момента получения, если товар не был в употреблении, сохранен товарный вид, упаковка не вскрывалась и присутствуют все сопроводительные документы.
Возврат денежных средств осуществляется в течение 10 рабочих дней после проверки товара складом.
В соответствии с законодательством возврату не подлежат подшипники надлежащего качества, если отсутствует оригинальная упаковка или имеются следы монтажа.
В случае выявления брака или гарантийного случая мы гарантируем возврат или обмен товара.
Да, гарантийный срок хранения устанавливается заводом-изготовителем и в среднем составляет 2 года при соблюдении условий хранения: сухое помещение, оригинальная упаковка и смазка.
Точный срок для конкретного типа подшипника уточняйте у наших менеджеров.
Пн–Пт: с 8:00 до 17:00 (МСК).
Сб–Вс: выходные дни.
Заказы на сайте принимаются круглосуточно. Заявки, поступившие после окончания рабочего дня, обрабатываются на следующий рабочий день.
Минимальная сумма заказа для доставки составляет 3000 рублей. Самовывоз со склада возможен на любую сумму при наличии товара.
ООО «УралТехГрупп»
ИНН: 7415093830
КПП: 772401001
ОГРН: 1167456069021
Банк: ПАО Сбербанк
Р/с: 40702810838000475273
К/с: 30101810400000000225
БИК: 044525225
У подшипника 71811 CD/HCP4A пока нет отзывов. Вы можете стать первым покупателем, поделившимся своим мнением.