Поиск подшипника
Статьи
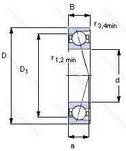
71812 CD/HCP4A — Шариковый радиальный однорядный подшипник, модификация основного исполнения 71812, производство SKF.
Размер подшипника: 60x78x10 мм.
Двухкомпонентный штампованный стальной сепаратор с направляющим кольцом, измененная или модифицированная внутренняя конструкция при неизменных основных размерах.
Международная стандартизации ISO
71812CDHCP4A
В наличии
| Обозначение | Конструктивные изменения |
|---|---|
| 71812-TN | Сепаратор из полиамида. |
| 71812ACD/P4DBA | 25° Угол контакта. Два однорядных радиальных шарикоподшипника. Однорядные радиально-упорные шарикоподшипники или однорядные конические роликовые подшипники. подходящие для монтажа в схеме «спина к спине». Легкая предварительная нагрузка. Класс точности Р4 по ISO (точнее. чем P5) - Abec.7. |
| 71812ACDGB/P4 | 25° Угол контакта. Подшипник для универсального монтажа. Два подшипника. установленные по О-образной или Х-образной схеме. имеют средний преднатяг. Класс точности Р4 по ISO (точнее. чем P5) - Abec.7. |
| 71812CDGB/P4 | 15° Угол контакта. Подшипник для универсального монтажа. Два подшипника. установленные по О-образной или Х-образной схеме. имеют средний преднатяг. Класс точности Р4 по ISO (точнее. чем P5) - Abec.7. |
| 71812ACD/P4DBB | 25° Угол контакта. Класс точности Р4 по ISO (точнее. чем P5) - Abec.7. |
| 71812ACD/P4ADBB | Точность размеров в соответствии с классом допуска ISO 4. точность вращения лучше чем класс допуска ISO 4. 25° Угол контакта. Два однорядных радиальных шарикоподшипника. Дуплекс. Однорядные радиально-упорные шарикоподшипники или однорядные конические роликовые подшипники. подходящие для монтажа в схеме «спина к спине». Средний преднатяг. |
| 71812 ACD/P4 | Однорядный с улучшенной конструкцией и углом контакта 25°. Класс точности. |
| 71812 ACD/HCP4 | Однорядный с улучшенной конструкцией и углом контакта 25°. |
| 71812 CD/HCP4 | Двухкомпонентный штампованный стальной сепаратор с направляющим кольцом. |
| 71812 CD/P4 | Двухкомпонентный штампованный стальной сепаратор с направляющим кольцом. Класс точности. |
| 71812 CTBP4 | Шариковый радиальный однорядный подшипник. |
| 71812 ATBP4 | Шариковый радиальный однорядный подшипник. |
| 71812-B-TVH | Модифицированная внутренняя конструкция. Твердая клетка из полиамида. |
| 71812 C | 15° Угол контакта. |
| 71812 A | Двухрядный радиально-упорный шарикоподшипник без отверстия для смазки. |
| 71812 | Шариковый радиальный однорядный подшипник. Основное конструктивное исполнение. |
| 71812 CD/P4A | Двухкомпонентный штампованный стальной сепаратор с направляющим кольцом. Точность размеров в соответствии с классом допуска ISO 4. точность вращения лучше чем класс допуска ISO 4. |
Модификации шарикового подшипника 71812 CD/HCP4A — это измененное основное конструктивное исполнение 71812, основные размеры (60x78x10) не отличаются.
| Обозначение | Гост | Конструктивные особенности |
|---|---|---|
| 61812 BRS Y | ISO | Сепаратор из прессованной латуни. Центрирование шарика. Бесконтактные лабиринтные уплотнения с одной стороны. |
| 61812 RS Y | ISO | Сепаратор из прессованной латуни. Центрирование шарика. Резиновое уплотнение с одной стороны. |
| 61812 URS Y | ISO | Сепаратор из прессованной латуни. Центрирование шарика. |
| 61812 Z Y | ISO | щит из листовой прессованной стали с одной стороны подшипника. Сепаратор из прессованной латуни. Центрирование шарика. |
| 6812-2RZ | ISO | Шарикоподшипник. С уплотнением и низким коэффициентом трения с обеих сторон. Уплотнение состоит из шайбы из листовой стали с вулканизированной резиной. |
| SS 61812-ZZ | ISO | Защитные металлические шайбы с обеих сторон. |
| 6812-2RD | ISO | Облегченное контактное уплотнение с двух сторон.. |
| 6812Z | ISO | щит из листовой прессованной стали с одной стороны подшипника. |
| 6812N | ISO | Канавка для стопорного кольца на наружном кольце. |
| 6812DD | ISO | Два уплотнения из PTFE. |
| 75-1000812 ЮТ | ГОСТ | Температура отпуска. 160°. Все детали или часть деталей из нержавеющей стали.. |
| 75-1000812 ЮТП | ГОСТ | Температура отпуска. 160°. Все детали или часть деталей из нержавеющей стали.. |
| TMB812X1C3 | ISO | Внутренний радиальный зазор С3. Модификация фаски. Изготовлено из специально термически обработанной стали. |
| 6812LLU | ISO | Контактное резиновое уплотнение с двух сторон. |
| 6812LU | ISO | Двухкромочное нитриловое контактное уплотнение. |
| 6812LLH | ISO | Манжетное уплотнение с обеих сторон подшипника. |
| S61812-2RS | ISO | Резиновые уплотнения с каждой стороны подшипника. |
| 1000812.2RS | ГОСТ | Резиновые уплотнения с каждой стороны подшипника. |
| 5-1000812 ЮТ | ГОСТ | Температура отпуска. 160°. Все детали или часть деталей из нержавеющей стали.. |
| 6-1000812 ЮТ | ГОСТ | Температура отпуска. 160°. Все детали или часть деталей из нержавеющей стали.. |
Аналог шарикового подшипника 71812 CD/HCP4A — это подшипник такого же размера dx60,Dx78,Bx10, типа и конструкции.
| Обозначение | Конструктивные особенности | Внутренний (d) | Наружный (D) | Ширина (B) |
|---|---|---|---|---|
| 61812Z | Подшипник однорядный шариковый радиальный. щит из листовой прессованной стали с одной стороны подшипника. | 60.00 | 78.00 | 10.00 |
| SEA60 7 CE3 UL | Подшипник шариковый однорядный радиально-упорный. Фенольная смола. Подшипник для универсального монтажа. Два подшипника. установленные по О-образной или Х-образной схеме. имеют лёгкий преднатяг. Расположение внешнего сепаратора. P4 (SKF)=Abec.7. ACD (SKF)=25° Угол контакта. | 60.00 | 78.00 | 10.00 |
| 6812LLU/5K | Подшипник однорядный шариковый радиальный. Резиновые уплотнения с каждой стороны подшипника. Grease/ Kyodo Yushi / Multemp SRL (-40°C to +150°C). | 60.00 | 78.00 | 10.00 |
| 61812ZZ Y | Подшипник однорядный шариковый радиальный. Защитные металлические шайбы с обеих сторон. Штампованный латунный фиксатор. Направляемые элементы качения. | 60.00 | 78.00 | 10.00 |
| 61812-2RZ-Y-C3 | Подшипник однорядный шариковый радиальный. Внутренний зазор больше нормального. Шарикоподшипник. С уплотнением и низким коэффициентом трения с обеих сторон. Уплотнение состоит из шайбы из листовой стали с вулканизированной резиной. Подшипник с сепаратором из латуни центрированный по телам качения. | 60.00 | 78.00 | 10.00 |
| 61812-Y-P5-R8-15 | Подшипник однорядный шариковый радиальный. Размерная и рабочая точность соответствует классу допуска ISO 5. Подшипник с сепаратором из латуни центрированный по телам качения. Radial Clearance In µm. | 60.00 | 78.00 | 10.00 |
| 5S-7812CG/GNP42 | Шариковый радиально-упорный однорядный подшипник. Универсальный подшипник. Резьбовой винт со стопором и защелкой. Класс точности JIS4 для размеров и JIS 2 для точности вращения. Гибридный подшипник. | 60.00 | 78.00 | 10.00 |
| 7812G/GMP42 | Шариковый радиально-упорный однорядный подшипник. Универсальный подшипник. Класс точности JIS4 для размеров и JIS 2 для точности вращения. | 60.00 | 78.00 | 10.00 |
| SEA60/NS 7CE3 | Шариковый радиально-упорный однорядный подшипник. Шарики из нитрида кремния Si3N4 (гибридные подшипники). Керамические шарики. | 60.00 | 78.00 | 10.00 |
| SEA60/NS 7CE1 | Шариковый радиально-упорный однорядный подшипник. Шарики из нитрида кремния Si3N4 (гибридные подшипники). Керамические шарики. | 60.00 | 78.00 | 10.00 |
| 7812C | Шариковый радиально-упорный однорядный подшипник. Угол контакта 15°. | 60.00 | 78.00 | 10.00 |
| 4-1006812 ЮТ | Шариковый радиально-упорный однорядный подшипник. Температура отпуска. 160°. Все детали или часть деталей из нержавеющей стали.. | 60.00 | 78.00 | 10.00 |
| W 61812 | Шариковый радиальный подшипник. Нержавеющая сталь. | 60.00 | 78.00 | 10.00 |
| W 61812-2Z | Шариковый радиальный подшипник. Защитные металлические шайбы с обеих сторон подшипника. Нержавеющая сталь. | 60.00 | 78.00 | 10.00 |
| W 61812-2RS1 | Шариковый радиальный подшипник. Усиленные листовой сталью контактные уплотнения из акрилонитрил-бутадиенового каучука (NBR) с обеих сторон подшипника. Нержавеющая сталь. | 60.00 | 78.00 | 10.00 |
Способы доставки
Отправка через ведущие транспортные и курьерские компании: ПЭК, Деловые Линии, СДЭК, Байкал-Сервис, Энергия, КИТ, ЖелДорЭкспедиция.
Самовывоз возможен напрямую со склада в Москве.
Сроки доставки
Срок зависит от региона и выбранной транспортной компании. Все заказы комплектуются и отправляются в кратчайшие сроки со склада в Москве.
Надёжность и сохранность
Вся продукция упаковывается с учётом требований транспортировки. Мы гарантируем, что подшипники и комплектующие прибудут к заказчику в полной сохранности.
Доставка в страны ЕАЭС
Мы работаем с проверенными логистическими партнёрами, что позволяет оперативно доставлять заказы в Беларусь, Казахстан, Армению и другие страны ЕАЭС.
Варианты оплаты:
Минимальная сумма заказа и скидки:
Документы и гарантии:
Да, конечно! Наши технические специалисты готовы помочь вам с подбором точного аналога или замены подшипника. Просто позвоните нам по телефону +7 (495) 104-99-04 или напишите на почту zakaz@podsnab.ru.
Для оперативной консультации подготовьте, пожалуйста, имеющиеся данные: маркировку, размеры, тип оборудования или артикул старого подшипника.
Да, конечно! Мы высоко ценим долгосрочное сотрудничество и доверие клиентов по всей России. Для постоянных клиентов действует персональная система скидок.
Условия формируются индивидуально и зависят от:
Чтобы узнать свои условия и получить максимально выгодное предложение, свяжитесь с персональным менеджером или напишите нам на почту zakaz@podsnab.ru.
Вы можете оформить заказ несколькими способами:
Для оформления заказа от юридического лица свяжитесь с нашим отделом по работе с корпоративными клиентами по телефону +7 (495) 104-99-04 или напишите на email zakaz@podsnab.ru, прикрепив реквизиты вашей организации.
Мы оперативно подготовим коммерческое предложение и выставим счет.
Возврат товара надлежащего качества возможен в течение 10 дней с момента получения, если товар не был в употреблении, сохранен товарный вид, упаковка не вскрывалась и присутствуют все сопроводительные документы.
Возврат денежных средств осуществляется в течение 10 рабочих дней после проверки товара складом.
В соответствии с законодательством возврату не подлежат подшипники надлежащего качества, если отсутствует оригинальная упаковка или имеются следы монтажа.
В случае выявления брака или гарантийного случая мы гарантируем возврат или обмен товара.
Да, гарантийный срок хранения устанавливается заводом-изготовителем и в среднем составляет 2 года при соблюдении условий хранения: сухое помещение, оригинальная упаковка и смазка.
Точный срок для конкретного типа подшипника уточняйте у наших менеджеров.
Пн–Пт: с 8:00 до 17:00 (МСК).
Сб–Вс: выходные дни.
Заказы на сайте принимаются круглосуточно. Заявки, поступившие после окончания рабочего дня, обрабатываются на следующий рабочий день.
Минимальная сумма заказа для доставки составляет 3000 рублей. Самовывоз со склада возможен на любую сумму при наличии товара.
ООО «УралТехГрупп»
ИНН: 7415093830
КПП: 772401001
ОГРН: 1167456069021
Банк: ПАО Сбербанк
Р/с: 40702810838000475273
К/с: 30101810400000000225
БИК: 044525225
У подшипника 71812 CD/HCP4A пока нет отзывов. Вы можете стать первым покупателем, поделившимся своим мнением.