Поиск подшипника
Статьи
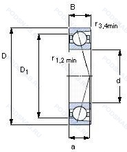
71828 CD/P4A — Шариковый радиальный однорядный подшипник, модификация основного исполнения 71828, производство SKF.
Размер подшипника: 140x175x18 мм.
Точность размеров в соответствии с классом допуска iso 4. точность вращения лучше чем класс допуска iso 4, двухкомпонентный штампованный стальной сепаратор с направляющим кольцом.
Международная стандартизации ISO
71828CDP4A
В наличии
| Обозначение | Конструктивные изменения |
|---|---|
| 71828ACDGA/P4 | Однорядный радиально-упорный шарикоподшипник для универсальной установки. Два подшипника. расположенных «спина к спине» или «лицом к лицу». будут иметь небольшой преднатяг. 25° Угол контакта. Класс точности Р4 по ISO (точнее. чем P5) - Abec.7. |
| 71828CDGA/P4 | 15° Угол контакта. Однорядный радиально-упорный шарикоподшипник для универсальной установки. Два подшипника. расположенных «спина к спине» или «лицом к лицу». будут иметь небольшой преднатяг. Точность размеров в соответствии с классом допуска ISO 4. точность вращения лучше чем класс допуска ISO 4. |
| 71828ACDGB/P4 | 25° Угол контакта. Подшипник для универсального монтажа. Два подшипника. установленные по О-образной или Х-образной схеме. имеют средний преднатяг. Класс точности Р4 по ISO (точнее. чем P5) - Abec.7. |
| 71828CDGB/P4 | 15° Угол контакта. Подшипник для универсального монтажа. Два подшипника. установленные по О-образной или Х-образной схеме. имеют средний преднатяг. Класс точности Р4 по ISO (точнее. чем P5) - Abec.7. |
| 71828 ACD/P4 | Однорядный с улучшенной конструкцией и углом контакта 25°. Класс точности. |
| 71828 ACD/HCP4 | Однорядный с улучшенной конструкцией и углом контакта 25°. |
| 71828 CD/P4 | Двухкомпонентный штампованный стальной сепаратор с направляющим кольцом. Класс точности. |
| 71828 CD/HCP4 | Двухкомпонентный штампованный стальной сепаратор с направляющим кольцом. |
| 71828 ATBP4 | Шариковый радиальный однорядный подшипник. |
| 71828 CTBP4 | Шариковый радиальный однорядный подшипник. |
| 71828 A | Двухрядный радиально-упорный шарикоподшипник без отверстия для смазки. |
| 71828AC | Суффикс для радиально-упорного шарикоподшипника. |
| 71828 C | 15° Угол контакта. |
| 71828 CD/HCP4A | Измененная или модифицированная внутренняя конструкция при неизменных основных размерах. Двухкомпонентный штампованный стальной сепаратор с направляющим кольцом. |
Модификации шарикового подшипника 71828 CD/P4A — это измененное основное конструктивное исполнение 71828, основные размеры (140x175x18) не отличаются.
| Обозначение | Гост | Конструктивные особенности |
|---|---|---|
| 6-1000828 АЛ | ГОСТ | Сепаратор из латуни.. Повышенная грузоподъемность. |
| 61828 ZZ | ISO | Защитные металлические шайбы (бесконтактные уплотнения) с обеих сторон подшипника. |
| 6828Z | ISO | щит из листовой прессованной стали с одной стороны подшипника. |
| 6828-2RZ | ISO | Шарикоподшипник. С уплотнением и низким коэффициентом трения с обеих сторон. Уплотнение состоит из шайбы из листовой стали с вулканизированной резиной. |
| 6828-RS | ISO | Резиновое уплотнение с одной стороны. |
| 6828-RZ | ISO | Один стальное уплотнение и одно резиновое. |
| 6828N | ISO | Канавка для стопорного кольца на наружном кольце. |
| 6828-2RD | ISO | Облегченное контактное уплотнение с двух сторон.. |
| 6828VV | ISO | Защитные металлические шайбы. с обеих сторон подшипника. Бесконтактное уплотнение. (лучше. чем ZZ. Можно использовать в умеренно запыленной среде). |
| S61828-2RS | ISO | Резиновые уплотнения с каждой стороны подшипника. |
| 61828 2Z | ISO | Защитные металлические шайбы с обеих сторон подшипника. |
| 1000828-АБ | ГОСТ | Повышенная грузоподъемность. Сепаратор из безоловянистой бронзы.. |
| 1000828-АЛ | ГОСТ | Сепаратор из латуни.. Повышенная грузоподъемность. |
| 1000828-Л | ГОСТ | Сепаратор из латуни.. |
| 1000828-Ю | ГОСТ | Все детали или часть деталей из нержавеющей стали.. |
| 1170828-Л | ГОСТ | Сепаратор из латуни.. |
| 5-1000828 Л | ГОСТ | Сепаратор из латуни.. |
| 5-1000828 ЮТ | ГОСТ | Температура отпуска. 160°. Все детали или часть деталей из нержавеющей стали.. |
| 6-1000828 Б | ГОСТ | Сепаратор из безоловянистой бронзы.. |
| 6-1000828 Л | ГОСТ | Сепаратор из латуни.. |
Аналог шарикового подшипника 71828 CD/P4A — это подшипник такого же размера dx140,Dx175,Bx18, типа и конструкции.
| Обозначение | Конструктивные особенности | Внутренний (d) | Наружный (D) | Ширина (B) |
|---|---|---|---|---|
| 61828-HLU | Подшипник однорядный шариковый радиальный. Код местонахождения завода. может использоваться в стандартной комплектации. | 140.00 | 175.00 | 18.00 |
| 61828MA | Подшипник однорядный шариковый радиальный. Механически обработанный латунный сепаратор. Центрирование по внешнему кольцу. | 140.00 | 175.00 | 18.00 |
| 61828MB | Подшипник однорядный шариковый радиальный. Механически обработанный латунный сепаратор. направляющий по внутреннему кольцу. | 140.00 | 175.00 | 18.00 |
| 61828TN | Подшипник однорядный шариковый радиальный. литой под давлением сепаратор из полиамида 6.6. центрированный роликовый элемент. | 140.00 | 175.00 | 18.00 |
| 61828-MA-C3 | Подшипник однорядный шариковый радиальный. Внутренний зазор больше нормального. Механически обработанный латунный сепаратор. Центрирование по внешнему кольцу. | 140.00 | 175.00 | 18.00 |
| 6828DDU | Подшипник однорядный шариковый радиальный. Резиновые уплотнения с каждой стороны подшипника. | 140.00 | 175.00 | 18.00 |
| 61828-2RSR-HLU | Подшипник однорядный шариковый радиальный. Резиновые уплотнения с каждой стороны подшипника. Код местонахождения завода. может использоваться в стандартной комплектации. | 140.00 | 175.00 | 18.00 |
| 5S-7828CG/GNP42 | Шариковый радиально-упорный однорядный подшипник. Универсальный подшипник. Резьбовой винт со стопором и защелкой. Класс точности JIS4 для размеров и JIS 2 для точности вращения. Гибридный подшипник. | 140.00 | 175.00 | 18.00 |
| 7828CG/GNP42 | Шариковый радиально-упорный однорядный подшипник. Универсальный подшипник. Резьбовой винт со стопором и защелкой. Класс точности JIS4 для размеров и JIS 2 для точности вращения. | 140.00 | 175.00 | 18.00 |
| SF2812PX1 | Шариковый радиально-упорный однорядный подшипник. Специальный допуск. | 140.00 | 175.00 | 17.50 |
| SF2812V | Шариковый радиально-упорный однорядный подшипник. Подшипник без сепаратора. С полным комплектом тел качения. | 140.00 | 175.00 | 18.00 |
| SEA140/NS 7CE3 | Шариковый радиально-упорный однорядный подшипник. Шарики из нитрида кремния Si3N4 (гибридные подшипники). Керамические шарики. | 140.00 | 175.00 | 18.00 |
| SEA140/NS 7CE1 | Шариковый радиально-упорный однорядный подшипник. Шарики из нитрида кремния Si3N4 (гибридные подшипники). Керамические шарики. | 140.00 | 175.00 | 18.00 |
| 7828C | Шариковый радиально-упорный однорядный подшипник. Угол контакта 15°. | 140.00 | 175.00 | 18.00 |
| 46-1066828 Д | Шариковый радиально-упорный однорядный подшипник. Сепаратор из алюминиевого сплава.. | 140.00 | 175.00 | 18.00 |
Способы доставки
Отправка через ведущие транспортные и курьерские компании: ПЭК, Деловые Линии, СДЭК, Байкал-Сервис, Энергия, КИТ, ЖелДорЭкспедиция.
Самовывоз возможен напрямую со склада в Москве.
Сроки доставки
Срок зависит от региона и выбранной транспортной компании. Все заказы комплектуются и отправляются в кратчайшие сроки со склада в Москве.
Надёжность и сохранность
Вся продукция упаковывается с учётом требований транспортировки. Мы гарантируем, что подшипники и комплектующие прибудут к заказчику в полной сохранности.
Доставка в страны ЕАЭС
Мы работаем с проверенными логистическими партнёрами, что позволяет оперативно доставлять заказы в Беларусь, Казахстан, Армению и другие страны ЕАЭС.
Варианты оплаты:
Минимальная сумма заказа и скидки:
Документы и гарантии:
Да, конечно! Наши технические специалисты готовы помочь вам с подбором точного аналога или замены подшипника. Просто позвоните нам по телефону +7 (495) 104-99-04 или напишите на почту zakaz@podsnab.ru.
Для оперативной консультации подготовьте, пожалуйста, имеющиеся данные: маркировку, размеры, тип оборудования или артикул старого подшипника.
Да, конечно! Мы высоко ценим долгосрочное сотрудничество и доверие клиентов по всей России. Для постоянных клиентов действует персональная система скидок.
Условия формируются индивидуально и зависят от:
Чтобы узнать свои условия и получить максимально выгодное предложение, свяжитесь с персональным менеджером или напишите нам на почту zakaz@podsnab.ru.
Вы можете оформить заказ несколькими способами:
Для оформления заказа от юридического лица свяжитесь с нашим отделом по работе с корпоративными клиентами по телефону +7 (495) 104-99-04 или напишите на email zakaz@podsnab.ru, прикрепив реквизиты вашей организации.
Мы оперативно подготовим коммерческое предложение и выставим счет.
Возврат товара надлежащего качества возможен в течение 10 дней с момента получения, если товар не был в употреблении, сохранен товарный вид, упаковка не вскрывалась и присутствуют все сопроводительные документы.
Возврат денежных средств осуществляется в течение 10 рабочих дней после проверки товара складом.
В соответствии с законодательством возврату не подлежат подшипники надлежащего качества, если отсутствует оригинальная упаковка или имеются следы монтажа.
В случае выявления брака или гарантийного случая мы гарантируем возврат или обмен товара.
Да, гарантийный срок хранения устанавливается заводом-изготовителем и в среднем составляет 2 года при соблюдении условий хранения: сухое помещение, оригинальная упаковка и смазка.
Точный срок для конкретного типа подшипника уточняйте у наших менеджеров.
Пн–Пт: с 8:00 до 17:00 (МСК).
Сб–Вс: выходные дни.
Заказы на сайте принимаются круглосуточно. Заявки, поступившие после окончания рабочего дня, обрабатываются на следующий рабочий день.
Минимальная сумма заказа для доставки составляет 3000 рублей. Самовывоз со склада возможен на любую сумму при наличии товара.
ООО «УралТехГрупп»
ИНН: 7415093830
КПП: 772401001
ОГРН: 1167456069021
Банк: ПАО Сбербанк
Р/с: 40702810838000475273
К/с: 30101810400000000225
БИК: 044525225
У подшипника 71828 CD/P4A пока нет отзывов. Вы можете стать первым покупателем, поделившимся своим мнением.