Поиск подшипника
Статьи
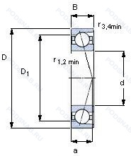
71911 DB/P7 — Шариковый радиальный однорядный подшипник, модификация основного исполнения 71911, производство SKF.
Размер подшипника: 55x80x13 мм.
Two single row deep groove ball bearings. single row angular contact ball bearings or single row tapered roller bearings matched for mounting in a back-to-back arrangement, точность размеров соответствует классу iso 4. точность хода лучше. чем iso class 4.
Международная стандартизации ISO
71911DBP7
В наличии
| Обозначение | Конструктивные изменения |
|---|---|
| 71911 ACB/HCP4AL | Измененная или модифицированная внутренняя конструкция при неизменных основных размерах. 25° Угол контакта. High-Speed B Design. |
| 71911 ACE/HCP4AH1 | Измененная или модифицированная внутренняя конструкция при неизменных основных размерах. 25° Угол контакта And (E) Small Size Steel Balls. |
| 71911 ACB/HCP4A | Измененная или модифицированная внутренняя конструкция при неизменных основных размерах. 25° Угол контакта. High-Speed B Design. |
| 71911 ACD/HCP4AL | Измененная или модифицированная внутренняя конструкция при неизменных основных размерах. Однорядный с улучшенной конструкцией и углом контакта 25°. |
| 71911 CB/HCP4AL | Измененная или модифицированная внутренняя конструкция при неизменных основных размерах. Подшипник для универсального монтажа. Два подшипника. установленные по О-образной или Х-образной схеме. имеют нормальный осевой внутренний зазор. |
| 71911 ACD/HCP4A | Измененная или модифицированная внутренняя конструкция при неизменных основных размерах. Однорядный с улучшенной конструкцией и углом контакта 25°. |
| 71911 ACE/P4AH1 | Измененная или модифицированная внутренняя конструкция при неизменных основных размерах. 25° Угол контакта And (E) Small Size Steel Balls. |
| 71911 ACE/P4A | Точность размеров в соответствии с классом допуска ISO 4. точность вращения лучше чем класс допуска ISO 4. 25° Угол контакта And (E) Small Size Steel Balls. |
| 71911 CB/P4AL | Измененная или модифицированная внутренняя конструкция при неизменных основных размерах. Подшипник для универсального монтажа. Два подшипника. установленные по О-образной или Х-образной схеме. имеют нормальный осевой внутренний зазор. |
| 71911 ACD/P4AL | Измененная или модифицированная внутренняя конструкция при неизменных основных размерах. Однорядный с улучшенной конструкцией и углом контакта 25°. |
| 71911 CE/HCP4A | Измененная или модифицированная внутренняя конструкция при неизменных основных размерах. 15° Угол контакта And (E) Small Size Steel Balls. |
| 71911 CE/HCP4AH1 | Измененная или модифицированная внутренняя конструкция при неизменных основных размерах. 15° Угол контакта And (E) Small Size Steel Balls. |
| 71911 CE/P4AH1 | Измененная или модифицированная внутренняя конструкция при неизменных основных размерах. 15° Угол контакта And (E) Small Size Steel Balls. |
| 71911 CE/HCP4AL | Измененная или модифицированная внутренняя конструкция при неизменных основных размерах. 15° Угол контакта And (E) Small Size Steel Balls. |
| 71911 CE/P4A | Точность размеров в соответствии с классом допуска ISO 4. точность вращения лучше чем класс допуска ISO 4. 15° Угол контакта And (E) Small Size Steel Balls. |
| 71911CVDUJ74 | Угол контакта 15°. Преднатяг (Лёгкий. Комплекты из 2. |
| 71911 C-UD | 15° Угол контакта. |
| 71911 C-UO | 15° Угол контакта. Универсальный монтаж. Для установки по O- и X- образной схеме - беззазорные.. |
| 71911 C-UX | 15° Угол контакта. Универсальный монтаж, сверхлегкая предварительная нагрузка.. |
| 71911 C | 15° Угол контакта. |
| 71911 A | Двухрядный радиально-упорный шарикоподшипник без отверстия для смазки. |
| 71911 CDB | Однорядный радиально-упорный шарикоподшипник улучшенной конструкции с углом контакта 15°. |
| 71911 CDF | Механически обработанный сепаратор из стали или специального чугуна. Однорядный радиально-упорный шарикоподшипник улучшенной конструкции с углом контакта 15°. |
| 71911 CDT | Механически обработанный сепаратор из текстолита. Однорядный радиально-упорный шарикоподшипник улучшенной конструкции с углом контакта 15°. |
| 71911 FB/P7 | Точность размеров соответствует классу ISO 4. Точность хода лучше. чем ISO Class 4. 18° Угол контакта. High Speed Design. |
Модификации шарикового подшипника 71911 DB/P7 — это измененное основное конструктивное исполнение 71911, основные размеры (55x80x13) не отличаются.
| Обозначение | Гост | Конструктивные особенности |
|---|---|---|
| 6911-RZ | ISO | Один стальное уплотнение и одно резиновое. |
| 6911-2RZ | ISO | Шарикоподшипник. С уплотнением и низким коэффициентом трения с обеих сторон. Уплотнение состоит из шайбы из листовой стали с вулканизированной резиной. |
| 6911N | ISO | Канавка для стопорного кольца на наружном кольце. |
| SS 61911-ZZ | ISO | Защитные металлические шайбы с обеих сторон. |
| SS 61911-2RS | ISO | Резиновые уплотнения с каждой стороны подшипника. |
| 6911-2RD | ISO | Облегченное контактное уплотнение с двух сторон.. |
| 6911-2RU | ISO | Non Contact Type Friction Torque = Small High Speed Performance = Good Grease Sealing = Better Than ZZ-Type Dirt Resistance = Better Than ZZ-Type Water Resistance = Better Than ZZ / Inferior To 2RS Operating Temp. -30°C To + 100°C. |
| 6911ZZNR | ISO | Стальная шайба. Канавка и стопорное кольцо на наружном кольце. |
| 6911LLB | ISO | Уплотнение бесконтактного типа из синтетического каучука. |
| 6911LLU | ISO | Контактное резиновое уплотнение с двух сторон. |
| 9311K | ISO | Коническое отверстие. Конусность 1/12. |
| S61911-2RS | ISO | Резиновые уплотнения с каждой стороны подшипника. |
| 3NC HAR911C FT | ISO | Угол контакта 20 градусов. REINFORCED PHENOLIC CAGE. |
| 3NCHAC911CA | ISO | Угол контакта 20 градусов. Латунный сепаратор с симметричными роликами. |
| 3NCHAC911C | ISO | Угол контакта 20 градусов. |
| 3NCHAF911CA | ISO | Угол контакта 20 градусов. Латунный сепаратор с симметричными роликами. |
| 3NCHAR911 | ISO | Угол контакта 20 градусов. |
| 3NCHAR911CA | ISO | Угол контакта 20 градусов. Латунный сепаратор с симметричными роликами. |
| 3NCHAR911C | ISO | Угол контакта 20 градусов. |
| 1000911-А | ГОСТ | Повышенная грузоподъемность. |
Аналог шарикового подшипника 71911 DB/P7 — это подшипник такого же размера dx55,Dx80,Bx13, типа и конструкции.
| Обозначение | Конструктивные особенности | Внутренний (d) | Наружный (D) | Ширина (B) |
|---|---|---|---|---|
| 5S-2LA-BNS911ADLLBG/GNP42 | Шариковый радиально-упорный однорядный подшипник. Универсальный подшипник. Нитриловое бесконтактное уплотнение (-25 to +120°C). Класс точности JIS4 для размеров и JIS 2 для точности вращения. Угол контакта 25°. Гибридный подшипник. | 55.00 | 80.00 | 13.00 |
| 5S-2LA-BNS911CLLBG/GNP42 | Шариковый радиально-упорный однорядный подшипник. Угол контакта 15°. Универсальный подшипник. Нитриловое бесконтактное уплотнение (-25 to +120°C). Класс точности JIS4 для размеров и JIS 2 для точности вращения. Гибридный подшипник. | 55.00 | 80.00 | 13.00 |
| 5S-2LA-HSE911G/GNP42 | Шариковый радиально-упорный однорядный подшипник. Универсальный подшипник. Класс точности JIS4 для размеров и JIS 2 для точности вращения. Гибридный подшипник. | 55.00 | 80.00 | 13.00 |
| 5S-2LA-HSE911ADG/GNP42 | Шариковый радиально-упорный однорядный подшипник. Универсальный подшипник. Класс точности JIS4 для размеров и JIS 2 для точности вращения. Угол контакта 25°. Гибридный подшипник. | 55.00 | 80.00 | 13.00 |
| 1036911К | Шариковый радиально-упорный однорядный подшипник. «Замок» (скос) на внутреннем кольце плюс массивный сепаратор из текстолита. | 55.00 | 80.00 | 13.00 |
| 1046911К | Шариковый радиально-упорный однорядный подшипник. «Замок» (скос) на внутреннем кольце плюс массивный сепаратор из текстолита. | 55.00 | 80.00 | 13.00 |
| C71911 DB/P7 | Шариковый радиальный подшипник. Тороидальный подшипник CARB. Two Single Row Deep Groove Ball Bearings. Single Row Angular Contact Ball Bearings Or Single Row Tapered Roller Bearings Matched For Mounting In A Back-To-Back Arrangement. Точность размеров соответствует классу ISO 4. Точность хода лучше. чем ISO Class 4. | 55.00 | 80.00 | 13.00 |
| C71911 FB/P7 | Шариковый радиальный подшипник. Тороидальный подшипник CARB. Точность размеров соответствует классу ISO 4. Точность хода лучше. чем ISO Class 4. 18° Угол контакта. High Speed Design. | 55.00 | 80.00 | 13.00 |
| S71911 DB/P7 | Шариковый радиальный подшипник. Two Single Row Deep Groove Ball Bearings. Single Row Angular Contact Ball Bearings Or Single Row Tapered Roller Bearings Matched For Mounting In A Back-To-Back Arrangement. Точность размеров соответствует классу ISO 4. Точность хода лучше. чем ISO Class 4. | 55.00 | 80.00 | 13.00 |
| S71911 FB/P7 | Шариковый радиальный подшипник. Точность размеров соответствует классу ISO 4. Точность хода лучше. чем ISO Class 4. 18° Угол контакта. High Speed Design. | 55.00 | 80.00 | 13.00 |
| SC71911 DB/P7 | Шариковый радиальный подшипник. Two Single Row Deep Groove Ball Bearings. Single Row Angular Contact Ball Bearings Or Single Row Tapered Roller Bearings Matched For Mounting In A Back-To-Back Arrangement. Точность размеров соответствует классу ISO 4. Точность хода лучше. чем ISO Class 4. | 55.00 | 80.00 | 13.00 |
| SC71911 FB/P7 | Шариковый радиальный подшипник. Точность размеров соответствует классу ISO 4. Точность хода лучше. чем ISO Class 4. 18° Угол контакта. High Speed Design. | 55.00 | 80.00 | 13.00 |
| W 61911-2Z | Шариковый радиальный подшипник. Защитные металлические шайбы с обеих сторон подшипника. Нержавеющая сталь. | 55.00 | 80.00 | 13.00 |
| W 61911 | Шариковый радиальный подшипник. Нержавеющая сталь. | 55.00 | 80.00 | 13.00 |
| W 61911-2RS1 | Шариковый радиальный подшипник. Усиленные листовой сталью контактные уплотнения из акрилонитрил-бутадиенового каучука (NBR) с обеих сторон подшипника. Нержавеющая сталь. | 55.00 | 80.00 | 13.00 |
Способы доставки
Отправка через ведущие транспортные и курьерские компании: ПЭК, Деловые Линии, СДЭК, Байкал-Сервис, Энергия, КИТ, ЖелДорЭкспедиция.
Самовывоз возможен напрямую со склада в Москве.
Сроки доставки
Срок зависит от региона и выбранной транспортной компании. Все заказы комплектуются и отправляются в кратчайшие сроки со склада в Москве.
Надёжность и сохранность
Вся продукция упаковывается с учётом требований транспортировки. Мы гарантируем, что подшипники и комплектующие прибудут к заказчику в полной сохранности.
Доставка в страны ЕАЭС
Мы работаем с проверенными логистическими партнёрами, что позволяет оперативно доставлять заказы в Беларусь, Казахстан, Армению и другие страны ЕАЭС.
Варианты оплаты:
Минимальная сумма заказа и скидки:
Документы и гарантии:
Да, конечно! Наши технические специалисты готовы помочь вам с подбором точного аналога или замены подшипника. Просто позвоните нам по телефону +7 (495) 104-99-04 или напишите на почту zakaz@podsnab.ru.
Для оперативной консультации подготовьте, пожалуйста, имеющиеся данные: маркировку, размеры, тип оборудования или артикул старого подшипника.
Да, конечно! Мы высоко ценим долгосрочное сотрудничество и доверие клиентов по всей России. Для постоянных клиентов действует персональная система скидок.
Условия формируются индивидуально и зависят от:
Чтобы узнать свои условия и получить максимально выгодное предложение, свяжитесь с персональным менеджером или напишите нам на почту zakaz@podsnab.ru.
Вы можете оформить заказ несколькими способами:
Для оформления заказа от юридического лица свяжитесь с нашим отделом по работе с корпоративными клиентами по телефону +7 (495) 104-99-04 или напишите на email zakaz@podsnab.ru, прикрепив реквизиты вашей организации.
Мы оперативно подготовим коммерческое предложение и выставим счет.
Возврат товара надлежащего качества возможен в течение 10 дней с момента получения, если товар не был в употреблении, сохранен товарный вид, упаковка не вскрывалась и присутствуют все сопроводительные документы.
Возврат денежных средств осуществляется в течение 10 рабочих дней после проверки товара складом.
В соответствии с законодательством возврату не подлежат подшипники надлежащего качества, если отсутствует оригинальная упаковка или имеются следы монтажа.
В случае выявления брака или гарантийного случая мы гарантируем возврат или обмен товара.
Да, гарантийный срок хранения устанавливается заводом-изготовителем и в среднем составляет 2 года при соблюдении условий хранения: сухое помещение, оригинальная упаковка и смазка.
Точный срок для конкретного типа подшипника уточняйте у наших менеджеров.
Пн–Пт: с 8:00 до 17:00 (МСК).
Сб–Вс: выходные дни.
Заказы на сайте принимаются круглосуточно. Заявки, поступившие после окончания рабочего дня, обрабатываются на следующий рабочий день.
Минимальная сумма заказа для доставки составляет 3000 рублей. Самовывоз со склада возможен на любую сумму при наличии товара.
ООО «УралТехГрупп»
ИНН: 7415093830
КПП: 772401001
ОГРН: 1167456069021
Банк: ПАО Сбербанк
Р/с: 40702810838000475273
К/с: 30101810400000000225
БИК: 044525225
У подшипника 71911 DB/P7 пока нет отзывов. Вы можете стать первым покупателем, поделившимся своим мнением.