Поиск подшипника
Статьи
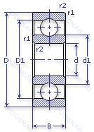
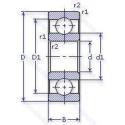
6-305 АК — Шариковый радиальный однорядный подшипник, модификация основного исполнения 305, производство ГПЗ.
Размер подшипника: 25x62x17 мм.
Повышенная грузоподъемность.
Аналоги: 6305P6Q6.
Государственный стандарт ГОСТ
6305АК
В наличии
| Обозначение | Конструктивные изменения |
|---|---|
| 305-А | Повышенная грузоподъемность. |
| 305-А/АС3 | Повышенная грузоподъемность. Смазка ВНИИНП-210. |
| 305-А1Е | Сепаратор из текстолита.. Повышенная грузоподъемность. |
| 305-А2Е | Сепаратор из текстолита.. Повышенная грузоподъемность. |
| 305-АЕ | Сепаратор из текстолита.. Повышенная грузоподъемность. |
| 305-АЕ1 | Сепаратор из текстолита.. Повышенная грузоподъемность. |
| 305-АК | Повышенная грузоподъемность. |
| 305-АШ | Повышенная грузоподъемность. Нормы шумности. |
| 305-Е | Сепаратор из текстолита.. |
| 305-Е5 | Сепаратор из текстолита.. |
| 305-К | «Замок» (скос) на внутреннем кольце плюс массивный сепаратор из текстолита. |
| 305-Ю | Все детали или часть деталей из нержавеющей стали.. |
| 305-1000091-ЮТ | Температура отпуска. 160°. Все детали или часть деталей из нержавеющей стали.. |
| 305E5 | Смазочные отверстия и канавки во внутреннем кольце. |
| 305Б | Сепаратор из безоловянистой бронзы.. |
| 305Ю1Т | Температура отпуска. 160°. Все детали или часть деталей из нержавеющей стали.. |
| 35-305 Б | Сепаратор из безоловянистой бронзы.. |
| 35-305 БТ2 | 200°. Температура отпуска. Сепаратор из безоловянистой бронзы.. |
| 36-305 Ю1Т | Температура отпуска. 160°. Все детали или часть деталей из нержавеющей стали.. |
| 36-305 Ю4 | Все детали или часть деталей из нержавеющей стали.. |
| 5-305-Б | Сепаратор из безоловянистой бронзы.. |
| 5-305 Е | Сепаратор из текстолита.. |
| 5-305-ЕШ2 | Сепаратор из текстолита.. Нормы шумности. |
| 5-305-ЕШ3 | Сепаратор из текстолита.. Нормы шумности. |
| 5-305-ЕШ5 | Сепаратор из текстолита.. Нормы шумности. |
Модификации шарикового подшипника 6-305 АК — это измененное основное конструктивное исполнение 305, основные размеры (25x62x17) не отличаются.
| Обозначение | Гост | Конструктивные особенности |
|---|---|---|
| 180305-АС17 | ГОСТ | Смазка Литол-24. Повышенная грузоподъемность. |
| 180305-АС17Ш | ГОСТ | Смазка Литол-24. Повышенная грузоподъемность. Нормы шумности. |
| 180305-АС9 | ГОСТ | Повышенная грузоподъемность. Смазка ЛЗ-31. |
| 180305-КС17 | ГОСТ | Смазка Литол-24. «Замок» (скос) на внутреннем кольце плюс массивный сепаратор из текстолита. |
| 180305-КС9 | ГОСТ | Смазка ЛЗ-31. |
| 2В0-160305 А | ГОСТ | Повышенная грузоподъемность. |
| 2В0-50305 А | ГОСТ | Повышенная грузоподъемность. |
| 50305-A | ГОСТ | Двухрядный радиально-упорный шарикоподшипник без отверстия для смазки. |
| 50305-А | ГОСТ | Повышенная грузоподъемность. |
| 50305-А1Е | ГОСТ | Сепаратор из текстолита.. Повышенная грузоподъемность. |
| 50305-А1К2 | ГОСТ | «Замок» (скос) на внутреннем кольце плюс массивный сепаратор из текстолита. Повышенная грузоподъемность. |
| 50305-АК | ГОСТ | Повышенная грузоподъемность. |
| 50305-АШ | ГОСТ | Повышенная грузоподъемность. Нормы шумности. |
| 50305-Е5 | ГОСТ | Сепаратор из текстолита.. |
| 50305E5 | ГОСТ | Смазочные отверстия и канавки во внутреннем кольце. |
| 50305А2Е | ГОСТ | Сепаратор из текстолита.. Повышенная грузоподъемность. |
| 50905-А1Е | ГОСТ | Сепаратор из текстолита.. Повышенная грузоподъемность. |
| 6-180305 А | ГОСТ | Повышенная грузоподъемность. |
| 6-180305 АС9 | ГОСТ | Повышенная грузоподъемность. Смазка ЛЗ-31. |
| 6-180305 С17 | ГОСТ | Смазка Литол-24. |
Аналог шарикового подшипника 6-305 АК — это подшипник такого же размера dx25,Dx62,Bx17, типа и конструкции.
| Обозначение | Конструктивные особенности | Внутренний (d) | Наружный (D) | Ширина (B) |
|---|---|---|---|---|
| 42305M | Роликовый радиальный однорядный подшипник. Подшипник с латунным сепаратором. центрированный по телам качения. | 25.00 | 62.00 | 17.00 |
| 42305АЕУШ1 | Роликовый радиальный однорядный подшипник. Сепаратор из текстолита.. Дополнительные технические требования. Повышенная грузоподъемность. Нормы шумности. | 25.00 | 62.00 | 17.00 |
| 42305ЛM | Роликовый радиальный однорядный подшипник. Подшипник с латунным сепаратором. центрированный по телам качения. Сепаратор из латуни.. | 25.00 | 62.00 | 17.00 |
| 43305ЕК | Роликовый радиальный сферический однорядный подшипник. Сепаратор из текстолита.. | 25.00 | 62.00 | 16.00 |
| 45-176305 ЕШ2 | Шариковый радиально-упорный однорядный подшипник. Сепаратор из текстолита.. Нормы шумности. | 25.00 | 62.00 | 17.00 |
| 46305-Л | Шариковый радиально-упорный однорядный подшипник. Сепаратор из латуни.. | 25.00 | 62.00 | 17.00 |
| 46305К | Шариковый радиально-упорный однорядный подшипник. «Замок» (скос) на внутреннем кольце плюс массивный сепаратор из текстолита. | 25.00 | 62.00 | 17.00 |
| 5-126305-Р | Шариковый радиально-упорный однорядный подшипник. Детали из теплоустойчивой (быстрорежущие) стали.. | 25.00 | 62.00 | 17.00 |
| 5-46305-Б | Шариковый радиально-упорный однорядный подшипник. Сепаратор из безоловянистой бронзы.. | 25.00 | 62.00 | 17.00 |
| 5-46305-Б1Т2 | Шариковый радиально-упорный однорядный подшипник. 200°. Температура отпуска. Сепаратор из безоловянистой бронзы.. | 25.00 | 62.00 | 17.00 |
| 5-46305-Е | Шариковый радиально-упорный однорядный подшипник. Сепаратор из текстолита.. | 25.00 | 62.00 | 17.00 |
| 5-46305-Л | Шариковый радиально-упорный однорядный подшипник. Сепаратор из латуни.. | 25.00 | 62.00 | 17.00 |
| 5-66305-КБТ2 | Шариковый радиально-упорный однорядный подшипник. «Замок» (скос) на внутреннем кольце плюс массивный сепаратор из текстолита. 200°. Температура отпуска. Сепаратор из безоловянистой бронзы.. | 25.00 | 62.00 | 17.00 |
| 6-126805 Е | Шариковый радиально-упорный однорядный подшипник. Сепаратор из текстолита.. | 25.00 | 62.00 | 17.00 |
| 6-1305 Л1 | Шариковый радиальный двухрядный подшипник. Сепаратор из латуни.. | 25.00 | 62.00 | 17.00 |
Способы доставки
Отправка через ведущие транспортные и курьерские компании: ПЭК, Деловые Линии, СДЭК, Байкал-Сервис, Энергия, КИТ, ЖелДорЭкспедиция.
Самовывоз возможен напрямую со склада в Москве.
Сроки доставки
Срок зависит от региона и выбранной транспортной компании. Все заказы комплектуются и отправляются в кратчайшие сроки со склада в Москве.
Надёжность и сохранность
Вся продукция упаковывается с учётом требований транспортировки. Мы гарантируем, что подшипники и комплектующие прибудут к заказчику в полной сохранности.
Доставка в страны ЕАЭС
Мы работаем с проверенными логистическими партнёрами, что позволяет оперативно доставлять заказы в Беларусь, Казахстан, Армению и другие страны ЕАЭС.
Варианты оплаты:
Минимальная сумма заказа и скидки:
Документы и гарантии:
Да, конечно! Наши технические специалисты готовы помочь вам с подбором точного аналога или замены подшипника. Просто позвоните нам по телефону +7 (495) 104-99-04 или напишите на почту zakaz@podsnab.ru.
Для оперативной консультации подготовьте, пожалуйста, имеющиеся данные: маркировку, размеры, тип оборудования или артикул старого подшипника.
Да, конечно! Мы высоко ценим долгосрочное сотрудничество и доверие клиентов по всей России. Для постоянных клиентов действует персональная система скидок.
Условия формируются индивидуально и зависят от:
Чтобы узнать свои условия и получить максимально выгодное предложение, свяжитесь с персональным менеджером или напишите нам на почту zakaz@podsnab.ru.
Вы можете оформить заказ несколькими способами:
Для оформления заказа от юридического лица свяжитесь с нашим отделом по работе с корпоративными клиентами по телефону +7 (495) 104-99-04 или напишите на email zakaz@podsnab.ru, прикрепив реквизиты вашей организации.
Мы оперативно подготовим коммерческое предложение и выставим счет.
Возврат товара надлежащего качества возможен в течение 10 дней с момента получения, если товар не был в употреблении, сохранен товарный вид, упаковка не вскрывалась и присутствуют все сопроводительные документы.
Возврат денежных средств осуществляется в течение 10 рабочих дней после проверки товара складом.
В соответствии с законодательством возврату не подлежат подшипники надлежащего качества, если отсутствует оригинальная упаковка или имеются следы монтажа.
В случае выявления брака или гарантийного случая мы гарантируем возврат или обмен товара.
Да, гарантийный срок хранения устанавливается заводом-изготовителем и в среднем составляет 2 года при соблюдении условий хранения: сухое помещение, оригинальная упаковка и смазка.
Точный срок для конкретного типа подшипника уточняйте у наших менеджеров.
Пн–Пт: с 8:00 до 17:00 (МСК).
Сб–Вс: выходные дни.
Заказы на сайте принимаются круглосуточно. Заявки, поступившие после окончания рабочего дня, обрабатываются на следующий рабочий день.
Минимальная сумма заказа для доставки составляет 3000 рублей. Самовывоз со склада возможен на любую сумму при наличии товара.
ООО «УралТехГрупп»
ИНН: 7415093830
КПП: 772401001
ОГРН: 1167456069021
Банк: ПАО Сбербанк
Р/с: 40702810838000475273
К/с: 30101810400000000225
БИК: 044525225
У подшипника 6-305 АК пока нет отзывов. Вы можете стать первым покупателем, поделившимся своим мнением.