Поиск подшипника
Статьи
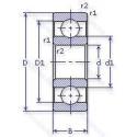
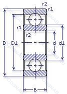
8-412 А — Шариковый радиальный однорядный подшипник, модификация основного исполнения 412, производство ГПЗ.
Размер подшипника: 60x150x35 мм.
Повышенная грузоподъемность.
Государственный стандарт ГОСТ
8412А
В наличии
| Обозначение | Конструктивные изменения |
|---|---|
| 6-412 А | Повышенная грузоподъемность. |
| 6-412 АКШ1 | Нормы шумности. Повышенная грузоподъемность. |
| 6-412 АКШ | Повышенная грузоподъемность. Нормы шумности. |
| 6-412 А1Ш1 | Повышенная грузоподъемность. Нормы шумности. |
| 6-412 А1Ш | Повышенная грузоподъемность. Нормы шумности. |
| 6-412 | Шариковый радиальный однорядный подшипник. |
| 6-412 АК | Повышенная грузоподъемность. |
| 7412 | Шариковый радиальный однорядный подшипник. |
| 70-412 АК | Повышенная грузоподъемность. |
| 412 | Шариковый радиальный однорядный подшипник. Основное конструктивное исполнение. |
| 412-А | Повышенная грузоподъемность. |
| 412-АК | Повышенная грузоподъемность. |
| 412-АКТ | Температура отпуска. 160°. Повышенная грузоподъемность. |
| 412-АКТ11 | 180°. Повышенная грузоподъемность. Температура отпуска. |
| 412-Ш | Нормы шумности. |
Модификации шарикового подшипника 8-412 А — это измененное основное конструктивное исполнение 412, основные размеры (60x150x35) не отличаются.
| Обозначение | Гост | Конструктивные особенности |
|---|---|---|
| 8-50412 А | ГОСТ | Повышенная грузоподъемность. |
| 170412-Е | ГОСТ | Сепаратор из текстолита.. |
| 5-170412 А1ЛШ2 | ГОСТ | Сепаратор из латуни.. Нормы шумности. Повышенная грузоподъемность. |
| 50412-АКШ | ГОСТ | Повышенная грузоподъемность. Нормы шумности. |
| 6-170412 АЛШ1 | ГОСТ | Сепаратор из латуни.. Повышенная грузоподъемность. Нормы шумности. |
| 6-170412 АЛШ | ГОСТ | Сепаратор из латуни.. Повышенная грузоподъемность. Нормы шумности. |
| 6-170412 А1ЛШ1 | ГОСТ | Сепаратор из латуни.. Повышенная грузоподъемность. Нормы шумности. |
| 6-50412 АКЛШ | ГОСТ | Сепаратор из латуни.. Повышенная грузоподъемность. Нормы шумности. |
| 6-50412 АКШ1 | ГОСТ | Нормы шумности. Повышенная грузоподъемность. |
| 6-50412 АКШ | ГОСТ | Повышенная грузоподъемность. Нормы шумности. |
| 6-50412 А1Ш1 | ГОСТ | Повышенная грузоподъемность. Нормы шумности. |
| 6-50412 А1Ш | ГОСТ | Повышенная грузоподъемность. Нормы шумности. |
| 6-50412 А | ГОСТ | Повышенная грузоподъемность. |
| SC1291LLU | ISO | Контактное резиновое уплотнение с двух сторон. |
| 170412-АК | ГОСТ | Повышенная грузоподъемность. |
| 170412-АКЛ | ГОСТ | Сепаратор из латуни.. Повышенная грузоподъемность. |
| 170412-АЛ | ГОСТ | Сепаратор из латуни.. Повышенная грузоподъемность. |
| 170412-Л | ГОСТ | Сепаратор из латуни.. |
| 50412-А | ГОСТ | Повышенная грузоподъемность. |
| 50412-АК | ГОСТ | Повышенная грузоподъемность. |
Аналог шарикового подшипника 8-412 А — это подшипник такого же размера dx60,Dx150,Bx35, типа и конструкции.
| Обозначение | Конструктивные особенности | Внутренний (d) | Наружный (D) | Ширина (B) |
|---|---|---|---|---|
| 66412-Л | Шариковый радиально-упорный однорядный подшипник. Сепаратор из латуни.. | 60.00 | 150.00 | 35.00 |
| 66412-ЛШ | Шариковый радиально-упорный однорядный подшипник. Сепаратор из латуни.. Нормы шумности. | 60.00 | 150.00 | 35.00 |
| 66412-ЛШ5У | Шариковый радиально-упорный однорядный подшипник. Сепаратор из латуни.. Дополнительные технические требования. Нормы шумности. | 60.00 | 150.00 | 35.00 |
| 66412-ЕШ1 | Шариковый радиально-упорный однорядный подшипник. Сепаратор из текстолита.. Нормы шумности. | 60.00 | 150.00 | 35.00 |
| 7-32412 К1 | Роликовый радиальный однорядный подшипник. Кольцевая проточка на середине цилиндрической наружной поверхности наружного кольца плюс три отверстия для смазки. | 60.00 | 150.00 | 35.00 |
| 7-32412 Л2 | Роликовый радиальный однорядный подшипник. Сепаратор из латуни.. | 60.00 | 130.00 | 35.00 |
| 42412-К2 | Роликовый радиальный однорядный подшипник. Кольцевая проточка на середине цилиндрической наружной поверхности наружного кольца плюс три отверстия для смазки. | 60.00 | 150.00 | 35.00 |
| 42412-КМ | Роликовый радиальный однорядный подшипник. Кольцевая проточка на середине цилиндрической наружной поверхности наружного кольца плюс три отверстия для смазки. Модифицированный контакт.. | 60.00 | 150.00 | 35.00 |
| 42412-Л | Роликовый радиальный однорядный подшипник. Сепаратор из латуни.. | 60.00 | 150.00 | 35.00 |
| 42412-Л2 | Роликовый радиальный однорядный подшипник. Сепаратор из латуни.. | 60.00 | 150.00 | 35.00 |
| 42412-ЛМ | Роликовый радиальный однорядный подшипник. Сепаратор из латуни.. Модифицированный контакт.. | 60.00 | 150.00 | 35.00 |
| 42412KM | Роликовый радиальный однорядный подшипник. Type Of Model. | 60.00 | 150.00 | 35.00 |
| 42412ЛM | Роликовый радиальный однорядный подшипник. Подшипник с латунным сепаратором. центрированный по телам качения. Сепаратор из латуни.. | 60.00 | 150.00 | 35.00 |
| 45-176412 Е1Ш2 | Шариковый радиально-упорный однорядный подшипник. Сепаратор из текстолита.. Нормы шумности. | 60.00 | 150.00 | 35.00 |
| 5-66412 КЛ | Шариковый радиально-упорный однорядный подшипник. «Замок» (скос) на внутреннем кольце плюс массивный сепаратор из текстолита. Сепаратор из латуни.. | 60.00 | 150.00 | 35.00 |
Способы доставки
Отправка через ведущие транспортные и курьерские компании: ПЭК, Деловые Линии, СДЭК, Байкал-Сервис, Энергия, КИТ, ЖелДорЭкспедиция.
Самовывоз возможен напрямую со склада в Москве.
Сроки доставки
Срок зависит от региона и выбранной транспортной компании. Все заказы комплектуются и отправляются в кратчайшие сроки со склада в Москве.
Надёжность и сохранность
Вся продукция упаковывается с учётом требований транспортировки. Мы гарантируем, что подшипники и комплектующие прибудут к заказчику в полной сохранности.
Доставка в страны ЕАЭС
Мы работаем с проверенными логистическими партнёрами, что позволяет оперативно доставлять заказы в Беларусь, Казахстан, Армению и другие страны ЕАЭС.
Варианты оплаты:
Минимальная сумма заказа и скидки:
Документы и гарантии:
Да, конечно! Наши технические специалисты готовы помочь вам с подбором точного аналога или замены подшипника. Просто позвоните нам по телефону +7 (495) 104-99-04 или напишите на почту zakaz@podsnab.ru.
Для оперативной консультации подготовьте, пожалуйста, имеющиеся данные: маркировку, размеры, тип оборудования или артикул старого подшипника.
Да, конечно! Мы высоко ценим долгосрочное сотрудничество и доверие клиентов по всей России. Для постоянных клиентов действует персональная система скидок.
Условия формируются индивидуально и зависят от:
Чтобы узнать свои условия и получить максимально выгодное предложение, свяжитесь с персональным менеджером или напишите нам на почту zakaz@podsnab.ru.
Вы можете оформить заказ несколькими способами:
Для оформления заказа от юридического лица свяжитесь с нашим отделом по работе с корпоративными клиентами по телефону +7 (495) 104-99-04 или напишите на email zakaz@podsnab.ru, прикрепив реквизиты вашей организации.
Мы оперативно подготовим коммерческое предложение и выставим счет.
Возврат товара надлежащего качества возможен в течение 10 дней с момента получения, если товар не был в употреблении, сохранен товарный вид, упаковка не вскрывалась и присутствуют все сопроводительные документы.
Возврат денежных средств осуществляется в течение 10 рабочих дней после проверки товара складом.
В соответствии с законодательством возврату не подлежат подшипники надлежащего качества, если отсутствует оригинальная упаковка или имеются следы монтажа.
В случае выявления брака или гарантийного случая мы гарантируем возврат или обмен товара.
Да, гарантийный срок хранения устанавливается заводом-изготовителем и в среднем составляет 2 года при соблюдении условий хранения: сухое помещение, оригинальная упаковка и смазка.
Точный срок для конкретного типа подшипника уточняйте у наших менеджеров.
Пн–Пт: с 8:00 до 17:00 (МСК).
Сб–Вс: выходные дни.
Заказы на сайте принимаются круглосуточно. Заявки, поступившие после окончания рабочего дня, обрабатываются на следующий рабочий день.
Минимальная сумма заказа для доставки составляет 3000 рублей. Самовывоз со склада возможен на любую сумму при наличии товара.
ООО «УралТехГрупп»
ИНН: 7415093830
КПП: 772401001
ОГРН: 1167456069021
Банк: ПАО Сбербанк
Р/с: 40702810838000475273
К/с: 30101810400000000225
БИК: 044525225
У подшипника 8-412 А пока нет отзывов. Вы можете стать первым покупателем, поделившимся своим мнением.