Поиск подшипника
Статьи
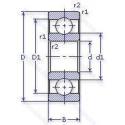
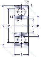
4-1000840 Б — Шариковый радиальный однорядный подшипник, модификация основного исполнения 1000840, производство ГПЗ.
Размер подшипника: 200x250x24 мм.
Сепаратор из безоловянистой бронзы.
Аналоги: 61840MA.
Государственный стандарт ГОСТ
41000840Б
В наличии
| Обозначение | Конструктивные изменения |
|---|---|
| 2-1000840 Б | Сепаратор из безоловянистой бронзы.. |
| 2-1000840 Л | Сепаратор из латуни.. |
| 4-1000840 Л | Сепаратор из латуни.. |
| 5-1000840 Б | Сепаратор из безоловянистой бронзы.. |
| 5-1000840 Л | Сепаратор из латуни.. |
| 6-1000840 Л | Сепаратор из латуни.. |
| 6-1000840 АЛШ1 | Сепаратор из латуни.. Повышенная грузоподъемность. Нормы шумности. |
| 8-1000840 Б | Сепаратор из безоловянистой бронзы.. |
| 1000840 | Шариковый радиальный однорядный подшипник. Основное конструктивное исполнение. |
| 1000840-АБ | Повышенная грузоподъемность. Сепаратор из безоловянистой бронзы.. |
| 1000840-Б | Сепаратор из безоловянистой бронзы.. |
| 1000840-Л | Сепаратор из латуни.. |
| 6-1000840 Б | Сепаратор из безоловянистой бронзы.. |
Модификации шарикового подшипника 4-1000840 Б — это измененное основное конструктивное исполнение 1000840, основные размеры (200x250x24) не отличаются.
| Обозначение | Гост | Конструктивные особенности |
|---|---|---|
| 61840MA | ISO | Механически обработанный латунный сепаратор. Центрирование по внешнему кольцу. |
| 61840 2BRS | ISO | Бесконтактные лабиринтные уплотнения с обеих сторон. |
| 61840 2URS | ISO | Специальное манжетное уплотнение с обеих сторон подшипника. |
| 61840 2Z | ISO | Защитные металлические шайбы с обеих сторон подшипника. |
| 61840 BRS | ISO | Бесконтактные лабиринтные уплотнения с одной стороны. |
| 61840 RS | ISO | Резиновое уплотнение с одной стороны. |
| 61840 URS | ISO | Шариковый радиальный однорядный подшипник. |
| 61840 Z | ISO | щит из листовой прессованной стали с одной стороны подшипника. |
| 6840-RZ | ISO | Один стальное уплотнение и одно резиновое. |
| 6840-2RZ | ISO | Шарикоподшипник. С уплотнением и низким коэффициентом трения с обеих сторон. Уплотнение состоит из шайбы из листовой стали с вулканизированной резиной. |
| 6840-Z | ISO | щит из листовой прессованной стали с одной стороны подшипника. |
| 6840-RS | ISO | Резиновое уплотнение с одной стороны. |
| 6840N | ISO | Канавка под стопорное кольцо на внешнем кольце. |
| 6840NR | ISO | Канавка под стопорное кольцо на наружном кольце с соответствующим стопорным кольцом. |
| 6840ALLU | ISO | Уплотнение из полиакрила. Двухкромочное нитриловое контактное уплотнение. |
Аналог шарикового подшипника 4-1000840 Б — это подшипник такого же размера dx200,Dx250,Bx24, типа и конструкции.
| Обозначение | Конструктивные особенности | Внутренний (d) | Наружный (D) | Ширина (B) |
|---|---|---|---|---|
| SL181840-A-BR-C3 | Однорядный цилиндрический роликовый подшипник. Внутренний зазор больше нормального. Особенность внутренней конструкции. Чёрный цвет. | 200.00 | 250.00 | 24.00 |
| 61840 2RS | Подшипник однорядный шариковый радиальный. Резиновые уплотнения с каждой стороны подшипника. | 200.00 | 250.00 | 24.00 |
| 6840M C3 | Подшипник однорядный шариковый радиальный. Внутренний зазор больше нормального. Подшипник с латунным сепаратором. центрированный по телам качения. | 200.00 | 250.00 | 24.00 |
| SL18-1840A C3 | Однорядный цилиндрический роликовый подшипник. Внутренний зазор больше нормального. Особенность внутренней конструкции. | 200.00 | 250.00 | 24.00 |
| SL18-1840E BR | Однорядный цилиндрический роликовый подшипник. Повышенная грузоподъемность. Чёрный цвет. | 200.00 | 250.00 | 24.00 |
| SL18-1840E C3 | Однорядный цилиндрический роликовый подшипник. Внутренний зазор больше нормального. Повышенная грузоподъемность. | 200.00 | 250.00 | 24.00 |
| 61840ZZ | Подшипник однорядный шариковый радиальный. Защитные металлические шайбы с обеих сторон. | 200.00 | 250.00 | 24.00 |
| 7840A | Подшипник шариковый однорядный радиально-упорный. 30° Угол контакта. | 200.00 | 250.00 | 24.00 |
| 305419D | Подшипник шариковый с четырехточечным контактом. Половина целого игольчатого валика. Применять суффикс 'D' в базовом номере. | 200.00 | 250.00 | 24.00 |
| 6840MA | Подшипник однорядный шариковый радиальный. Механически обработанный латунный сепаратор. Центрирование по внешнему кольцу. | 200.00 | 250.00 | 24.00 |
| 6840C3 | Подшипник однорядный шариковый радиальный. Внутренний зазор больше нормального. | 200.00 | 250.00 | 24.00 |
| SF4007VP-1 | Шариковый радиально-упорный однорядный подшипник. Number Of Carriages Per Rail Track. | 200.00 | 250.00 | 24.00 |
| SF4007PX1 | Шариковый радиально-упорный однорядный подшипник. Специальный допуск. | 200.00 | 250.00 | 25.00 |
| 71840 C | Шариковый радиально-упорный однорядный подшипник. 15° Угол контакта. | 200.00 | 250.00 | 24.00 |
| 71840 A | Шариковый радиально-упорный однорядный подшипник. Двухрядный радиально-упорный шарикоподшипник без отверстия для смазки. | 200.00 | 250.00 | 24.00 |
Способы доставки
Отправка через ведущие транспортные и курьерские компании: ПЭК, Деловые Линии, СДЭК, Байкал-Сервис, Энергия, КИТ, ЖелДорЭкспедиция.
Самовывоз возможен напрямую со склада в Москве.
Сроки доставки
Срок зависит от региона и выбранной транспортной компании. Все заказы комплектуются и отправляются в кратчайшие сроки со склада в Москве.
Надёжность и сохранность
Вся продукция упаковывается с учётом требований транспортировки. Мы гарантируем, что подшипники и комплектующие прибудут к заказчику в полной сохранности.
Доставка в страны ЕАЭС
Мы работаем с проверенными логистическими партнёрами, что позволяет оперативно доставлять заказы в Беларусь, Казахстан, Армению и другие страны ЕАЭС.
Варианты оплаты:
Минимальная сумма заказа и скидки:
Документы и гарантии:
Да, конечно! Наши технические специалисты готовы помочь вам с подбором точного аналога или замены подшипника. Просто позвоните нам по телефону +7 (495) 104-99-04 или напишите на почту zakaz@podsnab.ru.
Для оперативной консультации подготовьте, пожалуйста, имеющиеся данные: маркировку, размеры, тип оборудования или артикул старого подшипника.
Да, конечно! Мы высоко ценим долгосрочное сотрудничество и доверие клиентов по всей России. Для постоянных клиентов действует персональная система скидок.
Условия формируются индивидуально и зависят от:
Чтобы узнать свои условия и получить максимально выгодное предложение, свяжитесь с персональным менеджером или напишите нам на почту zakaz@podsnab.ru.
Вы можете оформить заказ несколькими способами:
Для оформления заказа от юридического лица свяжитесь с нашим отделом по работе с корпоративными клиентами по телефону +7 (495) 104-99-04 или напишите на email zakaz@podsnab.ru, прикрепив реквизиты вашей организации.
Мы оперативно подготовим коммерческое предложение и выставим счет.
Возврат товара надлежащего качества возможен в течение 10 дней с момента получения, если товар не был в употреблении, сохранен товарный вид, упаковка не вскрывалась и присутствуют все сопроводительные документы.
Возврат денежных средств осуществляется в течение 10 рабочих дней после проверки товара складом.
В соответствии с законодательством возврату не подлежат подшипники надлежащего качества, если отсутствует оригинальная упаковка или имеются следы монтажа.
В случае выявления брака или гарантийного случая мы гарантируем возврат или обмен товара.
Да, гарантийный срок хранения устанавливается заводом-изготовителем и в среднем составляет 2 года при соблюдении условий хранения: сухое помещение, оригинальная упаковка и смазка.
Точный срок для конкретного типа подшипника уточняйте у наших менеджеров.
Пн–Пт: с 8:00 до 17:00 (МСК).
Сб–Вс: выходные дни.
Заказы на сайте принимаются круглосуточно. Заявки, поступившие после окончания рабочего дня, обрабатываются на следующий рабочий день.
Минимальная сумма заказа для доставки составляет 3000 рублей. Самовывоз со склада возможен на любую сумму при наличии товара.
ООО «УралТехГрупп»
ИНН: 7415093830
КПП: 772401001
ОГРН: 1167456069021
Банк: ПАО Сбербанк
Р/с: 40702810838000475273
К/с: 30101810400000000225
БИК: 044525225
У подшипника 4-1000840 Б пока нет отзывов. Вы можете стать первым покупателем, поделившимся своим мнением.