Поиск подшипника
Статьи
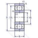
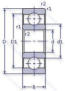
76-172 Л — Шариковый радиальный однорядный подшипник, модификация основного исполнения 172, производство ГПЗ.
Размер подшипника: 360x540x82 мм.
Сепаратор из латуни.
Аналоги: 6072MAP6.
Государственный стандарт ГОСТ
76172Л
В наличии
| Обозначение | Конструктивные изменения |
|---|---|
| 70-172 Л | Сепаратор из латуни.. |
| 172 | Шариковый радиальный однорядный подшипник. Основное конструктивное исполнение. |
| 172-Л | Сепаратор из латуни.. |
| 6-172 Л | Сепаратор из латуни.. |
Модификации шарикового подшипника 76-172 Л — это измененное основное конструктивное исполнение 172, основные размеры (360x540x82) не отличаются.
| Обозначение | Конструктивные особенности | Внутренний (d) | Наружный (D) | Ширина (B) |
|---|---|---|---|---|
| NUP1072 | Роликовый радиальный однорядный подшипник. Сталь сквозной закалки SUJ2 (японская) и взаимозаменяемость (только для метрических серий). Канавка под стопорное кольцо на наружном кольце подшипника. Точность размеров примерно соответствует классу точности Р4. Однорядный цилиндрический роликовый подшипник. Наружное кольцо имеет два борта. | 360.00 | 540.00 | 82.00 |
| NU1072-M6+HJ1072 | Роликовый радиальный однорядный подшипник. 20-28 UM (C3 & C4). | 360.00 | 540.00 | 82.00 |
| NU1072-MA6+HJ1072 | Роликовый радиальный однорядный подшипник. Изготовленный из двух частей латунный сепаратор. Центрирование по внешнему кольцу. Различные конструкции или сорта материалов обозначаются цифрой или буквой.. | 360.00 | 540.00 | 82.00 |
| NU1072-M6 | Роликовый радиальный однорядный подшипник. 20-28 UM (C3 & C4). | 360.00 | 540.00 | 82.00 |
| NU1072-M6E-MA6 | Роликовый радиальный однорядный подшипник. Изготовленный из двух частей латунный сепаратор. Центрирование по внешнему кольцу. Различные конструкции или сорта материалов обозначаются цифрой или буквой.. | 360.00 | 540.00 | 82.00 |
| 7072 AGM | Шариковый радиально-упорный подшипник. Измененная или модифицированная внутренняя конструкция при неизменных основных размерах. | 360.00 | 540.00 | 82.00 |
| QJ 1072 N2MA | Шариковый радиально-упорный подшипник. Измененная или модифицированная внутренняя конструкция при неизменных основных размерах. Шариковый подшипник с четырехточечным контактом. | 360.00 | 540.00 | 82.00 |
| 7072A | Шариковый радиально-упорный однорядный подшипник. Двухрядный радиально-упорный шарикоподшипник без отверстия для смазки. | 360.00 | 540.00 | 82.00 |
| 7072B | Шариковый радиально-упорный однорядный подшипник. Угол контакта 40 градусов. | 360.00 | 540.00 | 82.00 |
| QJ1072 | Шариковый радиально-упорный однорядный подшипник. Штампованный сепаратор из стального листа. Шариковый подшипник с четырех-точечным контактом. | 360.00 | 540.00 | 82.00 |
| AC725482B | Шариковый радиально-упорный однорядный подшипник. Угол контакта 40 градусов. | 360.00 | 539.50 | 82.00 |
| 146172-Г | Шариковый радиально-упорный однорядный подшипник. Сепаратор из черных металлов.. | 360.00 | 540.00 | 82.00 |
| 7172М | Роликовый радиальный-упорный однорядный подшипник. Модифицированный контакт.. | 360.00 | 540.00 | 82.00 |
| 42172-Л | Роликовый радиальный однорядный подшипник. Сепаратор из латуни.. | 360.00 | 540.00 | 82.00 |
| 6-146172 Г | Шариковый радиально-упорный однорядный подшипник. Сепаратор из черных металлов.. | 360.00 | 540.00 | 82.00 |
Способы доставки
Отправка через ведущие транспортные и курьерские компании: ПЭК, Деловые Линии, СДЭК, Байкал-Сервис, Энергия, КИТ, ЖелДорЭкспедиция.
Самовывоз возможен напрямую со склада в Москве.
Сроки доставки
Срок зависит от региона и выбранной транспортной компании. Все заказы комплектуются и отправляются в кратчайшие сроки со склада в Москве.
Надёжность и сохранность
Вся продукция упаковывается с учётом требований транспортировки. Мы гарантируем, что подшипники и комплектующие прибудут к заказчику в полной сохранности.
Доставка в страны ЕАЭС
Мы работаем с проверенными логистическими партнёрами, что позволяет оперативно доставлять заказы в Беларусь, Казахстан, Армению и другие страны ЕАЭС.
Варианты оплаты:
Минимальная сумма заказа и скидки:
Документы и гарантии:
Да, конечно! Наши технические специалисты готовы помочь вам с подбором точного аналога или замены подшипника. Просто позвоните нам по телефону +7 (495) 104-99-04 или напишите на почту zakaz@podsnab.ru.
Для оперативной консультации подготовьте, пожалуйста, имеющиеся данные: маркировку, размеры, тип оборудования или артикул старого подшипника.
Да, конечно! Мы высоко ценим долгосрочное сотрудничество и доверие клиентов по всей России. Для постоянных клиентов действует персональная система скидок.
Условия формируются индивидуально и зависят от:
Чтобы узнать свои условия и получить максимально выгодное предложение, свяжитесь с персональным менеджером или напишите нам на почту zakaz@podsnab.ru.
Вы можете оформить заказ несколькими способами:
Для оформления заказа от юридического лица свяжитесь с нашим отделом по работе с корпоративными клиентами по телефону +7 (495) 104-99-04 или напишите на email zakaz@podsnab.ru, прикрепив реквизиты вашей организации.
Мы оперативно подготовим коммерческое предложение и выставим счет.
Возврат товара надлежащего качества возможен в течение 10 дней с момента получения, если товар не был в употреблении, сохранен товарный вид, упаковка не вскрывалась и присутствуют все сопроводительные документы.
Возврат денежных средств осуществляется в течение 10 рабочих дней после проверки товара складом.
В соответствии с законодательством возврату не подлежат подшипники надлежащего качества, если отсутствует оригинальная упаковка или имеются следы монтажа.
В случае выявления брака или гарантийного случая мы гарантируем возврат или обмен товара.
Да, гарантийный срок хранения устанавливается заводом-изготовителем и в среднем составляет 2 года при соблюдении условий хранения: сухое помещение, оригинальная упаковка и смазка.
Точный срок для конкретного типа подшипника уточняйте у наших менеджеров.
Пн–Пт: с 8:00 до 17:00 (МСК).
Сб–Вс: выходные дни.
Заказы на сайте принимаются круглосуточно. Заявки, поступившие после окончания рабочего дня, обрабатываются на следующий рабочий день.
Минимальная сумма заказа для доставки составляет 3000 рублей. Самовывоз со склада возможен на любую сумму при наличии товара.
ООО «УралТехГрупп»
ИНН: 7415093830
КПП: 772401001
ОГРН: 1167456069021
Банк: ПАО Сбербанк
Р/с: 40702810838000475273
К/с: 30101810400000000225
БИК: 044525225
У подшипника 76-172 Л пока нет отзывов. Вы можете стать первым покупателем, поделившимся своим мнением.