Поиск подшипника
Статьи
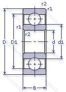
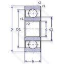
405-АК — Шариковый радиальный однорядный подшипник, модификация основного исполнения 405, производство ГПЗ.
Размер подшипника: 25x80x21 мм.
Повышенная грузоподъемность.
Государственный стандарт ГОСТ
405АК
В наличии
| Обозначение | Конструктивные изменения |
|---|---|
| 2-405 40К ЮТ | Температура отпуска. 160°. Все детали или часть деталей из нержавеющей стали.. |
| 6-405 А | Повышенная грузоподъемность. |
| 7-405 А | Повышенная грузоподъемность. |
| 8405 | Шариковый радиальный однорядный подшипник. |
| 6-405 АШ1 | Повышенная грузоподъемность. Нормы шумности. |
| 6-405 АШ | Повышенная грузоподъемность. Нормы шумности. |
| 6405 | Шариковый радиальный однорядный подшипник. |
| 405 | Шариковый радиальный однорядный подшипник. Основное конструктивное исполнение. |
| 405-А | Повышенная грузоподъемность. |
| 405-1000093 | Шариковый радиальный однорядный подшипник. |
| 405-1000093-П | Шариковый радиальный однорядный подшипник. |
Модификации шарикового подшипника 405-АК — это измененное основное конструктивное исполнение 405, основные размеры (25x80x21) не отличаются.
| Обозначение | Гост | Конструктивные особенности |
|---|---|---|
| 6405Z | ISO | Стальная шайба. |
| 970405 | ГОСТ | Шариковый радиальный однорядный подшипник. |
| 260705АТ | ГОСТ | Температура отпуска. 160°. Повышенная грузоподъемность. |
Аналог шарикового подшипника 405-АК — это подшипник такого же размера dx25,Dx80,Bx21, типа и конструкции.
| Обозначение | Конструктивные особенности | Внутренний (d) | Наружный (D) | Ширина (B) |
|---|---|---|---|---|
| 2311M/P63 | Подшипник шариковый двухрядный самоустанавливающийся. Подшипник с латунным сепаратором. центрированный по телам качения. Комбинация P6 (Точность размеров и пробега в соответствии с классом допуска ISO 6 (лучше нормы)) и C3 (Внутренний зазор больше нормы). | 25.00 | 80.00 | 21.00 |
| 7405DU | Подшипник шариковый однорядный радиально-упорный. Дуплекс. | 25.00 | 80.00 | 21.00 |
| 7405P | Подшипник шариковый однорядный радиально-упорный. Single-Row Angular Contact. Counterbored Outer Ring. Heavy Duty Bearing. With 40° Угол контакта. | 25.00 | 80.00 | 21.00 |
| NJ405-M1-X5 | Однорядный цилиндрический роликовый подшипник. Механически обработанный латунный сепаратор. вращающийся элемент качения (крестовина на заклепках). Промышленная упаковка. | 25.00 | 80.00 | 21.00 |
| 20405MB | Подшипник роликовый сферический. сепаратор из латуни. центрированный по внутреннему кольцу. | 25.00 | 80.00 | 21.00 |
| 7405BM | Подшипник шариковый однорядный радиально-упорный. 40° Угол контакта. Механически обработанный латунный сепаратор. центрируемый по шарикам. Разные конструкции или материалы обозначаются цифрой после буквы М. например. М2. | 25.00 | 80.00 | 21.00 |
| 6405J30 | Подшипник однорядный шариковый радиальный. Внутренний зазор больше нормального. | 25.00 | 80.00 | 21.00 |
| NU405W | Однорядный цилиндрический роликовый подшипник. Подшипник без смазочных отверстий в наружном кольце. | 25.00 | 80.00 | 21.00 |
| 6405ZZ AS2S | Подшипник однорядный шариковый радиальный. Стандартное заполнение. Защитные металлические шайбы с обеих сторон. 1/4 Full. Смазка Aeroshell 7. | 25.00 | 80.00 | 21.00 |
| 6405ZZ C3/D4MS | Подшипник однорядный шариковый радиальный. Стандартное заполнение. Внутренний зазор больше нормального. Защитные стальные шайбы с обеих сторон. Toray Silicone SH44M - Base Oil/ Phlorosilicon - Thickener/ Lithium - Min. Temp/ -40°C - Max. Temp/ +180°C - High Temperature Grease. | 25.00 | 80.00 | 21.00 |
| NF405W | Однорядный цилиндрический роликовый подшипник. Цельный прессованный сепаратор. | 25.00 | 80.00 | 21.00 |
| NJ405C3 FY | Однорядный цилиндрический роликовый подшипник. Внутренний зазор больше нормального. Обработанный латунный сепаратор. | 25.00 | 80.00 | 21.00 |
| NJ405-M+HJ405 | Роликовый радиальный однорядный подшипник. Подшипник с латунным сепаратором. центрированный по телам качения. | 25.00 | 80.00 | 21.00 |
| 7405A | Шариковый радиально-упорный однорядный подшипник. Двухрядный радиально-упорный шарикоподшипник без отверстия для смазки. | 25.00 | 80.00 | 21.00 |
| 7405B | Шариковый радиально-упорный однорядный подшипник. Угол контакта 40 градусов. | 25.00 | 80.00 | 21.00 |
Способы доставки
Отправка через ведущие транспортные и курьерские компании: ПЭК, Деловые Линии, СДЭК, Байкал-Сервис, Энергия, КИТ, ЖелДорЭкспедиция.
Самовывоз возможен напрямую со склада в Москве.
Сроки доставки
Срок зависит от региона и выбранной транспортной компании. Все заказы комплектуются и отправляются в кратчайшие сроки со склада в Москве.
Надёжность и сохранность
Вся продукция упаковывается с учётом требований транспортировки. Мы гарантируем, что подшипники и комплектующие прибудут к заказчику в полной сохранности.
Доставка в страны ЕАЭС
Мы работаем с проверенными логистическими партнёрами, что позволяет оперативно доставлять заказы в Беларусь, Казахстан, Армению и другие страны ЕАЭС.
Варианты оплаты:
Минимальная сумма заказа и скидки:
Документы и гарантии:
Да, конечно! Наши технические специалисты готовы помочь вам с подбором точного аналога или замены подшипника. Просто позвоните нам по телефону +7 (495) 104-99-04 или напишите на почту zakaz@podsnab.ru.
Для оперативной консультации подготовьте, пожалуйста, имеющиеся данные: маркировку, размеры, тип оборудования или артикул старого подшипника.
Да, конечно! Мы высоко ценим долгосрочное сотрудничество и доверие клиентов по всей России. Для постоянных клиентов действует персональная система скидок.
Условия формируются индивидуально и зависят от:
Чтобы узнать свои условия и получить максимально выгодное предложение, свяжитесь с персональным менеджером или напишите нам на почту zakaz@podsnab.ru.
Вы можете оформить заказ несколькими способами:
Для оформления заказа от юридического лица свяжитесь с нашим отделом по работе с корпоративными клиентами по телефону +7 (495) 104-99-04 или напишите на email zakaz@podsnab.ru, прикрепив реквизиты вашей организации.
Мы оперативно подготовим коммерческое предложение и выставим счет.
Возврат товара надлежащего качества возможен в течение 10 дней с момента получения, если товар не был в употреблении, сохранен товарный вид, упаковка не вскрывалась и присутствуют все сопроводительные документы.
Возврат денежных средств осуществляется в течение 10 рабочих дней после проверки товара складом.
В соответствии с законодательством возврату не подлежат подшипники надлежащего качества, если отсутствует оригинальная упаковка или имеются следы монтажа.
В случае выявления брака или гарантийного случая мы гарантируем возврат или обмен товара.
Да, гарантийный срок хранения устанавливается заводом-изготовителем и в среднем составляет 2 года при соблюдении условий хранения: сухое помещение, оригинальная упаковка и смазка.
Точный срок для конкретного типа подшипника уточняйте у наших менеджеров.
Пн–Пт: с 8:00 до 17:00 (МСК).
Сб–Вс: выходные дни.
Заказы на сайте принимаются круглосуточно. Заявки, поступившие после окончания рабочего дня, обрабатываются на следующий рабочий день.
Минимальная сумма заказа для доставки составляет 3000 рублей. Самовывоз со склада возможен на любую сумму при наличии товара.
ООО «УралТехГрупп»
ИНН: 7415093830
КПП: 772401001
ОГРН: 1167456069021
Банк: ПАО Сбербанк
Р/с: 40702810838000475273
К/с: 30101810400000000225
БИК: 044525225
У подшипника 405-АК пока нет отзывов. Вы можете стать первым покупателем, поделившимся своим мнением.