Поиск подшипника
Статьи
5-1000805-АШ2 — Шариковый радиальный однорядный подшипник, модификация основного исполнения 1000805, производство ГПЗ.
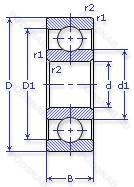
Размер подшипника: 25x37x7 мм.
Нормы шумности, повышенная грузоподъемность.
Государственный стандарт ГОСТ
51000805АШ2
В наличии
| Обозначение | Конструктивные изменения |
|---|---|
| 1000805-Е5 | Сепаратор из текстолита.. |
| 6-1000805 АКШ1 | Нормы шумности. Повышенная грузоподъемность. |
| 6-1000805 АКШ | Повышенная грузоподъемность. Нормы шумности. |
| 6-1000805 АШ1 | Повышенная грузоподъемность. Нормы шумности. |
| 6-1000805 АШ | Повышенная грузоподъемность. Нормы шумности. |
| 6-1000805 А | Повышенная грузоподъемность. |
| 6-1000805 Е | Сепаратор из текстолита.. |
| 7-1000805 | Шариковый радиальный однорядный подшипник. |
| 1000805 | Шариковый радиальный однорядный подшипник. Основное конструктивное исполнение. |
| 1000805-ZZ | Защитные металлические шайбы с обеих сторон. |
| 1000805-А | Повышенная грузоподъемность. |
| 1000805-АЕ | Сепаратор из текстолита.. Повышенная грузоподъемность. |
| 1000805-Е | Сепаратор из текстолита.. |
| 1000805-Л | Сепаратор из латуни.. |
| 1000805.2RS | Резиновые уплотнения с каждой стороны подшипника. |
| 1000805E5 | Смазочные отверстия и канавки во внутреннем кольце. |
| 5-1000805 | Шариковый радиальный однорядный подшипник. |
| 5-1000805 E | Повышенная грузоподъемность. |
| 5-1000805-Л | Сепаратор из латуни.. |
| 5-1000805-Ю2Т | Температура отпуска. 160°. Все детали или часть деталей из нержавеющей стали.. |
| 5-1000805 Ю2Т3 | 250°. Все детали или часть деталей из нержавеющей стали.. Температура отпуска. |
| 6-1000805 Л | Сепаратор из латуни.. |
| 6-1000805 ЛТ2 | Сепаратор из латуни.. 200°. Температура отпуска. |
| 6-1000805 Ю | Все детали или часть деталей из нержавеющей стали.. |
| 6-1000805 Ю1Т | Температура отпуска. 160°. Все детали или часть деталей из нержавеющей стали.. |
Модификации шарикового подшипника 5-1000805-АШ2 — это измененное основное конструктивное исполнение 1000805, основные размеры (25x37x7) не отличаются.
| Обозначение | Гост | Конструктивные особенности |
|---|---|---|
| F6805ZZ | ISO | Защитные металлические шайбы с обеих сторон. |
| 6805N | ISO | Канавка для стопорного кольца на наружном кольце. |
| 6805NSE | ISO | Резиновое уплотнение с одной стороны. |
| 6805-2NSE | ISO | Резиновые уплотнения с каждой стороны подшипника. |
| 6805ZE | ISO | щит из листовой прессованной стали с одной стороны подшипника. |
| 6805-2NKE | ISO | Double Labyrinth Seal (Non Contact). |
| 6805ZZE | ISO | Шариковый радиальный однорядный подшипник. |
| SC0596 | ISO | Механически обработанный сепаратор. |
| SC05A82 | ISO | Уплотнение из полиакрила. |
| 6805LLUN | ISO | Канавка для стопорного кольца на наружном кольце. Двухкромочное нитриловое контактное уплотнение. |
| 6805LU | ISO | Двухкромочное нитриловое контактное уплотнение. |
| 6805LBLU | ISO | Двухкромочное нитриловое контактное уплотнение. Бесконтактное нитриловое уплотнение. |
| 6805LLU | ISO | Контактное резиновое уплотнение с двух сторон. |
| W 61805 R-2Z | ISO | Защитные металлические шайбы с обеих сторон подшипника. Нержавеющая сталь. С выпуклыми асимметричными роликами и обработанным сепаратором. |
| W 61805 R | ISO | Нержавеющая сталь. С выпуклыми асимметричными роликами и обработанным сепаратором. |
| S61805-2Z | ISO | Защитные металлические шайбы с обеих сторон подшипника. |
| SF61805-2RS | ISO | Резиновые уплотнения с каждой стороны подшипника. |
| SF61805-2Z | ISO | Защитные металлические шайбы с обеих сторон подшипника. |
| F61805-2RS | ISO | Резиновые уплотнения с каждой стороны подшипника. |
| F61805-2Z | ISO | Защитные металлические шайбы с обеих сторон подшипника. |
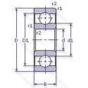
Аналог шарикового подшипника 5-1000805-АШ2 — это подшипник такого же размера dx25,Dx37,Bx7, типа и конструкции.
| Обозначение | Конструктивные особенности | Внутренний (d) | Наружный (D) | Ширина (B) |
|---|---|---|---|---|
| 71805 ACD/HCP4 | Шариковый радиально-упорный однорядный подшипник. Однорядный с улучшенной конструкцией и углом контакта 25°. | 25.00 | 37.00 | 7.00 |
| 71805 ACD/P4 | Шариковый радиально-упорный однорядный подшипник. Однорядный с улучшенной конструкцией и углом контакта 25°. Класс точности. | 25.00 | 37.00 | 7.00 |
| 71805 CD/P4 | Шариковый радиально-упорный однорядный подшипник. Двухкомпонентный штампованный стальной сепаратор с направляющим кольцом. Класс точности. | 25.00 | 37.00 | 7.00 |
| 71805 CD/HCP4 | Шариковый радиально-упорный однорядный подшипник. Двухкомпонентный штампованный стальной сепаратор с направляющим кольцом. | 25.00 | 37.00 | 7.00 |
| SEA25/NS 7CE1 | Шариковый радиально-упорный однорядный подшипник. Шарики из нитрида кремния Si3N4 (гибридные подшипники). Керамические шарики. | 25.00 | 37.00 | 7.00 |
| SEA25/NS 7CE3 | Шариковый радиально-упорный однорядный подшипник. Шарики из нитрида кремния Si3N4 (гибридные подшипники). Керамические шарики. | 25.00 | 37.00 | 7.00 |
| 7805C | Шариковый радиально-упорный однорядный подшипник. Угол контакта 15°. | 25.00 | 37.00 | 7.00 |
| 71805 C | Шариковый радиально-упорный однорядный подшипник. 15° Угол контакта. | 25.00 | 37.00 | 7.00 |
| 71805 A | Шариковый радиально-упорный однорядный подшипник. Двухрядный радиально-упорный шарикоподшипник без отверстия для смазки. | 25.00 | 37.00 | 7.00 |
| W 61805-2RS1 | Шариковый радиальный подшипник. Усиленные листовой сталью контактные уплотнения из акрилонитрил-бутадиенового каучука (NBR) с обеих сторон подшипника. Нержавеющая сталь. | 25.00 | 37.00 | 7.00 |
| W 61805 | Шариковый радиальный подшипник. Нержавеющая сталь. | 25.00 | 37.00 | 7.00 |
| W 61805-2RZ | Шариковый радиальный подшипник. Шарикоподшипник. С уплотнением и низким коэффициентом трения с обеих сторон. Уплотнение состоит из шайбы из листовой стали с вулканизированной резиной. Нержавеющая сталь. | 25.00 | 37.00 | 7.00 |
| W 61805-2Z | Шариковый радиальный подшипник. Защитные металлические шайбы с обеих сторон подшипника. Нержавеющая сталь. | 25.00 | 37.00 | 7.00 |
| 1008905-Ю | Шариковый упорный однорядный подшипник. Все детали или часть деталей из нержавеющей стали.. | 25.00 | 37.00 | 8.00 |
| 6-1008905 Ю | Шариковый упорный однорядный подшипник. Все детали или часть деталей из нержавеющей стали.. | 25.00 | 37.00 | 8.00 |
Способы доставки
Отправка через ведущие транспортные и курьерские компании: ПЭК, Деловые Линии, СДЭК, Байкал-Сервис, Энергия, КИТ, ЖелДорЭкспедиция.
Самовывоз возможен напрямую со склада в Москве.
Сроки доставки
Срок зависит от региона и выбранной транспортной компании. Все заказы комплектуются и отправляются в кратчайшие сроки со склада в Москве.
Надёжность и сохранность
Вся продукция упаковывается с учётом требований транспортировки. Мы гарантируем, что подшипники и комплектующие прибудут к заказчику в полной сохранности.
Доставка в страны ЕАЭС
Мы работаем с проверенными логистическими партнёрами, что позволяет оперативно доставлять заказы в Беларусь, Казахстан, Армению и другие страны ЕАЭС.
Варианты оплаты:
Минимальная сумма заказа и скидки:
Документы и гарантии:
Да, конечно! Наши технические специалисты готовы помочь вам с подбором точного аналога или замены подшипника. Просто позвоните нам по телефону +7 (495) 104-99-04 или напишите на почту zakaz@podsnab.ru.
Для оперативной консультации подготовьте, пожалуйста, имеющиеся данные: маркировку, размеры, тип оборудования или артикул старого подшипника.
Да, конечно! Мы высоко ценим долгосрочное сотрудничество и доверие клиентов по всей России. Для постоянных клиентов действует персональная система скидок.
Условия формируются индивидуально и зависят от:
Чтобы узнать свои условия и получить максимально выгодное предложение, свяжитесь с персональным менеджером или напишите нам на почту zakaz@podsnab.ru.
Вы можете оформить заказ несколькими способами:
Для оформления заказа от юридического лица свяжитесь с нашим отделом по работе с корпоративными клиентами по телефону +7 (495) 104-99-04 или напишите на email zakaz@podsnab.ru, прикрепив реквизиты вашей организации.
Мы оперативно подготовим коммерческое предложение и выставим счет.
Возврат товара надлежащего качества возможен в течение 10 дней с момента получения, если товар не был в употреблении, сохранен товарный вид, упаковка не вскрывалась и присутствуют все сопроводительные документы.
Возврат денежных средств осуществляется в течение 10 рабочих дней после проверки товара складом.
В соответствии с законодательством возврату не подлежат подшипники надлежащего качества, если отсутствует оригинальная упаковка или имеются следы монтажа.
В случае выявления брака или гарантийного случая мы гарантируем возврат или обмен товара.
Да, гарантийный срок хранения устанавливается заводом-изготовителем и в среднем составляет 2 года при соблюдении условий хранения: сухое помещение, оригинальная упаковка и смазка.
Точный срок для конкретного типа подшипника уточняйте у наших менеджеров.
Пн–Пт: с 8:00 до 17:00 (МСК).
Сб–Вс: выходные дни.
Заказы на сайте принимаются круглосуточно. Заявки, поступившие после окончания рабочего дня, обрабатываются на следующий рабочий день.
Минимальная сумма заказа для доставки составляет 3000 рублей. Самовывоз со склада возможен на любую сумму при наличии товара.
ООО «УралТехГрупп»
ИНН: 7415093830
КПП: 772401001
ОГРН: 1167456069021
Банк: ПАО Сбербанк
Р/с: 40702810838000475273
К/с: 30101810400000000225
БИК: 044525225
У подшипника 5-1000805-АШ2 пока нет отзывов. Вы можете стать первым покупателем, поделившимся своим мнением.