Поиск подшипника
Статьи
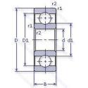
5-107 АШ2 — Шариковый радиальный однорядный подшипник, модификация основного исполнения 107, производство ГПЗ.
Размер подшипника: 35x62x14 мм.
Нормы шумности, повышенная грузоподъемность.
Государственный стандарт ГОСТ
5107АШ2
В наличии
| Обозначение | Конструктивные изменения |
|---|---|
| 8-107 А | Повышенная грузоподъемность. |
| 6-107 Е1 | Сепаратор из текстолита.. |
| 107-Е | Сепаратор из текстолита.. |
| 6-107 АШ1 | Повышенная грузоподъемность. Нормы шумности. |
| 6-107 АШ | Повышенная грузоподъемность. Нормы шумности. |
| 6-107 А1Ш1 | Повышенная грузоподъемность. Нормы шумности. |
| 6-107 А1Ш | Повышенная грузоподъемность. Нормы шумности. |
| 6-107 А2Ш1 | Повышенная грузоподъемность. Нормы шумности. |
| 6-107 А3Ш1 | Повышенная грузоподъемность. Нормы шумности. |
| 76-107 АШ1 | Повышенная грузоподъемность. Нормы шумности. |
| 76-107 АШ | Повышенная грузоподъемность. Нормы шумности. |
| 76-107 Ш | Нормы шумности. |
| 70-107 А | Повышенная грузоподъемность. |
| 75-107 Б | Сепаратор из безоловянистой бронзы.. |
| 75-107 Р | Детали из теплоустойчивой (быстрорежущие) стали.. |
| 107-А | Повышенная грузоподъемность. |
| 107-Е1 | Сепаратор из текстолита.. |
| 4-107 Ю1 | Все детали или часть деталей из нержавеющей стали.. |
| 5-107 Б | Сепаратор из безоловянистой бронзы.. |
| 5-107 БТ | Температура отпуска. 160°. Сепаратор из безоловянистой бронзы.. |
| 5-107 Р | Детали из теплоустойчивой (быстрорежущие) стали.. |
| 5-107 Ю1 | Все детали или часть деталей из нержавеющей стали.. |
| 5-107 Ю1Ш2У | Дополнительные технические требования. Нормы шумности. Все детали или часть деталей из нержавеющей стали.. |
| 6-107 А | Повышенная грузоподъемность. |
| 6-107 АЕ1 | Сепаратор из текстолита.. Повышенная грузоподъемность. |
Модификации шарикового подшипника 5-107 АШ2 — это измененное основное конструктивное исполнение 107, основные размеры (35x62x14) не отличаются.
| Обозначение | Гост | Конструктивные особенности |
|---|---|---|
| EC-6007ZZ | ISO | Защитные металлические шайбы с обеих сторон. Подшипник с компенсацией теплового расширения для общего применения. |
| BB1-0207B | ISO | Конический роликовый подшипник. Угол контакта 20 градусов. |
| AB44233S01 | ISO | Сферический наружный диаметр. |
| 9107KG | ISO | Серия с закрепительной втулкой и смазочным отверстием. |
| 9107KDD | ISO | Защитные металлические шайбы по обе стороны подшипника с цилиндрическим наружным диаметром. |
| 9107P | ISO | Сеаратор из литого полиамида 6.6. армированного стекловолокном. |
| P6007-SB | ISO | Double Row. Angular Contact. Non-Filling Notch Bearing. With Outwardly Convergent Угол контактаs. Rigid Design. |
| P6007-GB | ISO | Подшипник для универсального монтажа. Два подшипника. установленные по О-образной или Х-образной схеме. имеют средний преднатяг. |
| S6007-2Z | ISO | Защитные металлические шайбы с обеих сторон подшипника. |
| 3NC 7007 FT | ISO | REINFORCED PHENOLIC CAGE. |
| 3NC HAR007C FT | ISO | Угол контакта 20 градусов. REINFORCED PHENOLIC CAGE. |
| 3NCHAC007CA | ISO | Угол контакта 20 градусов. Латунный сепаратор с симметричными роликами. |
| 3NCHAC007C | ISO | Угол контакта 20 градусов. |
| 3NCHAD007CA | ISO | Угол контакта 20 градусов. Латунный сепаратор с симметричными роликами. |
| 3NCHAF007CA | ISO | Угол контакта 20 градусов. Латунный сепаратор с симметричными роликами. |
| 3NCHAR007CA | ISO | Угол контакта 20 градусов. Латунный сепаратор с симметричными роликами. |
| 3NCHAR007 | ISO | Угол контакта 20 градусов. |
| 3NCHAR007C | ISO | Угол контакта 20 градусов. |
| 180107-А | ГОСТ | Повышенная грузоподъемность. |
| 180107-С17 | ГОСТ | Смазка Литол-24. |
Аналог шарикового подшипника 5-107 АШ2 — это подшипник такого же размера dx35,Dx62,Bx14, типа и конструкции.
| Обозначение | Конструктивные особенности | Внутренний (d) | Наружный (D) | Ширина (B) |
|---|---|---|---|---|
| C7007 FB/P7 | Шариковый радиальный подшипник. Тороидальный подшипник CARB. Точность размеров соответствует классу ISO 4. Точность хода лучше. чем ISO Class 4. 18° Угол контакта. High Speed Design. | 35.00 | 62.00 | 14.00 |
| S7007 DB/P7 | Шариковый радиальный подшипник. Two Single Row Deep Groove Ball Bearings. Single Row Angular Contact Ball Bearings Or Single Row Tapered Roller Bearings Matched For Mounting In A Back-To-Back Arrangement. Точность размеров соответствует классу ISO 4. Точность хода лучше. чем ISO Class 4. | 35.00 | 62.00 | 14.00 |
| S7007 FB/P7 | Шариковый радиальный подшипник. Точность размеров соответствует классу ISO 4. Точность хода лучше. чем ISO Class 4. 18° Угол контакта. High Speed Design. | 35.00 | 62.00 | 14.00 |
| SC7007 DB/P7 | Шариковый радиальный подшипник. Two Single Row Deep Groove Ball Bearings. Single Row Angular Contact Ball Bearings Or Single Row Tapered Roller Bearings Matched For Mounting In A Back-To-Back Arrangement. Точность размеров соответствует классу ISO 4. Точность хода лучше. чем ISO Class 4. | 35.00 | 62.00 | 14.00 |
| SC7007 FB/P7 | Шариковый радиальный подшипник. Точность размеров соответствует классу ISO 4. Точность хода лучше. чем ISO Class 4. 18° Угол контакта. High Speed Design. | 35.00 | 62.00 | 14.00 |
| B34Z-5E1 | Шариковый радиальный подшипник. Подшипник со специальными размерами. щит из листовой прессованной стали с одной стороны подшипника. | 34.29 | 62.00 | 14.00 |
| W 6007-2RZ | Шариковый радиальный подшипник. Шарикоподшипник. С уплотнением и низким коэффициентом трения с обеих сторон. Уплотнение состоит из шайбы из листовой стали с вулканизированной резиной. Нержавеющая сталь. | 35.00 | 62.00 | 14.00 |
| W 6007-2RS1/VP311 | Шариковый радиальный подшипник. Усиленные листовой сталью контактные уплотнения из акрилонитрил-бутадиенового каучука (NBR) с обеих сторон подшипника. Нержавеющая сталь. SKF Food Line Bearing/ Blue-Coloured Contact Seal Made Of FDA and EC Approved NBR And Lubricant (GFJ) Registered By NSF As Category H1. | 35.00 | 62.00 | 14.00 |
| 6-2107 Б | Роликовый радиальный однорядный подшипник. Сепаратор из безоловянистой бронзы.. | 35.00 | 62.00 | 14.00 |
| 6-36107 Е | Шариковый радиально-упорный однорядный подшипник. Сепаратор из текстолита.. | 35.00 | 62.00 | 14.00 |
| 6-46107 Л | Шариковый радиально-упорный однорядный подшипник. Сепаратор из латуни.. | 35.00 | 62.00 | 14.00 |
| NU 1007 ECPH | Роликовый радиальный однорядный подшипник. Однорядный цилиндрический роликовый подшипник. | 35.00 | 62.00 | 14.00 |
| 436107КЕ5 | Шариковый радиально-упорный сдвоенный подшипник. «Замок» (скос) на внутреннем кольце плюс массивный сепаратор из текстолита. Сепаратор из текстолита.. | 35.00 | 62.00 | 14.00 |
| 46107К | Шариковый радиально-упорный однорядный подшипник. «Замок» (скос) на внутреннем кольце плюс массивный сепаратор из текстолита. | 35.00 | 62.00 | 14.00 |
| 5-36107 КЕ | Шариковый радиально-упорный однорядный подшипник. «Замок» (скос) на внутреннем кольце плюс массивный сепаратор из текстолита. Сепаратор из текстолита.. | 35.00 | 62.00 | 14.00 |
Способы доставки
Отправка через ведущие транспортные и курьерские компании: ПЭК, Деловые Линии, СДЭК, Байкал-Сервис, Энергия, КИТ, ЖелДорЭкспедиция.
Самовывоз возможен напрямую со склада в Москве.
Сроки доставки
Срок зависит от региона и выбранной транспортной компании. Все заказы комплектуются и отправляются в кратчайшие сроки со склада в Москве.
Надёжность и сохранность
Вся продукция упаковывается с учётом требований транспортировки. Мы гарантируем, что подшипники и комплектующие прибудут к заказчику в полной сохранности.
Доставка в страны ЕАЭС
Мы работаем с проверенными логистическими партнёрами, что позволяет оперативно доставлять заказы в Беларусь, Казахстан, Армению и другие страны ЕАЭС.
Варианты оплаты:
Минимальная сумма заказа и скидки:
Документы и гарантии:
Да, конечно! Наши технические специалисты готовы помочь вам с подбором точного аналога или замены подшипника. Просто позвоните нам по телефону +7 (495) 104-99-04 или напишите на почту zakaz@podsnab.ru.
Для оперативной консультации подготовьте, пожалуйста, имеющиеся данные: маркировку, размеры, тип оборудования или артикул старого подшипника.
Да, конечно! Мы высоко ценим долгосрочное сотрудничество и доверие клиентов по всей России. Для постоянных клиентов действует персональная система скидок.
Условия формируются индивидуально и зависят от:
Чтобы узнать свои условия и получить максимально выгодное предложение, свяжитесь с персональным менеджером или напишите нам на почту zakaz@podsnab.ru.
Вы можете оформить заказ несколькими способами:
Для оформления заказа от юридического лица свяжитесь с нашим отделом по работе с корпоративными клиентами по телефону +7 (495) 104-99-04 или напишите на email zakaz@podsnab.ru, прикрепив реквизиты вашей организации.
Мы оперативно подготовим коммерческое предложение и выставим счет.
Возврат товара надлежащего качества возможен в течение 10 дней с момента получения, если товар не был в употреблении, сохранен товарный вид, упаковка не вскрывалась и присутствуют все сопроводительные документы.
Возврат денежных средств осуществляется в течение 10 рабочих дней после проверки товара складом.
В соответствии с законодательством возврату не подлежат подшипники надлежащего качества, если отсутствует оригинальная упаковка или имеются следы монтажа.
В случае выявления брака или гарантийного случая мы гарантируем возврат или обмен товара.
Да, гарантийный срок хранения устанавливается заводом-изготовителем и в среднем составляет 2 года при соблюдении условий хранения: сухое помещение, оригинальная упаковка и смазка.
Точный срок для конкретного типа подшипника уточняйте у наших менеджеров.
Пн–Пт: с 8:00 до 17:00 (МСК).
Сб–Вс: выходные дни.
Заказы на сайте принимаются круглосуточно. Заявки, поступившие после окончания рабочего дня, обрабатываются на следующий рабочий день.
Минимальная сумма заказа для доставки составляет 3000 рублей. Самовывоз со склада возможен на любую сумму при наличии товара.
ООО «УралТехГрупп»
ИНН: 7415093830
КПП: 772401001
ОГРН: 1167456069021
Банк: ПАО Сбербанк
Р/с: 40702810838000475273
К/с: 30101810400000000225
БИК: 044525225
У подшипника 5-107 АШ2 пока нет отзывов. Вы можете стать первым покупателем, поделившимся своим мнением.