Поиск подшипника
Статьи
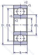
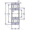
6-1000826-АЛШ1 — Шариковый радиальный однорядный подшипник, модификация основного исполнения 1000826, производство ГПЗ.
Размер подшипника: 130x165x18 мм.
Нормы шумности, сепаратор из латуни, повышенная грузоподъемность.
Государственный стандарт ГОСТ
61000826АЛШ1
В наличии
| Обозначение | Конструктивные изменения |
|---|---|
| 76-1000826 БУТ2 | Дополнительные технические требования. 200°. Температура отпуска. Сепаратор из безоловянистой бронзы.. |
| 1000826 | Шариковый радиальный однорядный подшипник. Основное конструктивное исполнение. |
| 1000826-Л | Сепаратор из латуни.. |
| 6-1000826 Л | Сепаратор из латуни.. |
Модификации шарикового подшипника 6-1000826-АЛШ1 — это измененное основное конструктивное исполнение 1000826, основные размеры (130x165x18) не отличаются.
| Обозначение | Гост | Конструктивные особенности |
|---|---|---|
| 61826 2BRS | ISO | Бесконтактные лабиринтные уплотнения с обеих сторон. |
| 61826 2URS | ISO | Специальное манжетное уплотнение с обеих сторон подшипника. |
| 61826 BRS | ISO | Бесконтактные лабиринтные уплотнения с одной стороны. |
| 61826 RS | ISO | Резиновое уплотнение с одной стороны. |
| 61826 URS | ISO | Шариковый радиальный однорядный подшипник. |
| 61826 Z | ISO | щит из листовой прессованной стали с одной стороны подшипника. |
| 71826 CD/HCP4A | ISO | Измененная или модифицированная внутренняя конструкция при неизменных основных размерах. Двухкомпонентный штампованный стальной сепаратор с направляющим кольцом. |
| 71826 CD/P4A | ISO | Двухкомпонентный штампованный стальной сепаратор с направляющим кольцом. Точность размеров в соответствии с классом допуска ISO 4. точность вращения лучше чем класс допуска ISO 4. |
| 6826-2RZ | ISO | Шарикоподшипник. С уплотнением и низким коэффициентом трения с обеих сторон. Уплотнение состоит из шайбы из листовой стали с вулканизированной резиной. |
| 6826Z | ISO | щит из листовой прессованной стали с одной стороны подшипника. |
| 6826-2RU | ISO | Non Contact Type Friction Torque = Small High Speed Performance = Good Grease Sealing = Better Than ZZ-Type Dirt Resistance = Better Than ZZ-Type Water Resistance = Better Than ZZ / Inferior To 2RS Operating Temp. -30°C To + 100°C. |
| 6826N | ISO | Канавка для стопорного кольца на наружном кольце. |
| 6826ZZS | ISO | Защитные металлические шайбы с двух сторон подшипника (удерживается стопорным кольцом на внешнем кольце - обычно для миниатюрных шарикоподшипников). |
| 6826DD | ISO | Два уплотнения из PTFE. |
| 6826VV | ISO | Защитные металлические шайбы. с обеих сторон подшипника. Бесконтактное уплотнение. (лучше. чем ZZ. Можно использовать в умеренно запыленной среде). |
| 6826LLB | ISO | Уплотнение бесконтактного типа из синтетического каучука. |
| 61826M | ISO | Подшипник с латунным сепаратором. центрированный по телам качения. |
| S61826-2RS | ISO | Резиновые уплотнения с каждой стороны подшипника. |
| S61826 | ISO | Шариковый радиальный однорядный подшипник. |
| 61826 2Z | ISO | Защитные металлические шайбы с обеих сторон подшипника. |
Аналог шарикового подшипника 6-1000826-АЛШ1 — это подшипник такого же размера dx130,Dx165,Bx18, типа и конструкции.
| Обозначение | Конструктивные особенности | Внутренний (d) | Наружный (D) | Ширина (B) |
|---|---|---|---|---|
| 61826Y C3 | Подшипник однорядный шариковый радиальный. Внутренний зазор больше нормального. Штампованный латунный фиксатор. Направляемые элементы качения. | 130.00 | 165.00 | 18.00 |
| 61826-2RSR-HLU | Подшипник однорядный шариковый радиальный. Резиновые уплотнения с каждой стороны подшипника. Код местонахождения завода. может использоваться в стандартной комплектации. | 130.00 | 165.00 | 18.00 |
| 5S-7826CG/GNP42 | Шариковый радиально-упорный однорядный подшипник. Универсальный подшипник. Резьбовой винт со стопором и защелкой. Класс точности JIS4 для размеров и JIS 2 для точности вращения. Гибридный подшипник. | 130.00 | 165.00 | 18.00 |
| 7826CG/GNP42 | Шариковый радиально-упорный однорядный подшипник. Универсальный подшипник. Резьбовой винт со стопором и защелкой. Класс точности JIS4 для размеров и JIS 2 для точности вращения. | 130.00 | 165.00 | 18.00 |
| 7826CT1P4 | Шариковый радиально-упорный однорядный подшипник. Угол контакта 15°. Класс точности JIS4 / ISO 4. Фенольный механически обработанный сепаратор. | 130.00 | 165.00 | 18.00 |
| 71826 ACD/HCP4 | Шариковый радиально-упорный однорядный подшипник. Однорядный с улучшенной конструкцией и углом контакта 25°. | 130.00 | 165.00 | 18.00 |
| 71826 CD/P4 | Шариковый радиально-упорный однорядный подшипник. Двухкомпонентный штампованный стальной сепаратор с направляющим кольцом. Класс точности. | 130.00 | 165.00 | 18.00 |
| 71826 ACD/P4 | Шариковый радиально-упорный однорядный подшипник. Однорядный с улучшенной конструкцией и углом контакта 25°. Класс точности. | 130.00 | 165.00 | 18.00 |
| 71826 CD/HCP4 | Шариковый радиально-упорный однорядный подшипник. Двухкомпонентный штампованный стальной сепаратор с направляющим кольцом. | 130.00 | 165.00 | 18.00 |
| SEA130/NS 7CE1 | Шариковый радиально-упорный однорядный подшипник. Шарики из нитрида кремния Si3N4 (гибридные подшипники). Керамические шарики. | 130.00 | 165.00 | 18.00 |
| SEA130/NS 7CE3 | Шариковый радиально-упорный однорядный подшипник. Шарики из нитрида кремния Si3N4 (гибридные подшипники). Керамические шарики. | 130.00 | 165.00 | 18.00 |
| 7826C | Шариковый радиально-упорный однорядный подшипник. Угол контакта 15°. | 130.00 | 165.00 | 18.00 |
| 71826 A | Шариковый радиально-упорный однорядный подшипник. Двухрядный радиально-упорный шарикоподшипник без отверстия для смазки. | 130.00 | 165.00 | 18.00 |
| 71826AC | Шариковый радиально-упорный однорядный подшипник. Суффикс для радиально-упорного шарикоподшипника. | 130.00 | 165.00 | 18.00 |
| 71826 C | Шариковый радиально-упорный однорядный подшипник. 15° Угол контакта. | 130.00 | 165.00 | 18.00 |
Способы доставки
Отправка через ведущие транспортные и курьерские компании: ПЭК, Деловые Линии, СДЭК, Байкал-Сервис, Энергия, КИТ, ЖелДорЭкспедиция.
Самовывоз возможен напрямую со склада в Москве.
Сроки доставки
Срок зависит от региона и выбранной транспортной компании. Все заказы комплектуются и отправляются в кратчайшие сроки со склада в Москве.
Надёжность и сохранность
Вся продукция упаковывается с учётом требований транспортировки. Мы гарантируем, что подшипники и комплектующие прибудут к заказчику в полной сохранности.
Доставка в страны ЕАЭС
Мы работаем с проверенными логистическими партнёрами, что позволяет оперативно доставлять заказы в Беларусь, Казахстан, Армению и другие страны ЕАЭС.
Варианты оплаты:
Минимальная сумма заказа и скидки:
Документы и гарантии:
Да, конечно! Наши технические специалисты готовы помочь вам с подбором точного аналога или замены подшипника. Просто позвоните нам по телефону +7 (495) 104-99-04 или напишите на почту zakaz@podsnab.ru.
Для оперативной консультации подготовьте, пожалуйста, имеющиеся данные: маркировку, размеры, тип оборудования или артикул старого подшипника.
Да, конечно! Мы высоко ценим долгосрочное сотрудничество и доверие клиентов по всей России. Для постоянных клиентов действует персональная система скидок.
Условия формируются индивидуально и зависят от:
Чтобы узнать свои условия и получить максимально выгодное предложение, свяжитесь с персональным менеджером или напишите нам на почту zakaz@podsnab.ru.
Вы можете оформить заказ несколькими способами:
Для оформления заказа от юридического лица свяжитесь с нашим отделом по работе с корпоративными клиентами по телефону +7 (495) 104-99-04 или напишите на email zakaz@podsnab.ru, прикрепив реквизиты вашей организации.
Мы оперативно подготовим коммерческое предложение и выставим счет.
Возврат товара надлежащего качества возможен в течение 10 дней с момента получения, если товар не был в употреблении, сохранен товарный вид, упаковка не вскрывалась и присутствуют все сопроводительные документы.
Возврат денежных средств осуществляется в течение 10 рабочих дней после проверки товара складом.
В соответствии с законодательством возврату не подлежат подшипники надлежащего качества, если отсутствует оригинальная упаковка или имеются следы монтажа.
В случае выявления брака или гарантийного случая мы гарантируем возврат или обмен товара.
Да, гарантийный срок хранения устанавливается заводом-изготовителем и в среднем составляет 2 года при соблюдении условий хранения: сухое помещение, оригинальная упаковка и смазка.
Точный срок для конкретного типа подшипника уточняйте у наших менеджеров.
Пн–Пт: с 8:00 до 17:00 (МСК).
Сб–Вс: выходные дни.
Заказы на сайте принимаются круглосуточно. Заявки, поступившие после окончания рабочего дня, обрабатываются на следующий рабочий день.
Минимальная сумма заказа для доставки составляет 3000 рублей. Самовывоз со склада возможен на любую сумму при наличии товара.
ООО «УралТехГрупп»
ИНН: 7415093830
КПП: 772401001
ОГРН: 1167456069021
Банк: ПАО Сбербанк
Р/с: 40702810838000475273
К/с: 30101810400000000225
БИК: 044525225
У подшипника 6-1000826-АЛШ1 пока нет отзывов. Вы можете стать первым покупателем, поделившимся своим мнением.