Поиск подшипника
Статьи
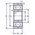
6-1000928 АЛШ — Шариковый радиальный однорядный подшипник, модификация основного исполнения 1000928, производство ГПЗ.
Размер подшипника: 140x190x24 мм.
Сепаратор из латуни, повышенная грузоподъемность, нормы шумности.
Государственный стандарт ГОСТ
61000928АЛШ
В наличии
| Обозначение | Конструктивные изменения |
|---|---|
| 4-1000928 Л | Сепаратор из латуни.. |
| 5-1000928 Л | Сепаратор из латуни.. |
| 6-1000928 АЛШ1 | Сепаратор из латуни.. Повышенная грузоподъемность. Нормы шумности. |
| 70-1000928 Л | Сепаратор из латуни.. |
| 76-1000928 Л | Сепаратор из латуни.. |
| 8-1000928-Л | Сепаратор из латуни.. |
| 1000928 | Шариковый радиальный однорядный подшипник. Основное конструктивное исполнение. |
| 1000928-Л | Сепаратор из латуни.. |
| 2-1000928 Л | Сепаратор из латуни.. |
| 6-1000928 Б1Т2 | 200°. Температура отпуска. Сепаратор из безоловянистой бронзы.. |
| 6-1000928 Л | Сепаратор из латуни.. |
| 6-1000928 ЮТ | Температура отпуска. 160°. Все детали или часть деталей из нержавеющей стали.. |
Модификации шарикового подшипника 6-1000928 АЛШ — это измененное основное конструктивное исполнение 1000928, основные размеры (140x190x24) не отличаются.
| Обозначение | Гост | Конструктивные особенности |
|---|---|---|
| 61928 ZZ | ISO | Защитные металлические шайбы (бесконтактные уплотнения) с обеих сторон подшипника. |
| 6928-Z | ISO | щит из листовой прессованной стали с одной стороны подшипника. |
| 6928-2RZ | ISO | Шарикоподшипник. С уплотнением и низким коэффициентом трения с обеих сторон. Уплотнение состоит из шайбы из листовой стали с вулканизированной резиной. |
| 6928-RS | ISO | Резиновое уплотнение с одной стороны. |
| 6928N | ISO | Канавка для стопорного кольца на наружном кольце. |
| 6928-RZ | ISO | Один стальное уплотнение и одно резиновое. |
| 6928-1ZZ | ISO | Шариковый радиальный однорядный подшипник. |
| 6928-1Z | ISO | Шариковый радиальный однорядный подшипник. |
| 6928-1-2RU | ISO | Number Of Carriages Per Rail Track. Non Contact Type Friction Torque = Small High Speed Performance = Good Grease Sealing = Better Than ZZ-Type Dirt Resistance = Better Than ZZ-Type Water Resistance = Better Than ZZ / Inferior To 2RS Operating Temp. -30°C To + 100°C. |
| 6928VV | ISO | Защитные металлические шайбы. с обеих сторон подшипника. Бесконтактное уплотнение. (лучше. чем ZZ. Можно использовать в умеренно запыленной среде). |
| 6928ZZS | ISO | Защитные металлические шайбы с двух сторон подшипника (удерживается стопорным кольцом на внешнем кольце - обычно для миниатюрных шарикоподшипников). |
| 6928LU | ISO | Двухкромочное нитриловое контактное уплотнение. |
| S61928 | ISO | Шариковый радиальный однорядный подшипник. |
| S61928-2RS | ISO | Резиновые уплотнения с каждой стороны подшипника. |
| 3NCHAC928C | ISO | Угол контакта 20 градусов. |
| 3NCHAC928CA | ISO | Угол контакта 20 градусов. Латунный сепаратор с симметричными роликами. |
| 3NCHAR928 | ISO | Угол контакта 20 градусов. |
| 3NCHAR928CA | ISO | Угол контакта 20 градусов. Латунный сепаратор с симметричными роликами. |
| 3NCHAR928C | ISO | Угол контакта 20 градусов. |
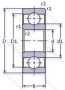
Аналог шарикового подшипника 6-1000928 АЛШ — это подшипник такого же размера dx140,Dx190,Bx24, типа и конструкции.
| Обозначение | Конструктивные особенности | Внутренний (d) | Наружный (D) | Ширина (B) |
|---|---|---|---|---|
| 7928CPA | Шариковый радиально-упорный однорядный подшипник. Угол контакта 15 градусов. | 140.00 | 190.00 | 24.00 |
| HAR928CA | Шариковый радиально-упорный однорядный подшипник. Латунный сепаратор с симметричными роликами. | 140.00 | 190.00 | 24.00 |
| HAR928C | Шариковый радиально-упорный однорядный подшипник. Угол контакта 15 градусов. | 140.00 | 190.00 | 24.00 |
| 7928 A5 | Шариковый радиально-упорный однорядный подшипник. 25° Угол контакта. | 140.00 | 190.00 | 24.00 |
| 5S-2LA-HSE928G/GNP42 | Шариковый радиально-упорный однорядный подшипник. Универсальный подшипник. Класс точности JIS4 для размеров и JIS 2 для точности вращения. Гибридный подшипник. | 140.00 | 190.00 | 24.00 |
| 5S-2LA-HSE928ADG/GNP42 | Шариковый радиально-упорный однорядный подшипник. Универсальный подшипник. Класс точности JIS4 для размеров и JIS 2 для точности вращения. Угол контакта 25°. Гибридный подшипник. | 140.00 | 190.00 | 24.00 |
| 5S-2LA-HSE928CG/GNP42 | Шариковый радиально-упорный однорядный подшипник. Угол контакта 15°. Универсальный подшипник. Класс точности JIS4 для размеров и JIS 2 для точности вращения. Гибридный подшипник. | 140.00 | 190.00 | 24.00 |
| 1036928К | Шариковый радиально-упорный однорядный подшипник. «Замок» (скос) на внутреннем кольце плюс массивный сепаратор из текстолита. | 140.00 | 190.00 | 24.00 |
| 1046928К | Шариковый радиально-упорный однорядный подшипник. «Замок» (скос) на внутреннем кольце плюс массивный сепаратор из текстолита. | 140.00 | 190.00 | 24.00 |
| 8-1032928 Б3Т2 | Роликовый радиальный однорядный подшипник. 200°. Температура отпуска. Сепаратор из безоловянистой бронзы.. | 140.00 | 190.00 | 24.00 |
| 8-1032928 ОР3 | Роликовый радиальный однорядный подшипник. Детали из теплоустойчивой (быстрорежущие) стали.. | 140.00 | 190.00 | 24.00 |
| 55-1032928 Р | Роликовый радиальный однорядный подшипник. Детали из теплоустойчивой (быстрорежущие) стали.. | 140.00 | 190.00 | 24.00 |
| 58-1032928 Б2Т2 | Роликовый радиальный однорядный подшипник. 200°. Температура отпуска. Сепаратор из безоловянистой бронзы.. | 140.00 | 190.00 | 24.00 |
| 5АВ-1032928 Б2Т2 | Роликовый радиальный однорядный подшипник. 200°. Температура отпуска. Сепаратор из безоловянистой бронзы.. | 140.00 | 190.00 | 24.00 |
| 5В-1032928 Б3Т2 | Роликовый радиальный однорядный подшипник. 200°. Температура отпуска. Сепаратор из безоловянистой бронзы.. | 140.00 | 190.00 | 24.00 |
Способы доставки
Отправка через ведущие транспортные и курьерские компании: ПЭК, Деловые Линии, СДЭК, Байкал-Сервис, Энергия, КИТ, ЖелДорЭкспедиция.
Самовывоз возможен напрямую со склада в Москве.
Сроки доставки
Срок зависит от региона и выбранной транспортной компании. Все заказы комплектуются и отправляются в кратчайшие сроки со склада в Москве.
Надёжность и сохранность
Вся продукция упаковывается с учётом требований транспортировки. Мы гарантируем, что подшипники и комплектующие прибудут к заказчику в полной сохранности.
Доставка в страны ЕАЭС
Мы работаем с проверенными логистическими партнёрами, что позволяет оперативно доставлять заказы в Беларусь, Казахстан, Армению и другие страны ЕАЭС.
Варианты оплаты:
Минимальная сумма заказа и скидки:
Документы и гарантии:
Да, конечно! Наши технические специалисты готовы помочь вам с подбором точного аналога или замены подшипника. Просто позвоните нам по телефону +7 (495) 104-99-04 или напишите на почту zakaz@podsnab.ru.
Для оперативной консультации подготовьте, пожалуйста, имеющиеся данные: маркировку, размеры, тип оборудования или артикул старого подшипника.
Да, конечно! Мы высоко ценим долгосрочное сотрудничество и доверие клиентов по всей России. Для постоянных клиентов действует персональная система скидок.
Условия формируются индивидуально и зависят от:
Чтобы узнать свои условия и получить максимально выгодное предложение, свяжитесь с персональным менеджером или напишите нам на почту zakaz@podsnab.ru.
Вы можете оформить заказ несколькими способами:
Для оформления заказа от юридического лица свяжитесь с нашим отделом по работе с корпоративными клиентами по телефону +7 (495) 104-99-04 или напишите на email zakaz@podsnab.ru, прикрепив реквизиты вашей организации.
Мы оперативно подготовим коммерческое предложение и выставим счет.
Возврат товара надлежащего качества возможен в течение 10 дней с момента получения, если товар не был в употреблении, сохранен товарный вид, упаковка не вскрывалась и присутствуют все сопроводительные документы.
Возврат денежных средств осуществляется в течение 10 рабочих дней после проверки товара складом.
В соответствии с законодательством возврату не подлежат подшипники надлежащего качества, если отсутствует оригинальная упаковка или имеются следы монтажа.
В случае выявления брака или гарантийного случая мы гарантируем возврат или обмен товара.
Да, гарантийный срок хранения устанавливается заводом-изготовителем и в среднем составляет 2 года при соблюдении условий хранения: сухое помещение, оригинальная упаковка и смазка.
Точный срок для конкретного типа подшипника уточняйте у наших менеджеров.
Пн–Пт: с 8:00 до 17:00 (МСК).
Сб–Вс: выходные дни.
Заказы на сайте принимаются круглосуточно. Заявки, поступившие после окончания рабочего дня, обрабатываются на следующий рабочий день.
Минимальная сумма заказа для доставки составляет 3000 рублей. Самовывоз со склада возможен на любую сумму при наличии товара.
ООО «УралТехГрупп»
ИНН: 7415093830
КПП: 772401001
ОГРН: 1167456069021
Банк: ПАО Сбербанк
Р/с: 40702810838000475273
К/с: 30101810400000000225
БИК: 044525225
У подшипника 6-1000928 АЛШ пока нет отзывов. Вы можете стать первым покупателем, поделившимся своим мнением.