Поиск подшипника
Статьи
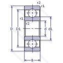
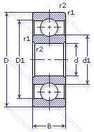
6-1000934 АЛШ1 — Шариковый радиальный однорядный подшипник, модификация основного исполнения 1000934, производство ГПЗ.
Размер подшипника: 170x230x28 мм.
Нормы шумности, сепаратор из латуни, повышенная грузоподъемность.
Государственный стандарт ГОСТ
61000934АЛШ1
В наличии
| Обозначение | Конструктивные изменения |
|---|---|
| 5-1000934 Д | Сепаратор из алюминиевого сплава.. |
| 6-1000934 АЛШ | Сепаратор из латуни.. Повышенная грузоподъемность. Нормы шумности. |
| 1000934 | Шариковый радиальный однорядный подшипник. Основное конструктивное исполнение. |
| 1000934-АЛ | Сепаратор из латуни.. Повышенная грузоподъемность. |
| 1000934-Д | Сепаратор из алюминиевого сплава.. |
| 1000934-Л | Сепаратор из латуни.. |
| 26-1000934 Д | Сепаратор из алюминиевого сплава.. |
| 6-1000934 Д | Сепаратор из алюминиевого сплава.. |
Модификации шарикового подшипника 6-1000934 АЛШ1 — это измененное основное конструктивное исполнение 1000934, основные размеры (170x230x28) не отличаются.
| Обозначение | Гост | Конструктивные особенности |
|---|---|---|
| 6934-2RZ | ISO | Шарикоподшипник. С уплотнением и низким коэффициентом трения с обеих сторон. Уплотнение состоит из шайбы из листовой стали с вулканизированной резиной. |
| 6934N | ISO | Канавка под стопорное кольцо на внешнем кольце. |
| 6934-RZ | ISO | Один стальное уплотнение и одно резиновое. |
| 6934-2RS | ISO | Резиновые уплотнения с каждой стороны подшипника. |
| 6934-RS | ISO | Резиновое уплотнение с одной стороны. |
| 6934NR | ISO | Канавка под стопорное кольцо на наружном кольце с соответствующим стопорным кольцом. |
| 6934Z | ISO | Стальная шайба. |
| 3NCHAC934CA | ISO | Угол контакта 20 градусов. Латунный сепаратор с симметричными роликами. |
| 3NCHAC934C | ISO | Угол контакта 20 градусов. |
| 3NCHAR934 | ISO | Шариковый радиальный однорядный подшипник. |
| 3NCHAR934C | ISO | Угол контакта 20 градусов. |
| 3NCHAR934CA | ISO | Угол контакта 20 градусов. Латунный сепаратор с симметричными роликами. |
Аналог шарикового подшипника 6-1000934 АЛШ1 — это подшипник такого же размера dx170,Dx230,Bx28, типа и конструкции.
| Обозначение | Конструктивные особенности | Внутренний (d) | Наружный (D) | Ширина (B) |
|---|---|---|---|---|
| 71934HVUJ74 | Шариковый радиально-упорный однорядный подшипник. Угол контакта 25°. Преднатяг (Лёгкий. Универсальные подшпники. | 170.00 | 230.00 | 28.00 |
| 71934CVUJ74 | Шариковый радиально-упорный однорядный подшипник. Угол контакта 15°. Преднатяг (Лёгкий. Универсальные подшпники. | 170.00 | 230.00 | 28.00 |
| 7934C | Шариковый радиально-упорный однорядный подшипник. Угол контакта 15°. | 170.00 | 230.00 | 28.00 |
| 71934 A | Шариковый радиально-упорный однорядный подшипник. Двухрядный радиально-упорный шарикоподшипник без отверстия для смазки. | 170.00 | 230.00 | 28.00 |
| 7934CPA | Шариковый радиально-упорный однорядный подшипник. Угол контакта 15 градусов. | 170.00 | 230.00 | 28.00 |
| 7934B | Шариковый радиально-упорный однорядный подшипник. Угол контакта 40 градусов. | 170.00 | 230.00 | 28.00 |
| HAR934C | Шариковый радиально-упорный однорядный подшипник. Угол контакта 15 градусов. | 170.00 | 230.00 | 28.00 |
| HAR934CA | Шариковый радиально-упорный однорядный подшипник. Латунный сепаратор с симметричными роликами. | 170.00 | 230.00 | 28.00 |
| 5S-2LA-HSE934G/GNP42 | Шариковый радиально-упорный однорядный подшипник. Универсальный подшипник. Класс точности JIS4 для размеров и JIS 2 для точности вращения. Гибридный подшипник. | 170.00 | 230.00 | 28.00 |
| 5S-2LA-HSE934CG/GNP42 | Шариковый радиально-упорный однорядный подшипник. Угол контакта 15°. Универсальный подшипник. Класс точности JIS4 для размеров и JIS 2 для точности вращения. Гибридный подшипник. | 170.00 | 230.00 | 28.00 |
| 5S-2LA-HSE934ADG/GNP42 | Шариковый радиально-упорный однорядный подшипник. Универсальный подшипник. Класс точности JIS4 для размеров и JIS 2 для точности вращения. Угол контакта 25°. Гибридный подшипник. | 170.00 | 230.00 | 28.00 |
| 71934 C | Шариковый радиально-упорный однорядный подшипник. 15° Угол контакта. | 170.00 | 230.00 | 28.00 |
| 1036934К | Шариковый радиально-упорный однорядный подшипник. «Замок» (скос) на внутреннем кольце плюс массивный сепаратор из текстолита. | 170.00 | 230.00 | 28.00 |
| 1046934К | Шариковый радиально-упорный однорядный подшипник. «Замок» (скос) на внутреннем кольце плюс массивный сепаратор из текстолита. | 170.00 | 230.00 | 28.00 |
| 5-1126934 Б2Т2 | Шариковый радиально-упорный однорядный подшипник. 200°. Температура отпуска. Сепаратор из безоловянистой бронзы.. | 170.00 | 230.00 | 28.00 |
Способы доставки
Отправка через ведущие транспортные и курьерские компании: ПЭК, Деловые Линии, СДЭК, Байкал-Сервис, Энергия, КИТ, ЖелДорЭкспедиция.
Самовывоз возможен напрямую со склада в Москве.
Сроки доставки
Срок зависит от региона и выбранной транспортной компании. Все заказы комплектуются и отправляются в кратчайшие сроки со склада в Москве.
Надёжность и сохранность
Вся продукция упаковывается с учётом требований транспортировки. Мы гарантируем, что подшипники и комплектующие прибудут к заказчику в полной сохранности.
Доставка в страны ЕАЭС
Мы работаем с проверенными логистическими партнёрами, что позволяет оперативно доставлять заказы в Беларусь, Казахстан, Армению и другие страны ЕАЭС.
Варианты оплаты:
Минимальная сумма заказа и скидки:
Документы и гарантии:
Да, конечно! Наши технические специалисты готовы помочь вам с подбором точного аналога или замены подшипника. Просто позвоните нам по телефону +7 (495) 104-99-04 или напишите на почту zakaz@podsnab.ru.
Для оперативной консультации подготовьте, пожалуйста, имеющиеся данные: маркировку, размеры, тип оборудования или артикул старого подшипника.
Да, конечно! Мы высоко ценим долгосрочное сотрудничество и доверие клиентов по всей России. Для постоянных клиентов действует персональная система скидок.
Условия формируются индивидуально и зависят от:
Чтобы узнать свои условия и получить максимально выгодное предложение, свяжитесь с персональным менеджером или напишите нам на почту zakaz@podsnab.ru.
Вы можете оформить заказ несколькими способами:
Для оформления заказа от юридического лица свяжитесь с нашим отделом по работе с корпоративными клиентами по телефону +7 (495) 104-99-04 или напишите на email zakaz@podsnab.ru, прикрепив реквизиты вашей организации.
Мы оперативно подготовим коммерческое предложение и выставим счет.
Возврат товара надлежащего качества возможен в течение 10 дней с момента получения, если товар не был в употреблении, сохранен товарный вид, упаковка не вскрывалась и присутствуют все сопроводительные документы.
Возврат денежных средств осуществляется в течение 10 рабочих дней после проверки товара складом.
В соответствии с законодательством возврату не подлежат подшипники надлежащего качества, если отсутствует оригинальная упаковка или имеются следы монтажа.
В случае выявления брака или гарантийного случая мы гарантируем возврат или обмен товара.
Да, гарантийный срок хранения устанавливается заводом-изготовителем и в среднем составляет 2 года при соблюдении условий хранения: сухое помещение, оригинальная упаковка и смазка.
Точный срок для конкретного типа подшипника уточняйте у наших менеджеров.
Пн–Пт: с 8:00 до 17:00 (МСК).
Сб–Вс: выходные дни.
Заказы на сайте принимаются круглосуточно. Заявки, поступившие после окончания рабочего дня, обрабатываются на следующий рабочий день.
Минимальная сумма заказа для доставки составляет 3000 рублей. Самовывоз со склада возможен на любую сумму при наличии товара.
ООО «УралТехГрупп»
ИНН: 7415093830
КПП: 772401001
ОГРН: 1167456069021
Банк: ПАО Сбербанк
Р/с: 40702810838000475273
К/с: 30101810400000000225
БИК: 044525225
У подшипника 6-1000934 АЛШ1 пока нет отзывов. Вы можете стать первым покупателем, поделившимся своим мнением.