Поиск подшипника
Статьи
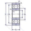
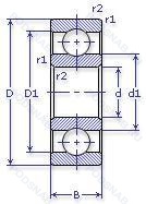
6-103 Ш1 — Шариковый радиальный однорядный подшипник, модификация основного исполнения 103, производство ГПЗ.
Размер подшипника: 17x35x10 мм.
Нормы шумности.
Государственный стандарт ГОСТ
6103Ш1
В наличии
| Обозначение | Конструктивные изменения |
|---|---|
| 5103 | Шариковый радиальный однорядный подшипник. |
| 103-Ш | Нормы шумности. |
| 6-103 Ш | Нормы шумности. |
| 76-103 Ш1 | Нормы шумности. |
| 7-103 К | «Замок» (скос) на внутреннем кольце плюс массивный сепаратор из текстолита. |
| 103 | Шариковый радиальный однорядный подшипник. Основное конструктивное исполнение. |
| 103-AK | Шариковый радиальный однорядный подшипник. |
| 103-К | «Замок» (скос) на внутреннем кольце плюс массивный сепаратор из текстолита. |
| 24-103 БТ1 | 180°. Сепаратор из безоловянистой бронзы.. Температура отпуска. |
| 6-103 К | «Замок» (скос) на внутреннем кольце плюс массивный сепаратор из текстолита. |
Модификации шарикового подшипника 6-103 Ш1 — это измененное основное конструктивное исполнение 103, основные размеры (17x35x10) не отличаются.
| Обозначение | Гост | Конструктивные особенности |
|---|---|---|
| AC-6003 | ISO | Уплотнение из полиакрила. Подшипник с предотвращением от проворота. |
| EC-6003 | ISO | Подшипник с компенсацией теплового расширения для общего применения. |
| EC-6003ZZ | ISO | Защитные металлические шайбы с обеих сторон. Подшипник с компенсацией теплового расширения для общего применения. |
| EC-6003LLU | ISO | Контактное резиновое уплотнение с двух сторон. Подшипник с компенсацией теплового расширения для общего применения. |
| EC-6003LLB | ISO | Подшипник с компенсацией теплового расширения для общего применения. Уплотнение бесконтактного типа из синтетического каучука. |
| 6202-2RS d16 C3 | ISO | Внутренний зазор больше нормального. Резиновые уплотнения с каждой стороны подшипника. 01. |
| BB1-0603A | ISO | Измененная или модифицированная внутренняя конструкция при неизменных основных размерах. |
| BB1-0603EC | ISO | Два стальных сепаратора оконного типа. внутреннее кольцо без фланца. направляющее кольцо с усиленным роликом. |
| 9103K | ISO | Коническое отверстие. Конусность 1/12. |
| 9103KG | ISO | Серия с закрепительной втулкой и смазочным отверстием. |
| 9103P | ISO | Сеаратор из литого полиамида 6.6. армированного стекловолокном. |
| 9103KD | ISO | Компоненты с покрытием Protect A имеют суффикс - KD. Protect A - это покрытие из чистого хрома с колончатой структурой поверхности. При использовании Protect A каретки с покрытием и направляющие с покрытием должны всегда комбинироваться. Если каретки с покрытием используются с направляющими без покрытия. например. это приведет к уменьшению преднатяга.. |
| P6003-SB | ISO | Double Row. Angular Contact. Non-Filling Notch Bearing. With Outwardly Convergent Угол контактаs. Rigid Design. |
| P6003-GB | ISO | Подшипник для универсального монтажа. Два подшипника. установленные по О-образной или Х-образной схеме. имеют средний преднатяг. |
| S6003-2Z | ISO | Защитные металлические шайбы с обеих сторон подшипника. |
| S6003-2TS | ISO | Two Teflon Seals Reinforced With Z-Shields. |
| 6202-2Z/16 | ISO | Защитные металлические шайбы с обеих сторон подшипника. 01. |
| 3NCHAC003CA | ISO | Угол контакта 20 градусов. Латунный сепаратор с симметричными роликами. |
| 3NCHAC003C | ISO | Угол контакта 20 градусов. |
| 180103-АК | ГОСТ | Повышенная грузоподъемность. |
Аналог шарикового подшипника 6-103 Ш1 — это подшипник такого же размера dx17,Dx35,Bx10, типа и конструкции.
| Обозначение | Конструктивные особенности | Внутренний (d) | Наружный (D) | Ширина (B) |
|---|---|---|---|---|
| 36103-КЕ | Шариковый радиально-упорный однорядный подшипник. «Замок» (скос) на внутреннем кольце плюс массивный сепаратор из текстолита. Сепаратор из текстолита.. | 17.00 | 35.00 | 10.00 |
| 36103К | Шариковый радиально-упорный однорядный подшипник. «Замок» (скос) на внутреннем кольце плюс массивный сепаратор из текстолита. | 17.00 | 35.00 | 10.00 |
| 36103К6 | Шариковый радиально-упорный однорядный подшипник. «Замок» (скос) на внутреннем кольце. | 17.00 | 35.00 | 10.00 |
| 36103К7 | Шариковый радиально-упорный однорядный подшипник. «Замок» (скос) на внутреннем кольце. | 17.00 | 35.00 | 10.00 |
| 4-36103 Е | Шариковый радиально-упорный однорядный подшипник. Сепаратор из текстолита.. | 17.00 | 35.00 | 10.00 |
| 4-36103 Е1К | Шариковый радиально-упорный однорядный подшипник. «Замок» (скос) на внутреннем кольце плюс массивный сепаратор из текстолита. Сепаратор из текстолита.. | 17.00 | 35.00 | 10.00 |
| 4-36103 К7 | Шариковый радиально-упорный однорядный подшипник. «Замок» (скос) на внутреннем кольце. | 17.00 | 35.00 | 10.00 |
| 4-36103 КЕ1 | Шариковый радиально-упорный однорядный подшипник. «Замок» (скос) на внутреннем кольце плюс массивный сепаратор из текстолита. Сепаратор из текстолита.. | 17.00 | 35.00 | 10.00 |
| 4-36103-КЕШ3 | Шариковый радиально-упорный сдвоенный подшипник. «Замок» (скос) на внутреннем кольце плюс массивный сепаратор из текстолита. Сепаратор из текстолита.. Нормы шумности. | 17.00 | 35.00 | 10.00 |
| 6003-RSL | Шариковый радиальный подшипник. Sheet Steel Reinforced Low Friction Contact Seal Of Acrylonitrile-Butadiene Rubber (NBR) On One Side Of The Bearing. | 17.00 | 35.00 | 10.00 |
| W 6003-2RZ | Шариковый радиальный подшипник. Шарикоподшипник. С уплотнением и низким коэффициентом трения с обеих сторон. Уплотнение состоит из шайбы из листовой стали с вулканизированной резиной. Нержавеющая сталь. | 17.00 | 35.00 | 10.00 |
| 4-36103-КЕ | Шариковый радиально-упорный сдвоенный подшипник. «Замок» (скос) на внутреннем кольце плюс массивный сепаратор из текстолита. Сепаратор из текстолита.. | 17.00 | 35.00 | 10.00 |
| 46103К | Шариковый радиально-упорный однорядный подшипник. «Замок» (скос) на внутреннем кольце плюс массивный сепаратор из текстолита. | 17.00 | 35.00 | 10.00 |
| 5-36103 Е | Шариковый радиально-упорный однорядный подшипник. Сепаратор из текстолита.. | 17.00 | 35.00 | 10.00 |
| 5-36103 КЕ | Шариковый радиально-упорный однорядный подшипник. «Замок» (скос) на внутреннем кольце плюс массивный сепаратор из текстолита. Сепаратор из текстолита.. | 17.00 | 35.00 | 10.00 |
Способы доставки
Отправка через ведущие транспортные и курьерские компании: ПЭК, Деловые Линии, СДЭК, Байкал-Сервис, Энергия, КИТ, ЖелДорЭкспедиция.
Самовывоз возможен напрямую со склада в Москве.
Сроки доставки
Срок зависит от региона и выбранной транспортной компании. Все заказы комплектуются и отправляются в кратчайшие сроки со склада в Москве.
Надёжность и сохранность
Вся продукция упаковывается с учётом требований транспортировки. Мы гарантируем, что подшипники и комплектующие прибудут к заказчику в полной сохранности.
Доставка в страны ЕАЭС
Мы работаем с проверенными логистическими партнёрами, что позволяет оперативно доставлять заказы в Беларусь, Казахстан, Армению и другие страны ЕАЭС.
Варианты оплаты:
Минимальная сумма заказа и скидки:
Документы и гарантии:
Да, конечно! Наши технические специалисты готовы помочь вам с подбором точного аналога или замены подшипника. Просто позвоните нам по телефону +7 (495) 104-99-04 или напишите на почту zakaz@podsnab.ru.
Для оперативной консультации подготовьте, пожалуйста, имеющиеся данные: маркировку, размеры, тип оборудования или артикул старого подшипника.
Да, конечно! Мы высоко ценим долгосрочное сотрудничество и доверие клиентов по всей России. Для постоянных клиентов действует персональная система скидок.
Условия формируются индивидуально и зависят от:
Чтобы узнать свои условия и получить максимально выгодное предложение, свяжитесь с персональным менеджером или напишите нам на почту zakaz@podsnab.ru.
Вы можете оформить заказ несколькими способами:
Для оформления заказа от юридического лица свяжитесь с нашим отделом по работе с корпоративными клиентами по телефону +7 (495) 104-99-04 или напишите на email zakaz@podsnab.ru, прикрепив реквизиты вашей организации.
Мы оперативно подготовим коммерческое предложение и выставим счет.
Возврат товара надлежащего качества возможен в течение 10 дней с момента получения, если товар не был в употреблении, сохранен товарный вид, упаковка не вскрывалась и присутствуют все сопроводительные документы.
Возврат денежных средств осуществляется в течение 10 рабочих дней после проверки товара складом.
В соответствии с законодательством возврату не подлежат подшипники надлежащего качества, если отсутствует оригинальная упаковка или имеются следы монтажа.
В случае выявления брака или гарантийного случая мы гарантируем возврат или обмен товара.
Да, гарантийный срок хранения устанавливается заводом-изготовителем и в среднем составляет 2 года при соблюдении условий хранения: сухое помещение, оригинальная упаковка и смазка.
Точный срок для конкретного типа подшипника уточняйте у наших менеджеров.
Пн–Пт: с 8:00 до 17:00 (МСК).
Сб–Вс: выходные дни.
Заказы на сайте принимаются круглосуточно. Заявки, поступившие после окончания рабочего дня, обрабатываются на следующий рабочий день.
Минимальная сумма заказа для доставки составляет 3000 рублей. Самовывоз со склада возможен на любую сумму при наличии товара.
ООО «УралТехГрупп»
ИНН: 7415093830
КПП: 772401001
ОГРН: 1167456069021
Банк: ПАО Сбербанк
Р/с: 40702810838000475273
К/с: 30101810400000000225
БИК: 044525225
У подшипника 6-103 Ш1 пока нет отзывов. Вы можете стать первым покупателем, поделившимся своим мнением.