Поиск подшипника
Статьи
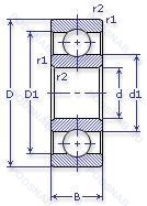
6-115 АЛШ1 — Шариковый радиальный однорядный подшипник, модификация основного исполнения 115, производство ГПЗ.
Размер подшипника: 75x115x20 мм.
Нормы шумности, сепаратор из латуни, повышенная грузоподъемность.
Государственный стандарт ГОСТ
6115АЛШ1
В наличии
| Обозначение | Конструктивные изменения |
|---|---|
| 115-АК | Повышенная грузоподъемность. |
| 5-115-Л | Сепаратор из латуни.. |
| В-115 | Шариковый радиальный однорядный подшипник. |
| 8-115 А | Повышенная грузоподъемность. |
| 5-115-АК1Ш2 | Нормы шумности. Повышенная грузоподъемность. |
| 6-115 АК1Ш1 | Нормы шумности. Повышенная грузоподъемность. |
| 6-115 АК1Ш | Повышенная грузоподъемность. Нормы шумности. |
| 6-115 АК1 | Повышенная грузоподъемность. |
| 6-115 АЛШ | Сепаратор из латуни.. Повышенная грузоподъемность. Нормы шумности. |
| 70-115 АК1 | Повышенная грузоподъемность. |
| 76-115 АК1Ш1 | Нормы шумности. Повышенная грузоподъемность. |
| 76-115 АК1Ш | Повышенная грузоподъемность. Нормы шумности. |
| 7-115 | Шариковый радиальный однорядный подшипник. |
| 75-115 Л | Сепаратор из латуни.. |
| 115 | Шариковый радиальный однорядный подшипник. Основное конструктивное исполнение. |
| 115-А | Повышенная грузоподъемность. |
| 115-АК1 | Повышенная грузоподъемность. |
| 115-АЛ | Сепаратор из латуни.. Повышенная грузоподъемность. |
| 115-Л | Сепаратор из латуни.. |
| 115A | Двухрядный радиально-упорный шарикоподшипник без отверстия для смазки. |
| 4115 | Шариковый радиальный однорядный подшипник. |
| 5115 | Шариковый радиальный однорядный подшипник. |
| 6115 | Шариковый радиальный однорядный подшипник. |
| 6-115 А | Повышенная грузоподъемность. |
| 6-115 Л | Сепаратор из латуни.. |
Модификации шарикового подшипника 6-115 АЛШ1 — это измененное основное конструктивное исполнение 115, основные размеры (75x115x20) не отличаются.
| Обозначение | Гост | Конструктивные особенности |
|---|---|---|
| 6015LB | ISO | Бесконтактное нитриловое уплотнение. |
| 6015LLB | ISO | Уплотнение бесконтактного типа из синтетического каучука. |
| 9115KD | ISO | Компоненты с покрытием Protect A имеют суффикс - KD. Protect A - это покрытие из чистого хрома с колончатой структурой поверхности. При использовании Protect A каретки с покрытием и направляющие с покрытием должны всегда комбинироваться. Если каретки с покрытием используются с направляющими без покрытия. например. это приведет к уменьшению преднатяга.. |
| 9115PP | ISO | Уплотнения на каждой стороне подшипника. |
| 9115P | ISO | Сеаратор из литого полиамида 6.6. армированного стекловолокном. |
| 9115KDD | ISO | Защитные металлические шайбы по обе стороны подшипника с цилиндрическим наружным диаметром. |
| S6015-2RS | ISO | Резиновые уплотнения с каждой стороны подшипника. |
| 3NC 7015 FT | ISO | REINFORCED PHENOLIC CAGE. |
| 3NCHAC015CA | ISO | Угол контакта 20 градусов. Латунный сепаратор с симметричными роликами. |
| 3NCHAC015C | ISO | Угол контакта 20 градусов. |
| 3NC HAR015C FT | ISO | Угол контакта 20 градусов. REINFORCED PHENOLIC CAGE. |
| 3NCHAF015CA | ISO | Угол контакта 20 градусов. Латунный сепаратор с симметричными роликами. |
| 3NCHAD015CA | ISO | Угол контакта 20 градусов. Латунный сепаратор с симметричными роликами. |
| 3NCHAR015CA | ISO | Угол контакта 20 градусов. Латунный сепаратор с симметричными роликами. |
| 3NCHAR015 | ISO | Угол контакта 20 градусов. |
| 3NCHAR015C | ISO | Угол контакта 20 градусов. |
| 180115-АК1 | ГОСТ | Повышенная грузоподъемность. |
| 50115-АК | ГОСТ | Повышенная грузоподъемность. |
| 50115-АК1 | ГОСТ | Повышенная грузоподъемность. |
| 50115-А | ГОСТ | Повышенная грузоподъемность. |
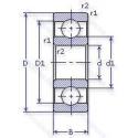
Аналог шарикового подшипника 6-115 АЛШ1 — это подшипник такого же размера dx75,Dx115,Bx20, типа и конструкции.
| Обозначение | Конструктивные особенности | Внутренний (d) | Наружный (D) | Ширина (B) |
|---|---|---|---|---|
| SC7015 DB/P7 | Шариковый радиальный подшипник. Two Single Row Deep Groove Ball Bearings. Single Row Angular Contact Ball Bearings Or Single Row Tapered Roller Bearings Matched For Mounting In A Back-To-Back Arrangement. Точность размеров соответствует классу ISO 4. Точность хода лучше. чем ISO Class 4. | 75.00 | 115.00 | 20.00 |
| SC7015 FB/P7 | Шариковый радиальный подшипник. Точность размеров соответствует классу ISO 4. Точность хода лучше. чем ISO Class 4. 18° Угол контакта. High Speed Design. | 75.00 | 115.00 | 20.00 |
| 6-46115 АЛ | Шариковый радиально-упорный однорядный подшипник. Сепаратор из латуни.. Повышенная грузоподъемность. | 75.00 | 115.00 | 20.00 |
| 6-46115 Е | Шариковый радиально-упорный однорядный подшипник. Сепаратор из текстолита.. | 75.00 | 115.00 | 20.00 |
| 6-46115 Л | Шариковый радиально-упорный однорядный подшипник. Сепаратор из латуни.. | 75.00 | 115.00 | 20.00 |
| 46115-А | Шариковый радиально-упорный однорядный подшипник. Повышенная грузоподъемность. | 75.00 | 115.00 | 20.00 |
| 46115-АЛ | Шариковый радиально-упорный однорядный подшипник. Сепаратор из латуни.. Повышенная грузоподъемность. | 75.00 | 115.00 | 20.00 |
| 46115-КЕ | Шариковый радиально-упорный однорядный подшипник. «Замок» (скос) на внутреннем кольце плюс массивный сепаратор из текстолита. Сепаратор из текстолита.. | 75.00 | 115.00 | 20.00 |
| 46115-Л | Шариковый радиально-упорный однорядный подшипник. Сепаратор из латуни.. | 75.00 | 115.00 | 20.00 |
| 46115К | Шариковый радиально-упорный однорядный подшипник. «Замок» (скос) на внутреннем кольце плюс массивный сепаратор из текстолита. | 75.00 | 115.00 | 20.00 |
| 5-36115 К | Шариковый радиально-упорный однорядный подшипник. «Замок» (скос) на внутреннем кольце плюс массивный сепаратор из текстолита. | 75.00 | 115.00 | 20.00 |
| 5-46115-К | Шариковый радиально-упорный однорядный подшипник. «Замок» (скос) на внутреннем кольце плюс массивный сепаратор из текстолита. | 75.00 | 115.00 | 20.00 |
| 5-46115-Л | Шариковый радиально-упорный однорядный подшипник. Сепаратор из латуни.. | 75.00 | 115.00 | 20.00 |
| 6-12115 ЕМ | Роликовый радиальный однорядный подшипник. Сепаратор из текстолита.. Модифицированный контакт.. | 75.00 | 115.00 | 20.00 |
| 6-12115 КМ | Роликовый радиальный однорядный подшипник. Модифицированный контакт.. | 75.00 | 115.00 | 20.00 |
Способы доставки
Отправка через ведущие транспортные и курьерские компании: ПЭК, Деловые Линии, СДЭК, Байкал-Сервис, Энергия, КИТ, ЖелДорЭкспедиция.
Самовывоз возможен напрямую со склада в Москве.
Сроки доставки
Срок зависит от региона и выбранной транспортной компании. Все заказы комплектуются и отправляются в кратчайшие сроки со склада в Москве.
Надёжность и сохранность
Вся продукция упаковывается с учётом требований транспортировки. Мы гарантируем, что подшипники и комплектующие прибудут к заказчику в полной сохранности.
Доставка в страны ЕАЭС
Мы работаем с проверенными логистическими партнёрами, что позволяет оперативно доставлять заказы в Беларусь, Казахстан, Армению и другие страны ЕАЭС.
Варианты оплаты:
Минимальная сумма заказа и скидки:
Документы и гарантии:
Да, конечно! Наши технические специалисты готовы помочь вам с подбором точного аналога или замены подшипника. Просто позвоните нам по телефону +7 (495) 104-99-04 или напишите на почту zakaz@podsnab.ru.
Для оперативной консультации подготовьте, пожалуйста, имеющиеся данные: маркировку, размеры, тип оборудования или артикул старого подшипника.
Да, конечно! Мы высоко ценим долгосрочное сотрудничество и доверие клиентов по всей России. Для постоянных клиентов действует персональная система скидок.
Условия формируются индивидуально и зависят от:
Чтобы узнать свои условия и получить максимально выгодное предложение, свяжитесь с персональным менеджером или напишите нам на почту zakaz@podsnab.ru.
Вы можете оформить заказ несколькими способами:
Для оформления заказа от юридического лица свяжитесь с нашим отделом по работе с корпоративными клиентами по телефону +7 (495) 104-99-04 или напишите на email zakaz@podsnab.ru, прикрепив реквизиты вашей организации.
Мы оперативно подготовим коммерческое предложение и выставим счет.
Возврат товара надлежащего качества возможен в течение 10 дней с момента получения, если товар не был в употреблении, сохранен товарный вид, упаковка не вскрывалась и присутствуют все сопроводительные документы.
Возврат денежных средств осуществляется в течение 10 рабочих дней после проверки товара складом.
В соответствии с законодательством возврату не подлежат подшипники надлежащего качества, если отсутствует оригинальная упаковка или имеются следы монтажа.
В случае выявления брака или гарантийного случая мы гарантируем возврат или обмен товара.
Да, гарантийный срок хранения устанавливается заводом-изготовителем и в среднем составляет 2 года при соблюдении условий хранения: сухое помещение, оригинальная упаковка и смазка.
Точный срок для конкретного типа подшипника уточняйте у наших менеджеров.
Пн–Пт: с 8:00 до 17:00 (МСК).
Сб–Вс: выходные дни.
Заказы на сайте принимаются круглосуточно. Заявки, поступившие после окончания рабочего дня, обрабатываются на следующий рабочий день.
Минимальная сумма заказа для доставки составляет 3000 рублей. Самовывоз со склада возможен на любую сумму при наличии товара.
ООО «УралТехГрупп»
ИНН: 7415093830
КПП: 772401001
ОГРН: 1167456069021
Банк: ПАО Сбербанк
Р/с: 40702810838000475273
К/с: 30101810400000000225
БИК: 044525225
У подшипника 6-115 АЛШ1 пока нет отзывов. Вы можете стать первым покупателем, поделившимся своим мнением.