Поиск подшипника
Статьи
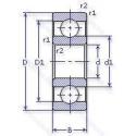
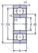
6-130 АШ — Шариковый радиальный однорядный подшипник, модификация основного исполнения 130, производство ГПЗ.
Размер подшипника: 150x225x35 мм.
Повышенная грузоподъемность, нормы шумности.
Государственный стандарт ГОСТ
6130АШ
В наличии
| Обозначение | Конструктивные изменения |
|---|---|
| 80-130 АЛ | Сепаратор из латуни.. Повышенная грузоподъемность. |
| 80-130 Л | Сепаратор из латуни.. |
| 130-АЛ | Сепаратор из латуни.. Повышенная грузоподъемность. |
| 6-130 АЛШ1 | Сепаратор из латуни.. Повышенная грузоподъемность. Нормы шумности. |
| 6-130 АЛШ | Сепаратор из латуни.. Повышенная грузоподъемность. Нормы шумности. |
| 6-130 АШ1 | Повышенная грузоподъемность. Нормы шумности. |
| 60-130 АЛ | Сепаратор из латуни.. Повышенная грузоподъемность. |
| 60-130 А | Повышенная грузоподъемность. |
| 76-130 АШ1 | Повышенная грузоподъемность. Нормы шумности. |
| 80-130 А | Повышенная грузоподъемность. |
| 70-130 А | Повышенная грузоподъемность. |
| 70-130 АЛ | Сепаратор из латуни.. Повышенная грузоподъемность. |
| 70-130 Л | Сепаратор из латуни.. |
| 130 | Шариковый радиальный однорядный подшипник. Основное конструктивное исполнение. |
| 130-А | Повышенная грузоподъемность. |
| 130-Л | Сепаратор из латуни.. |
| 5-130 АЛ | Сепаратор из латуни.. Повышенная грузоподъемность. |
| 5-130 Л | Сепаратор из латуни.. |
| 6130 | Шариковый радиальный однорядный подшипник. |
| 6-130 А | Повышенная грузоподъемность. |
| 6-130 АЛ | Сепаратор из латуни.. Повышенная грузоподъемность. |
| 6-130 Л | Сепаратор из латуни.. |
Модификации шарикового подшипника 6-130 АШ — это измененное основное конструктивное исполнение 130, основные размеры (150x225x35) не отличаются.
| Обозначение | Гост | Конструктивные особенности |
|---|---|---|
| 6030-RS | ISO | Резиновое уплотнение с одной стороны. |
| 6030-2RU | ISO | Non Contact Type Friction Torque = Small High Speed Performance = Good Grease Sealing = Better Than ZZ-Type Dirt Resistance = Better Than ZZ-Type Water Resistance = Better Than ZZ / Inferior To 2RS Operating Temp. -30°C To + 100°C. |
| 6030ZX | ISO | Съемная защитная шайба с одной стороны. |
| 6030LLB | ISO | Уплотнение бесконтактного типа из синтетического каучука. |
| 9130K | ISO | Коническое отверстие. Конусность 1/12. |
| 3NCHAC030CA | ISO | Угол контакта 20 градусов. Латунный сепаратор с симметричными роликами. |
| 3NCHAC030C | ISO | Угол контакта 20 градусов. |
| 3NCHAR030CA | ISO | Угол контакта 20 градусов. Латунный сепаратор с симметричными роликами. |
| 3NCHAR030 | ISO | Шариковый радиальный однорядный подшипник. |
| 3NCHAR030C | ISO | Угол контакта 20 градусов. |
Аналог шарикового подшипника 6-130 АШ — это подшипник такого же размера dx150,Dx225,Bx35, типа и конструкции.
| Обозначение | Конструктивные особенности | Внутренний (d) | Наружный (D) | Ширина (B) |
|---|---|---|---|---|
| 42130-КМ | Роликовый радиальный однорядный подшипник. Кольцевая проточка на середине цилиндрической наружной поверхности наружного кольца плюс три отверстия для смазки. Модифицированный контакт.. | 150.00 | 225.00 | 35.00 |
| 42130-Л | Роликовый радиальный однорядный подшипник. Сепаратор из латуни.. | 150.00 | 225.00 | 35.00 |
| 46130-Л | Шариковый радиально-упорный однорядный подшипник. Сепаратор из латуни.. | 150.00 | 225.00 | 35.00 |
| 46130К | Шариковый радиально-упорный однорядный подшипник. «Замок» (скос) на внутреннем кольце плюс массивный сепаратор из текстолита. | 150.00 | 225.00 | 35.00 |
| 5-126130 Р2 | Шариковый радиально-упорный однорядный подшипник. Детали из теплоустойчивой (быстрорежущие) стали.. | 150.00 | 225.00 | 35.00 |
| 5-32130 Б | Роликовый радиальный однорядный подшипник. Сепаратор из безоловянистой бронзы.. | 150.00 | 225.00 | 35.00 |
| 5-46130 К | Шариковый радиально-упорный однорядный подшипник. «Замок» (скос) на внутреннем кольце плюс массивный сепаратор из текстолита. | 150.00 | 225.00 | 35.00 |
| 5-46130 Л | Шариковый радиально-упорный однорядный подшипник. Сепаратор из латуни.. | 150.00 | 225.00 | 35.00 |
| 55-32130 БТ2 | Роликовый радиальный подшипник. 200°. Температура отпуска. Сепаратор из безоловянистой бронзы.. | 150.00 | 225.00 | 35.00 |
| 58-32130 БТ2 | Роликовый радиальный однорядный подшипник. 200°. Температура отпуска. Сепаратор из безоловянистой бронзы.. | 150.00 | 225.00 | 35.00 |
| 5АВ-32130 БТ2 | Роликовый радиальный однорядный подшипник. 200°. Температура отпуска. Сепаратор из безоловянистой бронзы.. | 150.00 | 225.00 | 35.00 |
| 6-176130 Б2Т2 | Шариковый радиально-упорный однорядный подшипник. 200°. Температура отпуска. Сепаратор из безоловянистой бронзы.. | 150.00 | 225.00 | 35.00 |
| 6-176130 Д | Шариковый радиально-упорный однорядный подшипник. Сепаратор из алюминиевого сплава.. | 150.00 | 225.00 | 35.00 |
| 6-176130 ДТ2 | Шариковый радиально-упорный однорядный подшипник. Сепаратор из алюминиевого сплава.. 200°. Температура отпуска. | 150.00 | 225.00 | 35.00 |
| 6-176130 Р2 | Шариковый радиально-упорный однорядный подшипник. Детали из теплоустойчивой (быстрорежущие) стали.. | 150.00 | 225.00 | 35.00 |
Способы доставки
Отправка через ведущие транспортные и курьерские компании: ПЭК, Деловые Линии, СДЭК, Байкал-Сервис, Энергия, КИТ, ЖелДорЭкспедиция.
Самовывоз возможен напрямую со склада в Москве.
Сроки доставки
Срок зависит от региона и выбранной транспортной компании. Все заказы комплектуются и отправляются в кратчайшие сроки со склада в Москве.
Надёжность и сохранность
Вся продукция упаковывается с учётом требований транспортировки. Мы гарантируем, что подшипники и комплектующие прибудут к заказчику в полной сохранности.
Доставка в страны ЕАЭС
Мы работаем с проверенными логистическими партнёрами, что позволяет оперативно доставлять заказы в Беларусь, Казахстан, Армению и другие страны ЕАЭС.
Варианты оплаты:
Минимальная сумма заказа и скидки:
Документы и гарантии:
Да, конечно! Наши технические специалисты готовы помочь вам с подбором точного аналога или замены подшипника. Просто позвоните нам по телефону +7 (495) 104-99-04 или напишите на почту zakaz@podsnab.ru.
Для оперативной консультации подготовьте, пожалуйста, имеющиеся данные: маркировку, размеры, тип оборудования или артикул старого подшипника.
Да, конечно! Мы высоко ценим долгосрочное сотрудничество и доверие клиентов по всей России. Для постоянных клиентов действует персональная система скидок.
Условия формируются индивидуально и зависят от:
Чтобы узнать свои условия и получить максимально выгодное предложение, свяжитесь с персональным менеджером или напишите нам на почту zakaz@podsnab.ru.
Вы можете оформить заказ несколькими способами:
Для оформления заказа от юридического лица свяжитесь с нашим отделом по работе с корпоративными клиентами по телефону +7 (495) 104-99-04 или напишите на email zakaz@podsnab.ru, прикрепив реквизиты вашей организации.
Мы оперативно подготовим коммерческое предложение и выставим счет.
Возврат товара надлежащего качества возможен в течение 10 дней с момента получения, если товар не был в употреблении, сохранен товарный вид, упаковка не вскрывалась и присутствуют все сопроводительные документы.
Возврат денежных средств осуществляется в течение 10 рабочих дней после проверки товара складом.
В соответствии с законодательством возврату не подлежат подшипники надлежащего качества, если отсутствует оригинальная упаковка или имеются следы монтажа.
В случае выявления брака или гарантийного случая мы гарантируем возврат или обмен товара.
Да, гарантийный срок хранения устанавливается заводом-изготовителем и в среднем составляет 2 года при соблюдении условий хранения: сухое помещение, оригинальная упаковка и смазка.
Точный срок для конкретного типа подшипника уточняйте у наших менеджеров.
Пн–Пт: с 8:00 до 17:00 (МСК).
Сб–Вс: выходные дни.
Заказы на сайте принимаются круглосуточно. Заявки, поступившие после окончания рабочего дня, обрабатываются на следующий рабочий день.
Минимальная сумма заказа для доставки составляет 3000 рублей. Самовывоз со склада возможен на любую сумму при наличии товара.
ООО «УралТехГрупп»
ИНН: 7415093830
КПП: 772401001
ОГРН: 1167456069021
Банк: ПАО Сбербанк
Р/с: 40702810838000475273
К/с: 30101810400000000225
БИК: 044525225
У подшипника 6-130 АШ пока нет отзывов. Вы можете стать первым покупателем, поделившимся своим мнением.