Поиск подшипника
Статьи
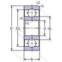
6-216-АК1Ш1 — Шариковый радиальный однорядный подшипник, модификация основного исполнения 216, производство ГПЗ.
Размер подшипника: 80x140x26 мм.
Нормы шумности, повышенная грузоподъемность.
Государственный стандарт ГОСТ
6216АК1Ш1
В наличии
| Обозначение | Конструктивные изменения |
|---|---|
| 87-216 А1 | Повышенная грузоподъемность. |
| В6-216 Ш1 | Нормы шумности. |
| В6-216 Ш | Нормы шумности. |
| Н0-216 | Ненормализованный радиальный зазор.. |
| Н8-216 | Ненормализованный радиальный зазор.. Детали из теплостойкой стали. |
| 6-216-Л | Сепаратор из латуни.. |
| 6-216-Ш1 | Нормы шумности. |
| 8-216 А | Повышенная грузоподъемность. |
| 8-216 К1 | Шариковый радиальный однорядный подшипник. |
| 36-216 АК1Ш | Повышенная грузоподъемность. Нормы шумности. |
| 5-216 АК1Ш2 | Нормы шумности. Повышенная грузоподъемность. |
| 6-216-АК1Ш | Повышенная грузоподъемность. Нормы шумности. |
| 6-216-К1Ш | Нормы шумности. |
| 6216 | Шариковый радиальный однорядный подшипник. |
| 6-216-А | Повышенная грузоподъемность. |
| 6-216-К | Шариковый радиальный однорядный подшипник. |
| 6-216-К1 | Шариковый радиальный однорядный подшипник. |
| 6-216-Ш2У | Дополнительные технические требования. Нормы шумности. |
| 216 | Шариковый радиальный однорядный подшипник. Основное конструктивное исполнение. |
| 216-А | Повышенная грузоподъемность. |
| 216-АК1 | Повышенная грузоподъемность. |
| 216-К | «Замок» (скос) на внутреннем кольце плюс массивный сепаратор из текстолита. |
| 216-К1 | «Замок» (скос) на внутреннем кольце плюс массивный сепаратор из текстолита. |
| 4216 | Шариковый радиальный однорядный подшипник. |
| 5-216 Л | Сепаратор из латуни.. |
Модификации шарикового подшипника 6-216-АК1Ш1 — это измененное основное конструктивное исполнение 216, основные размеры (80x140x26) не отличаются.
| Обозначение | Гост | Конструктивные особенности |
|---|---|---|
| 76-80216 АС17Ш1 | ГОСТ | Смазка Литол-24. Повышенная грузоподъемность. Нормы шумности. |
| 80216-К1С17Ш | ГОСТ | Смазка Литол-24. «Замок» (скос) на внутреннем кольце плюс массивный сепаратор из текстолита. Нормы шумности. |
| M6216 | ISO | Шарикоподшипник максимальной грузоподъемности. |
| M6216ZZ | ISO | Защитные металлические шайбы с обеих сторон. Шарикоподшипник максимальной грузоподъемности. |
| 6216-2RU | ISO | Non Contact Type Friction Torque = Small High Speed Performance = Good Grease Sealing = Better Than ZZ-Type Dirt Resistance = Better Than ZZ-Type Water Resistance = Better Than ZZ / Inferior To 2RS Operating Temp. -30°C To + 100°C. |
| 6216-2NK | ISO | Double Labyrinth Seal (Non Contact). |
| 6216NK | ISO | One Labyrinth Seal (Non Contact). |
| 6216-2Z-N | ISO | Защитные металлические шайбы с обеих сторон подшипника. Канавка под стопорное кольцо на внешнем кольце. |
| 6216-2Z-NR | ISO | Защитные металлические шайбы с обеих сторон подшипника. Канавка под стопорное кольцо на наружном кольце с соответствующим стопорным кольцом. |
| 6-80209 Л | ГОСТ | Сепаратор из латуни.. |
| SF1634C3 | ISO | Внутренний радиальный зазор С3. |
| 6216LLB | ISO | Уплотнение бесконтактного типа из синтетического каучука. |
| 6216LLUNR | ISO | Канавка и стопорное кольцо на наружном кольце. Двухкромочное нитриловое контактное уплотнение. |
| 6216ZZNR | ISO | Стальная шайба. Канавка и стопорное кольцо на наружном кольце. |
| 6216LU | ISO | Двухкромочное нитриловое контактное уплотнение. |
| 6216E | ISO | Контактное уплотнение с одной стороны. |
| S6216-2RS | ISO | Резиновые уплотнения с каждой стороны подшипника. |
| 180216-АК1 | ГОСТ | Повышенная грузоподъемность. |
| 50216-А | ГОСТ | Повышенная грузоподъемность. |
| 50216-АК1 | ГОСТ | Повышенная грузоподъемность. |
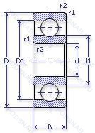
Аналог шарикового подшипника 6-216-АК1Ш1 — это подшипник такого же размера dx80,Dx140,Bx26, типа и конструкции.
| Обозначение | Конструктивные особенности | Внутренний (d) | Наружный (D) | Ширина (B) |
|---|---|---|---|---|
| 1216S | Шариковый сферический двухрядный подшипник. Запечатанная версия кулачкового ролика. | 80.00 | 140.00 | 26.00 |
| 42216-К1 | Роликовый радиальный однорядный подшипник. Кольцевая проточка на середине цилиндрической наружной поверхности наружного кольца плюс три отверстия для смазки. | 80.00 | 140.00 | 26.00 |
| 42216-К1М | Роликовый радиальный однорядный подшипник. Кольцевая проточка на середине цилиндрической наружной поверхности наружного кольца плюс три отверстия для смазки. Модифицированный контакт.. | 80.00 | 140.00 | 26.00 |
| 42216-КМ | Роликовый радиальный однорядный подшипник. Модифицированный контакт.. | 80.00 | 140.00 | 26.00 |
| 42216-Л | Роликовый радиальный однорядный подшипник. Сепаратор из латуни.. | 80.00 | 140.00 | 26.00 |
| 4-46216-Е | Шариковый радиально-упорный сдвоенный подшипник. Сепаратор из текстолита.. | 80.00 | 140.00 | 26.00 |
| 46216-А | Шариковый радиально-упорный однорядный подшипник. Повышенная грузоподъемность. | 80.00 | 140.00 | 26.00 |
| 46216-АЛ | Шариковый радиально-упорный однорядный подшипник. Сепаратор из латуни.. Повышенная грузоподъемность. | 75.00 | 130.00 | 26.00 |
| 46216-Е | Шариковый радиально-упорный однорядный подшипник. Сепаратор из текстолита.. | 80.00 | 140.00 | 26.00 |
| 46216-Л | Шариковый радиально-упорный однорядный подшипник. Сепаратор из латуни.. | 80.00 | 140.00 | 26.00 |
| 46216К | Шариковый радиально-упорный однорядный подшипник. «Замок» (скос) на внутреннем кольце плюс массивный сепаратор из текстолита. | 80.00 | 140.00 | 26.00 |
| 5-32216 Д1Т | Роликовый радиальный однорядный подшипник. Температура отпуска. 160°. Сепаратор из алюминиевого сплава.. | 80.00 | 140.00 | 26.00 |
| 5-36216 К | Шариковый радиально-упорный однорядный подшипник. «Замок» (скос) на внутреннем кольце плюс массивный сепаратор из текстолита. | 80.00 | 140.00 | 26.00 |
| 5-36216 Л | Шариковый радиально-упорный однорядный подшипник. Сепаратор из латуни.. | 80.00 | 140.00 | 26.00 |
| 5-46216 Л | Шариковый радиально-упорный однорядный подшипник. Сепаратор из латуни.. | 80.00 | 140.00 | 26.00 |
Способы доставки
Отправка через ведущие транспортные и курьерские компании: ПЭК, Деловые Линии, СДЭК, Байкал-Сервис, Энергия, КИТ, ЖелДорЭкспедиция.
Самовывоз возможен напрямую со склада в Москве.
Сроки доставки
Срок зависит от региона и выбранной транспортной компании. Все заказы комплектуются и отправляются в кратчайшие сроки со склада в Москве.
Надёжность и сохранность
Вся продукция упаковывается с учётом требований транспортировки. Мы гарантируем, что подшипники и комплектующие прибудут к заказчику в полной сохранности.
Доставка в страны ЕАЭС
Мы работаем с проверенными логистическими партнёрами, что позволяет оперативно доставлять заказы в Беларусь, Казахстан, Армению и другие страны ЕАЭС.
Варианты оплаты:
Минимальная сумма заказа и скидки:
Документы и гарантии:
Да, конечно! Наши технические специалисты готовы помочь вам с подбором точного аналога или замены подшипника. Просто позвоните нам по телефону +7 (495) 104-99-04 или напишите на почту zakaz@podsnab.ru.
Для оперативной консультации подготовьте, пожалуйста, имеющиеся данные: маркировку, размеры, тип оборудования или артикул старого подшипника.
Да, конечно! Мы высоко ценим долгосрочное сотрудничество и доверие клиентов по всей России. Для постоянных клиентов действует персональная система скидок.
Условия формируются индивидуально и зависят от:
Чтобы узнать свои условия и получить максимально выгодное предложение, свяжитесь с персональным менеджером или напишите нам на почту zakaz@podsnab.ru.
Вы можете оформить заказ несколькими способами:
Для оформления заказа от юридического лица свяжитесь с нашим отделом по работе с корпоративными клиентами по телефону +7 (495) 104-99-04 или напишите на email zakaz@podsnab.ru, прикрепив реквизиты вашей организации.
Мы оперативно подготовим коммерческое предложение и выставим счет.
Возврат товара надлежащего качества возможен в течение 10 дней с момента получения, если товар не был в употреблении, сохранен товарный вид, упаковка не вскрывалась и присутствуют все сопроводительные документы.
Возврат денежных средств осуществляется в течение 10 рабочих дней после проверки товара складом.
В соответствии с законодательством возврату не подлежат подшипники надлежащего качества, если отсутствует оригинальная упаковка или имеются следы монтажа.
В случае выявления брака или гарантийного случая мы гарантируем возврат или обмен товара.
Да, гарантийный срок хранения устанавливается заводом-изготовителем и в среднем составляет 2 года при соблюдении условий хранения: сухое помещение, оригинальная упаковка и смазка.
Точный срок для конкретного типа подшипника уточняйте у наших менеджеров.
Пн–Пт: с 8:00 до 17:00 (МСК).
Сб–Вс: выходные дни.
Заказы на сайте принимаются круглосуточно. Заявки, поступившие после окончания рабочего дня, обрабатываются на следующий рабочий день.
Минимальная сумма заказа для доставки составляет 3000 рублей. Самовывоз со склада возможен на любую сумму при наличии товара.
ООО «УралТехГрупп»
ИНН: 7415093830
КПП: 772401001
ОГРН: 1167456069021
Банк: ПАО Сбербанк
Р/с: 40702810838000475273
К/с: 30101810400000000225
БИК: 044525225
У подшипника 6-216-АК1Ш1 пока нет отзывов. Вы можете стать первым покупателем, поделившимся своим мнением.