Поиск подшипника
Статьи
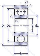
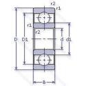
6-221 АШ — Шариковый радиальный однорядный подшипник, модификация основного исполнения 221, производство ГПЗ.
Размер подшипника: 105x190x36 мм.
Повышенная грузоподъемность, нормы шумности.
Государственный стандарт ГОСТ
6221АШ
В наличии
| Обозначение | Конструктивные изменения |
|---|---|
| 20-221 А | Повышенная грузоподъемность. |
| 6-221 АШ1 | Повышенная грузоподъемность. Нормы шумности. |
| 60-221 А | Повышенная грузоподъемность. |
| 76-221 АШ1 | Повышенная грузоподъемность. Нормы шумности. |
| 6221 | Шариковый радиальный однорядный подшипник. |
| 6-221 А | Повышенная грузоподъемность. |
| 70-221 А | Повышенная грузоподъемность. |
| 221 | Шариковый радиальный однорядный подшипник. Основное конструктивное исполнение. |
| 221-А | Повышенная грузоподъемность. |
| 26221 | Шариковый радиальный однорядный подшипник. |
| 5-221 | Шариковый радиальный однорядный подшипник. |
Модификации шарикового подшипника 6-221 АШ — это измененное основное конструктивное исполнение 221, основные размеры (105x190x36) не отличаются.
| Обозначение | Гост | Конструктивные особенности |
|---|---|---|
| 80221-А | ГОСТ | Повышенная грузоподъемность. |
| 6-80221 АL19Ш1 | ГОСТ | Lubricant. Mobil Oil Co.. Mobil 28 Grease. MIL-G-81322 High/Low Temperature -62°C/+176°C. Повышенная грузоподъемность. Нормы шумности. |
| 6-80221 АW24Ш | ГОСТ | Повышенная грузоподъемность. Нормы шумности. Смазка пластичная Shell Alvania Greases G2. |
| 6221-RS | ISO | Резиновое уплотнение с одной стороны. |
| 6221-2RU | ISO | Non Contact Type Friction Torque = Small High Speed Performance = Good Grease Sealing = Better Than ZZ-Type Dirt Resistance = Better Than ZZ-Type Water Resistance = Better Than ZZ / Inferior To 2RS Operating Temp. -30°C To + 100°C. |
| 6221ZX | ISO | Съемная защитная шайба с одной стороны. |
| 6221ZZX | ISO | Шариковый радиальный однорядный подшипник. |
| 6221-RSR | ISO | Контактное уплотнение с одной стороны. Радиальный тип. |
| 6221VV | ISO | Защитные металлические шайбы. с обеих сторон подшипника. Бесконтактное уплотнение. (лучше. чем ZZ. Можно использовать в умеренно запыленной среде). |
| BL 221 ZZ | ISO | Защитные металлические шайбы с обеих сторон. |
| BL 221 Z | ISO | щит из листовой прессованной стали с одной стороны подшипника. |
| BL 221 | ISO | Шариковый радиальный однорядный подшипник. |
| 6221LLUNR | ISO | Канавка и стопорное кольцо на наружном кольце. Двухкромочное нитриловое контактное уплотнение. |
| 6221LLB | ISO | Уплотнение бесконтактного типа из синтетического каучука. |
| 6221-RS1 | ISO | Резиновое уплотнение с одной стороны. |
Аналог шарикового подшипника 6-221 АШ — это подшипник такого же размера dx105,Dx190,Bx36, типа и конструкции.
| Обозначение | Конструктивные особенности | Внутренний (d) | Наружный (D) | Ширина (B) |
|---|---|---|---|---|
| E 200/105/S 7CE3 | Шариковый радиально-упорный однорядный подшипник. Запечатанная версия кулачкового ролика. Очень высокая грузоподъемность.. Осевой зазор в мкм. | 105.00 | 190.00 | 36.00 |
| E 200/105 7CE1 | Шариковый радиально-упорный однорядный подшипник. Очень высокая грузоподъемность.. Осевой зазор в мкм. | 105.00 | 190.00 | 36.00 |
| 7221C | Шариковый радиально-упорный однорядный подшипник. Угол контакта 15°. | 105.00 | 190.00 | 36.00 |
| 7221 A | Шариковый радиально-упорный однорядный подшипник. Двухрядный радиально-упорный шарикоподшипник без отверстия для смазки. | 105.00 | 190.00 | 36.00 |
| QJ 221 | Шариковый радиально-упорный однорядный подшипник. Штампованный сепаратор из стального листа. Шариковый подшипник с четырех-точечным контактом. | 105.00 | 190.00 | 36.00 |
| 7221CPA | Шариковый радиально-упорный однорядный подшипник. Угол контакта 15 градусов. | 105.00 | 190.00 | 36.00 |
| 7221-BE-MP | Шариковый радиально-упорный однорядный подшипник. Single Row Angular Contact Ball Bearing With A 40° Угол контакта And Optimized Internal Design. Массивный латунный сепаратор. центрированный по телам качения. | 105.00 | 190.00 | 36.00 |
| 1221-Л | Шариковый радиальный двухрядный подшипник. Сепаратор из латуни.. | 105.00 | 190.00 | 36.00 |
| 2В0-1221 Л | Шариковый радиальный двухрядный подшипник. Сепаратор из латуни.. | 105.00 | 190.00 | 36.00 |
| 6-32221 Д | Роликовый радиальный подшипник. Сепаратор из алюминиевого сплава.. | 105.00 | 190.00 | 36.00 |
| 6-42221 ЛШ2 | Роликовый радиальный однорядный подшипник. Сепаратор из латуни.. Нормы шумности. | 105.00 | 190.00 | 36.00 |
| 6-92721 Т1 | Роликовый радиальный однорядный подшипник. 180°. Температура отпуска. | 105.00 | 190.00 | 36.00 |
| 7221A | Роликовый радиальный-упорный однорядный подшипник. Двухрядный радиально-упорный шарикоподшипник без отверстия для смазки. | 105.00 | 190.00 | 36.00 |
| 42221-Л | Роликовый радиальный однорядный подшипник. Сепаратор из латуни.. | 105.00 | 190.00 | 36.00 |
| 42221-М | Роликовый радиальный однорядный подшипник. Модифицированный контакт.. | 105.00 | 190.00 | 36.00 |
Способы доставки
Отправка через ведущие транспортные и курьерские компании: ПЭК, Деловые Линии, СДЭК, Байкал-Сервис, Энергия, КИТ, ЖелДорЭкспедиция.
Самовывоз возможен напрямую со склада в Москве.
Сроки доставки
Срок зависит от региона и выбранной транспортной компании. Все заказы комплектуются и отправляются в кратчайшие сроки со склада в Москве.
Надёжность и сохранность
Вся продукция упаковывается с учётом требований транспортировки. Мы гарантируем, что подшипники и комплектующие прибудут к заказчику в полной сохранности.
Доставка в страны ЕАЭС
Мы работаем с проверенными логистическими партнёрами, что позволяет оперативно доставлять заказы в Беларусь, Казахстан, Армению и другие страны ЕАЭС.
Варианты оплаты:
Минимальная сумма заказа и скидки:
Документы и гарантии:
Да, конечно! Наши технические специалисты готовы помочь вам с подбором точного аналога или замены подшипника. Просто позвоните нам по телефону +7 (495) 104-99-04 или напишите на почту zakaz@podsnab.ru.
Для оперативной консультации подготовьте, пожалуйста, имеющиеся данные: маркировку, размеры, тип оборудования или артикул старого подшипника.
Да, конечно! Мы высоко ценим долгосрочное сотрудничество и доверие клиентов по всей России. Для постоянных клиентов действует персональная система скидок.
Условия формируются индивидуально и зависят от:
Чтобы узнать свои условия и получить максимально выгодное предложение, свяжитесь с персональным менеджером или напишите нам на почту zakaz@podsnab.ru.
Вы можете оформить заказ несколькими способами:
Для оформления заказа от юридического лица свяжитесь с нашим отделом по работе с корпоративными клиентами по телефону +7 (495) 104-99-04 или напишите на email zakaz@podsnab.ru, прикрепив реквизиты вашей организации.
Мы оперативно подготовим коммерческое предложение и выставим счет.
Возврат товара надлежащего качества возможен в течение 10 дней с момента получения, если товар не был в употреблении, сохранен товарный вид, упаковка не вскрывалась и присутствуют все сопроводительные документы.
Возврат денежных средств осуществляется в течение 10 рабочих дней после проверки товара складом.
В соответствии с законодательством возврату не подлежат подшипники надлежащего качества, если отсутствует оригинальная упаковка или имеются следы монтажа.
В случае выявления брака или гарантийного случая мы гарантируем возврат или обмен товара.
Да, гарантийный срок хранения устанавливается заводом-изготовителем и в среднем составляет 2 года при соблюдении условий хранения: сухое помещение, оригинальная упаковка и смазка.
Точный срок для конкретного типа подшипника уточняйте у наших менеджеров.
Пн–Пт: с 8:00 до 17:00 (МСК).
Сб–Вс: выходные дни.
Заказы на сайте принимаются круглосуточно. Заявки, поступившие после окончания рабочего дня, обрабатываются на следующий рабочий день.
Минимальная сумма заказа для доставки составляет 3000 рублей. Самовывоз со склада возможен на любую сумму при наличии товара.
ООО «УралТехГрупп»
ИНН: 7415093830
КПП: 772401001
ОГРН: 1167456069021
Банк: ПАО Сбербанк
Р/с: 40702810838000475273
К/с: 30101810400000000225
БИК: 044525225
У подшипника 6-221 АШ пока нет отзывов. Вы можете стать первым покупателем, поделившимся своим мнением.