Поиск подшипника
Статьи
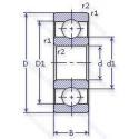
6-301 АШ — Шариковый радиальный однорядный подшипник, модификация основного исполнения 301, производство ГПЗ.
Размер подшипника: 12x37x12 мм.
Повышенная грузоподъемность, нормы шумности.
Государственный стандарт ГОСТ
6301АШ
В наличии
| Обозначение | Конструктивные изменения |
|---|---|
| 5-301 АШ2 | Нормы шумности. Повышенная грузоподъемность. |
| 6-301 АШ1 | Повышенная грузоподъемность. Нормы шумности. |
| 6-301 А | Повышенная грузоподъемность. |
| 6-301 КШ1 | Нормы шумности. |
| 6-301 КШ | Нормы шумности. |
| 6-301 Ш | Нормы шумности. |
| 8301 | Шариковый радиальный однорядный подшипник. |
| 6301 | Шариковый радиальный однорядный подшипник. |
| 6-301 Р | Детали из теплоустойчивой (быстрорежущие) стали.. |
| 6-301 У | Дополнительные технические требования. |
| 7301 | Шариковый радиальный однорядный подшипник. |
| 70301 | Шариковый радиальный однорядный подшипник. |
| 301 | Шариковый радиальный однорядный подшипник. Основное конструктивное исполнение. |
| 26-301 | Шариковый радиальный однорядный подшипник. |
| 24-301 ЕШ6 | Сепаратор из текстолита.. Нормы шумности. |
| 25301 | Шариковый радиальный однорядный подшипник. |
| 301-А | Повышенная грузоподъемность. |
| 301-Е5 | Сепаратор из текстолита.. |
| 301-Ш | Нормы шумности. |
| 5301 | Шариковый радиальный однорядный подшипник. |
| 5-301 Е | Сепаратор из текстолита.. |
| 5-301 У | Дополнительные технические требования. |
Модификации шарикового подшипника 6-301 АШ — это измененное основное конструктивное исполнение 301, основные размеры (12x37x12) не отличаются.
| Обозначение | Гост | Конструктивные особенности |
|---|---|---|
| 6301-RS2 | ISO | Contact Seal Of Fluoro Rubber (FPM) With Sheet Steel Reinforcement On One Side Of The Bearing. |
| 6301VV | ISO | Защитные металлические шайбы. с обеих сторон подшипника. Бесконтактное уплотнение. (лучше. чем ZZ. Можно использовать в умеренно запыленной среде). |
| 6301T1X | ISO | Полиамидный фиксатор. |
| 7-80301 С17 | ГОСТ | Смазка Литол-24. |
| TMB301JR2 | ISO | Штампованный сепаратор из упрочнённой стали. Изготовлено из специально термически обработанной стали. |
| 6301LLB | ISO | Уплотнение бесконтактного типа из синтетического каучука. |
| 6301LLH | ISO | Манжетное уплотнение с обеих сторон подшипника. |
| AC-6301ZZ | ISO | Защитные металлические шайбы с обеих сторон. Подшипник с предотвращением от проворота. |
| AC-6301 | ISO | Уплотнение из полиакрила. Подшипник с предотвращением от проворота. |
| AC-6301LLU | ISO | Контактное резиновое уплотнение с двух сторон. Подшипник с предотвращением от проворота. |
| AC-6301LLB | ISO | Уплотнение бесконтактного типа из синтетического каучука. Подшипник с предотвращением от проворота. |
| EC-6301 | ISO | Подшипник с компенсацией теплового расширения для общего применения. |
| EC-6301LLU | ISO | Контактное резиновое уплотнение с двух сторон. Подшипник с компенсацией теплового расширения для общего применения. |
| EC-6301ZZ | ISO | Защитные металлические шайбы с обеих сторон. Подшипник с компенсацией теплового расширения для общего применения. |
| 6301-RSL | ISO | Sheet Steel Reinforced Low Friction Contact Seal Of Acrylonitrile-Butadiene Rubber (NBR) On One Side Of The Bearing. |
| 6301-2RSL | ISO | Sheet Steel Reinforced Low Friction Contact Seal Of Acrylonitrile-Butadiene Rubber (NBR) On Both Sides Of The Bearing. |
| P6301-SB | ISO | Double Row. Angular Contact. Non-Filling Notch Bearing. With Outwardly Convergent Угол контактаs. Rigid Design. |
| P6301-GB | ISO | Подшипник для универсального монтажа. Два подшипника. установленные по О-образной или Х-образной схеме. имеют средний преднатяг. |
| S6301-2Z | ISO | Защитные металлические шайбы с обеих сторон подшипника. |
| 180301-А | ГОСТ | Повышенная грузоподъемность. |
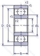
Аналог шарикового подшипника 6-301 АШ — это подшипник такого же размера dx12,Dx37,Bx12, типа и конструкции.
| Обозначение | Конструктивные особенности | Внутренний (d) | Наружный (D) | Ширина (B) |
|---|---|---|---|---|
| 7301B-2RS | Шариковый радиально-упорный однорядный подшипник. Резиновые уплотнения с каждой стороны подшипника. Конический роликовый подшипник. Угол контакта 20 градусов. | 12.00 | 37.00 | 12.00 |
| S7301B | Шариковый радиально-упорный однорядный подшипник. Конический роликовый подшипник. Угол контакта 20 градусов. | 12.00 | 37.00 | 12.00 |
| 7301C | Шариковый радиально-упорный однорядный подшипник. 15° Угол контакта. | 12.00 | 37.00 | 12.00 |
| 7301-BE-TVP | Шариковый радиально-упорный однорядный подшипник. Molded Snap-Type Cage Of Glass Fibre Reinforced Polyamide. Rolling Element Riding. Single Row Angular Contact Ball Bearing With A 40° Угол контакта And Optimized Internal Design. | 12.00 | 37.00 | 12.00 |
| 7301BEA | Шариковый радиально-упорный однорядный подшипник. 40° Угол контакта. High Capacity. All Four Corners Equal. | 12.00 | 37.00 | 12.00 |
| 26301К | Шариковый радиально-упорный однорядный подшипник. «Замок» (скос) на внутреннем кольце плюс массивный сепаратор из текстолита. | 12.00 | 37.00 | 12.00 |
| 36301К | Шариковый радиально-упорный однорядный подшипник. «Замок» (скос) на внутреннем кольце плюс массивный сепаратор из текстолита. | 12.00 | 37.00 | 12.00 |
| 1301 EM | Шариковый радиальный подшипник. Стандартный фланцевый ( с резьбой и сквозным отверстием). | 12.00 | 37.00 | 12.00 |
| W 6301-2RZ | Шариковый радиальный подшипник. Шарикоподшипник. С уплотнением и низким коэффициентом трения с обеих сторон. Уплотнение состоит из шайбы из листовой стали с вулканизированной резиной. Нержавеющая сталь. | 12.00 | 37.00 | 12.00 |
| 1301-У | Шариковый радиальный двухрядный подшипник. Дополнительные технические требования. | 12.00 | 37.00 | 12.00 |
| 2В0-1301 Л | Шариковый радиальный двухрядный подшипник. Сепаратор из латуни.. | 12.00 | 37.00 | 12.00 |
| 66301-Л | Шариковый радиально-упорный однорядный подшипник. Сепаратор из латуни.. | 12.00 | 37.00 | 12.00 |
| 1301S | Шариковый сферический двухрядный подшипник. Запечатанная версия кулачкового ролика. | 12.00 | 37.00 | 12.00 |
| 46301К | Шариковый радиально-упорный однорядный подшипник. «Замок» (скос) на внутреннем кольце плюс массивный сепаратор из текстолита. | 12.00 | 37.00 | 12.00 |
| 6-1301 Л | Шариковый радиальный двухрядный подшипник. Сепаратор из латуни.. | 12.00 | 37.00 | 12.00 |
Способы доставки
Отправка через ведущие транспортные и курьерские компании: ПЭК, Деловые Линии, СДЭК, Байкал-Сервис, Энергия, КИТ, ЖелДорЭкспедиция.
Самовывоз возможен напрямую со склада в Москве.
Сроки доставки
Срок зависит от региона и выбранной транспортной компании. Все заказы комплектуются и отправляются в кратчайшие сроки со склада в Москве.
Надёжность и сохранность
Вся продукция упаковывается с учётом требований транспортировки. Мы гарантируем, что подшипники и комплектующие прибудут к заказчику в полной сохранности.
Доставка в страны ЕАЭС
Мы работаем с проверенными логистическими партнёрами, что позволяет оперативно доставлять заказы в Беларусь, Казахстан, Армению и другие страны ЕАЭС.
Варианты оплаты:
Минимальная сумма заказа и скидки:
Документы и гарантии:
Да, конечно! Наши технические специалисты готовы помочь вам с подбором точного аналога или замены подшипника. Просто позвоните нам по телефону +7 (495) 104-99-04 или напишите на почту zakaz@podsnab.ru.
Для оперативной консультации подготовьте, пожалуйста, имеющиеся данные: маркировку, размеры, тип оборудования или артикул старого подшипника.
Да, конечно! Мы высоко ценим долгосрочное сотрудничество и доверие клиентов по всей России. Для постоянных клиентов действует персональная система скидок.
Условия формируются индивидуально и зависят от:
Чтобы узнать свои условия и получить максимально выгодное предложение, свяжитесь с персональным менеджером или напишите нам на почту zakaz@podsnab.ru.
Вы можете оформить заказ несколькими способами:
Для оформления заказа от юридического лица свяжитесь с нашим отделом по работе с корпоративными клиентами по телефону +7 (495) 104-99-04 или напишите на email zakaz@podsnab.ru, прикрепив реквизиты вашей организации.
Мы оперативно подготовим коммерческое предложение и выставим счет.
Возврат товара надлежащего качества возможен в течение 10 дней с момента получения, если товар не был в употреблении, сохранен товарный вид, упаковка не вскрывалась и присутствуют все сопроводительные документы.
Возврат денежных средств осуществляется в течение 10 рабочих дней после проверки товара складом.
В соответствии с законодательством возврату не подлежат подшипники надлежащего качества, если отсутствует оригинальная упаковка или имеются следы монтажа.
В случае выявления брака или гарантийного случая мы гарантируем возврат или обмен товара.
Да, гарантийный срок хранения устанавливается заводом-изготовителем и в среднем составляет 2 года при соблюдении условий хранения: сухое помещение, оригинальная упаковка и смазка.
Точный срок для конкретного типа подшипника уточняйте у наших менеджеров.
Пн–Пт: с 8:00 до 17:00 (МСК).
Сб–Вс: выходные дни.
Заказы на сайте принимаются круглосуточно. Заявки, поступившие после окончания рабочего дня, обрабатываются на следующий рабочий день.
Минимальная сумма заказа для доставки составляет 3000 рублей. Самовывоз со склада возможен на любую сумму при наличии товара.
ООО «УралТехГрупп»
ИНН: 7415093830
КПП: 772401001
ОГРН: 1167456069021
Банк: ПАО Сбербанк
Р/с: 40702810838000475273
К/с: 30101810400000000225
БИК: 044525225
У подшипника 6-301 АШ пока нет отзывов. Вы можете стать первым покупателем, поделившимся своим мнением.