Поиск подшипника
Статьи
6-409 АШ1 — Шариковый радиальный однорядный подшипник, модификация основного исполнения 409, производство ГПЗ.
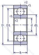
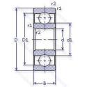
Размер подшипника: 45x120x29 мм.
Нормы шумности, повышенная грузоподъемность.
Государственный стандарт ГОСТ
6409АШ1
В наличии
| Обозначение | Конструктивные изменения |
|---|---|
| 80-409 | Шариковый радиальный однорядный подшипник. |
| 6-409 АК | Повышенная грузоподъемность. |
| 6-409 АКШ | Повышенная грузоподъемность. Нормы шумности. |
| 5-409 АШ2 | Нормы шумности. Повышенная грузоподъемность. |
| 6-409 АШ | Повышенная грузоподъемность. Нормы шумности. |
| 6-409 А | Повышенная грузоподъемность. |
| 6-409 Ш1 | Нормы шумности. |
| 76-409 АШ | Повышенная грузоподъемность. Нормы шумности. |
| 6-409 | Шариковый радиальный однорядный подшипник. |
| 7-409 А | Повышенная грузоподъемность. |
| 70-409 АК | Повышенная грузоподъемность. |
| 409 | Шариковый радиальный однорядный подшипник. Основное конструктивное исполнение. |
| 409-А | Повышенная грузоподъемность. |
| 409-АК | Повышенная грузоподъемность. |
| 409-АКШ | Повышенная грузоподъемность. Нормы шумности. |
| 409-АШ | Повышенная грузоподъемность. Нормы шумности. |
Модификации шарикового подшипника 6-409 АШ1 — это измененное основное конструктивное исполнение 409, основные размеры (45x120x29) не отличаются.
| Обозначение | Гост | Конструктивные особенности |
|---|---|---|
| 80409-АК | ГОСТ | Повышенная грузоподъемность. |
| 76-50409 Ш1 | ГОСТ | Нормы шумности. |
| 6-50409 А | ГОСТ | Повышенная грузоподъемность. |
| 700409-М | ГОСТ | Модифицированный контакт.. |
| 6-150409 АК | ГОСТ | Повышенная грузоподъемность. |
| 6-50409 АК | ГОСТ | Повышенная грузоподъемность. |
| 700409-А | ГОСТ | Повышенная грузоподъемность. |
| 80409-АКС17 | ГОСТ | Смазка Литол-24. Повышенная грузоподъемность. |
| 6-50409 АШ1 | ГОСТ | Повышенная грузоподъемность. Нормы шумности. |
| 6-50409 АШ | ГОСТ | Повышенная грузоподъемность. Нормы шумности. |
| 76-50409 АШ1 | ГОСТ | Повышенная грузоподъемность. Нормы шумности. |
| 76-50409 АШ | ГОСТ | Повышенная грузоподъемность. Нормы шумности. |
| 70-50409 | ГОСТ | Шариковый радиальный однорядный подшипник. |
| 70-50409 А | ГОСТ | Повышенная грузоподъемность. |
| 70-50409 АК | ГОСТ | Повышенная грузоподъемность. |
| 150409-А | ГОСТ | Повышенная грузоподъемность. |
| 150409-АК | ГОСТ | Повышенная грузоподъемность. |
| 50409-A | ГОСТ | Двухрядный радиально-упорный шарикоподшипник без отверстия для смазки. |
| 50409-А | ГОСТ | Повышенная грузоподъемность. |
| 50409-АК | ГОСТ | Повышенная грузоподъемность. |
Аналог шарикового подшипника 6-409 АШ1 — это подшипник такого же размера dx45,Dx120,Bx29, типа и конструкции.
| Обозначение | Конструктивные особенности | Внутренний (d) | Наружный (D) | Ширина (B) |
|---|---|---|---|---|
| 7409 A | Шариковый радиально-упорный однорядный подшипник. Двухрядный радиально-упорный шарикоподшипник без отверстия для смазки. | 45.00 | 120.00 | 29.00 |
| 2В0-66409 Д | Шариковый радиально-упорный однорядный подшипник. Сепаратор из алюминиевого сплава.. | 45.00 | 120.00 | 29.00 |
| 2В0-66409 Л | Шариковый радиально-упорный однорядный подшипник. Сепаратор из латуни.. | 45.00 | 120.00 | 29.00 |
| 6-692409 К1М | Роликовый радиальный цилиндрический однорядный подшипник. Кольцевая проточка на середине цилиндрической наружной поверхности наружного кольца плюс три отверстия для смазки. Модифицированный контакт.. | 45.00 | 120.00 | 29.00 |
| 66409-Д | Шариковый радиально-упорный однорядный подшипник. Сепаратор из алюминиевого сплава.. | 45.00 | 120.00 | 29.00 |
| 66409-Л | Шариковый радиально-упорный однорядный подшипник. Сепаратор из латуни.. | 45.00 | 120.00 | 29.00 |
| 692409-К1М | Роликовый радиальный цилиндрический подшипник. Кольцевая проточка на середине цилиндрической наружной поверхности наружного кольца плюс три отверстия для смазки. Модифицированный контакт.. | 45.00 | 120.00 | 29.00 |
| 692409-М | Роликовый радиальный цилиндрический однорядный подшипник. Модифицированный контакт.. | 45.00 | 120.00 | 29.00 |
| 42409-КМ | Роликовый радиальный однорядный подшипник. Кольцевая проточка на середине цилиндрической наружной поверхности наружного кольца плюс три отверстия для смазки. Модифицированный контакт.. | 45.00 | 120.00 | 29.00 |
| 42409-Л | Роликовый радиальный однорядный подшипник. Сепаратор из латуни.. | 45.00 | 120.00 | 29.00 |
| 42409-М | Роликовый радиальный однорядный подшипник. Модифицированный контакт.. | 45.00 | 120.00 | 29.00 |
| 42409-М1 | Роликовый радиальный однорядный подшипник. Модифицированный контакт.. | 45.00 | 120.00 | 29.00 |
| 42409M | Роликовый радиальный однорядный подшипник. Подшипник с латунным сепаратором. центрированный по телам качения. | 45.00 | 120.00 | 29.00 |
| 5-176409 Е2Ш2 | Шариковый радиально-упорный однорядный подшипник. Нормы шумности. Сепаратор из пластических материалов.. | 45.00 | 120.00 | 29.00 |
| 6-102409 М | Роликовый радиальный однорядный подшипник. Модифицированный контакт.. | 45.00 | 120.00 | 29.00 |
Способы доставки
Отправка через ведущие транспортные и курьерские компании: ПЭК, Деловые Линии, СДЭК, Байкал-Сервис, Энергия, КИТ, ЖелДорЭкспедиция.
Самовывоз возможен напрямую со склада в Москве.
Сроки доставки
Срок зависит от региона и выбранной транспортной компании. Все заказы комплектуются и отправляются в кратчайшие сроки со склада в Москве.
Надёжность и сохранность
Вся продукция упаковывается с учётом требований транспортировки. Мы гарантируем, что подшипники и комплектующие прибудут к заказчику в полной сохранности.
Доставка в страны ЕАЭС
Мы работаем с проверенными логистическими партнёрами, что позволяет оперативно доставлять заказы в Беларусь, Казахстан, Армению и другие страны ЕАЭС.
Варианты оплаты:
Минимальная сумма заказа и скидки:
Документы и гарантии:
Да, конечно! Наши технические специалисты готовы помочь вам с подбором точного аналога или замены подшипника. Просто позвоните нам по телефону +7 (495) 104-99-04 или напишите на почту zakaz@podsnab.ru.
Для оперативной консультации подготовьте, пожалуйста, имеющиеся данные: маркировку, размеры, тип оборудования или артикул старого подшипника.
Да, конечно! Мы высоко ценим долгосрочное сотрудничество и доверие клиентов по всей России. Для постоянных клиентов действует персональная система скидок.
Условия формируются индивидуально и зависят от:
Чтобы узнать свои условия и получить максимально выгодное предложение, свяжитесь с персональным менеджером или напишите нам на почту zakaz@podsnab.ru.
Вы можете оформить заказ несколькими способами:
Для оформления заказа от юридического лица свяжитесь с нашим отделом по работе с корпоративными клиентами по телефону +7 (495) 104-99-04 или напишите на email zakaz@podsnab.ru, прикрепив реквизиты вашей организации.
Мы оперативно подготовим коммерческое предложение и выставим счет.
Возврат товара надлежащего качества возможен в течение 10 дней с момента получения, если товар не был в употреблении, сохранен товарный вид, упаковка не вскрывалась и присутствуют все сопроводительные документы.
Возврат денежных средств осуществляется в течение 10 рабочих дней после проверки товара складом.
В соответствии с законодательством возврату не подлежат подшипники надлежащего качества, если отсутствует оригинальная упаковка или имеются следы монтажа.
В случае выявления брака или гарантийного случая мы гарантируем возврат или обмен товара.
Да, гарантийный срок хранения устанавливается заводом-изготовителем и в среднем составляет 2 года при соблюдении условий хранения: сухое помещение, оригинальная упаковка и смазка.
Точный срок для конкретного типа подшипника уточняйте у наших менеджеров.
Пн–Пт: с 8:00 до 17:00 (МСК).
Сб–Вс: выходные дни.
Заказы на сайте принимаются круглосуточно. Заявки, поступившие после окончания рабочего дня, обрабатываются на следующий рабочий день.
Минимальная сумма заказа для доставки составляет 3000 рублей. Самовывоз со склада возможен на любую сумму при наличии товара.
ООО «УралТехГрупп»
ИНН: 7415093830
КПП: 772401001
ОГРН: 1167456069021
Банк: ПАО Сбербанк
Р/с: 40702810838000475273
К/с: 30101810400000000225
БИК: 044525225
У подшипника 6-409 АШ1 пока нет отзывов. Вы можете стать первым покупателем, поделившимся своим мнением.