Поиск подшипника
Статьи
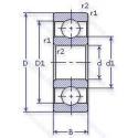
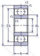
6-417 АШ — Шариковый радиальный однорядный подшипник, модификация основного исполнения 417, производство ГПЗ.
Размер подшипника: 85x210x52 мм.
Повышенная грузоподъемность, нормы шумности.
Государственный стандарт ГОСТ
6417АШ
В наличии
| Обозначение | Конструктивные изменения |
|---|---|
| 6-417 40К Р | Детали из теплоустойчивой (быстрорежущие) стали.. |
| 6-417 АЛШ1 | Сепаратор из латуни.. Повышенная грузоподъемность. Нормы шумности. |
| 6-417 АЛШ | Сепаратор из латуни.. Повышенная грузоподъемность. Нормы шумности. |
| 6-417Л | Сепаратор из латуни.. |
| 7417 | Шариковый радиальный однорядный подшипник. |
| 70417 | Шариковый радиальный однорядный подшипник. |
| 75-417 Ш2У | Дополнительные технические требования. Нормы шумности. |
| 76-417 Ш2У | Дополнительные технические требования. Нормы шумности. |
| 417 | Шариковый радиальный однорядный подшипник. Основное конструктивное исполнение. |
Модификации шарикового подшипника 6-417 АШ — это измененное основное конструктивное исполнение 417, основные размеры (85x210x52) не отличаются.
| Обозначение | Конструктивные особенности | Внутренний (d) | Наружный (D) | Ширина (B) |
|---|---|---|---|---|
| Н6-92417 К2М | Роликовый радиальный однорядный подшипник. Ненормализованный радиальный зазор.. Модифицированный контакт.. | 85.00 | 210.00 | 52.00 |
| 7417 BACBMC | Шариковый радиально-упорный подшипник. Однорядный с углом контакта 25°. | 85.00 | 210.00 | 52.00 |
| 7417 BAGAMC | Шариковый радиально-упорный подшипник. Измененная или модифицированная внутренняя конструкция при неизменных основных размерах. | 85.00 | 210.00 | 52.00 |
| 7417 A | Шариковый радиально-упорный однорядный подшипник. Двухрядный радиально-упорный шарикоподшипник без отверстия для смазки. | 85.00 | 210.00 | 52.00 |
| 7417B | Шариковый радиально-упорный однорядный подшипник. Угол контакта 40 градусов. | 85.00 | 210.00 | 52.00 |
| 6-32417 Л | Роликовый радиальный однорядный подшипник. Сепаратор из латуни.. | 85.00 | 210.00 | 52.00 |
| 62417К1М | Роликовый радиальный однорядный подшипник. Кольцевая проточка на середине цилиндрической наружной поверхности наружного кольца плюс три отверстия для смазки. Модифицированный контакт.. | 85.00 | 210.00 | 52.00 |
| 62417К1МУ | Роликовый радиальный однорядный подшипник. Дополнительные технические требования. Модифицированный контакт.. | 85.00 | 210.00 | 52.00 |
| 66417-АЛ1 | Шариковый радиально-упорный однорядный подшипник. Сепаратор из латуни.. Повышенная грузоподъемность. | 85.00 | 210.00 | 52.00 |
| 70-32417 М | Роликовый радиальный однорядный подшипник. Модифицированный контакт.. | 85.00 | 210.00 | 52.00 |
| 70-42417 М | Роликовый радиальный однорядный подшипник. Модифицированный контакт.. | 85.00 | 210.00 | 52.00 |
| 76-32417 МШ | Роликовый радиальный подшипник. Модифицированный контакт.. Нормы шумности. | 85.00 | 210.00 | 52.00 |
| 10417 M | Шариковый сферический двухрядный подшипник. Подшипник с латунным сепаратором. центрированный по телам качения. | 85.00 | 210.00 | 52.00 |
| 42417-Л | Роликовый радиальный однорядный подшипник. Сепаратор из латуни.. | 85.00 | 210.00 | 52.00 |
| 42417-М | Роликовый радиальный однорядный подшипник. Модифицированный контакт.. | 85.00 | 210.00 | 52.00 |
Способы доставки
Отправка через ведущие транспортные и курьерские компании: ПЭК, Деловые Линии, СДЭК, Байкал-Сервис, Энергия, КИТ, ЖелДорЭкспедиция.
Самовывоз возможен напрямую со склада в Москве.
Сроки доставки
Срок зависит от региона и выбранной транспортной компании. Все заказы комплектуются и отправляются в кратчайшие сроки со склада в Москве.
Надёжность и сохранность
Вся продукция упаковывается с учётом требований транспортировки. Мы гарантируем, что подшипники и комплектующие прибудут к заказчику в полной сохранности.
Доставка в страны ЕАЭС
Мы работаем с проверенными логистическими партнёрами, что позволяет оперативно доставлять заказы в Беларусь, Казахстан, Армению и другие страны ЕАЭС.
Варианты оплаты:
Минимальная сумма заказа и скидки:
Документы и гарантии:
Да, конечно! Наши технические специалисты готовы помочь вам с подбором точного аналога или замены подшипника. Просто позвоните нам по телефону +7 (495) 104-99-04 или напишите на почту zakaz@podsnab.ru.
Для оперативной консультации подготовьте, пожалуйста, имеющиеся данные: маркировку, размеры, тип оборудования или артикул старого подшипника.
Да, конечно! Мы высоко ценим долгосрочное сотрудничество и доверие клиентов по всей России. Для постоянных клиентов действует персональная система скидок.
Условия формируются индивидуально и зависят от:
Чтобы узнать свои условия и получить максимально выгодное предложение, свяжитесь с персональным менеджером или напишите нам на почту zakaz@podsnab.ru.
Вы можете оформить заказ несколькими способами:
Для оформления заказа от юридического лица свяжитесь с нашим отделом по работе с корпоративными клиентами по телефону +7 (495) 104-99-04 или напишите на email zakaz@podsnab.ru, прикрепив реквизиты вашей организации.
Мы оперативно подготовим коммерческое предложение и выставим счет.
Возврат товара надлежащего качества возможен в течение 10 дней с момента получения, если товар не был в употреблении, сохранен товарный вид, упаковка не вскрывалась и присутствуют все сопроводительные документы.
Возврат денежных средств осуществляется в течение 10 рабочих дней после проверки товара складом.
В соответствии с законодательством возврату не подлежат подшипники надлежащего качества, если отсутствует оригинальная упаковка или имеются следы монтажа.
В случае выявления брака или гарантийного случая мы гарантируем возврат или обмен товара.
Да, гарантийный срок хранения устанавливается заводом-изготовителем и в среднем составляет 2 года при соблюдении условий хранения: сухое помещение, оригинальная упаковка и смазка.
Точный срок для конкретного типа подшипника уточняйте у наших менеджеров.
Пн–Пт: с 8:00 до 17:00 (МСК).
Сб–Вс: выходные дни.
Заказы на сайте принимаются круглосуточно. Заявки, поступившие после окончания рабочего дня, обрабатываются на следующий рабочий день.
Минимальная сумма заказа для доставки составляет 3000 рублей. Самовывоз со склада возможен на любую сумму при наличии товара.
ООО «УралТехГрупп»
ИНН: 7415093830
КПП: 772401001
ОГРН: 1167456069021
Банк: ПАО Сбербанк
Р/с: 40702810838000475273
К/с: 30101810400000000225
БИК: 044525225
У подшипника 6-417 АШ пока нет отзывов. Вы можете стать первым покупателем, поделившимся своим мнением.