Поиск подшипника
Статьи
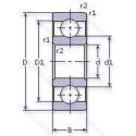
6-7000111 АШ1 — Шариковый радиальный однорядный подшипник, модификация основного исполнения 7000111, производство ГПЗ.
Размер подшипника: 55x90x11 мм.
Нормы шумности, повышенная грузоподъемность.
Государственный стандарт ГОСТ
67000111АШ1
В наличии
| Обозначение | Конструктивные изменения |
|---|---|
| 4-7000111 Б | Сепаратор из безоловянистой бронзы.. |
| 5-7000111 Б | Сепаратор из безоловянистой бронзы.. |
| 6-7000111 АЛШ | Сепаратор из латуни.. Повышенная грузоподъемность. Нормы шумности. |
| 6-7000111 АШ | Повышенная грузоподъемность. Нормы шумности. |
| 6-7000111 Б | Сепаратор из безоловянистой бронзы.. |
| 7000111-А | Повышенная грузоподъемность. |
| 7000111-Б | Сепаратор из безоловянистой бронзы.. |
| 7000111-Л | Сепаратор из латуни.. |
| 7000111 | Шариковый радиальный однорядный подшипник. Основное конструктивное исполнение. |
| 26-7000111 БТ2 | 200°. Температура отпуска. Сепаратор из безоловянистой бронзы.. |
| 5-7000111 Ш | Нормы шумности. |
Модификации шарикового подшипника 6-7000111 АШ1 — это измененное основное конструктивное исполнение 7000111, основные размеры (55x90x11) не отличаются.
| Обозначение | Гост | Конструктивные особенности |
|---|---|---|
| 6-970711 У | ГОСТ | Дополнительные технические требования. |
| 970711 | ГОСТ | Шариковый радиальный однорядный подшипник. |
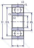
Аналог шарикового подшипника 6-7000111 АШ1 — это подшипник такого же размера dx55,Dx90,Bx11, типа и конструкции.
| Обозначение | Конструктивные особенности | Внутренний (d) | Наружный (D) | Ширина (B) |
|---|---|---|---|---|
| 16011C4 | Подшипник однорядный шариковый радиальный. Внутренний зазор подшипника больше. чем C3. | 55.00 | 90.00 | 11.00 |
| K81211LPB | Подшипник роликовый цилиндрический в сборе с сепаратором. Обработанная сепаратор из легкого металла. Верховой вал. | 55.00 | 90.00 | 11.00 |
| 16011MB | Подшипник однорядный шариковый радиальный. сепаратор из латуни. центрированный по внутреннему кольцу. | 55.00 | 90.00 | 11.00 |
| K81211-TV-A/-4 | Подшипник роликовый цилиндрический в сборе с сепаратором. Прочный сепаратор из полиамида. армированного стекловолокном. микрон. игольчатая сортировка. | 55.00 | 90.00 | 11.00 |
| 16011-Z | Подшипник однорядный шариковый радиальный. щит из листовой прессованной стали с одной стороны подшипника. | 55.00 | 90.00 | 11.00 |
| 16011ZZ | Подшипник однорядный шариковый радиальный. Защитные металлические шайбы с обеих сторон. | 55.00 | 90.00 | 11.00 |
| 16011-2Z | Подшипник однорядный шариковый радиальный. Защитные металлические шайбы с обеих сторон. | 55.00 | 90.00 | 11.00 |
| K81211T2 | Подшипник роликовый цилиндрический в сборе с сепаратором. Пластиковый сепаратор. Нейлон или тефлон. | 55.00 | 90.00 | 11.00 |
| 16011P62 | Подшипник однорядный шариковый радиальный. Сочетание P6 (размерная точность и точность хода в соответствии с классом допуска ISO 6 (лучше. чем обычно)) и C2 (внутренний зазор подшипника меньше. чем обычно). | 55.00 | 90.00 | 11.00 |
| K81211-TV-A/-6 | Подшипник роликовый цилиндрический в сборе с сепаратором. Особенность внутренней конструкции. Сепаратор из полиамида. микрон. игольчатая сортировка. | 55.00 | 90.00 | 11.00 |
| K81211LPB.P5 | Подшипник роликовый цилиндрический в сборе с сепаратором. Размерная и рабочая точность соответствует классу допуска ISO 5. Обработанная сепаратор из легкого металла. Верховой вал. | 55.00 | 90.00 | 11.00 |
| 16011A | Подшипник однорядный шариковый радиальный. Двухрядный радиально-упорный шарикоподшипник без отверстия для смазки. | 55.00 | 90.00 | 11.00 |
| K81211TNA | Подшипник роликовый цилиндрический в сборе с сепаратором. Прочный сепаратор из полиамида. армированного стекловолокном. | 55.00 | 90.00 | 11.00 |
| K81211-TV-A/0-8 | Подшипник роликовый цилиндрический в сборе с сепаратором. Прочный сепаратор из полиамида. армированного стекловолокном. Средний предварительный натяг. микрон. игольчатая сортировка. | 55.00 | 90.00 | 11.00 |
| K81211-TV | Роликовый упорный подшипник. Прочный сепаратор из полиамида. армированного стекловолокном. | 55.00 | 90.00 | 11.00 |
Способы доставки
Отправка через ведущие транспортные и курьерские компании: ПЭК, Деловые Линии, СДЭК, Байкал-Сервис, Энергия, КИТ, ЖелДорЭкспедиция.
Самовывоз возможен напрямую со склада в Москве.
Сроки доставки
Срок зависит от региона и выбранной транспортной компании. Все заказы комплектуются и отправляются в кратчайшие сроки со склада в Москве.
Надёжность и сохранность
Вся продукция упаковывается с учётом требований транспортировки. Мы гарантируем, что подшипники и комплектующие прибудут к заказчику в полной сохранности.
Доставка в страны ЕАЭС
Мы работаем с проверенными логистическими партнёрами, что позволяет оперативно доставлять заказы в Беларусь, Казахстан, Армению и другие страны ЕАЭС.
Варианты оплаты:
Минимальная сумма заказа и скидки:
Документы и гарантии:
Да, конечно! Наши технические специалисты готовы помочь вам с подбором точного аналога или замены подшипника. Просто позвоните нам по телефону +7 (495) 104-99-04 или напишите на почту zakaz@podsnab.ru.
Для оперативной консультации подготовьте, пожалуйста, имеющиеся данные: маркировку, размеры, тип оборудования или артикул старого подшипника.
Да, конечно! Мы высоко ценим долгосрочное сотрудничество и доверие клиентов по всей России. Для постоянных клиентов действует персональная система скидок.
Условия формируются индивидуально и зависят от:
Чтобы узнать свои условия и получить максимально выгодное предложение, свяжитесь с персональным менеджером или напишите нам на почту zakaz@podsnab.ru.
Вы можете оформить заказ несколькими способами:
Для оформления заказа от юридического лица свяжитесь с нашим отделом по работе с корпоративными клиентами по телефону +7 (495) 104-99-04 или напишите на email zakaz@podsnab.ru, прикрепив реквизиты вашей организации.
Мы оперативно подготовим коммерческое предложение и выставим счет.
Возврат товара надлежащего качества возможен в течение 10 дней с момента получения, если товар не был в употреблении, сохранен товарный вид, упаковка не вскрывалась и присутствуют все сопроводительные документы.
Возврат денежных средств осуществляется в течение 10 рабочих дней после проверки товара складом.
В соответствии с законодательством возврату не подлежат подшипники надлежащего качества, если отсутствует оригинальная упаковка или имеются следы монтажа.
В случае выявления брака или гарантийного случая мы гарантируем возврат или обмен товара.
Да, гарантийный срок хранения устанавливается заводом-изготовителем и в среднем составляет 2 года при соблюдении условий хранения: сухое помещение, оригинальная упаковка и смазка.
Точный срок для конкретного типа подшипника уточняйте у наших менеджеров.
Пн–Пт: с 8:00 до 17:00 (МСК).
Сб–Вс: выходные дни.
Заказы на сайте принимаются круглосуточно. Заявки, поступившие после окончания рабочего дня, обрабатываются на следующий рабочий день.
Минимальная сумма заказа для доставки составляет 3000 рублей. Самовывоз со склада возможен на любую сумму при наличии товара.
ООО «УралТехГрупп»
ИНН: 7415093830
КПП: 772401001
ОГРН: 1167456069021
Банк: ПАО Сбербанк
Р/с: 40702810838000475273
К/с: 30101810400000000225
БИК: 044525225
У подшипника 6-7000111 АШ1 пока нет отзывов. Вы можете стать первым покупателем, поделившимся своим мнением.