Поиск подшипника
Статьи
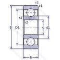
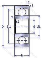
6-7000118 АШ — Шариковый радиальный однорядный подшипник, модификация основного исполнения 7000118, производство ГПЗ.
Размер подшипника: 90x140x16 мм.
Повышенная грузоподъемность, нормы шумности.
Государственный стандарт ГОСТ
67000118АШ
В наличии
| Обозначение | Конструктивные изменения |
|---|---|
| 6-7000118 АШ1 | Повышенная грузоподъемность. Нормы шумности. |
| 6-7000118 А | Повышенная грузоподъемность. |
| 6-7000118 | Шариковый радиальный однорядный подшипник. |
| 76-7000118 АШ | Повышенная грузоподъемность. Нормы шумности. |
| 7000118-А | Повышенная грузоподъемность. |
| 7000118 | Шариковый радиальный однорядный подшипник. Основное конструктивное исполнение. |
Модификации шарикового подшипника 6-7000118 АШ — это измененное основное конструктивное исполнение 7000118, основные размеры (90x140x16) не отличаются.
| Обозначение | Конструктивные особенности | Внутренний (d) | Наружный (D) | Ширина (B) |
|---|---|---|---|---|
| 16018C3 | Подшипник однорядный шариковый радиальный. Внутренний зазор больше нормального. | 90.00 | 140.00 | 16.00 |
| 16018CM | Подшипник однорядный шариковый радиальный. Шариковый подшипник. Специальный радиальный внутренний зазор для электродвигателей. | 90.00 | 140.00 | 16.00 |
| 16018-C4 | Подшипник однорядный шариковый радиальный. Внутренний зазор подшипника больше. чем C3. | 90.00 | 140.00 | 16.00 |
| 16018EM | Подшипник однорядный шариковый радиальный. Стандартный фланцевый ( с резьбой и сквозным отверстием). | 90.00 | 140.00 | 16.00 |
| 16018/W64 | Подшипник однорядный шариковый радиальный. Антифрикционный заполнитель. твердая смазка. | 90.00 | 140.00 | 16.00 |
| 16018L1 A C3 | Подшипник однорядный шариковый радиальный. Внутренний зазор больше нормального. Двухрядный радиально-упорный шарикоподшипник без отверстия для смазки. Механически обработанный латунный сепаратор. | 90.00 | 140.00 | 16.00 |
| 16018-M-C3-H108 | Подшипник однорядный шариковый радиальный. Внутренний зазор больше нормального. Твердый латунный сепаратор. Шариковые направляющие. Product Modifications Only If Approved By Renk. Augsburg. | 90.00 | 140.00 | 16.00 |
| 16018-MA-H108 | Подшипник однорядный шариковый радиальный. Механически обработанный латунный сепаратор. Центрирование по внешнему кольцу. Product Modifications Only If Approved By Renk. Augsburg. | 90.00 | 140.00 | 16.00 |
| 16018J30 | Подшипник однорядный шариковый радиальный. Внутренний зазор больше нормального. | 90.00 | 140.00 | 16.00 |
| 16018M P64 | Подшипник однорядный шариковый радиальный. Механически обработанный латунный сепаратор .Расположенный на элементах качения. Комбинация P6 (Точность размеров и хода по классу допуска ISO 6 (лучше. чем нормальный)) и C4 (Внутренний зазор подшипника больше. чем C3). | 90.00 | 140.00 | 16.00 |
| 16018-C3-OEM | Подшипник однорядный шариковый радиальный. Внутренний зазор больше нормального. Производитель оригинального оборудования. | 90.00 | 140.00 | 16.00 |
| 16018-M-C3 | Подшипник однорядный шариковый радиальный. Внутренний зазор больше нормального. Твердый латунный сепаратор. Шариковые направляющие. | 90.00 | 140.00 | 16.00 |
| 16018-MA | Подшипник однорядный шариковый радиальный. Механически обработанный латунный сепаратор. Центрирование по внешнему кольцу. | 90.00 | 140.00 | 16.00 |
| 16018.C2 | Подшипник однорядный шариковый радиальный. Внутренний зазор подшипника меньше нормального. | 90.00 | 140.00 | 16.00 |
| 16018-MA-C3 | Подшипник однорядный шариковый радиальный. Внутренний зазор больше нормального. Механически обработанный латунный сепаратор. Центрирование по внешнему кольцу. | 90.00 | 140.00 | 16.00 |
Способы доставки
Отправка через ведущие транспортные и курьерские компании: ПЭК, Деловые Линии, СДЭК, Байкал-Сервис, Энергия, КИТ, ЖелДорЭкспедиция.
Самовывоз возможен напрямую со склада в Москве.
Сроки доставки
Срок зависит от региона и выбранной транспортной компании. Все заказы комплектуются и отправляются в кратчайшие сроки со склада в Москве.
Надёжность и сохранность
Вся продукция упаковывается с учётом требований транспортировки. Мы гарантируем, что подшипники и комплектующие прибудут к заказчику в полной сохранности.
Доставка в страны ЕАЭС
Мы работаем с проверенными логистическими партнёрами, что позволяет оперативно доставлять заказы в Беларусь, Казахстан, Армению и другие страны ЕАЭС.
Варианты оплаты:
Минимальная сумма заказа и скидки:
Документы и гарантии:
Да, конечно! Наши технические специалисты готовы помочь вам с подбором точного аналога или замены подшипника. Просто позвоните нам по телефону +7 (495) 104-99-04 или напишите на почту zakaz@podsnab.ru.
Для оперативной консультации подготовьте, пожалуйста, имеющиеся данные: маркировку, размеры, тип оборудования или артикул старого подшипника.
Да, конечно! Мы высоко ценим долгосрочное сотрудничество и доверие клиентов по всей России. Для постоянных клиентов действует персональная система скидок.
Условия формируются индивидуально и зависят от:
Чтобы узнать свои условия и получить максимально выгодное предложение, свяжитесь с персональным менеджером или напишите нам на почту zakaz@podsnab.ru.
Вы можете оформить заказ несколькими способами:
Для оформления заказа от юридического лица свяжитесь с нашим отделом по работе с корпоративными клиентами по телефону +7 (495) 104-99-04 или напишите на email zakaz@podsnab.ru, прикрепив реквизиты вашей организации.
Мы оперативно подготовим коммерческое предложение и выставим счет.
Возврат товара надлежащего качества возможен в течение 10 дней с момента получения, если товар не был в употреблении, сохранен товарный вид, упаковка не вскрывалась и присутствуют все сопроводительные документы.
Возврат денежных средств осуществляется в течение 10 рабочих дней после проверки товара складом.
В соответствии с законодательством возврату не подлежат подшипники надлежащего качества, если отсутствует оригинальная упаковка или имеются следы монтажа.
В случае выявления брака или гарантийного случая мы гарантируем возврат или обмен товара.
Да, гарантийный срок хранения устанавливается заводом-изготовителем и в среднем составляет 2 года при соблюдении условий хранения: сухое помещение, оригинальная упаковка и смазка.
Точный срок для конкретного типа подшипника уточняйте у наших менеджеров.
Пн–Пт: с 8:00 до 17:00 (МСК).
Сб–Вс: выходные дни.
Заказы на сайте принимаются круглосуточно. Заявки, поступившие после окончания рабочего дня, обрабатываются на следующий рабочий день.
Минимальная сумма заказа для доставки составляет 3000 рублей. Самовывоз со склада возможен на любую сумму при наличии товара.
ООО «УралТехГрупп»
ИНН: 7415093830
КПП: 772401001
ОГРН: 1167456069021
Банк: ПАО Сбербанк
Р/с: 40702810838000475273
К/с: 30101810400000000225
БИК: 044525225
У подшипника 6-7000118 АШ пока нет отзывов. Вы можете стать первым покупателем, поделившимся своим мнением.