Поиск подшипника
Статьи
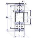
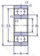
60-134 Л — Шариковый радиальный однорядный подшипник, модификация основного исполнения 134, производство ГПЗ.
Размер подшипника: 170x260x42 мм.
Сепаратор из латуни.
Государственный стандарт ГОСТ
60134Л
В наличии
| Обозначение | Конструктивные изменения |
|---|---|
| 134-АШ | Повышенная грузоподъемность. Нормы шумности. |
| 134-АЛ | Сепаратор из латуни.. Повышенная грузоподъемность. |
| 6-134 АЛШ1 | Сепаратор из латуни.. Повышенная грузоподъемность. Нормы шумности. |
| 6-134 АЛШ | Сепаратор из латуни.. Повышенная грузоподъемность. Нормы шумности. |
| 6-134 АШ1 | Повышенная грузоподъемность. Нормы шумности. |
| 6-134 АШ | Повышенная грузоподъемность. Нормы шумности. |
| 76-134 АЛШ1 | Сепаратор из латуни.. Повышенная грузоподъемность. Нормы шумности. |
| 76-134 АЛШ | Сепаратор из латуни.. Повышенная грузоподъемность. Нормы шумности. |
| 70-134 АЛ | Сепаратор из латуни.. Повышенная грузоподъемность. |
| 70-134 Л | Сепаратор из латуни.. |
| 134 | Шариковый радиальный однорядный подшипник. Основное конструктивное исполнение. |
| 134-А | Повышенная грузоподъемность. |
| 134-Л | Сепаратор из латуни.. |
| 2В0-134 Л | Сепаратор из латуни.. |
| 6134 | Шариковый радиальный однорядный подшипник. |
| 6-134 АЛ | Сепаратор из латуни.. Повышенная грузоподъемность. |
| 6-134 Л | Сепаратор из латуни.. |
Модификации шарикового подшипника 60-134 Л — это измененное основное конструктивное исполнение 134, основные размеры (170x260x42) не отличаются.
| Обозначение | Гост | Конструктивные особенности |
|---|---|---|
| 6-734 Л1Ш1 | ГОСТ | Сепаратор из латуни.. Нормы шумности. |
| 6-734 Л1Ш | ГОСТ | Сепаратор из латуни.. Нормы шумности. |
| 6034-RS | ISO | Резиновое уплотнение с одной стороны. |
| 6034Z | ISO | Стальная шайба. |
| 6034ZZX | ISO | Шариковый радиальный однорядный подшипник. |
| 6034-2RU | ISO | Non Contact Type Friction Torque = Small High Speed Performance = Good Grease Sealing = Better Than ZZ-Type Dirt Resistance = Better Than ZZ-Type Water Resistance = Better Than ZZ / Inferior To 2RS Operating Temp. -30°C To + 100°C. |
| 6034ZX | ISO | Съемная защитная шайба с одной стороны. |
| 7-710134 | ГОСТ | Шариковый радиальный однорядный подшипник. |
| 7-710134 А | ГОСТ | Повышенная грузоподъемность. |
| 710134-А | ГОСТ | Повышенная грузоподъемность. |
| 710134У | ГОСТ | Дополнительные технические требования. |
| 734-Л1 | ГОСТ | Сепаратор из латуни.. |
| 9134K | ISO | Коническое отверстие. Конусность 1/12. |
| 3NCHAC034C | ISO | Угол контакта 20 градусов. |
| 3NCHAC034CA | ISO | Угол контакта 20 градусов. Латунный сепаратор с симметричными роликами. |
| 3NCHAR034C | ISO | Угол контакта 20 градусов. |
| 3NCHAR034CA | ISO | Угол контакта 20 градусов. Латунный сепаратор с симметричными роликами. |
| 3NCHAR034 | ISO | Шариковый радиальный однорядный подшипник. |
Аналог шарикового подшипника 60-134 Л — это подшипник такого же размера dx170,Dx260,Bx42, типа и конструкции.
| Обозначение | Конструктивные особенности | Внутренний (d) | Наружный (D) | Ширина (B) |
|---|---|---|---|---|
| 266134Л2 | Шариковый радиально-упорный сдвоенный подшипник. Сепаратор из латуни.. | 170.00 | 260.00 | 42.00 |
| 266134Л2У | Шариковый радиально-упорный сдвоенный подшипник. Дополнительные технические требования. Сепаратор из латуни.. | 170.00 | 260.00 | 42.00 |
| 6-710134 АШ1 | Шариковый радиальный подшипник. Повышенная грузоподъемность. Нормы шумности. | 170.00 | 260.00 | 42.00 |
| 6-710134 АШ | Шариковый радиальный подшипник. Повышенная грузоподъемность. Нормы шумности. | 170.00 | 260.00 | 42.00 |
| 6-46134 Л | Шариковый радиально-упорный однорядный подшипник. Сепаратор из латуни.. | 170.00 | 260.00 | 42.00 |
| 70-32134 Л | Роликовый радиальный подшипник. Сепаратор из латуни.. | 170.00 | 260.00 | 42.00 |
| 70-32134 ЛМ | Роликовый радиальный подшипник. Сепаратор из латуни.. Модифицированный контакт.. | 170.00 | 260.00 | 42.00 |
| 46134-АЛ | Шариковый радиально-упорный однорядный подшипник. Сепаратор из латуни.. Повышенная грузоподъемность. | 170.00 | 260.00 | 42.00 |
| 46134-Л | Шариковый радиально-упорный однорядный подшипник. Сепаратор из латуни.. | 170.00 | 260.00 | 42.00 |
| 46134К | Шариковый радиально-упорный однорядный подшипник. «Замок» (скос) на внутреннем кольце плюс массивный сепаратор из текстолита. | 170.00 | 260.00 | 42.00 |
| 5-176134 Д1Т1 | Шариковый радиально-упорный однорядный подшипник. 180°. Сепаратор из алюминиевого сплава.. Температура отпуска. | 170.00 | 260.00 | 42.00 |
| 5-46134 Л | Шариковый радиально-упорный однорядный подшипник. Сепаратор из латуни.. | 170.00 | 260.00 | 42.00 |
| 6-176134 Д | Шариковый радиально-упорный однорядный подшипник. Сепаратор из алюминиевого сплава.. | 170.00 | 260.00 | 42.00 |
| 6-176134 Д1Т1 | Шариковый радиально-упорный однорядный подшипник. 180°. Сепаратор из алюминиевого сплава.. Температура отпуска. | 170.00 | 260.00 | 42.00 |
| 6-176134 Л | Шариковый радиально-упорный однорядный подшипник. Сепаратор из латуни.. | 170.00 | 260.00 | 42.00 |
Способы доставки
Отправка через ведущие транспортные и курьерские компании: ПЭК, Деловые Линии, СДЭК, Байкал-Сервис, Энергия, КИТ, ЖелДорЭкспедиция.
Самовывоз возможен напрямую со склада в Москве.
Сроки доставки
Срок зависит от региона и выбранной транспортной компании. Все заказы комплектуются и отправляются в кратчайшие сроки со склада в Москве.
Надёжность и сохранность
Вся продукция упаковывается с учётом требований транспортировки. Мы гарантируем, что подшипники и комплектующие прибудут к заказчику в полной сохранности.
Доставка в страны ЕАЭС
Мы работаем с проверенными логистическими партнёрами, что позволяет оперативно доставлять заказы в Беларусь, Казахстан, Армению и другие страны ЕАЭС.
Варианты оплаты:
Минимальная сумма заказа и скидки:
Документы и гарантии:
Да, конечно! Наши технические специалисты готовы помочь вам с подбором точного аналога или замены подшипника. Просто позвоните нам по телефону +7 (495) 104-99-04 или напишите на почту zakaz@podsnab.ru.
Для оперативной консультации подготовьте, пожалуйста, имеющиеся данные: маркировку, размеры, тип оборудования или артикул старого подшипника.
Да, конечно! Мы высоко ценим долгосрочное сотрудничество и доверие клиентов по всей России. Для постоянных клиентов действует персональная система скидок.
Условия формируются индивидуально и зависят от:
Чтобы узнать свои условия и получить максимально выгодное предложение, свяжитесь с персональным менеджером или напишите нам на почту zakaz@podsnab.ru.
Вы можете оформить заказ несколькими способами:
Для оформления заказа от юридического лица свяжитесь с нашим отделом по работе с корпоративными клиентами по телефону +7 (495) 104-99-04 или напишите на email zakaz@podsnab.ru, прикрепив реквизиты вашей организации.
Мы оперативно подготовим коммерческое предложение и выставим счет.
Возврат товара надлежащего качества возможен в течение 10 дней с момента получения, если товар не был в употреблении, сохранен товарный вид, упаковка не вскрывалась и присутствуют все сопроводительные документы.
Возврат денежных средств осуществляется в течение 10 рабочих дней после проверки товара складом.
В соответствии с законодательством возврату не подлежат подшипники надлежащего качества, если отсутствует оригинальная упаковка или имеются следы монтажа.
В случае выявления брака или гарантийного случая мы гарантируем возврат или обмен товара.
Да, гарантийный срок хранения устанавливается заводом-изготовителем и в среднем составляет 2 года при соблюдении условий хранения: сухое помещение, оригинальная упаковка и смазка.
Точный срок для конкретного типа подшипника уточняйте у наших менеджеров.
Пн–Пт: с 8:00 до 17:00 (МСК).
Сб–Вс: выходные дни.
Заказы на сайте принимаются круглосуточно. Заявки, поступившие после окончания рабочего дня, обрабатываются на следующий рабочий день.
Минимальная сумма заказа для доставки составляет 3000 рублей. Самовывоз со склада возможен на любую сумму при наличии товара.
ООО «УралТехГрупп»
ИНН: 7415093830
КПП: 772401001
ОГРН: 1167456069021
Банк: ПАО Сбербанк
Р/с: 40702810838000475273
К/с: 30101810400000000225
БИК: 044525225
У подшипника 60-134 Л пока нет отзывов. Вы можете стать первым покупателем, поделившимся своим мнением.