Поиск подшипника
Статьи
76-106 АШ — Шариковый радиальный однорядный подшипник, модификация основного исполнения 106, производство ГПЗ.
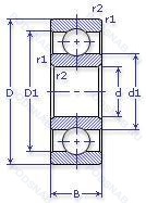
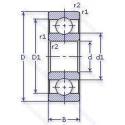
Размер подшипника: 30x55x13 мм.
Повышенная грузоподъемность, нормы шумности.
Государственный стандарт ГОСТ
76106АШ
В наличии
| Обозначение | Конструктивные изменения |
|---|---|
| 6-106-Ш1 | Нормы шумности. |
| 76-106 АШ1 | Повышенная грузоподъемность. Нормы шумности. |
| 75-106 ЕШ2 | Сепаратор из текстолита.. Нормы шумности. |
| 76-106 Б | Сепаратор из безоловянистой бронзы.. |
| 76-106 БТ | Температура отпуска. 160°. Сепаратор из безоловянистой бронзы.. |
| 76-106 БТ2 | 200°. Температура отпуска. Сепаратор из безоловянистой бронзы.. |
| 76-106 Р | Детали из теплоустойчивой (быстрорежущие) стали.. |
| 76-106 Р1 | Детали из теплоустойчивой (быстрорежущие) стали.. |
| 76-106 Р2 | Детали из теплоустойчивой (быстрорежущие) стали.. |
| 76-106 Р2П | Детали из теплоустойчивой (быстрорежущие) стали.. |
| 76-106 Э | Детали из стали ШХ-15 со специальными присадками (ванадий. |
| 106-А | Повышенная грузоподъемность. |
| 106-Б | Сепаратор из безоловянистой бронзы.. |
| 106-Е1 | Сепаратор из текстолита.. |
| 106-Л | Сепаратор из латуни.. |
| 106-Р1 | Детали из теплоустойчивой (быстрорежущие) стали.. |
| 26-106 Б | Сепаратор из безоловянистой бронзы.. |
| 26-106 БТ2 | 200°. Температура отпуска. Сепаратор из безоловянистой бронзы.. |
| 36-106 БТ2 | 200°. Температура отпуска. Сепаратор из безоловянистой бронзы.. |
| 5-106 Ю | Все детали или часть деталей из нержавеющей стали.. |
| 6-106-А | Повышенная грузоподъемность. |
| 6-106-Б | Сепаратор из безоловянистой бронзы.. |
| 6-106 БТ2 | 200°. Температура отпуска. Сепаратор из безоловянистой бронзы.. |
| 6-106 Е | Сепаратор из текстолита.. |
| 6-106-Е1 | Сепаратор из текстолита.. |
Модификации шарикового подшипника 76-106 АШ — это измененное основное конструктивное исполнение 106, основные размеры (30x55x13) не отличаются.
| Обозначение | Гост | Конструктивные особенности |
|---|---|---|
| AB44196S01 | ISO | Сферический наружный диаметр. |
| 9106KG | ISO | Серия с закрепительной втулкой и смазочным отверстием. |
| 9106KD | ISO | Компоненты с покрытием Protect A имеют суффикс - KD. Protect A - это покрытие из чистого хрома с колончатой структурой поверхности. При использовании Protect A каретки с покрытием и направляющие с покрытием должны всегда комбинироваться. Если каретки с покрытием используются с направляющими без покрытия. например. это приведет к уменьшению преднатяга.. |
| 9106PPG | ISO | Два уплотнения и стопорное кольцо. |
| 9106PD | ISO | Скользящая контактная поверхность сталь/PTFE (политетрафторэтилен) Бронзовая пленка.. |
| P6006-SB | ISO | Double Row. Angular Contact. Non-Filling Notch Bearing. With Outwardly Convergent Угол контактаs. Rigid Design. |
| P6006-GB | ISO | Подшипник для универсального монтажа. Два подшипника. установленные по О-образной или Х-образной схеме. имеют средний преднатяг. |
| S6006-2Z | ISO | Защитные металлические шайбы с обеих сторон подшипника. |
| 3NC 7006 FT | ISO | REINFORCED PHENOLIC CAGE. |
| 3NCHAC006C | ISO | Угол контакта 20 градусов. |
| 3NCHAC006CA | ISO | Угол контакта 20 градусов. Латунный сепаратор с симметричными роликами. |
| 3NC HAR006C FT | ISO | Угол контакта 20 градусов. REINFORCED PHENOLIC CAGE. |
| 3NCHAF006CA | ISO | Угол контакта 20 градусов. Латунный сепаратор с симметричными роликами. |
| 3NCHAR006C | ISO | Угол контакта 20 градусов. |
| 3NCHAR006 | ISO | Угол контакта 20 градусов. |
| 3NCHAR006CA | ISO | Угол контакта 20 градусов. Латунный сепаратор с симметричными роликами. |
| 180106-А | ГОСТ | Повышенная грузоподъемность. |
| 180106-АС17 | ГОСТ | Смазка Литол-24. Повышенная грузоподъемность. |
| 180106-С17 | ГОСТ | Смазка Литол-24. |
| 520806-К1У | ГОСТ | «Замок» (скос) на внутреннем кольце плюс массивный сепаратор из текстолита. Дополнительные технические требования. |
Аналог шарикового подшипника 76-106 АШ — это подшипник такого же размера dx30,Dx55,Bx13, типа и конструкции.
| Обозначение | Конструктивные особенности | Внутренний (d) | Наружный (D) | Ширина (B) |
|---|---|---|---|---|
| SC7006 FB/P7 | Шариковый радиальный подшипник. Точность размеров соответствует классу ISO 4. Точность хода лучше. чем ISO Class 4. 18° Угол контакта. High Speed Design. | 30.00 | 55.00 | 13.00 |
| W 6006-2RZ | Шариковый радиальный подшипник. Шарикоподшипник. С уплотнением и низким коэффициентом трения с обеих сторон. Уплотнение состоит из шайбы из листовой стали с вулканизированной резиной. Нержавеющая сталь. | 30.00 | 55.00 | 13.00 |
| 1106-Б | Шариковый радиальный двухрядный подшипник. Сепаратор из безоловянистой бронзы.. | 30.00 | 55.00 | 13.00 |
| 6-36106-Е | Шариковый радиально-упорный однорядный подшипник. Сепаратор из текстолита.. | 30.00 | 55.00 | 13.00 |
| 6-36106-КЕ | Шариковый радиально-упорный однорядный подшипник. «Замок» (скос) на внутреннем кольце плюс массивный сепаратор из текстолита. Сепаратор из текстолита.. | 30.00 | 55.00 | 13.00 |
| 6-46106-Е | Шариковый радиально-упорный однорядный подшипник. Сепаратор из текстолита.. | 30.00 | 55.00 | 13.00 |
| 75-32106 Р1 | Роликовый радиальный однорядный подшипник. Детали из теплоустойчивой (быстрорежущие) стали.. | 30.00 | 55.00 | 13.00 |
| 4-36106-КЕ | Шариковый радиально-упорный сдвоенный подшипник. «Замок» (скос) на внутреннем кольце плюс массивный сепаратор из текстолита. Сепаратор из текстолита.. | 30.00 | 55.00 | 13.00 |
| 46106-E | Шариковый радиально-упорный однорядный подшипник. Повышенная грузоподъемность. | 30.00 | 55.00 | 13.00 |
| 46106-Е | Шариковый радиально-упорный однорядный подшипник. Сепаратор из текстолита.. | 30.00 | 55.00 | 13.00 |
| 46106К | Шариковый радиально-упорный однорядный подшипник. «Замок» (скос) на внутреннем кольце плюс массивный сепаратор из текстолита. | 30.00 | 55.00 | 13.00 |
| 46106Л | Шариковый радиально-упорный однорядный подшипник. Сепаратор из латуни.. | 30.00 | 55.00 | 13.00 |
| 5-32106 Р1 | Роликовый радиальный однорядный подшипник. Детали из теплоустойчивой (быстрорежущие) стали.. | 30.00 | 55.00 | 13.00 |
| 5-36106 КЕ | Шариковый радиально-упорный однорядный подшипник. «Замок» (скос) на внутреннем кольце плюс массивный сепаратор из текстолита. Сепаратор из текстолита.. | 30.00 | 55.00 | 13.00 |
| 5-46106 Е | Шариковый радиально-упорный однорядный подшипник. Сепаратор из текстолита.. | 30.00 | 55.00 | 13.00 |
Способы доставки
Отправка через ведущие транспортные и курьерские компании: ПЭК, Деловые Линии, СДЭК, Байкал-Сервис, Энергия, КИТ, ЖелДорЭкспедиция.
Самовывоз возможен напрямую со склада в Москве.
Сроки доставки
Срок зависит от региона и выбранной транспортной компании. Все заказы комплектуются и отправляются в кратчайшие сроки со склада в Москве.
Надёжность и сохранность
Вся продукция упаковывается с учётом требований транспортировки. Мы гарантируем, что подшипники и комплектующие прибудут к заказчику в полной сохранности.
Доставка в страны ЕАЭС
Мы работаем с проверенными логистическими партнёрами, что позволяет оперативно доставлять заказы в Беларусь, Казахстан, Армению и другие страны ЕАЭС.
Варианты оплаты:
Минимальная сумма заказа и скидки:
Документы и гарантии:
Да, конечно! Наши технические специалисты готовы помочь вам с подбором точного аналога или замены подшипника. Просто позвоните нам по телефону +7 (495) 104-99-04 или напишите на почту zakaz@podsnab.ru.
Для оперативной консультации подготовьте, пожалуйста, имеющиеся данные: маркировку, размеры, тип оборудования или артикул старого подшипника.
Да, конечно! Мы высоко ценим долгосрочное сотрудничество и доверие клиентов по всей России. Для постоянных клиентов действует персональная система скидок.
Условия формируются индивидуально и зависят от:
Чтобы узнать свои условия и получить максимально выгодное предложение, свяжитесь с персональным менеджером или напишите нам на почту zakaz@podsnab.ru.
Вы можете оформить заказ несколькими способами:
Для оформления заказа от юридического лица свяжитесь с нашим отделом по работе с корпоративными клиентами по телефону +7 (495) 104-99-04 или напишите на email zakaz@podsnab.ru, прикрепив реквизиты вашей организации.
Мы оперативно подготовим коммерческое предложение и выставим счет.
Возврат товара надлежащего качества возможен в течение 10 дней с момента получения, если товар не был в употреблении, сохранен товарный вид, упаковка не вскрывалась и присутствуют все сопроводительные документы.
Возврат денежных средств осуществляется в течение 10 рабочих дней после проверки товара складом.
В соответствии с законодательством возврату не подлежат подшипники надлежащего качества, если отсутствует оригинальная упаковка или имеются следы монтажа.
В случае выявления брака или гарантийного случая мы гарантируем возврат или обмен товара.
Да, гарантийный срок хранения устанавливается заводом-изготовителем и в среднем составляет 2 года при соблюдении условий хранения: сухое помещение, оригинальная упаковка и смазка.
Точный срок для конкретного типа подшипника уточняйте у наших менеджеров.
Пн–Пт: с 8:00 до 17:00 (МСК).
Сб–Вс: выходные дни.
Заказы на сайте принимаются круглосуточно. Заявки, поступившие после окончания рабочего дня, обрабатываются на следующий рабочий день.
Минимальная сумма заказа для доставки составляет 3000 рублей. Самовывоз со склада возможен на любую сумму при наличии товара.
ООО «УралТехГрупп»
ИНН: 7415093830
КПП: 772401001
ОГРН: 1167456069021
Банк: ПАО Сбербанк
Р/с: 40702810838000475273
К/с: 30101810400000000225
БИК: 044525225
У подшипника 76-106 АШ пока нет отзывов. Вы можете стать первым покупателем, поделившимся своим мнением.