Поиск подшипника
Статьи
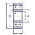
76-319 АК5Ш1 — Шариковый радиальный однорядный подшипник, модификация основного исполнения 319, производство ГПЗ.
Размер подшипника: 95x200x45 мм.
Нормы шумности, повышенная грузоподъемность.
Государственный стандарт ГОСТ
76319АК5Ш1
В наличии
| Обозначение | Конструктивные изменения |
|---|---|
| 319 | Шариковый радиальный однорядный подшипник. Основное конструктивное исполнение. |
| 80-319 К5 | Повышенная грузоподъемность. |
| 319-АL19 | Lubricant. Mobil Oil Co.. Mobil 28 Grease. MIL-G-81322 High/Low Temperature -62°C/+176°C. Повышенная грузоподъемность. |
| 5-319 АК5Ш2 | Нормы шумности. Повышенная грузоподъемность. |
| 6-319 АК5Ш1 | Нормы шумности. Повышенная грузоподъемность. |
| 6-319 АК5Ш | Повышенная грузоподъемность. Нормы шумности. |
| 6-319 АЛ5Ш1 | Повышенная грузоподъемность. Сепаратор из латуни.. Нормы шумности. |
| 6-319 АЛ5Ш | Повышенная грузоподъемность. Сепаратор из латуни.. Нормы шумности. |
| 6-319 К5Ш1 | Повышенная грузоподъемность. Нормы шумности. |
| 60-319 АЛ5 | Повышенная грузоподъемность. Сепаратор из латуни.. |
| 66-319 АЛ5Ш | Повышенная грузоподъемность. Сепаратор из латуни.. Нормы шумности. |
| 70-319 АК5 | Повышенная грузоподъемность. |
| 75-319 АК5Ш2 | Нормы шумности. Повышенная грузоподъемность. |
| 76-319 АК5Ш | Повышенная грузоподъемность. Нормы шумности. |
| 76-319 К5Ш1 | Повышенная грузоподъемность. Нормы шумности. |
| 6-319 | Шариковый радиальный однорядный подшипник. |
| 60-319 К5 | Повышенная грузоподъемность. |
| 60-319 Л5 | Сепаратор из латуни.. |
| 70-319 К5 | Повышенная грузоподъемность. |
| 76-319 К5 | Повышенная грузоподъемность. |
| 319-АК5 | Повышенная грузоподъемность. |
| 319-АЛ5 | Повышенная грузоподъемность. Сепаратор из латуни.. |
| 319-К5 | Повышенная грузоподъемность. |
| 319-Л | Сепаратор из латуни.. |
| 319-Л5 | Сепаратор из латуни.. |
Модификации шарикового подшипника 76-319 АК5Ш1 — это измененное основное конструктивное исполнение 319, основные размеры (95x200x45) не отличаются.
| Обозначение | Гост | Конструктивные особенности |
|---|---|---|
| 6-80319 А1К5Ш1 | ГОСТ | Повышенная грузоподъемность. Нормы шумности. |
| 6-80319 А1К5L19Ш1 | ГОСТ | Повышенная грузоподъемность. Нормы шумности. |
| 6-80319 А1К5W24Ш1 | ГОСТ | Повышенная грузоподъемность. Нормы шумности. Смазка пластичная Shell Alvania Greases G2. |
| 6-80319 А1К5W24Ш | ГОСТ | Повышенная грузоподъемность. Нормы шумности. Смазка пластичная Shell Alvania Greases G2. |
| 76-80319 А1К1W24Ш1 | ГОСТ | Повышенная грузоподъемность. Нормы шумности. Смазка пластичная Shell Alvania Greases G2. |
| 76-80319 А1К5С9Ш1 | ГОСТ | Повышенная грузоподъемность. Нормы шумности. Смазка ЛЗ-31. |
| 76-80319 А1К5Ш1 | ГОСТ | Повышенная грузоподъемность. Нормы шумности. |
| 76-80319 А1К5L19Ш1 | ГОСТ | Повышенная грузоподъемность. Нормы шумности. |
| 80319-АК5С17 | ГОСТ | Смазка Литол-24. Повышенная грузоподъемность. |
| M6319 | ISO | Шарикоподшипник максимальной грузоподъемности. |
| M6319ZZX | ISO | Шарикоподшипник максимальной грузоподъемности. |
| 6319N | ISO | Канавка для стопорного кольца на наружном кольце. |
| 6319-2RU | ISO | Non Contact Type Friction Torque = Small High Speed Performance = Good Grease Sealing = Better Than ZZ-Type Dirt Resistance = Better Than ZZ-Type Water Resistance = Better Than ZZ / Inferior To 2RS Operating Temp. -30°C To + 100°C. |
| 6319NSL | ISO | Резиновое уплотнение с одной стороны. |
| 6319-2NSL | ISO | Контактные уплотнения на каждой стороне подшипника.. |
| 6319-2NK | ISO | Double Labyrinth Seal (Non Contact). |
| 6319NK | ISO | One Labyrinth Seal (Non Contact). |
| 6319VV | ISO | Защитные металлические шайбы. с обеих сторон подшипника. Бесконтактное уплотнение. (лучше. чем ZZ. Можно использовать в умеренно запыленной среде). |
| BL 319 ZZ | ISO | Защитные металлические шайбы с обеих сторон. |
| 6319LLB | ISO | Уплотнение бесконтактного типа из синтетического каучука. |
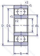
Аналог шарикового подшипника 76-319 АК5Ш1 — это подшипник такого же размера dx95,Dx200,Bx45, типа и конструкции.
| Обозначение | Конструктивные особенности | Внутренний (d) | Наружный (D) | Ширина (B) |
|---|---|---|---|---|
| 6319BI | Шариковый радиально-упорный однорядный подшипник. Угол контакта 40 градусов. | 95.00 | 200.00 | 45.00 |
| 7319-BE-MP | Шариковый радиально-упорный однорядный подшипник. Single Row Angular Contact Ball Bearing With A 40° Угол контакта And Optimized Internal Design. Массивный латунный сепаратор. центрированный по телам качения. | 95.00 | 200.00 | 45.00 |
| 6319-RS1 | Шариковый радиальный подшипник. Резиновое уплотнение с одной стороны. | 95.00 | 200.00 | 45.00 |
| 60-402319 М | Роликовый радиальный однорядный подшипник. Модифицированный контакт.. | 95.00 | 200.00 | 45.00 |
| 66319-АЛ1 | Шариковый радиально-упорный однорядный подшипник. Сепаратор из латуни.. Повышенная грузоподъемность. | 95.00 | 200.00 | 45.00 |
| 66319-Л | Шариковый радиально-упорный однорядный подшипник. Сепаратор из латуни.. | 95.00 | 200.00 | 45.00 |
| 66319К | Шариковый радиально-упорный однорядный подшипник. «Замок» (скос) на внутреннем кольце плюс массивный сепаратор из текстолита. | 95.00 | 200.00 | 45.00 |
| 70-2319 КМ | Роликовый радиальный однорядный подшипник. Модифицированный контакт.. | 95.00 | 200.00 | 45.00 |
| 70-2319 М | Роликовый радиальный однорядный подшипник. Модифицированный контакт.. | 95.00 | 200.00 | 45.00 |
| 70-32319 М | Роликовый радиальный однорядный подшипник. Модифицированный контакт.. | 95.00 | 200.00 | 45.00 |
| 1319K+H319 | Шариковый сферический двухрядный подшипник. Коническое внутреннее отверстие. | 95.00 | 200.00 | 45.00 |
| 42319-М | Роликовый радиальный однорядный подшипник. Модифицированный контакт.. | 95.00 | 200.00 | 45.00 |
| 42319M | Роликовый радиальный однорядный подшипник. Подшипник с латунным сепаратором. центрированный по телам качения. | 95.00 | 200.00 | 45.00 |
| 46319К | Шариковый радиально-упорный однорядный подшипник. «Замок» (скос) на внутреннем кольце плюс массивный сепаратор из текстолита. | 95.00 | 200.00 | 45.00 |
| 5-66319 Л5 | Шариковый радиально-упорный однорядный подшипник. Сепаратор из латуни.. | 95.00 | 200.00 | 45.00 |
Способы доставки
Отправка через ведущие транспортные и курьерские компании: ПЭК, Деловые Линии, СДЭК, Байкал-Сервис, Энергия, КИТ, ЖелДорЭкспедиция.
Самовывоз возможен напрямую со склада в Москве.
Сроки доставки
Срок зависит от региона и выбранной транспортной компании. Все заказы комплектуются и отправляются в кратчайшие сроки со склада в Москве.
Надёжность и сохранность
Вся продукция упаковывается с учётом требований транспортировки. Мы гарантируем, что подшипники и комплектующие прибудут к заказчику в полной сохранности.
Доставка в страны ЕАЭС
Мы работаем с проверенными логистическими партнёрами, что позволяет оперативно доставлять заказы в Беларусь, Казахстан, Армению и другие страны ЕАЭС.
Варианты оплаты:
Минимальная сумма заказа и скидки:
Документы и гарантии:
Да, конечно! Наши технические специалисты готовы помочь вам с подбором точного аналога или замены подшипника. Просто позвоните нам по телефону +7 (495) 104-99-04 или напишите на почту zakaz@podsnab.ru.
Для оперативной консультации подготовьте, пожалуйста, имеющиеся данные: маркировку, размеры, тип оборудования или артикул старого подшипника.
Да, конечно! Мы высоко ценим долгосрочное сотрудничество и доверие клиентов по всей России. Для постоянных клиентов действует персональная система скидок.
Условия формируются индивидуально и зависят от:
Чтобы узнать свои условия и получить максимально выгодное предложение, свяжитесь с персональным менеджером или напишите нам на почту zakaz@podsnab.ru.
Вы можете оформить заказ несколькими способами:
Для оформления заказа от юридического лица свяжитесь с нашим отделом по работе с корпоративными клиентами по телефону +7 (495) 104-99-04 или напишите на email zakaz@podsnab.ru, прикрепив реквизиты вашей организации.
Мы оперативно подготовим коммерческое предложение и выставим счет.
Возврат товара надлежащего качества возможен в течение 10 дней с момента получения, если товар не был в употреблении, сохранен товарный вид, упаковка не вскрывалась и присутствуют все сопроводительные документы.
Возврат денежных средств осуществляется в течение 10 рабочих дней после проверки товара складом.
В соответствии с законодательством возврату не подлежат подшипники надлежащего качества, если отсутствует оригинальная упаковка или имеются следы монтажа.
В случае выявления брака или гарантийного случая мы гарантируем возврат или обмен товара.
Да, гарантийный срок хранения устанавливается заводом-изготовителем и в среднем составляет 2 года при соблюдении условий хранения: сухое помещение, оригинальная упаковка и смазка.
Точный срок для конкретного типа подшипника уточняйте у наших менеджеров.
Пн–Пт: с 8:00 до 17:00 (МСК).
Сб–Вс: выходные дни.
Заказы на сайте принимаются круглосуточно. Заявки, поступившие после окончания рабочего дня, обрабатываются на следующий рабочий день.
Минимальная сумма заказа для доставки составляет 3000 рублей. Самовывоз со склада возможен на любую сумму при наличии товара.
ООО «УралТехГрупп»
ИНН: 7415093830
КПП: 772401001
ОГРН: 1167456069021
Банк: ПАО Сбербанк
Р/с: 40702810838000475273
К/с: 30101810400000000225
БИК: 044525225
У подшипника 76-319 АК5Ш1 пока нет отзывов. Вы можете стать первым покупателем, поделившимся своим мнением.