Поиск подшипника
Статьи
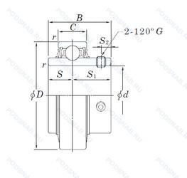
RB201-8 — Шариковый радиальный однорядный подшипник, модификация основного исполнения RB201, выпускается производителями: FYH, KOYO.
Размер подшипника: 12x47x31 мм.
Подшипники с двойными защитными шайбами без смазки с широким внутренним кольцом, используемые в резиновых блоках корпусов, средний предварительный натяг.
Международная стандартизации ISO
RB2018
В наличии
| Обозначение | Конструктивные изменения |
|---|---|
| RB201 | Угол контакта 40 градусов. Основное конструктивное исполнение. |
Модификации шарикового подшипника RB201-8 — это измененное основное конструктивное исполнение RB201, основные размеры (12x47x31) не отличаются.
| Обозначение | Гост | Конструктивные особенности |
|---|---|---|
| 480204-АН1К7У | ГОСТ | Дополнительные технические требования. Повышенная грузоподъемность. Детали из теплостойкой стали. Двусторонние уплотнения плюс стопорный штифт. |
| 480204-Н1К7УС17 | ГОСТ | Смазка Литол-24. Дополнительные технические требования. Детали из теплостойкой стали. Двусторонние уплотнения плюс стопорный штифт. |
| 480204/Д11 | ГОСТ | Сепаратор из алюминиевого сплава.. |
| 480204/Д12 | ГОСТ | Сепаратор из алюминиевого сплава.. |
| 6-480204 АН1К7С17Ш1 | ГОСТ | Смазка Литол-24. Повышенная грузоподъемность. Нормы шумности. Детали из теплостойкой стали. Двусторонние уплотнения плюс стопорный штифт. |
| 6-480204 АН1К7УС17Ш1 | ГОСТ | Смазка Литол-24. Дополнительные технические требования. Повышенная грузоподъемность. Нормы шумности. Детали из теплостойкой стали. Двусторонние уплотнения плюс стопорный штифт. |
| 6-480204 АН1К7УС17Ш | ГОСТ | Смазка Литол-24. Дополнительные технические требования. Повышенная грузоподъемность. Нормы шумности. Детали из теплостойкой стали. Двусторонние уплотнения плюс стопорный штифт. |
| 6-480204 Д12АН1К7С17Ш1 | ГОСТ | Смазка Литол-24. Сепаратор из алюминиевого сплава.. Повышенная грузоподъемность. Нормы шумности. Детали из теплостойкой стали. Двусторонние уплотнения плюс стопорный штифт. |
| 6-480204/Д11АН1К7УС17Ш1 | ГОСТ | Смазка Литол-24. Дополнительные технические требования. Сепаратор из алюминиевого сплава.. Повышенная грузоподъемность. Нормы шумности. Детали из теплостойкой стали. Двусторонние уплотнения плюс стопорный штифт. |
| 6-480204/Д11АН1К7УС17Ш | ГОСТ | Смазка Литол-24. Дополнительные технические требования. Сепаратор из алюминиевого сплава.. Повышенная грузоподъемность. Нормы шумности. Детали из теплостойкой стали. Двусторонние уплотнения плюс стопорный штифт. |
| 6-480204/Д12AH1K7УС17Ш1 | ГОСТ | Смазка Литол-24. Дополнительные технические требования. Сепаратор из алюминиевого сплава.. Нормы шумности. |
| ER201-8 | ISO | Средний предварительный натяг. |
| ER201 | ISO | Шариковый радиальный однорядный подшипник. |
| UC201L2 | ISO | Шариковый радиальный однорядный подшипник. |
| UC201-8L2 | ISO | Шариковый радиальный однорядный подшипник. |
| UCS201LD1N | ISO | Канавка для стопорного кольца на наружном кольце. |
| ER08 | ISO | Шариковый радиальный однорядный подшипник. |
| ER08DD | ISO | Два уплотнения из PTFE. |
Аналог шарикового подшипника RB201-8 — это подшипник такого же размера dx12,Dx47,Bx31, типа и конструкции.
| Обозначение | Конструктивные особенности | Внутренний (d) | Наружный (D) | Ширина (B) |
|---|---|---|---|---|
| RABRB12/47 | Подшипник для корпуса. 2.15/16. | 12.00 | 47.30 | 30.90 |
| UC201 | Подшипник для корпуса. Угол контакта 15 градусов. Радиальный внутренний зазор С2. Универсальные подшпники. | 12.00 | 47.00 | 31.00 |
| ER8 | Корпус подшипника. | 12.70 | 47.00 | 30.96 |
| UC201-8 | Подшипник для корпуса. Средний предварительный натяг. | 19.00 | 40.00 | 31.00 |
| UC201C4HR5 | Подшипник для корпуса. Internal Clearance is C4 - Max Bearing Operating Temp = 392 ̊F (200℃). - Yukon Super-Lube No. 3 / Oil Research Industrial. Ltd. - Soap Based (Compound) - Max. Operating Temperatures Of The Grease..............+392 ̊F (+200℃). | 12.00 | 47.00 | 31.00 |
| ESR201B | Подшипник для корпуса. Конический роликовый подшипник. Угол контакта 20 градусов. | 12.00 | 47.30 | 30.90 |
| UCS04 | Подшипник для корпуса. | 12.70 | 47.00 | 31.00 |
| UC201D1 | Подшипник для корпуса. Стандартная консистентная смазка Alvania Grease 3. | 12.00 | 47.00 | 31.00 |
| UC204-8 | Подшипник для корпуса. 1/2. | 12.70 | 47.00 | 31.00 |
| UC201-P | Подшипник для корпуса. Сеаратор из литого полиамида 6.6. армированного стекловолокном. | 12.00 | 47.00 | 31.00 |
| UC201G2 | Подшипник для корпуса. Cистема повторного смазывания для корпусных подшипников. | 12.00 | 47.00 | 31.00 |
| UC201-08 | Подшипник для корпуса. | 12.70 | 47.00 | 31.00 |
| RABRB12/47-XL-FA106 | Подшипник для корпуса. Серия X-Life премиум-класс. увеличиный срок службы. Подшипник подвергается специальным испытаниям на шум. | 12.00 | 47.30 | 30.90 |
| RABR-B12/47FA106 | Подшипник для корпуса. Подшипник подвергается специальным испытаниям на шум. | 12.00 | 47.30 | 30.90 |
| ER8FF | Подшипник для корпуса. Контактное уплотнение с двух сторон подшипника. | 12.70 | 47.00 | 30.96 |
Способы доставки
Отправка через ведущие транспортные и курьерские компании: ПЭК, Деловые Линии, СДЭК, Байкал-Сервис, Энергия, КИТ, ЖелДорЭкспедиция.
Самовывоз возможен напрямую со склада в Москве.
Сроки доставки
Срок зависит от региона и выбранной транспортной компании. Все заказы комплектуются и отправляются в кратчайшие сроки со склада в Москве.
Надёжность и сохранность
Вся продукция упаковывается с учётом требований транспортировки. Мы гарантируем, что подшипники и комплектующие прибудут к заказчику в полной сохранности.
Доставка в страны ЕАЭС
Мы работаем с проверенными логистическими партнёрами, что позволяет оперативно доставлять заказы в Беларусь, Казахстан, Армению и другие страны ЕАЭС.
Варианты оплаты:
Минимальная сумма заказа и скидки:
Документы и гарантии:
Да, конечно! Наши технические специалисты готовы помочь вам с подбором точного аналога или замены подшипника. Просто позвоните нам по телефону +7 (495) 104-99-04 или напишите на почту zakaz@podsnab.ru.
Для оперативной консультации подготовьте, пожалуйста, имеющиеся данные: маркировку, размеры, тип оборудования или артикул старого подшипника.
Да, конечно! Мы высоко ценим долгосрочное сотрудничество и доверие клиентов по всей России. Для постоянных клиентов действует персональная система скидок.
Условия формируются индивидуально и зависят от:
Чтобы узнать свои условия и получить максимально выгодное предложение, свяжитесь с персональным менеджером или напишите нам на почту zakaz@podsnab.ru.
Вы можете оформить заказ несколькими способами:
Для оформления заказа от юридического лица свяжитесь с нашим отделом по работе с корпоративными клиентами по телефону +7 (495) 104-99-04 или напишите на email zakaz@podsnab.ru, прикрепив реквизиты вашей организации.
Мы оперативно подготовим коммерческое предложение и выставим счет.
Возврат товара надлежащего качества возможен в течение 10 дней с момента получения, если товар не был в употреблении, сохранен товарный вид, упаковка не вскрывалась и присутствуют все сопроводительные документы.
Возврат денежных средств осуществляется в течение 10 рабочих дней после проверки товара складом.
В соответствии с законодательством возврату не подлежат подшипники надлежащего качества, если отсутствует оригинальная упаковка или имеются следы монтажа.
В случае выявления брака или гарантийного случая мы гарантируем возврат или обмен товара.
Да, гарантийный срок хранения устанавливается заводом-изготовителем и в среднем составляет 2 года при соблюдении условий хранения: сухое помещение, оригинальная упаковка и смазка.
Точный срок для конкретного типа подшипника уточняйте у наших менеджеров.
Пн–Пт: с 8:00 до 17:00 (МСК).
Сб–Вс: выходные дни.
Заказы на сайте принимаются круглосуточно. Заявки, поступившие после окончания рабочего дня, обрабатываются на следующий рабочий день.
Минимальная сумма заказа для доставки составляет 3000 рублей. Самовывоз со склада возможен на любую сумму при наличии товара.
ООО «УралТехГрупп»
ИНН: 7415093830
КПП: 772401001
ОГРН: 1167456069021
Банк: ПАО Сбербанк
Р/с: 40702810838000475273
К/с: 30101810400000000225
БИК: 044525225
У подшипника RB201-8 пока нет отзывов. Вы можете стать первым покупателем, поделившимся своим мнением.