Поиск подшипника
Статьи
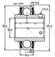
ER205 — Шариковый радиальный однорядный подшипник, основное исполнение, выпускается производителями: FYH, KOYO.
Размер подшипника: 25x52x34 мм.
Тип подшипника: Дюймовый специальный тонкая серия.
Международная стандартизации ISO
ER205
В наличии
| Обозначение | Конструктивные изменения |
|---|---|
| ER205-14 | Distance In MM From Beginning Of The Rail Till The First Hole. |
| ER205-16 | 01. |
| ER205-15 | Distance Between Beginning Of The Rail And First Hole In MM. |
Модификации шарикового подшипника ER205 — это измененное основное конструктивное исполнение ER205, основные размеры (25x52x34) не отличаются.
| Обозначение | Гост | Конструктивные особенности |
|---|---|---|
| 6-480205 А1Н1КС17Ш1 | ГОСТ | Смазка Литол-24. Повышенная грузоподъемность. Нормы шумности. Детали из теплостойкой стали. |
| 6-480205 А1Н1КL19Ш1 | ГОСТ | Lubricant. Mobil Oil Co.. Mobil 28 Grease. MIL-G-81322 High/Low Temperature -62°C/+176°C. Повышенная грузоподъемность. Нормы шумности. Детали из теплостойкой стали. |
| UC205S6 | ISO | Подшипник из нержавеющей стали. |
| UELS205LD1N | ISO | Канавка для стопорного кольца на наружном кольце. |
| UC205-16-3L | ISO | 01. |
| YARAG205 | ISO | Измененная или модифицированная внутренняя конструкция при неизменных основных размерах. |
| SM1100K | ISO | Коническое отверстие. Конусность 1/12. |
| SM1100KB | ISO | Материал контакта сталь на бронзе (S/B). |
| ER16DD | ISO | Два уплотнения из PTFE. |
| G1100KLL | ISO | BALL BEARING. CONRAD TYPE. INDUSTRIAL POWER TRANSMISSION. DOUBLE MECHANI-SEAL. |
| G1100KLLB | ISO | Шариковый радиальный однорядный подшипник. |
| GE25KRR | ISO | Манжетные уплотнения с обеих сторон (уплотнение типа R - имеет оцинкованные внутреннюю и внешнюю крышки. Между крышками имеется уплотнительная кромка NBR. идущая по шлифованному буртику). |
| GYE25KRRB SGT | ISO | Shaft Guarding Technology™. |
| 1100KL | ISO | Flanged Type (2 Thru holes)-Medium Load. |
| 1100KLLB | ISO | Шариковый радиальный однорядный подшипник. |
| 1100KR | ISO | Single-Row. Counterbored Outer Ring. Radial Type. Ball Bearing. 15° Угол контакта. |
| 480205-Н1К7У | ГОСТ | Дополнительные технические требования. Детали из теплостойкой стали. Двусторонние уплотнения плюс стопорный штифт. |
| 480205-Н1К7УС17 | ГОСТ | Смазка Литол-24. Дополнительные технические требования. Детали из теплостойкой стали. «Замок» (скос) на внутреннем кольце. |
| 480205.UCF-В-КОРПУСЕ | ГОСТ | Сепаратор из текстолита.. Дополнительные технические требования. Детали из теплоустойчивой (быстрорежущие) стали.. |
| 480505-H | ГОСТ | Pressed Snap-Type Steel Cage. Hardened. |
Аналог шарикового подшипника ER205 — это подшипник такого же размера dx25,Dx52,Bx34, типа и конструкции.
| Обозначение | Конструктивные особенности | Внутренний (d) | Наружный (D) | Ширина (B) |
|---|---|---|---|---|
| 1025-25GMS44 | Подшипник для корпуса. Смазочные отверстия в распределительной канавке. Механически обработанные в наружном кольце для смазки. HIGH TEMPERATURE GREASE. STEEL CAGE AND C4 FIT. | 25.00 | 52.00 | 34.10 |
| YAR205-2RFW/VT307 | Подшипник для корпуса. Стандартное контактное уплотнение с дополнительным прорезиненным кольцом с обеих сторон подшипника. Bearing Without Lubrication Hole(s) In Outer Ring. Специальная смазка. | 25.00 | 52.00 | 34.10 |
| UC205C | Подшипник для корпуса. 15° Угол контакта. | 25.00 | 52.00 | 34.10 |
| UC205-100D1/LP03 | Подшипник для корпуса. Не требующий обслуживания тип. General-Purpose Solid Grease. -20°C +80°C. 1. | 25.40 | 52.00 | 34.10 |
| UC205-100 | Подшипник для корпуса. 01. | 25.40 | 52.00 | 34.10 |
| GY1100KRRB | Подшипник для корпуса. Подшипник со сферическим наружным кольцом. Манжетные уплотнения с обеих сторон (уплотнение типа R - имеет оцинкованные внутреннюю и внешнюю крышки. Между крышками имеется уплотнительная кромка NBR. идущая по шлифованному буртику). | 25.40 | 52.00 | 34.10 |
| SUC205FDA | Подшипник для корпуса. Смазка для пищевой промышленности. | 25.00 | 52.00 | 34.10 |
| UC205HT | Подшипник для корпуса. Подшипник поставляется со специальной смазкой для высоких температур (до +130°C). | 25.00 | 52.00 | 34.10 |
| YAR205-2RF/HV | Подшипник для корпуса. Стандартное контактное уплотнение с дополнительным прорезиненным кольцом с обеих сторон подшипника. Подшипник или компонент подшипника из закаленной нержавеющей стали. | 25.00 | 52.00 | 34.10 |
| Z-544014B | Подшипник роликовый конический двухрядный. Modified Internal Design. Increased Угол контакта. | 25.00 | 52.00 | 35.00 |
| LE205-100.2F.Y | Подшипник для корпуса. Двойное уплотнение. Защитная крышка, размещенная на внутреннем кольце. Используется с подшипниками типа Y. Сепаратор из прессованной латуни. Центрирование шарика. 1. | 25.40 | 52.00 | 34.10 |
| YARAG 205-100 | Шариковый радиальный подшипник. 1. | 25.40 | 52.00 | 34.10 |
| YSP 205-100 SB-2F | Шариковый радиальный подшипник. Стандартное контактное уплотнение с дополнительным маслоотражательным кольцом с обеих сторон. Double Row. Angular Contact. Non-Filling Notch Bearing. With Outwardly Convergent Угол контактаs. Rigid Design. 1. | 25.40 | 52.00 | 33.00 |
| YSP 205 SB-2F | Шариковый радиальный подшипник. Стандартное контактное уплотнение с дополнительным маслоотражательным кольцом с обеих сторон. Double Row. Angular Contact. Non-Filling Notch Bearing. With Outwardly Convergent Угол контактаs. Rigid Design. | 25.00 | 52.00 | 33.00 |
| YSPAG 205 | Шариковый радиальный подшипник. Измененная или модифицированная внутренняя конструкция при неизменных основных размерах. | 25.00 | 52.00 | 33.00 |
Способы доставки
Отправка через ведущие транспортные и курьерские компании: ПЭК, Деловые Линии, СДЭК, Байкал-Сервис, Энергия, КИТ, ЖелДорЭкспедиция.
Самовывоз возможен напрямую со склада в Москве.
Сроки доставки
Срок зависит от региона и выбранной транспортной компании. Все заказы комплектуются и отправляются в кратчайшие сроки со склада в Москве.
Надёжность и сохранность
Вся продукция упаковывается с учётом требований транспортировки. Мы гарантируем, что подшипники и комплектующие прибудут к заказчику в полной сохранности.
Доставка в страны ЕАЭС
Мы работаем с проверенными логистическими партнёрами, что позволяет оперативно доставлять заказы в Беларусь, Казахстан, Армению и другие страны ЕАЭС.
Варианты оплаты:
Минимальная сумма заказа и скидки:
Документы и гарантии:
Да, конечно! Наши технические специалисты готовы помочь вам с подбором точного аналога или замены подшипника. Просто позвоните нам по телефону +7 (495) 104-99-04 или напишите на почту zakaz@podsnab.ru.
Для оперативной консультации подготовьте, пожалуйста, имеющиеся данные: маркировку, размеры, тип оборудования или артикул старого подшипника.
Да, конечно! Мы высоко ценим долгосрочное сотрудничество и доверие клиентов по всей России. Для постоянных клиентов действует персональная система скидок.
Условия формируются индивидуально и зависят от:
Чтобы узнать свои условия и получить максимально выгодное предложение, свяжитесь с персональным менеджером или напишите нам на почту zakaz@podsnab.ru.
Вы можете оформить заказ несколькими способами:
Для оформления заказа от юридического лица свяжитесь с нашим отделом по работе с корпоративными клиентами по телефону +7 (495) 104-99-04 или напишите на email zakaz@podsnab.ru, прикрепив реквизиты вашей организации.
Мы оперативно подготовим коммерческое предложение и выставим счет.
Возврат товара надлежащего качества возможен в течение 10 дней с момента получения, если товар не был в употреблении, сохранен товарный вид, упаковка не вскрывалась и присутствуют все сопроводительные документы.
Возврат денежных средств осуществляется в течение 10 рабочих дней после проверки товара складом.
В соответствии с законодательством возврату не подлежат подшипники надлежащего качества, если отсутствует оригинальная упаковка или имеются следы монтажа.
В случае выявления брака или гарантийного случая мы гарантируем возврат или обмен товара.
Да, гарантийный срок хранения устанавливается заводом-изготовителем и в среднем составляет 2 года при соблюдении условий хранения: сухое помещение, оригинальная упаковка и смазка.
Точный срок для конкретного типа подшипника уточняйте у наших менеджеров.
Пн–Пт: с 8:00 до 17:00 (МСК).
Сб–Вс: выходные дни.
Заказы на сайте принимаются круглосуточно. Заявки, поступившие после окончания рабочего дня, обрабатываются на следующий рабочий день.
Минимальная сумма заказа для доставки составляет 3000 рублей. Самовывоз со склада возможен на любую сумму при наличии товара.
ООО «УралТехГрупп»
ИНН: 7415093830
КПП: 772401001
ОГРН: 1167456069021
Банк: ПАО Сбербанк
Р/с: 40702810838000475273
К/с: 30101810400000000225
БИК: 044525225
У подшипника ER205 пока нет отзывов. Вы можете стать первым покупателем, поделившимся своим мнением.