Поиск подшипника
Статьи
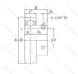
UC203L2 — Шариковый радиальный однорядный подшипник, модификация основного исполнения UC203, производство KOYO.
Размер подшипника: 17x47x31 мм.
Цилиндрическое отверстие внутреннего кольца, с установочными винтами.
Международная стандартизации ISO
UC203L2
В наличии
| Обозначение | Конструктивные изменения |
|---|---|
| UC203D1 | Не требующий обслуживания тип. |
| UC203 | Угол контакта 20 градусов. Основное конструктивное исполнение. |
| UC203-11 | 11/16. |
| UC203C4HT | Шариковый радиальный однорядный подшипник. |
| UC203-11L | Шариковый радиальный однорядный подшипник. |
| UC203D1 X AV3S | Измененные размеры границ. введенные пересмотренными стандартами ISO. Relube Type.. Alvania Grease #3 Standard Fill. |
| UC203-11GC4S | Вкладыш подшипника с возможностью повторной смазки. 11/16. |
| UC203N AV2S | Канавка под стопорное кольцо на внешнем кольце. Lubricant. Shell Oil Co.. Alvania #2 Grease. 1/4 Full. Temperature Range = -10°C / + 110°C (Normal Temperature Grease). |
| UC203S6 | Нержавеющая сталь. |
| UC203SS | Нержавеющая сталь. |
| UC203AV2S | Lubricant. Shell Oil Co.. Alvania #2 Grease. 1/4 Full. Temperature Range = -10°C / + 110°C (Normal Temperature Grease). |
| UC203-11S | Стандартное заполнение. |
| UC203-11U | Шариковый радиальный однорядный подшипник. |
| UC203D1/XAS3S | Стандартная консистентная смазка Alvania Grease 3. |
| UC203G2 | Cистема повторного смазывания для корпусных подшипников. |
Модификации шарикового подшипника UC203L2 — это измененное основное конструктивное исполнение UC203, основные размеры (17x47x31) не отличаются.
| Обозначение | Гост | Конструктивные особенности |
|---|---|---|
| 480904 | ГОСТ | Шариковый радиальный однорядный подшипник. |
| UCS203LD1N | ISO | Канавка для стопорного кольца на наружном кольце. |
| 480904-Н1К7У | ГОСТ | Дополнительные технические требования. Детали из теплостойкой стали. Двусторонние уплотнения плюс стопорный штифт. |
Аналог шарикового подшипника UC203L2 — это подшипник такого же размера dx17,Dx47,Bx31, типа и конструкции.
| Обозначение | Конструктивные особенности | Внутренний (d) | Наружный (D) | Ширина (B) |
|---|---|---|---|---|
| ER203 | Подшипник для корпуса. | 17.00 | 47.00 | 31.00 |
| SUC203 | Подшипник для корпуса. | 17.00 | 47.00 | 31.00 |
| RB203 | Подшипник для корпуса. Угол контакта 40 градусов. | 17.00 | 47.00 | 31.00 |
| 17TAC47BDBC9PN7A/AS2S | Шариковый радиально-упорный подшипник однонаправленный. Стандартное заполнение. High Capacity & Higher Speed (Replaces “A” Type). Комплект из двух подшипников. согласованных для установки по О-образной схеме. 1/4 Full. Смазка Aeroshell 7. Диапазон от –10°C до 110°C.. Класс ISO 4 (Abec 7) Модифицированный более строгий стандарт для осевого биения Uxx или Pss. специальный класс точности или особенности. Небольшая предварительная нагрузка. | 17.00 | 47.00 | 30.00 |
| BSB017047DUH P3/SRIY | Шариковый радиально-упорный подшипник однонаправленный. Operating Temperature Range (Continuous) -30°C / 150°C. Maximum Temperature For Short-Term Exposure Is 175°C. Дуплексная пара подшипников. Универсальная установка. Высокий преднатяг.. Класс точности ниже. чем P2. но выше. чем P4. | 17.00 | 47.00 | 30.00 |
| BSB017047DUM P3/SRIY | Шариковый радиально-упорный подшипник однонаправленный. Duplex Pairs Of Bearing.Universally Ground. Medium Preload. Operating Temperature Range (Continuous) -30°C / 150°C. Maximum Temperature For Short-Term Exposure Is 175°C. Класс точности ниже. чем P2. но выше. чем P4. | 17.00 | 47.00 | 30.00 |
| BSB017047DULP3 | Шариковый радиально-упорный подшипник однонаправленный. Duplex Pairs Of Bearing. Light Preload. Класс точности ниже. чем P2. но выше. чем P4. | 17.00 | 47.00 | 30.00 |
| UCS203N | Подшипник для корпуса. Паз в корпусе для крепления защитных колпачков. | 17.00 | 47.00 | 31.00 |
| UCS203 | Подшипник для корпуса. | 17.00 | 47.00 | 31.00 |
| 17TAC47CDBHPN7C | Подшипник шариковый однорядный радиально-упорный. 15° Угол контакта. Высокий преднатяг. Комплект из двух подшипников. согласованных для установки по О-образной схеме. Стандартная точность NSK Класс точности 7C (эквивалентно осевому биению Класс 2). | 17.00 | 47.00 | 30.00 |
| 17TAC47BDBC10PN7A | Шариковый радиально-упорный подшипник однонаправленный. High Capacity & Higher Speed (Replaces “A” Type). Комплект из двух подшипников. согласованных для установки по О-образной схеме. Метрическая серия. Класс ISO 4 (Abec 7) Модифицированный более строгий стандарт для осевого биения Uxx или Pss. специальный класс точности или особенности. | 17.00 | 47.00 | 30.00 |
| BSB017047DUH P3 | Шариковый радиально-упорный подшипник однонаправленный. Дуплексная пара подшипников. Высокий преднатяг. Класс точности ниже. чем P2. но выше. чем P4. | 17.00 | 47.00 | 30.00 |
| MM17BS47DM | Шариковый радиально-упорный подшипник однонаправленный. Duplex Pair Of Bearings. Medium Preload. | 17.00 | 47.00 | 30.00 |
| 05066/05185D+X1S-05066 | Роликовый радиальный-упорный двухрядный подшипник. Половина целого игольчатого валика. Применять суффикс 'D' в базовом номере. Tail Code. | 16.99 | 47.00 | 31.75 |
Способы доставки
Отправка через ведущие транспортные и курьерские компании: ПЭК, Деловые Линии, СДЭК, Байкал-Сервис, Энергия, КИТ, ЖелДорЭкспедиция.
Самовывоз возможен напрямую со склада в Москве.
Сроки доставки
Срок зависит от региона и выбранной транспортной компании. Все заказы комплектуются и отправляются в кратчайшие сроки со склада в Москве.
Надёжность и сохранность
Вся продукция упаковывается с учётом требований транспортировки. Мы гарантируем, что подшипники и комплектующие прибудут к заказчику в полной сохранности.
Доставка в страны ЕАЭС
Мы работаем с проверенными логистическими партнёрами, что позволяет оперативно доставлять заказы в Беларусь, Казахстан, Армению и другие страны ЕАЭС.
Варианты оплаты:
Минимальная сумма заказа и скидки:
Документы и гарантии:
Да, конечно! Наши технические специалисты готовы помочь вам с подбором точного аналога или замены подшипника. Просто позвоните нам по телефону +7 (495) 104-99-04 или напишите на почту zakaz@podsnab.ru.
Для оперативной консультации подготовьте, пожалуйста, имеющиеся данные: маркировку, размеры, тип оборудования или артикул старого подшипника.
Да, конечно! Мы высоко ценим долгосрочное сотрудничество и доверие клиентов по всей России. Для постоянных клиентов действует персональная система скидок.
Условия формируются индивидуально и зависят от:
Чтобы узнать свои условия и получить максимально выгодное предложение, свяжитесь с персональным менеджером или напишите нам на почту zakaz@podsnab.ru.
Вы можете оформить заказ несколькими способами:
Для оформления заказа от юридического лица свяжитесь с нашим отделом по работе с корпоративными клиентами по телефону +7 (495) 104-99-04 или напишите на email zakaz@podsnab.ru, прикрепив реквизиты вашей организации.
Мы оперативно подготовим коммерческое предложение и выставим счет.
Возврат товара надлежащего качества возможен в течение 10 дней с момента получения, если товар не был в употреблении, сохранен товарный вид, упаковка не вскрывалась и присутствуют все сопроводительные документы.
Возврат денежных средств осуществляется в течение 10 рабочих дней после проверки товара складом.
В соответствии с законодательством возврату не подлежат подшипники надлежащего качества, если отсутствует оригинальная упаковка или имеются следы монтажа.
В случае выявления брака или гарантийного случая мы гарантируем возврат или обмен товара.
Да, гарантийный срок хранения устанавливается заводом-изготовителем и в среднем составляет 2 года при соблюдении условий хранения: сухое помещение, оригинальная упаковка и смазка.
Точный срок для конкретного типа подшипника уточняйте у наших менеджеров.
Пн–Пт: с 8:00 до 17:00 (МСК).
Сб–Вс: выходные дни.
Заказы на сайте принимаются круглосуточно. Заявки, поступившие после окончания рабочего дня, обрабатываются на следующий рабочий день.
Минимальная сумма заказа для доставки составляет 3000 рублей. Самовывоз со склада возможен на любую сумму при наличии товара.
ООО «УралТехГрупп»
ИНН: 7415093830
КПП: 772401001
ОГРН: 1167456069021
Банк: ПАО Сбербанк
Р/с: 40702810838000475273
К/с: 30101810400000000225
БИК: 044525225
У подшипника UC203L2 пока нет отзывов. Вы можете стать первым покупателем, поделившимся своим мнением.