Поиск подшипника
Статьи
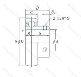
UC202L2 — Шариковый радиальный однорядный подшипник, модификация основного исполнения UC202, производство KOYO.
Размер подшипника: 15x47x31 мм.
Цилиндрическое отверстие внутреннего кольца, с установочными винтами.
Международная стандартизации ISO
UC202L2
В наличии
| Обозначение | Конструктивные изменения |
|---|---|
| UC202 | Угол контакта 20 градусов. Основное конструктивное исполнение. |
| UC202-10 | Distance Between Beginning Of The Rail And First Hole In MM. |
| UC202D1 | Стандартная консистентная смазка Alvania Grease 3. |
| UC202-9 | 9/16. |
| UC202N AV2S | Канавка под стопорное кольцо на внешнем кольце. Lubricant. Shell Oil Co.. Alvania #2 Grease. 1/4 Full. Temperature Range = -10°C / + 110°C (Normal Temperature Grease). |
| UC202C4HT | Шариковый радиальный однорядный подшипник. |
| UC202-09 | 9/16. |
| UC202A/SQ21 | Двухрядный радиально-упорный шарикоподшипник без отверстия для смазки. |
| UC202BHT | Подшипники для экстремальных условий до + 350°C. |
| UC202G2 | Cистема повторного смазывания для корпусных подшипников. |
| UC202S6 | Нержавеющая сталь. |
| UC202-10L2 | Шариковый радиальный однорядный подшипник. |
Модификации шарикового подшипника UC202L2 — это измененное основное конструктивное исполнение UC202, основные размеры (15x47x31) не отличаются.
| Обозначение | Гост | Конструктивные особенности |
|---|---|---|
| RB202-10 | ISO | Distance Between Beginning Of The Rail And First Hole In MM. |
| RB202 | ISO | Угол контакта 40 градусов. |
| ER202 | ISO | Шариковый радиальный однорядный подшипник. |
| UCS202LD1N | ISO | Канавка для стопорного кольца на наружном кольце. |
| ER10DD | ISO | Два уплотнения из PTFE. |
Аналог шарикового подшипника UC202L2 — это подшипник такого же размера dx15,Dx47,Bx31, типа и конструкции.
| Обозначение | Конструктивные особенности | Внутренний (d) | Наружный (D) | Ширина (B) |
|---|---|---|---|---|
| SER202-10 | Подшипник для корпуса. Distance Between Beginning Of The Rail And First Hole In MM. | 15.88 | 47.00 | 30.96 |
| SUC202-10 | Подшипник для корпуса. Distance Between Beginning Of The Rail And First Hole In MM. | 15.88 | 47.00 | 31.00 |
| UC204-10 | Подшипник для корпуса. Distance Between Beginning Of The Rail And First Hole In MM. | 15.88 | 47.00 | 31.00 |
| YAR202-2F | Подшипник для корпуса. Стандартное контактное уплотнение с дополнительным маслоотражательным кольцом с обеих сторон. | 15.00 | 47.00 | 31.00 |
| UCS202-010LD1NR | Подшипник для корпуса. Канавка под стопорное кольцо на наружном кольце с соответствующим стопорным кольцом. Канавка и смазочные отверстия на наружном кольце. Легкое наполнение. 5/8. | 15.88 | 47.00 | 31.00 |
| YAR204-009-2F | Подшипник для корпуса. Стандартное контактное уплотнение с дополнительным маслоотражательным кольцом с обеих сторон. | 14.29 | 47.00 | 31.00 |
| ESR202B | Подшипник для корпуса. Конический роликовый подшипник. Угол контакта 20 градусов. | 15.00 | 47.30 | 31.10 |
| 56204.010 | Подшипник для корпуса. 5/8. | 15.88 | 47.00 | 31.00 |
| RABRB15/47-XL-FA106 | Подшипник для корпуса. Серия X-Life премиум-класс. увеличиный срок службы. Подшипник подвергается специальным испытаниям на шум. | 15.00 | 47.30 | 31.10 |
| 15TAC47BDFC10PN7A | Шариковый радиально-упорный подшипник однонаправленный. High Capacity & Higher Speed (Replaces “A” Type). Duplex. Face-to-Face. Метрическая серия. Класс ISO 4 (Abec 7) Модифицированный более строгий стандарт для осевого биения Uxx или Pss. специальный класс точности или особенности. | 15.00 | 47.00 | 30.00 |
| UCS202-010 | Подшипник для корпуса. 5/8. | 15.88 | 47.00 | 31.00 |
| YAR204-010-2F | Подшипник для корпуса. Стандартное контактное уплотнение с дополнительным маслоотражательным кольцом с обеих сторон. 5/8. | 15.88 | 47.00 | 31.00 |
| 1020-5/8 | Подшипник для корпуса. Distance Between Beginning Of The Rail And First Hole In MM. Средний предварительный натяг. | 15.88 | 47.00 | 30.96 |
| RABRB15/47-FA106 | Подшипник для корпуса. Подшипник подвергается специальным испытаниям на шум. | 15.00 | 47.30 | 31.10 |
| MUC202FD | Подшипник для корпуса. Совместимая с пищевыми продуктами смазка-наполнитель. | 15.00 | 47.00 | 31.00 |
Способы доставки
Отправка через ведущие транспортные и курьерские компании: ПЭК, Деловые Линии, СДЭК, Байкал-Сервис, Энергия, КИТ, ЖелДорЭкспедиция.
Самовывоз возможен напрямую со склада в Москве.
Сроки доставки
Срок зависит от региона и выбранной транспортной компании. Все заказы комплектуются и отправляются в кратчайшие сроки со склада в Москве.
Надёжность и сохранность
Вся продукция упаковывается с учётом требований транспортировки. Мы гарантируем, что подшипники и комплектующие прибудут к заказчику в полной сохранности.
Доставка в страны ЕАЭС
Мы работаем с проверенными логистическими партнёрами, что позволяет оперативно доставлять заказы в Беларусь, Казахстан, Армению и другие страны ЕАЭС.
Варианты оплаты:
Минимальная сумма заказа и скидки:
Документы и гарантии:
Да, конечно! Наши технические специалисты готовы помочь вам с подбором точного аналога или замены подшипника. Просто позвоните нам по телефону +7 (495) 104-99-04 или напишите на почту zakaz@podsnab.ru.
Для оперативной консультации подготовьте, пожалуйста, имеющиеся данные: маркировку, размеры, тип оборудования или артикул старого подшипника.
Да, конечно! Мы высоко ценим долгосрочное сотрудничество и доверие клиентов по всей России. Для постоянных клиентов действует персональная система скидок.
Условия формируются индивидуально и зависят от:
Чтобы узнать свои условия и получить максимально выгодное предложение, свяжитесь с персональным менеджером или напишите нам на почту zakaz@podsnab.ru.
Вы можете оформить заказ несколькими способами:
Для оформления заказа от юридического лица свяжитесь с нашим отделом по работе с корпоративными клиентами по телефону +7 (495) 104-99-04 или напишите на email zakaz@podsnab.ru, прикрепив реквизиты вашей организации.
Мы оперативно подготовим коммерческое предложение и выставим счет.
Возврат товара надлежащего качества возможен в течение 10 дней с момента получения, если товар не был в употреблении, сохранен товарный вид, упаковка не вскрывалась и присутствуют все сопроводительные документы.
Возврат денежных средств осуществляется в течение 10 рабочих дней после проверки товара складом.
В соответствии с законодательством возврату не подлежат подшипники надлежащего качества, если отсутствует оригинальная упаковка или имеются следы монтажа.
В случае выявления брака или гарантийного случая мы гарантируем возврат или обмен товара.
Да, гарантийный срок хранения устанавливается заводом-изготовителем и в среднем составляет 2 года при соблюдении условий хранения: сухое помещение, оригинальная упаковка и смазка.
Точный срок для конкретного типа подшипника уточняйте у наших менеджеров.
Пн–Пт: с 8:00 до 17:00 (МСК).
Сб–Вс: выходные дни.
Заказы на сайте принимаются круглосуточно. Заявки, поступившие после окончания рабочего дня, обрабатываются на следующий рабочий день.
Минимальная сумма заказа для доставки составляет 3000 рублей. Самовывоз со склада возможен на любую сумму при наличии товара.
ООО «УралТехГрупп»
ИНН: 7415093830
КПП: 772401001
ОГРН: 1167456069021
Банк: ПАО Сбербанк
Р/с: 40702810838000475273
К/с: 30101810400000000225
БИК: 044525225
У подшипника UC202L2 пока нет отзывов. Вы можете стать первым покупателем, поделившимся своим мнением.