Поиск подшипника
Статьи
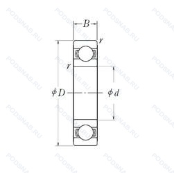
6202L11 — Шариковый радиальный однорядный подшипник, модификация основного исполнения 6202, производство NSK.
Размер подшипника: 15x35x11 мм.
Molded oil™ general use.
Международная стандартизации ISO
6202L11
В наличии
| Обозначение | Конструктивные изменения |
|---|---|
| 6202 2RD C3 | Внутренний зазор больше нормального. Облегченное контактное уплотнение с двух сторон.. |
| 6202P | Сеаратор из литого полиамида 6.6. армированного стекловолокном. |
| 6202-2NKE9 | Double Labyrinth Seal (Non Contact). |
| 6202NSE | Резиновое уплотнение с одной стороны. |
| 6202-RS2 | Contact Seal Of Fluoro Rubber (FPM) With Sheet Steel Reinforcement On One Side Of The Bearing. |
| 6202L11-H-20ZZ | Pressed Snap-Type Steel Cage. Hardened. Molded Oil™ General Use. |
| 6202T1X | Полиамидный фиксатор. |
| 6202L11-H-20 | Pressed Snap-Type Steel Cage. Hardened. Distance Between Beginning Of The Rail And First Hole In MM. Molded Oil™ General Use. |
| 6202LLH | Манжетное уплотнение с обеих сторон подшипника. |
| 6202LLB | Уплотнение бесконтактного типа из синтетического каучука. |
| 6202LLBNR | Канавка и стопорное кольцо на наружном кольце. Бесконтактное нитриловое уплотнение. |
| 6202LLU/15.875C3/2AS | Внутренний радиальный зазор С3. Контактное резиновое уплотнение с двух сторон. Distance Between Beginning Of The Rail And First Hole In MM. Стандартная смазка для подшипников с уплотнениями или защитными пластинами (от -25°C до +120°C). |
| 6202LLU/15875 | Контактное резиновое уплотнение с двух сторон. |
| 6202-2RS d14 C3 | Внутренний зазор больше нормального. Резиновые уплотнения с каждой стороны подшипника. Distance In MM From Beginning Of The Rail Till The First Hole. |
| 6202-2RS d16 C3 | Внутренний зазор больше нормального. Резиновые уплотнения с каждой стороны подшипника. 01. |
| 6202-TT C3 | Внутренний зазор больше нормального. Комплект из трех согласованных однорядных радиально-упорных шарикоподшипников или радиально-упорных шарикоподшипников, расположенных тандемно. |
| 6202-RSL | Sheet Steel Reinforced Low Friction Contact Seal Of Acrylonitrile-Butadiene Rubber (NBR) On One Side Of The Bearing. |
| 6202ZZG15 | Защитные пластины с двух сторон. Сепаратор из полиамида 6.6 армированный стекловолокном. |
| 6202ZG15B | Защитная пластина с одной стороны. Сепаратор из полиамида 6.6 армированный стекловолокном. |
| 6202-2Z 5/8 | Защитные металлические шайбы с обеих сторон подшипника. Distance Between Beginning Of The Rail And First Hole In MM. Средний предварительный натяг. |
| 6202-2RS 5/8 | Резиновые уплотнения с каждой стороны подшипника. Distance Between Beginning Of The Rail And First Hole In MM. Средний предварительный натяг. |
| 6202-2Z.T9H.C3 | Внутренний зазор больше нормального. Защитные металлические шайбы с обеих сторон подшипника. Защелкивающийся сепаратор. Усиленный стекловолокном полиамид. Шариковые тела качения. |
| 6202-2Z/16 | Защитные металлические шайбы с обеих сторон подшипника. 01. |
| 6202/47-2Z | Защитные металлические шайбы с обеих сторон подшипника. 2.15/16. |
| 6202/47-2RS | Резиновые уплотнения с каждой стороны подшипника. 2.15/16. |
Модификации шарикового подшипника 6202L11 — это измененное основное конструктивное исполнение 6202, основные размеры (15x35x11) не отличаются.
| Обозначение | Гост | Конструктивные особенности |
|---|---|---|
| 5-202 Ш2У | ГОСТ | Дополнительные технические требования. Нормы шумности. |
| 5-202 Ю | ГОСТ | Все детали или часть деталей из нержавеющей стали.. |
| 5-202 ЮТ | ГОСТ | Температура отпуска. 160°. Все детали или часть деталей из нержавеющей стали.. |
| 5-80202 АС1 | ГОСТ | Повышенная грузоподъемность. Смазка ОКБ 122-7. |
| 5-80202 АС17 | ГОСТ | Смазка Литол-24. Повышенная грузоподъемность. |
| 5-80202 К4Ш2УС9 | ГОСТ | Дополнительные технические требования. Нормы шумности. Смазка ЛЗ-31. |
| 5-80202 КС9 | ГОСТ | «Замок» (скос) на внутреннем кольце плюс массивный сепаратор из текстолита. Смазка ЛЗ-31. |
| 5-80202 КШ2УТ2С9 | ГОСТ | Дополнительные технические требования. 200°. Температура отпуска. Нормы шумности. Смазка ЛЗ-31. |
| 5-80202 С2Ш2У | ГОСТ | Дополнительные технические требования. Смазка ЦИАТИМ-221. Нормы шумности. |
| 5-80202 С9Ш2У | ГОСТ | Дополнительные технические требования. Нормы шумности. Смазка ЛЗ-31. |
| 50202-А | ГОСТ | Повышенная грузоподъемность. |
| 50202-АЕ | ГОСТ | Сепаратор из текстолита.. Повышенная грузоподъемность. |
| 50202-АК | ГОСТ | Повышенная грузоподъемность. |
| 550702-М | ГОСТ | Модифицированный контакт.. |
| 6-160202 АЕ | ГОСТ | Сепаратор из текстолита.. Повышенная грузоподъемность. |
| 6-160202 АЕ2 | ГОСТ | Повышенная грузоподъемность. Сепаратор из пластических материалов.. |
| 6-160202 Е | ГОСТ | Сепаратор из текстолита.. |
| 6-160202 Е2 | ГОСТ | Сепаратор из пластических материалов.. |
| 6-170415 Л | ГОСТ | Сепаратор из латуни.. |
| 6-180202 С17 | ГОСТ | Смазка Литол-24. |
Аналог шарикового подшипника 6202L11 — это подшипник такого же размера dx15,Dx35,Bx11, типа и конструкции.
| Обозначение | Конструктивные особенности | Внутренний (d) | Наружный (D) | Ширина (B) |
|---|---|---|---|---|
| BS 215/S 7P62U | Шариковый упорный однорядный подшипник. Запечатанная версия кулачкового ролика. Высокая осевая жесткость и грузоподъемность.. | 15.00 | 35.00 | 11.00 |
| BS 215 7P62U | Шариковый упорный однорядный подшипник. Высокая осевая жесткость и грузоподъемность.. | 15.00 | 35.00 | 11.00 |
| 42202-Д | Роликовый радиальный однорядный подшипник. Сепаратор из алюминиевого сплава.. | 15.00 | 35.00 | 11.00 |
| 436202-КЕ | Шариковый радиально-упорный сдвоенный подшипник. «Замок» (скос) на внутреннем кольце плюс массивный сепаратор из текстолита. Сепаратор из текстолита.. | 15.00 | 35.00 | 11.00 |
| 46202-А | Шариковый радиально-упорный однорядный подшипник. Повышенная грузоподъемность. | 15.00 | 35.00 | 11.00 |
| 46202-АК | Шариковый радиально-упорный однорядный подшипник. Повышенная грузоподъемность. | 15.00 | 35.00 | 11.00 |
| 46202-Е3 | Шариковый радиально-упорный однорядный подшипник. Сепаратор из пластических материалов.. | 15.00 | 35.00 | 11.00 |
| 46202-КЕ | Шариковый радиально-упорный однорядный подшипник. «Замок» (скос) на внутреннем кольце плюс массивный сепаратор из текстолита. Сепаратор из текстолита.. | 15.00 | 35.00 | 11.00 |
| 46202-К | Шариковый радиально-упорный однорядный подшипник. «Замок» (скос) на внутреннем кольце плюс массивный сепаратор из текстолита. | 15.00 | 35.00 | 11.00 |
| 5-36202 КЕ | Шариковый радиально-упорный однорядный подшипник. «Замок» (скос) на внутреннем кольце плюс массивный сепаратор из текстолита. Сепаратор из текстолита.. | 15.00 | 35.00 | 11.00 |
| 5-46202 Е1 | Шариковый радиально-упорный однорядный подшипник. Сепаратор из текстолита.. | 15.00 | 35.00 | 11.00 |
| 5-46202 Е1У | Шариковый радиально-упорный однорядный подшипник. Сепаратор из текстолита.. Дополнительные технические требования. | 15.00 | 35.00 | 11.00 |
| 5-46202 Е1УП | Шариковый радиально-упорный однорядный подшипник. Сепаратор из текстолита.. Дополнительные технические требования. | 15.00 | 35.00 | 11.00 |
| 5-46202 К | Шариковый радиально-упорный однорядный подшипник. «Замок» (скос) на внутреннем кольце плюс массивный сепаратор из текстолита. | 15.00 | 35.00 | 11.00 |
| 56-32202 Б1 | Роликовый радиальный однорядный подшипник. Сепаратор из безоловянистой бронзы.. | 15.00 | 35.00 | 11.00 |
Способы доставки
Отправка через ведущие транспортные и курьерские компании: ПЭК, Деловые Линии, СДЭК, Байкал-Сервис, Энергия, КИТ, ЖелДорЭкспедиция.
Самовывоз возможен напрямую со склада в Москве.
Сроки доставки
Срок зависит от региона и выбранной транспортной компании. Все заказы комплектуются и отправляются в кратчайшие сроки со склада в Москве.
Надёжность и сохранность
Вся продукция упаковывается с учётом требований транспортировки. Мы гарантируем, что подшипники и комплектующие прибудут к заказчику в полной сохранности.
Доставка в страны ЕАЭС
Мы работаем с проверенными логистическими партнёрами, что позволяет оперативно доставлять заказы в Беларусь, Казахстан, Армению и другие страны ЕАЭС.
Варианты оплаты:
Минимальная сумма заказа и скидки:
Документы и гарантии:
Да, конечно! Наши технические специалисты готовы помочь вам с подбором точного аналога или замены подшипника. Просто позвоните нам по телефону +7 (495) 104-99-04 или напишите на почту zakaz@podsnab.ru.
Для оперативной консультации подготовьте, пожалуйста, имеющиеся данные: маркировку, размеры, тип оборудования или артикул старого подшипника.
Да, конечно! Мы высоко ценим долгосрочное сотрудничество и доверие клиентов по всей России. Для постоянных клиентов действует персональная система скидок.
Условия формируются индивидуально и зависят от:
Чтобы узнать свои условия и получить максимально выгодное предложение, свяжитесь с персональным менеджером или напишите нам на почту zakaz@podsnab.ru.
Вы можете оформить заказ несколькими способами:
Для оформления заказа от юридического лица свяжитесь с нашим отделом по работе с корпоративными клиентами по телефону +7 (495) 104-99-04 или напишите на email zakaz@podsnab.ru, прикрепив реквизиты вашей организации.
Мы оперативно подготовим коммерческое предложение и выставим счет.
Возврат товара надлежащего качества возможен в течение 10 дней с момента получения, если товар не был в употреблении, сохранен товарный вид, упаковка не вскрывалась и присутствуют все сопроводительные документы.
Возврат денежных средств осуществляется в течение 10 рабочих дней после проверки товара складом.
В соответствии с законодательством возврату не подлежат подшипники надлежащего качества, если отсутствует оригинальная упаковка или имеются следы монтажа.
В случае выявления брака или гарантийного случая мы гарантируем возврат или обмен товара.
Да, гарантийный срок хранения устанавливается заводом-изготовителем и в среднем составляет 2 года при соблюдении условий хранения: сухое помещение, оригинальная упаковка и смазка.
Точный срок для конкретного типа подшипника уточняйте у наших менеджеров.
Пн–Пт: с 8:00 до 17:00 (МСК).
Сб–Вс: выходные дни.
Заказы на сайте принимаются круглосуточно. Заявки, поступившие после окончания рабочего дня, обрабатываются на следующий рабочий день.
Минимальная сумма заказа для доставки составляет 3000 рублей. Самовывоз со склада возможен на любую сумму при наличии товара.
ООО «УралТехГрупп»
ИНН: 7415093830
КПП: 772401001
ОГРН: 1167456069021
Банк: ПАО Сбербанк
Р/с: 40702810838000475273
К/с: 30101810400000000225
БИК: 044525225
У подшипника 6202L11 пока нет отзывов. Вы можете стать первым покупателем, поделившимся своим мнением.