Поиск подшипника
Статьи
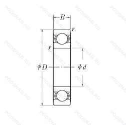
6901L11 — Шариковый радиальный однорядный подшипник, модификация основного исполнения 6901, производство NSK.
Размер подшипника: 12x24x6 мм.
Molded oil™ general use.
Международная стандартизации ISO
6901L11
В наличии
| Обозначение | Конструктивные изменения |
|---|---|
| 6901ZZV2 | Защитные металлические шайбы с обеих сторон. Vibration Level 2. |
| 6901ZZE | Радиальный шарикоподшипник серии Excel. Защитные металлические шайбы с обеих сторон. |
| 6901ZZC3 | Внутренний зазор больше нормального. Защитные металлические шайбы с обеих сторон подшипника. |
| 6901ZZ2CM | Два боковых защитных уплотнения. Шариковый подшипник. Специальный радиальный внутренний зазор для электродвигателей. |
| 6901ZZ1 NR | Канавка под стопорное кольцо на наружном кольце с соответствующим стопорным кольцом. Защитные из нержавеющей стали шайбы с двух сторон подшипника. |
| 6901VV/AV2S | Lubricant. Shell Oil Co.. Alvania #2 Grease. 1/4 Full. Temperature Range = -10°C / + 110°C (Normal Temperature Grease). Защитные металлические шайбы. с обеих сторон подшипника. Бесконтактное уплотнение. (лучше. чем ZZ. Можно использовать в умеренно запыленной среде). |
| 6901DDC3PS2 | Внутренний зазор больше нормального. Контактное уплотнение с двух сторон. Multemp PS No. 2. Thickener = Lithium. Oil Base = Synthetic Oil + Mineral Oil. Operating Temperature = -50°C / + 110°C. Applications/ Ball Screws And Linear Guides Used Under Low Temperatures And Heavy Operating Conditions. |
| NA 6901U | Универсальный одиночный подшипник. |
| RNA 6901UU | Символ защиты от загрязнения. |
| RNA 6901U | Универсальный одиночный подшипник. |
| 6901-2RD | Облегченное контактное уплотнение с двух сторон.. |
| 6901-2RU | Non Contact Type Friction Torque = Small High Speed Performance = Good Grease Sealing = Better Than ZZ-Type Dirt Resistance = Better Than ZZ-Type Water Resistance = Better Than ZZ / Inferior To 2RS Operating Temp. -30°C To + 100°C. |
| 6901Z | Стальная шайба. |
| 6901-2NSE | Резиновые уплотнения с каждой стороны подшипника. |
| 6901NSE | Резиновое уплотнение с одной стороны. |
| 6901N | Канавка для стопорного кольца на наружном кольце. |
| 6901-2NKE | Double Labyrinth Seal (Non Contact). |
| 6901ZE | щит из листовой прессованной стали с одной стороны подшипника. |
| 6901L11-H-20DD1 | Pressed Snap-Type Steel Cage. Hardened. Molded Oil™ General Use. |
| 6901L11-H-20 | Pressed Snap-Type Steel Cage. Hardened. Distance Between Beginning Of The Rail And First Hole In MM. Molded Oil™ General Use. |
| 6901L11-H-20ZZ2 | Pressed Snap-Type Steel Cage. Hardened. Molded Oil™ General Use. |
| 6901LU | Двухкромочное нитриловое контактное уплотнение. |
| 6901LLB | Уплотнение бесконтактного типа из синтетического каучука. |
| 6901LLUNR | Канавка и стопорное кольцо на наружном кольце. Двухкромочное нитриловое контактное уплотнение. |
| 6901LLUN | Канавка для стопорного кольца на наружном кольце. Двухкромочное нитриловое контактное уплотнение. |
Модификации шарикового подшипника 6901L11 — это измененное основное конструктивное исполнение 6901, основные размеры (12x24x6) не отличаются.
| Обозначение | Гост | Конструктивные особенности |
|---|---|---|
| W 61901 R | ISO | Нержавеющая сталь. С выпуклыми асимметричными роликами и обработанным сепаратором. |
| W 61901 R-2Z | ISO | Защитные металлические шайбы с обеих сторон подшипника. Нержавеющая сталь. С выпуклыми асимметричными роликами и обработанным сепаратором. |
| P6901-SB | ISO | Double Row. Angular Contact. Non-Filling Notch Bearing. With Outwardly Convergent Угол контактаs. Rigid Design. |
| P6901-GB | ISO | Подшипник для универсального монтажа. Два подшипника. установленные по О-образной или Х-образной схеме. имеют средний преднатяг. |
| SF61901-2Z | ISO | Защитные металлические шайбы с обеих сторон подшипника. |
| SF61901-2RS | ISO | Резиновые уплотнения с каждой стороны подшипника. |
| F61901-2Z | ISO | Защитные металлические шайбы с обеих сторон подшипника. |
| 3NCHAC901CA | ISO | Угол контакта 20 градусов. Латунный сепаратор с симметричными роликами. |
| 3NCHAC901C | ISO | Угол контакта 20 градусов. |
| 1000901-ЮТ | ГОСТ | Температура отпуска. 160°. Все детали или часть деталей из нержавеющей стали.. |
| 1М5-1000901 | ГОСТ | Модифицированный контакт.. |
| 25-1000901 Ю | ГОСТ | Все детали или часть деталей из нержавеющей стали.. |
| 5-1000901 БТ2 | ГОСТ | 200°. Температура отпуска. Сепаратор из безоловянистой бронзы.. |
| 5-1000901 Т2 | ГОСТ | 200°. Температура отпуска. |
| 5-1000901 Ю | ГОСТ | Все детали или часть деталей из нержавеющей стали.. |
| 6-1000901 Р1 | ГОСТ | Детали из теплоустойчивой (быстрорежущие) стали.. |
| 6-1000901 Ю | ГОСТ | Все детали или часть деталей из нержавеющей стали.. |
| 6-1000901 Ю1 | ГОСТ | Все детали или часть деталей из нержавеющей стали.. |
| 6-1000901 Ю1Т | ГОСТ | Температура отпуска. 160°. Все детали или часть деталей из нержавеющей стали.. |
| 6-1000901 ЮТ | ГОСТ | Температура отпуска. 160°. Все детали или часть деталей из нержавеющей стали.. |
Аналог шарикового подшипника 6901L11 — это подшипник такого же размера dx12,Dx24,Bx6, типа и конструкции.
| Обозначение | Конструктивные особенности | Внутренний (d) | Наружный (D) | Ширина (B) |
|---|---|---|---|---|
| 71901CVUJ74 | Шариковый радиально-упорный однорядный подшипник. Угол контакта 15°. Преднатяг (Лёгкий. Универсальные подшпники. | 12.00 | 24.00 | 6.00 |
| ML71901HVUJ74S | Шариковый радиально-упорный однорядный подшипник. Угол контакта 25°. Универсальные подшпники. Высокопрецизионные радиально-упорные подшипники с высокой скоростью вращения. Преднатяг (Лёгкий. | 12.00 | 24.00 | 6.00 |
| ML71901CVUJ74S | Шариковый радиально-упорный однорядный подшипник. Угол контакта 15°. Универсальные подшпники. Высокопрецизионные радиально-упорные подшипники с высокой скоростью вращения. Преднатяг (Лёгкий. | 12.00 | 24.00 | 6.00 |
| MLE71901CVUJ74S | Шариковый радиально-упорный однорядный подшипник. Угол контакта 15°. Универсальные подшпники. Преднатяг (Лёгкий. Высокопрецизионные радиально-упорные подшипники с высокой скоростью вращения с бесконтактным уплотнением с обеих сторон. | 12.00 | 24.00 | 6.00 |
| MLE71901HVUJ74S | Шариковый радиально-упорный однорядный подшипник. Угол контакта 25°. Универсальные подшпники. Преднатяг (Лёгкий. Высокопрецизионные радиально-упорные подшипники с высокой скоростью вращения с бесконтактным уплотнением с обеих сторон. | 12.00 | 24.00 | 6.00 |
| 71901 C | Шариковый радиально-упорный однорядный подшипник. 15° Угол контакта. | 12.00 | 24.00 | 6.00 |
| HSS71901-E-T-P4S | Шариковый радиально-упорный однорядный подшипник. Повышенная грузоподъемность. Textile Laminated Phenolic Resin. Outer Ring Guided. The Cage Is Suitable For Long-Term Operation At Temperatures Up To 100°C. Класс точности. стандарт FAG лучше чем P4. | 12.00 | 24.00 | 6.00 |
| 71901 A | Шариковый радиально-упорный однорядный подшипник. Двухрядный радиально-упорный шарикоподшипник без отверстия для смазки. | 12.00 | 24.00 | 6.00 |
| 7901 C | Шариковый радиально-упорный однорядный подшипник. Угол контакта 15 градусов. | 12.00 | 24.00 | 6.00 |
| 7901CPA | Шариковый радиально-упорный однорядный подшипник. Угол контакта 15 градусов. | 12.00 | 24.00 | 6.00 |
| 7901AC | Шариковый радиально-упорный однорядный подшипник. Суффикс для радиально-упорного шарикоподшипника. | 12.00 | 24.00 | 6.00 |
| 7901 A5 | Шариковый радиально-упорный однорядный подшипник. 25° Угол контакта. | 12.00 | 24.00 | 6.00 |
| 1036901К | Шариковый радиально-упорный однорядный подшипник. «Замок» (скос) на внутреннем кольце плюс массивный сепаратор из текстолита. | 12.00 | 24.00 | 6.00 |
| 1046901К | Шариковый радиально-упорный однорядный подшипник. «Замок» (скос) на внутреннем кольце плюс массивный сепаратор из текстолита. | 12.00 | 24.00 | 6.00 |
| W 61901-2RZ | Шариковый радиальный подшипник. Шарикоподшипник. С уплотнением и низким коэффициентом трения с обеих сторон. Уплотнение состоит из шайбы из листовой стали с вулканизированной резиной. Нержавеющая сталь. | 12.00 | 24.00 | 6.00 |
Способы доставки
Отправка через ведущие транспортные и курьерские компании: ПЭК, Деловые Линии, СДЭК, Байкал-Сервис, Энергия, КИТ, ЖелДорЭкспедиция.
Самовывоз возможен напрямую со склада в Москве.
Сроки доставки
Срок зависит от региона и выбранной транспортной компании. Все заказы комплектуются и отправляются в кратчайшие сроки со склада в Москве.
Надёжность и сохранность
Вся продукция упаковывается с учётом требований транспортировки. Мы гарантируем, что подшипники и комплектующие прибудут к заказчику в полной сохранности.
Доставка в страны ЕАЭС
Мы работаем с проверенными логистическими партнёрами, что позволяет оперативно доставлять заказы в Беларусь, Казахстан, Армению и другие страны ЕАЭС.
Варианты оплаты:
Минимальная сумма заказа и скидки:
Документы и гарантии:
Да, конечно! Наши технические специалисты готовы помочь вам с подбором точного аналога или замены подшипника. Просто позвоните нам по телефону +7 (495) 104-99-04 или напишите на почту zakaz@podsnab.ru.
Для оперативной консультации подготовьте, пожалуйста, имеющиеся данные: маркировку, размеры, тип оборудования или артикул старого подшипника.
Да, конечно! Мы высоко ценим долгосрочное сотрудничество и доверие клиентов по всей России. Для постоянных клиентов действует персональная система скидок.
Условия формируются индивидуально и зависят от:
Чтобы узнать свои условия и получить максимально выгодное предложение, свяжитесь с персональным менеджером или напишите нам на почту zakaz@podsnab.ru.
Вы можете оформить заказ несколькими способами:
Для оформления заказа от юридического лица свяжитесь с нашим отделом по работе с корпоративными клиентами по телефону +7 (495) 104-99-04 или напишите на email zakaz@podsnab.ru, прикрепив реквизиты вашей организации.
Мы оперативно подготовим коммерческое предложение и выставим счет.
Возврат товара надлежащего качества возможен в течение 10 дней с момента получения, если товар не был в употреблении, сохранен товарный вид, упаковка не вскрывалась и присутствуют все сопроводительные документы.
Возврат денежных средств осуществляется в течение 10 рабочих дней после проверки товара складом.
В соответствии с законодательством возврату не подлежат подшипники надлежащего качества, если отсутствует оригинальная упаковка или имеются следы монтажа.
В случае выявления брака или гарантийного случая мы гарантируем возврат или обмен товара.
Да, гарантийный срок хранения устанавливается заводом-изготовителем и в среднем составляет 2 года при соблюдении условий хранения: сухое помещение, оригинальная упаковка и смазка.
Точный срок для конкретного типа подшипника уточняйте у наших менеджеров.
Пн–Пт: с 8:00 до 17:00 (МСК).
Сб–Вс: выходные дни.
Заказы на сайте принимаются круглосуточно. Заявки, поступившие после окончания рабочего дня, обрабатываются на следующий рабочий день.
Минимальная сумма заказа для доставки составляет 3000 рублей. Самовывоз со склада возможен на любую сумму при наличии товара.
ООО «УралТехГрупп»
ИНН: 7415093830
КПП: 772401001
ОГРН: 1167456069021
Банк: ПАО Сбербанк
Р/с: 40702810838000475273
К/с: 30101810400000000225
БИК: 044525225
У подшипника 6901L11 пока нет отзывов. Вы можете стать первым покупателем, поделившимся своим мнением.